Генераторный блок «АВ-4Л»
Техническое средство защиты речевой информации
от утечки по оптико-электронному (лазерному) каналу «Соната-АВ4Л»
Техническое средство защиты речевой информации от утечки по оптико-электронному (лазерному) каналу «Соната-АВ4Л» предназначено для возбуждения вибрационного шумового сигнала в ламелях оконных жалюзи.
Изделие входят в состав Системы активной акустической и вибрационной защиты акустической речевой информации «Соната-АВ» модель 4Б (далее Система) и сертифицировано
в ее составе.
ехнические характеристики Изделия
Основные технические характеристики Изделия указаны в Таблице. Не указанные характеристики соответствуют требованиям ФСТЭК России предъявляемым к средствам активной акустической и вибрационной защиты акустической речевой информации.
| Параметр | Значение | |
| Рабочий диапазон частот, Гц | 90 … 11 200 | |
| Диапазон регулирования октавных уровней, дБ, не менее | 6 1) | |
| Диапазон регулирования интегрального уровня, дБ, не менее | 10 | |
| Максимальное число подключаемых вибровозбудителей, шт. | 36 2) | |
| Количество шумовых выходов, шт. | 2 | |
| Интерфейс управления | ReBus-3 | |
| Напряжение электропитания, В | 10 – 14 | |
| Ток, потребляемый генераторным блоком «АВ-4Л» от линии питания, мА, не более | 150 | |
| Виды индикации: | — непосредственно на генераторном блоке «АВ-4Л» | светодиодная |
| — на других элементах Системы | комбинированная | |
| Габаритные размеры, мм, не более | — генераторный блок «АВ-4Л» | 96 х 71 х 24 |
| — вибровозбудитель «СП-4Л» | диаметр 48 высота 14 | |
| Условия эксплуатации: | — температура окружающей среды | от +5 до +40ºС |
| — относительная влажность воздуха | до 80% при температуре +25ºС | |
| Основные характеристики защищаемых ламелей: | — ширина х длина (max) х толщина, мм | 89 х 2000 х 0,25 3) |
| — материал | окрашенный металл | |
| — подвес | вертикально |
Примечания.
1) Кроме октавной полосы со среднегеометрической частотой 125 Гц.
2) Количество всегда четное (одинаковое в каждом из двух каналов), определяется количеством защищаемых ламелей.
3) Указаны типовые значения: ширины и толщины и длины. Размеры могут быть изменены с учетом выполнения норм.
Изделие представляет собой техническое средство виброакустической защиты с центральным генераторным блоком, пассивными вибровозбудителями и подсистемой автоматического контроля количества вибровозбудителей, подключенных к генераторному блоку.
Шумовой сигнал, возбуждаемый Изделием в ламелях оконных жалюзи, представляет собой шумовые колебания поверхности ламелей.
Размер и место установки ламелей выбирается исходя из обеспечения отсутствия прямой видимости потенциальных «мишеней».
Типовой комплект Изделия:
| Наименование | Количество | Примечание |
| Генераторный блок «АВ-4Л» | 1 шт. (1 на 36 вибровозбудитетлей) | Обязательный элемент. Количество всегда четное (одинаковое в каждом из двух каналов), определяется количеством защищаемых ламелей |
| Вибровозбудитель «СП-4Л» | 10 … 36 шт. (Количество равно количеству ламелей.) | Обязательный элемент. —» » — |
| Соединительные кабели | 1/2 шт (определяется вариантом раздвижения ламелий) | Обязательный элемент. Количество разъемов равно количеству вибровозбудителей |
| Блок электропитания и управления «Соната-ИП4..х» | Один на 5 (15) генераторных блоков. (5 шт. для ИП4.3, 15 шт. для ИП4.1) | Необходим только в случае отсутствия ТСЗИ «Соната-АВ4Б» на объекте. |
| Пульт управления «Соната-ДУ4.3» | 1 на комплекс ТСЗИ | -» » — |
Электропитание, управление и контроль работы Изделия осуществляется в составе Системы «Соната-АВ4Б».
Генераторный блок устанавливается на стену или карниз жалюзи примерно посередине защищаемой группы ламелей и подключается к линии вторичного электропитания и управления Системы «Соната – АВ4Б».
Генераторный блок «АВ-4Л» осуществляет визуальную индикацию режима работы с помощью индикатора «РЕЖИМ». Кроме того, информация об исправности и режиме работы Изделия считывается блоком электропитания и управления «Соната-ИП4.х» и отображается на пульте управления «Соната-ДУ4.3».
Регулировка интегрального и октавных уровней выходного сигнала Изделия осуществляется с помощью СПО «Камертон» через блок электропитания и управления Системы, подключаемый к управляющей ПЭВМ по интерфейсу USB.
Набор регулировок интегрального и октавных уровней (профиль защиты) хранится в энергонезависимой памяти генераторного блока «АВ-4Л». По умолчанию в Изделии настроены 2 профиля защиты — с минимальным и максимальным уровнем шумового сигнала.
Коммутационный аппарат переключения (переключатель питания)
Автоматический
Автоматический переключатель питания дата-центра
Коммутационная аппаратура автоматического переключения — аппаратура автономного действия, состоящая из коммутационного аппарата (аппаратов) переключения и других устройств, необходимых для контроля цепей питания и переключения одной или нескольких цепей нагрузки от одного источника питания к другому.
Автоматические переключатели питания делятся на оборудование:
- постоянного тока;
- переменного тока
- использующие релейно-контакторные схемы;
- с непрерывной подачей питания при переключении нагрузок;
- источники бесперебойного питания.
При автоматическом переключении обеспечивается гарантированное электропитание, когда допускается перерыв на время ввода в действие резервного источника. Бесперебойное электропитание с «мгновенным» вводом в действие резервного источника обеспечивает источник бесперебойного электропитания.
Возможно использование автоматической коммутационной аппаратуры не только во время длительных отключений рабочего источника питания, но и при кратковременных провалах напряжения. Если допустимое время перерыва питания меньше 0,2 с возможно только использование источников бесперебойного питания, защита автоматическими выключателями цепи с коротким замыканием для уменьшения времени перерыва питания в таком случае невозможна или неэффективна. Если допустимое время более 0,2 с возможно использование защит электросети или использование источников бесперебойного питания. При допустимом времени 5…20 с возможно отказаться от источников бесперебойного питания и использовать автоматическую коммутационную аппаратуру.
Блок для автозапуска генератора
В качестве автоматического ввода резерва расмотрим более подробно устройство БАЗГ-1, представляющее собой блок автозапуска генератора. С его помощью обеспечивается дистанционное управление, не требующее присутствия людей. Основной функцией блока является запуск и остановка двигателя электростанции. Для запуска предусмотрено пять попыток, в том числе на сам запуск отводится 5 секунд, и на перерыв между запусками – 15 секунд с автоматическим управлением воздушной заслонкой.

Блок БАЗГ-1 входит в состав системы резервного автоматического электроснабжения. Внешний источник отдает команду, по которой выполняется запуск и последующий контроль над работой двигателя. Для того чтобы система работала полноценно, понадобится щит, переключающий на резерв.
Устройство БАЗГ-1 может работать совместно с инвертором, обеспечивающим запуск генератора и дальнейшую подзарядку аккумуляторной батареи. Пуск и отключение генератора происходит при замыкании и размыкании двух контактов. При неудачной попытке запуска блок переходит в состояние аварийного режима. Для выхода из него нужно снять питание с блока или отменить команду запуска. Перед полным отключением двигателя генератор охлаждается в течение 30 секунд.
Схемы применения и подключения реле контроля фаз и напряжения РНЛ-1
Модель потребляет меньше 2 ВА. После нормализации напряжения контрольное устройство вновь включает подачу электроэнергии через период времени, указанный в заводских настройках.
Преимущества реле контроля фаз В сравнении с другими устройствами аварийных отключений данные электронные реле отличаются рядом весомых преимуществ: в сравнении с реле контроля напряжения не зависит от влияния ЭДС питающей сети, так как его работа отстраивается от тока; позволяет определять аномальные скачки не только в трехфазной сети питания, но и со стороны нагрузки, что позволяет расширить спектр защищаемых компонентов; в отличии от реле, работающих на изменение тока в электродвигателях, данное оборудование позволяет фиксировать еще и параметр напряжения, обеспечивая контроль по нескольким параметрам; способно определить дисбаланс уровней питающих напряжений из-за неравномерности загрузки отдельных линий, что чревато перегревом двигателя и снижением параметров изоляции; не требует формирования дополнительной трансформации со стороны рабочего напряжения
Сгоревшая обмотка статора мотора — можно сказать, обычное явление там, где не предусматривалось внедрение в цепь управления релейного контроля Исходя из всех описанных технических и технологических факторов, становится очевидной важность применения этого типа реле и не только для случаев эксплуатации электрических двигателей, но также для генераторов, трансформаторов и прочего электрооборудования. Если зарубежные производители маркируют по одним канонам, то отечественные — по другим. В связи с этим, необходим постоянный контроль над состоянием фаз, осуществляемый с помощью трехфазного реле контроля напряжения, установленного в сети
Так выглядит одна из моделей реле контроля напряжения
В связи с этим, необходим постоянный контроль над состоянием фаз, осуществляемый с помощью трехфазного реле контроля напряжения, установленного в сети. Так выглядит одна из моделей реле контроля напряжения.
На практике применяется для контроля наличия U и правильности симметрии. При выходе за заданные значения какой-либо из фаз, срабатывает реле, отвечающее за данный контур, а остальная нагрузка при условии нахождении в границах нужного диапазона продолжает работать. Следующие две буквы А — регулирование с помощью потенциометра и тип монтажа под дин-рейку
Обнаружение разворота фазы важно, если двигатель, работающий в обратном направлении, может повредить ведомый механизм или, что еще хуже, — нанести физический вред обслуживающему персоналу. Максимальное напряжение составляет В. Такая ситуация чаще всего возникает из-за ошибки подключения
Число производимых товаров превышает единиц
Такая ситуация чаще всего возникает из-за ошибки подключения. Число производимых товаров превышает единиц.
Установка коммутирующих устройств на выход реле
Далеко не все модели предоставляют весь комплекс настроек по вышеприведенным параметрам. Установкой каждого из них в то или иное положение создается требуемая конфигурация
Важно учесть, что сфера применения изделия зависит от их типов реле контроля фаз напряжения ЕЛ : 11 и 11 МТ — защита источников питания, участие в системе АВР, питание преобразователей и генераторных установок. Если напряжение основного ввода в норме, то контакт реле KV1. Выявление фазового реверса Выполняется техническое обслуживание на моторном оборудовании
Выявление фазового реверса Выполняется техническое обслуживание на моторном оборудовании.
Подключаемую нагрузку формируют равномерно на каждую из 3-х фаз. Это позволяет легко соединить реле контроля трехфазного напряжения с электрической цепью, соблюдая правила, одинаковые для всех типов этих устройств. Это устройство контролирует трехфазную сеть при обрыве одной и более фаз, неправильном чередование фаз, асимметрии напряжения или перекосе фаз. Яркий пример — компрессор винтового типа, неправильное подключение которого и включение на срок больше пяти секунд приводит к поломке дорогостоящего изделия. Принципиальная схема устройства показана ниже.
Таким образом, контроль происходит автоматически, при аварийной ситуации реле отключает нагрузку, а при восстановлении параметров сети включает напряжение трехфазной сети автоматически. К дополнительным плюсам стоит отнести контроль минимального и максимального U, функцию гистерезиса для 3-фазного тока. Это позволяет значительно увеличить их мощность. Изделия этого предприятия активно применяются как на гражданских объектах, так и в крупных промышленных организациях. Подключение и работа реле контроля фаз ЕЛ-11Е
Установка блока АВР с автозапуском бензогенератора
В свете вышесказанного было бы очень полезным устройство, вообще исключающее вмешательство человека в работу системы аварийного электроснабжения. Такие приборы действительно есть и работают они полностью бесперебойно, но только с генераторами, укомплектованными электрическим стартером и штатной системой останова.
Разрабатывать подобную систему самостоятельно — хлопотное дело, достойное отдельного обсуждения. При неправильной организации работы велик риск испортить оборудование. Например, если генератор имеет поломку моторной части, его принудительный многократный запуск вызовет, по меньшей мере, глубокий разряд аккумулятора, а в худшем случае приведёт к выходу из строя обмоток электростартера.
Есть два варианта подобных устройств, первый — штатный блок электронного управления, поставляемый вместе с генератором и устанавливаемый с ним в одном помещении. Такой блок подключается согласно приложенной в инструкции схеме и управляет он только запуском и остановкой двигателя, в некоторых случаях берёт на себя задачу регулировки оборотов и выдаваемой мощности. Основная коммутация резервного ввода выполняется контакторами по схеме, которую мы описывали ранее. Только в этом случае нормально разомкнутый контакт на основном вводе протягивается сигнальным слаботочным проводом до блока управления, чтобы текущее состояние городской линии давало понять электронике, когда следует вводить в работу или останавливать генератор.
1 — блок автоматического запуска генератора; 2 — контактор основного ввода; 3 — контактор резервного ввода
Второй вариант — комплектные устройства АВР с автозапуском. Это не очень обширный спектр устройств, но все они требуют установки на генератор дополнительного оборудования: электрического привода дроссельной заслонки и стартера с аккумулятором.
Подключение генератора через АВР: 1 — вводный автомат; 2 — счётчик; 3 — щит АВР; 4 — генератор; 5 — управляющий кабель; 6 — нулевая шина; 7 — автоматы потребителей; 8 — шина заземления
Преимущество таких систем в том, что они имеют всё необходимое «из коробки» и полностью заменяют вводно-распределительное устройство, включая встроенные защиты по току, а иногда даже имеют систему защиты от перенапряжений и утечек. Всё что нужно для подключения — присоединить жилы вводов и шины потребителей на устройства коммутации, а также соединить вторичную клеммную колодку с дополнительным оборудованием генератора с помощью четырёх- или пятижильного провода.
Схема подключения бензогенератора к домашней сети
В любом жилище, если оно построено без нарушений ПУЭ (Правила эксплуатации электроустановок), есть вводной щиток, оборудованный обязательными и дополнительными средствами коммутации и защиты.
Как подключить бензогенератор к сети дома, если у вас «правильный» ввод?
Самый простой способ – механический трехполюсный переключатель

После опломбированных контактов (как правило, дело ограничивается прибором учета – счетчиком электроэнергии) вы устанавливаете трехполюсный рубильник, который может подключать вашу потребительскую сеть от двух источников энергии.
Важно! Переключатель не должен иметь физической возможности подключиться к обоим вводам одновременно, или соединить их между собой.
При пропадании основного источника, вы запускаете генератор и переключаете рубильником ввод электроэнергии. Это не очень комфортно, но подходит для редких перебоев в энергоснабжении.
Единственная «автоматика», которая вам понадобится – необходимо установить сигнальное устройство, предупреждающее о возобновлении подачи энергии от основного источника.
Демонстрация работы АВР — видео
подключение бензогенератора к сети дома: схема
Слово «автоматическое» означает, что мини электростанция будет запускаться самостоятельно при пропадании основного источника энергии.
- Первое, чем необходимо оснастить генератор – электрическим стартером. Иначе кто будет дергать за шнур стартера механического
- Второе необходимое устройство – актуатор привода дроссельной заслонки. Если вы запускаете мотор вручную, после выхода на рабочий режим регулировку акселератора производит оператор. В автоматическом режиме за это отвечает электроника
- Необходим блок анализа датчиков двигателя. Уровень масла, бензина – за этим будете следить не вы, а электроника
- Аккумуляторная батарея для питания стартера и управляющей электроники, также надо предусмотреть автоматическое зарядное устройство
- Силовые цепи (стартер, зажигание) подключаются при помощи реле
- Разумеется, переключатель вводов должен быть автоматическим. Такое устройство называется АВР (автоматическое включение резерва)
Этот модуль сам не вырабатывает электричество, он просто подключает ввод потребителя к резервному источнику при отключении основного. А сам резервный источник, при этом должен получить команду на запуск.
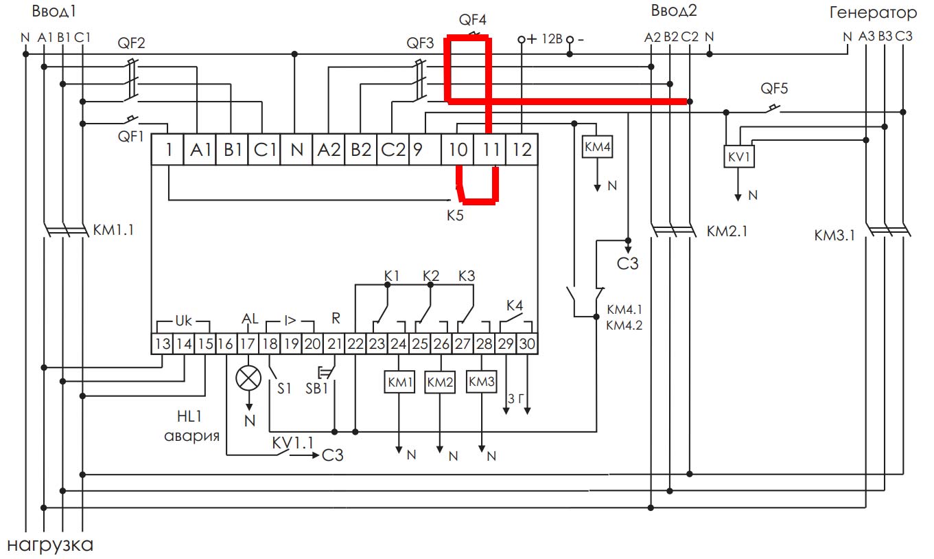
Ввод №1 и ввод №2 исправны
Первый ввод является основным, второй – резервным. Устройство посредством контактов А1,В1,С1 через защитный автомат QF2 следит за напряжением на вводе-1. То же самое происходит по вводу-2, через контакты А2,В2,С2.

Так как на всех этих контактах все в норме, AVR-02 должен подать напряжение на катушку КМ. Как это происходит?
Контакт 1 и 11 формируют сигнал управления посредством реле К5. Данное реле К5, если уровень напряжения нормален на обоих вводах, должно включить ввод№1. То есть находится в том положении, как на изначальной схеме. Напряжение через него попадает на 10 контакт и идет до катушки КМ4. Это промежуточное реле. Его контакты обозначены КМ4.1 и КМ4.2

Реле срабатывает, замыкая свои контакты и напряжение через них попадает на 22-й контакт. Далее AVR включает реле К1. Через него и контакт №24 фаза достигает катушки включения КМ1. При этом другие реле К2,К3,К4 остаются разомкнутыми.

Схемы подключения генератора
Купив мини электростанцию необходимо заняться ее установкой и пуском. Как подключить бензогенератор к дому? Чтобы ответить на этот вопрос нужно выполнить целый ряд действий. Но чтобы оборудование могло играть роль резервного источника питания его необходимо связать с тремя сетями:
- Центральной;
- Бытовых приборов;
- Проводкой от мини электростанции.

Исходя их этих связей и определяется схема подключения. Она может быть выполнена, как:
- Включение непосредственно в розетку устройства;
- Подключение к общей сети;
- Соединение с единую цепь с центральной проводкой.
Рассмотрим особенности каждого способа. Первый является самым простым и не требует никаких дополнительных навыков и умений. Он может быть выполнен самостоятельно. Такая установка генератора используется в дачных строениях или на рыбалке.
Вторая также не зависит от наличия централизованной системы. Провода от генератора просто подключаются к разводке потребителей энергии. Такая схема называется постоянной. Единственное условие при ее выполнении – это соответствие сечения провода и номинального тока генератора.
Схема подключения к единой электросети
Третья схема установки бензогенератор рассчитается самой сложной. В этом случае мини электростанция соединяется в единую цепь с центральной системой. Для этого используются различные коммутаторы. Только эта схема дает возможность при сбое в сети быстро перейти на питание от генератора. Её называют резервной.
Но если первый способ доступен любому человеку, то два других требуют проведения подготовительных работ. И если вы сомневаетесь в своих способностях, то лучше доверьте выполнение подключения профессионалам. Особенно если выбрана схема подключения бензогенератора с автозапуском.
Этапы подключения
Итак, если вы решили воспользоваться последним из рассмотренных способов подключения, то вам придется выполнить следующие действия. Первое – это выбрать место для установки бензогенератора в помещении. Оно должно быть оборудовано в соответствии со всеми требованиями техники безопасности. Обычно такие помещения оснащаются вентиляционным оборудованием и звукоизоляцией.
Второе – внимательно изучите документацию к оборудованию В ней указываются все технические характеристики прибора.
Третье – подведите провода от генератора к электрощиту дома. Точку подключения рубильника к проводке располагают перед автоматами защиты. Процесс подключения бензогенератора к сети дома требует тщательного выполнения.
Смотрим видео, установка и подключение. Нюансы в работе:
Четвертое – если предполагается подключение без системы автозапуска, то нужно воспользоваться реверсивным или перекидным рубильником. Но в таком случае при отключении электричества вам придется отключить все автоматы и переключить его в положение 0. Через несколько секунд позиция меняется на 2 и только после этого можно заняться запуском оборудования. Поэтому более удобна все же схема подключения АВР к бензогенератору.
Подводим итоги
Как видно из приведенных выше данных ничего сложного в выборе и подключении мини-электростанции нет. С этой работой вполне может справиться каждый человек, имеющий начальные знания по электрике.
Какую из рассмотренных схем установки бензогенератора в помещении выбрать – зависит от специфики вашего помещения и особенностей использования оборудования. Самый простой вариант обычно используется в дачных строениях, так как он предполагает быстрый демонтаж оборудования в случае необходимости.
Для дома с постоянным проживанием обычно выбирают схему подключения генератора с автозапуском. Так как она позволяет переключать питание автоматически при отключении напряжения в сети.
Описание и назначение АВР
Электрический щит либо шкаф АВР представляет собой устройство, использующееся для запуска резервного питания в ручном режиме или автомате при падении напряжения. Если основное оборудование электроснабжения выходит из строя, это становится причиной обесточивания потребителей. Поэтому система резервирования энергии с автозапуском для генератора или щита позволит предотвратить нарушение работы технологического процесса. Схема АВР может использоваться для активации дополнительного оборудования при отключении основных устройств.
Сами шкафы и оборудование изготовляются для одностороннего обслуживания и применяются с целью установки на объекты первой и второй категории. Время срабатывания системы автоматического ввода резерва может быть разным в зависимости от типа оборудования. На устройство выполняется подача напряжения, для этого используется два или три независимых источника. Оборудование должно подключаться к сети заблаговременно, чтобы потребитель мог заранее осуществить управление и настройку. Появление сбоев в нагрузке возможно при переключении на дополнительный блок питания.
О принципе работы системы автоматического резерва рассказал канал TheMIKLLLE.
Требования
К системам ввода резерва предъявляются такие требования:
- Включение щита на 40 А, 100 А или с другими параметрами должно выполняться при пропадании нагрузки в шинах оборудования, независимо от причины. Это происходит при аварийном, случайном либо произвольном выключении переключателей функционирующего источника питания. Также активация оборудования АВР должна производиться при пропадании напряжения в шинах, которые питаются от основного источника, при появлении короткого замыкания на шинах оборудования.
- Активация резервного оборудования выполняется сразу при отключении основного устройства питания. Это позволит снизить длительность перерыва в питании щитов.
- Работа системы ввода резерва должна быть однократной.
- Активация АВР не должна выполняться до момента отключения выключателя функционирующего источника. Благодаря этому параллельная работа нескольких источников будет предотвращена.
- В современных щитах производители предусматривают защиту дополнительного источника после активации системы резервирования.
Полный автомат ввода резерва
Для того чтобы полностью автоматизировать процесс, необходимо нечто большее, чем 2 реле — полноценная система контроля. Такая система существует и называется АВР — Автоматический Ввод Резерва. Создаются подобные устройства на базе программируемых AVR контроллеров, имеют в своем составе множество датчиков обратной связи и регуляторов. Сделать такое оборудование самостоятельно сможет лишь квалифицированный специалист.
Но оснастить свой дом или любой другой объект подобным автоматом можно — они есть в продаже, хотя и стоят недешево. Зато список функций, выполняемых стандартным АВР, достаточно велик:
- Отключение потребителей от основного источника при пропадании в нем питающего напряжения.
- «Умный» запуск генератора с контролем неудачного старта.
- Вывод бензогенератора на рабочий режим.
- Подключение потребителей к линии генератора.
- Подсчет моточасов, контроль температуры двигателя, расхода топлива и пр.
- Контроль напряжения, частоты и тока с автоподстройкой режима работы генератора.
- Автоматическое переключение на основной источник при возобновлении штатного электроснабжения.
- Остановка бензогенератора.
- Зарядка аккумулятора стартера.
Сегодня купить блок АВР можно как в комплекте с бензогенератором, так и отдельно. Первый вариант, конечно, проще (узлы адаптированы и подключены друг к другу уже производителем), но финансово неоправдан, если генератор уже есть. В этом случае достаточно приобрести АВР, но перед покупкой обязательно проконсультируйтесь со специалистом о том, сможет ли конкретная модель автомата работать именно с вашим генератором. Структурная же схема подключения генератора с АВР в домовую сеть будет выглядеть примерно так:
Общая схема подключения генератора с блоком АВР
Основные варианты логики функционирования АВР
Система АВР с приоритетом первого ввода
Суть работы системы АВР этого типа заключается в том, что нагрузка изначально подключается к источнику электроэнергии № 1. Когда случается перегрузка, короткое замыкание, обрыв фазы или другая аварийная ситуация, нагрузка переходит на запасной источник. Когда подача электричества на первом восстановлена до нормальных параметров, нагрузка автоматически переключается обратно.

Система АВР с приоритетом второго ввода
Логика работы та же, что и у предыдущего типа системы. Разница в том, что нагрузку подключают к вводу 2. В случае аварии напряжение переходит на ввод 1. После того, как напряжение на втором источнике будет восстановлено, напряжение автоматом переключится на него.
Система АВР с ручным выбором приоритета
Схема системы АВР с ручным выбором приоритета является более сложной, чем рассмотренные выше. В этом случае на системе АВР будет установлен переключатель, с помощью которого можно регулировать выбор приоритета АВР.

Система АВР без приоритета
Эта АВР функционирует от любого источника питания. В случае, когда напряжение идет на ввод 1, а на нём происходит аварийная ситуация, нагрузка переходит на ввод 2. После стабилизации работы первого ввода механизм продолжает работать на вводе 2. Когда произойдет авария на втором, напряжение автоматом переключится на первый.
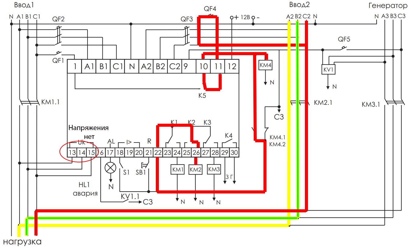
Алгоритм №2 — ввод №1 неисправен
Напряжение на вводе №1 исчезло. AVR-02 видит, что на А1,В1,С1 напряжения нет, зато на А2,В2,С2 оно есть. Поэтому К5 переключается в позицию №11.
Далее U с ввода-2 поступает через 11 на 10 и потом вся схема повторяется как было рассмотрено ранее.
Только в этом случае происходит замыкание не К1, а К2. И соответственно катушки контактора КМ2.
При этом устройство следит за тем, чтобы напряжение на №13,14,15 отсутствовало. Дабы не получилось встречного включения питания (при залипании контактов и восстановлении эл.снабжения).
Если же напряжение хотя бы на одном из разъемов 13-14-15 есть, то катушка КМ2 никогда не сработает. Это и есть защита от встречного напряжения.

Схема АВР на двух магнитных пускателях
При сборке схемы автоматического ввода резерва можно выбрать три варианта. Два более простых и один посложнее. Рассмотрим каждый из вариантов схемы поподробнее.
Простейшая схема АВР для двух однофазных вводов собирается всего лишь на одном магнитном пускателе. Для этого понадобится контактор с двумя парами контактов:

нормально разомкнутым
нормально замкнутым
Если таковых в вашем контакторе не оказалось, можно использовать специальную приставку.
Только учтите, что контакты у большинства из них не рассчитаны на большие токи. А если вы решите подключать через АВР нагрузку всего дома, то уж точно не стоит этого делать, используя блок контакты расположенные по бокам стандартных пускателей.
Вот самая простая схема АВР:

Катушка магнитного пускателя подключается на один из вводов. В нормальном режиме напряжение поступает на катушку, она замыкает контакт КМ1-1, а контакт КМ1-2 размыкается.

SF1 и SF2 в схеме – это однополюсные автоматические выключатели.
Напряжение через контактор поступает к потребителю. Дополнительно в схеме могут быть подключены сигнальные лампы. Они визуально будут показывать какой из вводов в данный момент подключен. Немного измененная схемка с лампочками:

Если напряжение на первом вводе исчезло, контактор отпадает. Его контакты КМ1-1 размыкаются, а КМ2-1 замыкаются. Напряжение начинает поступать к потребителю с ввода №2.

Если вам в нормальном режиме просто нужно проверить работоспособность схемы, то выключите автомат SF1 и смотрите как реагирует сборка. Все ли работает исправно.
Самое главное здесь изначально проконтролировать на какой ток рассчитаны эти самые нормально замкнутые и разомкнутые контакты.

При этом обратите внимание, что эту простейшую схему можно собрать двумя способами:
без разрыва ноля
с разрывом нулевого провода
Без разрыва можно применять в том случае, если у вас есть две независимые линии эл.передач или кабельных ввода, от которых вы собственно и подключаете весь дом. А вот когда резервной линией является какой-то автономный источник энергии – ИБП или генератор, то здесь придется разрывать как фазу, так и ноль.

Естественно, что все контакторы подключаются после счетчика kWh. QF – это модульные автоматы в щитке дома.

Если у вас второй источник питания подает напряжение не автоматически, например бензиновый генератор без пусковой аппаратуры. Который нужно сначала вручную завести, прогреть и только потом переключиться, то схемку можно немного изменить, добавив туда одну единственную кнопку.

За счет нее не будет происходить автоматического переключения. Вы сами выберите для этого нужный момент, нажав ее когда потребуется. Монтируется эта кнопка SB1 параллельно катушке контактора.

Когда у вас напряжение на основном вводе не исчезает на долго, а периодически пропадает и появляется (причины могут быть разными), в этом случае не желательны постоянные переключения контакторов туда-обратно. Здесь целесообразно использовать специальную приставку к контактору типа ПВИ-12 с задержкой времени.

Трехфазная схема практически аналогична однофазной.

Только особо следите за правильной фазировкой АВС. Она должна совпадать на вводе-1 с вводом-2. Иначе 3-х фазные двигатели после переключения будут крутиться в обратную сторону.
Вторая схема немного посложнее. В ней используется уже два магнитных пускателя.

Допустим, у вас есть два трехфазных ввода и один потребитель. В схеме применены магнитные пускатели с 4-мя контактами:
3 нормально разомкнутые
1 нормально замкнутый КМ1
Катушка пускателя КМ1 подключается через фазу L3 от первого ввода и через нормально замкнутый контакт КМ2. Таким образом, когда вы подаете питание на ввод №1, катушка первого пускателя замыкается и вся нагрузка подключается к источнику напряжения №1.





































