Работа мостовой схемы
Разбираемся с электроизмерительными приборами
Устройство состоит из четырех полупроводниковых вентилей, объединенных в мост. В таком случае вторичная обмотка трансформирующего устройства объединяется с противоположными плечами диодного моста. Нагрузочные резисторы подключат посредством других плеч. При этом выходные характеристики значительно выше, чем у двухпериодных, из-за течения через прибор всей волны напряжений переменного тока.
Во время положительной полуволны сигнал движется от отрицательной части вторичной обмотки трансформирующего устройства через вентили и нагрузочный резистор к положительной части совокупности витков трансформирующего устройства. При негативной полуволне процесс происходит в обратном порядке.
Трёхфазные выпрямители
Приборы используются для подключения к трехфазной сети и выпрямления сигнала. Устройства дают возможность получить значительно меньший коэффициент пульсаций на выходе, чем двухполупериодный выпрямитель со средней точкой или однофазный однополупериодный выпрямитель. Поэтому используются для электрических сетей высокой мощности. Из-за большего сглаживания сигнала требования к фильтру снижаются.

Схема приборов для преобразования тока
На рисунке изображены распространенные схемы выпрямителей для трехфазных сетей. В левой используются три диода и нагрузка. В правой – 6 диодов без нагрузки, что требуется для дополнительного выравнивания.
Схемы для преобразований переменного тока в постоянный требуются для питания аккумуляторов и используются в зарядных устройствах. Характеристики прибора отслеживают на временной диаграмме, за счет подключения к осциллографу. При этом за краткий момент времени можно оценить уровень сглаживания. Строятся выпрямители, как на управляемых тиристорах, так и на основе обычных диодов.
Особенность выпрямителей
Выпрямитель для сварочного аппарата выполняется по мостовой схеме. При изготовлении и применении диодов В200 нужно учитывать, что их корпус находится под напряжением.
Поэтому когда выпрямитель устанавливают на радиатор, он должен быть изолирован от остальных элементов схемы, от корпуса прибора и от соседних диодов тоже. А это создает определенные неудобства для сварщика.
Приходится использовать более крупный корпус. Для уменьшения габаритов аппарата применяют выпрямительный прибор ВЛ200, который имеет другую полярность. Это позволяет объединить полупроводники на два парных радиатора.
В последние годы стали выпускать довольно мощные диодные мосты в одном корпусе. По размерам такая конструкция из диодов примерно соответствует спичечному коробку, имеет площадку для посадки радиатора, максимальный прямой ток 30-50 А. Диодная сборка имеет значительно меньшую стоимость по сравнению с диодами В200.
Если по работе устройства требуется более мощный мост, то эту проблему можно легко решить, используя параллельное подключение мостовых сборок. Однако их надежность в таком случае будет ниже, чем у одиночных мощных диодов.
Мостовой тип устройства
Трехфазная мостовая схема выпрямления использует шесть диодов (или тиристоров, если требуется управление). Выходное напряжение характеризуется тремя значениями: минимальным U, средним U и пиковым напряжением.
Полноволновой трехфазный выпрямитель похож на мост Гейца.
Схема полноволнового трехфазного устройства. Обычный трехфазный выпрямитель не использует нейтраль. Для сети 230 В / 400 В между двумя входами выпрямителя. Действительно, между 2 входами всегда есть составное напряжение U (= 400 В).
Управляемый выпрямитель позволяет регулировать среднее выходное напряжение, воздействуя на задержки срабатывания тиристора (используется вместо диодов). Эта команда требует сложной электронной схемы. Диод ведёт себя как тиристор, загружаемый без задержки. Выпрямленное напряжение имеет такой вид.

Выходное U трехфазного выходного напряжения. Всего 7 кривых: 6 синусоид и красная кривая, соединяющая верхнюю часть синусоид («синусоидальные шапки»). 6 синусоидов представляют собой 3 напряжения, составляющие U между фазами и 3 одинаковыми напряжениями, но с противоположным знаком:
U31 = -U13U23 = -U32U21 = -U12.
Красная кривая представляет U на выходе выпрямителя, то есть на клеммах резистивной нагрузки. Это U не относится к нейтрали. Она плавает. Это U колеблется между 1,5 В max и 1,732 Вmax (корень из 3).
Umax — пиковое значение одного напряжения и составляет 230×1,414 = 325 В.
Кенотроны и твердотельные выпрямители
Выше намеренно не приводятся все известные схемы на твердотельной электронике, часть увидите в теме диодный мост. Найдутсятам и трёхфазные технические решения, в том числе принадлежащие Ларионову. Важнее рассмотреть критерии выбора кенотронов. Тематика древняя, литературу найти сложно среди интернетского завала, появляется смысл остановиться подробнее на старой элементной базе.
В аудиозаписи и на концертах ламповые усилители популярны и поныне. Стоят немалых денег. Купить сумеет не каждый, а вот собрать собственноручно… Артисты утверждают, что звук получается насыщенный объёмный. Авторам приходилось даже слышать, что, мол, от вибраций колонок в лампах электроны летят по-особенному. Оттого и звучание столь своеобразное.
- Важным параметром считается максимально допустимое обратное напряжение. Как в случае с твердотельной техникой, способно повредить: образуется лавинный пробой за счёт эмиссии электронов с анода. Сопровождающийся значительной температурой, сожжёт лампу.
- Внутренним сопротивлением называется величина, обратная проводимости лампы в открытом состоянии. Определяется из вольт-амперной характеристики прибора (см. рис.). Как для обычного диода потребуется разницу потенциалов поделить на ток. Значения берутся по выбранной рабочей точке, либо по максимуму входного напряжения.
- Максимальные ток в импульсе и напряжение способны превышать средние выпрямленные значения. Потребуется убедиться, что лампа не сгорит в имеющихся условиях.
Список используемой литературы
- Кампардо, Джованни; Микелони, Рино; Новосел, Дэвид СБИС-дизайн энергонезависимых воспоминаний , Springer, 2005 ISBN 3-540-20198-X .
- Лин, Юй-Шианг Схемы малой мощности для миниатюрных сенсорных систем , Издательство ProQuest, 2008 ISBN 0-549-98672-3 .
- Лю, Mingliang проясняет схемы коммутируемых конденсаторов , Newnes, 2006 ISBN 0-7506-7907-7 .
- Макгоуэн, Кевин, Полупроводники: от книги до макета , Cengage Learning, 2012 ISBN .
- Пелузо, Винченцо; Steyaert, Michiel; Сансен, Вилли М.К. Разработка низковольтных маломощных КМОП-дельта-сигма аналого- цифровых преобразователей , Springer, 1999 ISBN 0-7923-8417-2 .
- Юань, Фэй КМОП-схемы для пассивных беспроводных микросистем , Springer, 2010 ISBN 1-4419-7679-5 .
- Zumbahlen, Hank Linear Circuit Design Handbook , Newnes, 2008 ISBN 0-7506-8703-7 .
Радиолюбитель
Простая и популярная среди радиолюбителей программа для расчета мостового выпрямителя
Доброго дня уважаемые Радиолюбители! Сегодня на сайте “Радиолюбитель“, в разделе “Технологии” мы с вами рассмотрим очередную программу для радиолюбителей. Не так давно, в статье “Источники питания радиолюбительских устройств“, мы с вами рассматривали работу выпрямителей и сглаживающих фильтров для блоков питания радиолюбительских устройств. Наиболее часто радиолюбители в своей практике строят блоки питания на основе двухполупериодного выпрямителя по мостовой схеме с использованием в качестве сглаживающего фильтра конденсатор. Для того, чтобы не заморачиваться с ручным расчетом таких блоков питания и облегчить себе жизнь, можно воспользоваться специальной радиолюбительской программой – Rectifier 1.0.
Программа Rectifier 1.0 написана Антоновым А.В. и предназначена для расчета двухполупериодного выпрямителя по мостовой схеме. Программа не только рассчитывает необходимые для конструирования выпрямителя характеристики, но также предлагает варианты выпрямительных диодов и сглаживающих конденсаторов.

Пользоваться программой очень просто. В разделе входные данные надо ввести: — необходимое напряжение на выходе выпрямителя; – величину тока, потребляемого нагрузкой; – а также допустимую величину пульсаций выпрямленного напряжения. Сразу-же появляются результаты расчета: — данные по трансформатору (напряжение на вторичной обмотке, минимальный допустимый ток во вторичной обмотке и мощность трансформатора; – данные для выбора диодов (обратное постоянное напряжение, допустимый прямой средний ток, рассеиваемая мощность и площадь теплоотвода); – также программа предложит тип диода, который можно применить в схеме. Если соответствующий диод программа не сможет подобрать из своей базы данных, то выведется надпись “Нет вариантов”, и тогда диод надо будет подбирать самостоятельно; – в поле “Конденсатор” выводится информация о необходимой емкости конденсатора.
В программе также имеется возможность сохранять результаты расчетов в текстовый документ (*.txt). Для этого необходимо в пункте меню “Файл” выбрать “Сохранить” или использовать “горячую” клавишу “Ctrl+S”.
Давайте для примера проведем расчеты мостового выпрямителя по следующим параметрам: — напряжение на выходе выпрямителя – 12 вольт; – ток, потребляемый нагрузкой – 500 миллиампер; – коэффициент пульсаций – не более 5 милливольт. Вводим данные в программу и получаем:

— нам необходим трансформатор с напряжением на вторичной обмотке 13,3 вольта и допустимым током не менее 560 миллиампер; – выпрямительные диоды с допустимым прямым средним током не менее 0,8 ампер и обратным напряжением не ниже 19 вольт; – площадь теплоотвода для диодов должна быть не менее 27 кв.см.; – программа предлагает использовать в качестве выпрямительных диодов диодную сборку КЦ402А, если такой сборки у нас нет, то придется подобрать диоды самостоятельно, для чего можно воспользоваться соответствующей программой, к примеру – “Справочник по радиодеталям – TBFEdit“; – емкость сглаживающего конденсатора должна быть не менее 500 микрофарад, но так как конденсаторов такой емкости нет (ближайший – 470 мкФ), то на схеме показан конденсатор с ближайшей большей емкостью – 1000 мкФ.
Скачать программу:
Программа для расчета мостового выпрямителя (506.9 KiB, 16,258 hits)
Советуем прочитать: Источники питания радиолюбительских устройств
Однополупериодный многофазный выпрямитель
Сначала удобнее рассмотреть несложные в изготовлении трехфазные однополупериодные выпрямители, применяемые в простых и недорогих преобразовательных схемах. При их построении в каждую из фаз устанавливается по одному мощному диоду, обслуживающему только данную ветку.
Всего в однополупериодном образце выпрямительного прибора используется три полупроводниковых диода с подключенными к ним нагрузками. После изучения эпюр напряжений и токов, получаемых на выходе электрической цепочки, можно сделать следующие выводы:
- эффективность (КПД) действия такого устройства очень низка;
- полезная мощность теряется при обработке отрицательных полуволн всех трех фаз;
- при использовании таких приборов получить нужные нагрузочные характеристики очень сложно.
Все эти недостатки однополупериодных схем вынудили разработчиков усложнить их, применив принцип двойного параллельного преобразования.
Обслуживание и основные неисправности
Новые преобразователи обязательно продувают перед включением в сеть. Делать это лучше бытовым феном на среднем режиме нагрева. Нужно устранить скопившуюся пыль, возможную влагу, она снижает сопротивление медных обмоток встроенного трансформатора. Раз в квартал продувку повторяют.
После длительного хранения (до года) преобразователя, перед работой полезно «прокачать» полупроводники – дать выпрямителю поработать на разных режимах, начиная с минимального. После двухчасовой «обкатки» устройство будет стабильно работать, не откажет во время сварки
Важно следить за исправность вентилятора, оборудование не должно перегреваться
Возможные неисправности сварочного выпрямителя и методы их устранения:
Устройство не включается при подключении к сети. Такое возможно:
- при переломе жилы запитывающего проводника, брякают контакты в вилке – проверяют кабель, меняют вилку;
- в сети отсутствует напряжение – необходимо проверить входной рубильник;
- один из узлов вышел из строя – пора нести преобразователь в сервис или чинить устройства самостоятельно;
- выработан ресурс полупроводниковых элементов – требуется перепайка схемы.
Плавящийся электрод залипает, а преобразователь гудит – нужно:
- проверить исправность полупроводников и конденсатора;
- убедиться, что нет просадки питающей электросети;
- посмотреть целостность обмотки дросселя.
Преобразователь самопроизвольно отключается при работе – такое бывает:
- при перегреве, проверяют исправность вентилятора или охлаждающей системы;
- прорыве обмотки встроенного трансформатора – снимают старую, делают новую.
Устройство перестает выдавать питание нужных параметров – надо потрогать корпус, насколько он горячий, проверить подачу воздуха к вентилятору, дать генератору отдохнуть.
Прыгает напряжение холостого и рабочего тока – проверяют:
- ручку регулятора;
- предохранители первичной обмотки;
- плотность закрепления контактов клеммы у пускателя.
Схемы преобразователей указаны в инструкции по эксплуатации. Для ремонта устройств требуются электротехнические знания, навыки пайки. Лучше отдать устройство в сервисный центр. Они точно определят причину поломки, устранят ее.
Мостовой удвоитель напряжения
Схема сходна по структуре с мостом Гретца, однако дополнительно устанавливаются накопительные элементы. Это позволяет суммировать напряжение на выходе из мощности, накопленной конденсаторами за время прохождения тока. Удвоение представляет собой преобразование низкочастотного переменного напряжения в высокочастотное постоянное.

Удвоитель напряжения
Выпрямитель – это устройство, которое превращают переменный ток, полученный из сети, в нужный постоянный. При этом электрический ток на выходе может обладать сниженной амплитудой колебаний либо быть полностью сглаженным. Таким образом, устройства, требующие для работы постоянного напряжения, получают питание. Используется для зарядки большинства аккумуляторов, например, в зарядном устройстве Рассвет, сварочных аппаратах и электросиловых установках. Класс устройства определяется количеством диодов.
Принцип работы выпрямителей сигналов
Блок питания для шуруповерта 12в своими руками
Что такое выпрямитель? Устройство работает за счет свойств полупроводниковых радиоэлементов по пропусканию тока исключительно от анода к катоду. Поэтому при прохождении через устройство синусоиды переменного тока происходит обрезка отрицательной части волны. Таким образом на выходе радиоэлемента остается только положительная полуволна. Электрический ток подобного типа называется однополупериодным с пульсациями. От анода к катоду проходит сигнал только ½ всего времени. Колебания происходят от нуля до максимального значения.
Строение двухполупериодных устройств базируется на мосту из четырех вентилей, которые приводят к попаданию всех полуволн. При этом отрицательная полуволна инвертируется. Фактически строение двухполупериодных выпрямителей аналогично двум или более однополупериодным с катодами, направленными один на другой.
Диодное устройство
Когда говорят о преобразовании переменного напряжения в постоянное, то обычно это не означает, что на выходе оно будет выражаться горизонтальной прямой линией. Качество обработки сигналов может быть различным в зависимости от того, какой тип устройства используется и как работает это устройство. Гарантируется только то, что выходное выпрямленное напряжение будет иметь один знак. Наиболее простым способом преобразования является использование цепи, состоящей из диода и нагрузки.

Виды диодных выпрямителей работают следующим образом: на клеммы слева поступает переменное напряжение. Диод пропускает только положительные импульсы. Когда поступают отрицательные, на выходе появляется нулевое значение. В результате создается напряжение одного знака. Графики представлены далее.

Выпрямитель с диодом называется простым, но применяется редко, поскольку имеет очевидные недостатки. Здесь теряется более половины энергии, а выходное напряжение резко изменяется, что для некоторых электрических приборов не приемлемо.
Виды выпрямителей
Схема однофазного выпрямителя
В зависимости от способа включения полупроводниковых диодов все выпрямители переменного тока подразделяются на следующие виды:
- однополупериодные (полуволновые);
- двухполупериодные (полноволновые со средней точкой или схемы Миткевича);
- мостовые или выпрямители Гретца;
- выпрямители с удвоением рабочего напряжения и другие, менее распространенные схемы.

График выходного напряжения
Однополупериодное включение – самые простой способ, используемый для выпрямления переменного тока. Другое название – нулевая выпрямительная схема.
С помощью устройств этого класса удается получить только пульсирующий (используемый лишь наполовину) выходной ток. Схемы, построенные на однополупериодном принципе, отличаются низкой эффективностью преобразования и применяются крайне редко. Их двухполупериодные аналоги имеют в своем составе два диода и обеспечивают выпрямление полуволн обеих полярностей. Они отличаются большей эффективностью и применяются в простейших блоках питания.
Однофазные мостовые выпрямители, так называемые схемы Гретца на 4-х диодах, характеризуются высоким КПД, под которым понимается эффективность использования полученной от трансформатора мощности.
Они широко применяются в устройствах повышенной энергоемкости типа генераторов с выходными напряжениями от десятков до сотен Вольт. К их достоинствам относят:
- низкое обратное напряжение (доли Вольта);
- небольшие габариты;
- высокий КПД использования трансформатора (в сравнение со схемой Миткевича).
Существенный недостаток мостовых схем – в два раза большее падение напряжения на диодах, что вынуждает при их разработке выбирать выходные параметры трансформатора с запасом. Эта часть полезной мощности теряется затем на переходах четырех диодов.
Типы выпрямителей по функциональным возможностям

Мостовой трехфазный выпрямитель
По своему назначению и функциональным возможностям известные образцы выпрямителей делятся на однофазные и трехфазные устройства. Первые используются в электросетях многоквартирных и частных домов и предназначены для питания бытовой аппаратуры. Вторые представляют собой электронный модуль из 3-х однотипных узлов, изготавливаемых по одной из следующих схем:
- однотактные выпрямители;
- двухтактные системы;
- комбинированные модули: с двумя трехфазными обмотками с параллельным и последовательным включением диодов.
Схема выпрямителя с удвоением напряжения лишь деталями отличается от уже рассмотренных вариантов. Такие устройства принято называть умножителями, которые легко собираются своими руками.
Другие типы выпрямителей
Двухфазный двухполупериодный выпрямитель
Двухфазный двухполупериодный выпрямитель представляет из себя два
параллельно соединенных однофазных однополупериодных выпрямителя.
Характеризуется улучшенным использованием трансформатора и сглаживающего
фильтра. Другое название такого выпрямителя – выпрямитель со средней
точкой.
Рис. 4 – Схема двухфазного двухполупериодного выпрямителя
Однофазный выпрямитель с удвоением напряжения
Однофазный выпрямитель с удвоением напряжения представляет собой
последовательное соединение однополупериодных выпрямителей. В первом
полупериоде через диод VD1 заряжается конденсатор C1, а во втором полупериоде
через диод VD2 заряжается конденсатор C2. Выходное напряжение представляет
собой сумму напряжений на конденсаторах – удвоенную амплитуду напряжения
вторичной обмотки.
Рис. 5 – Схема однофазного выпрямителя с удвоением напряжения
Трехфазный выпрямитель с нулевой точкой
Трехфазный выпрямитель с нулевой точкой обладает значительно
меньшими пульсациями выходного напряжения и их утроенной частотой по сравнению
с однофазным двухполупериодным выпрямителем. Этой позволяет упростить фильтр а
иногда и вообще обойтись без него. Но такой схеме присуще подмагничивание
трансформатора постоянным током, что ухудшает его использование.
Рис. 6 – Схема трехфазного выпрямителя с нулевой точкой
Трехфазный мостовой выпрямитель
Трехфазный мостовой выпрямитель (схема Ларионова) по сравнению с
предыдущей схемой характеризуется отсутствием подмагничивания трансформатора,
еще меньшим коэффициентом пульсаций, и их вдвое большей частотой.
Рис. 7 – Схема трехфазного мостового выпрямителя
Таблица 1
| Характеристика | Тип выпрямителя | ||
|---|---|---|---|
| Однофазный со средней точкой | Однофазный мостовой | Трехфазный с нулевой точкой | Трехфазный мостовой |
| Действующее напряжение вторичной обмотки (фазное), | |||
| Действующий ток вторичной обмотки, | |||
| Действующий ток первичной обмотки, | |||
| Расчетная мощность трансформатора, | |||
| Обратное напряжение на диоде, | |||
| Среднее значение тока диода, | |||
| Действующее значение тока диода, | |||
| Амплитудное значение тока диода, | |||
| Частота основной гармоники пульсаций | |||
| Коэффициент пульсаций выходного напряжения, |
- – расчетное значение напряжения на нагрузке
- – число последовательно включенных диодов
- – прямое падение напряжения на диоде
- – среднее значение выпрямленного напряжения
- – расчетное значение тока через нагрузку
- – коэффициент трансформации
- – расчетное значение мощности нагрузки
- – частота питающей сети
Мостовой удвоитель напряжения
Схема сходна по структуре с мостом Гретца, однако дополнительно устанавливаются накопительные элементы. Это позволяет суммировать напряжение на выходе из мощности, накопленной конденсаторами за время прохождения тока. Удвоение представляет собой преобразование низкочастотного переменного напряжения в высокочастотное постоянное.
Удвоитель напряжения
Выпрямитель – это устройство, которое превращают переменный ток, полученный из сети, в нужный постоянный. При этом электрический ток на выходе может обладать сниженной амплитудой колебаний либо быть полностью сглаженным. Таким образом, устройства, требующие для работы постоянного напряжения, получают питание. Используется для зарядки большинства аккумуляторов, например, в зарядном устройстве Рассвет, сварочных аппаратах и электросиловых установках. Класс устройства определяется количеством диодов.
Принцип работы диодного моста
Диод в цепи переменного напряжения
Итак, в статье про диод мы рассматривал, что будет на выходе диода, если подать на него переменный ток. Для этого мы даже собирали вот такую схему, где G – это синусоидальный генератор. С клемм X1 и X2 уже снимали сигнал.

Мы на диод подавали переменное напряжение.

А на выходе после диода получали уже вот такой сигнал.

То есть у нас получилось вот так.

Да, мы получили постоянный ток из переменного, но стоило ли это того? В этом случае у нас получился постоянный пульсирующий ток, где половина мощности сигнала была вообще вырезана.
Как работает диодный мост в теории
Как вы знаете, переменный ток меняет свое направление несколько раз в секунду. Поэтому, его можно разбить на положительные полуволны и отрицательные полуволны. Положительные полуволны я пометил красным, а отрицательные – синим.

Для того, чтобы диодный мост работал, ему нужна какая-либо нагрузка. Пусть это будет резистор. Следовательно, когда на диодный мост приходит положительная полуволна, протекание тока через него будет выглядеть вот так.

Как вы видите, при положительной полуволне не задействованы диоды, которые я показал штриховой линией.
После положительной полуволны приходит отрицательная полуволна, и в этом случае протекание тока в диодном мосте выглядит так.

В этом случае, диоды, которые работали при положительной полуволне, при отрицательной полуволне они отдыхают). Эстафету принимает на себя другая пара диодов. Можно даже сказать, что в диодном мосте они работают попарно. Одна пара диодов работает на положительную полуволну, а другая пара – на отрицательную.
Обратите внимание на нагрузку. На нее всегда приходит одна и та же полярность тока при любом стечении обстоятельств
Работа диодного моста на практике
Давайте и мы посмотрим, что получается на выходе диодного моста, если подать на него переменное напряжение. Для этого возьмем 4 простых кремниевых диода и соединим их в диодный мост
Важно, чтобы диоды были одной марки

На вход диодного моста будем подавать переменное напряжение, и посмотрим, что у нас получается на выходе.

Итак, на вход я подаю вот такой сигнал.

На выходе получаю постоянное пульсирующее напряжение.

Здесь мы видим, что отрицательная полуволна в диодном мосте не срезается, а превращается в положительную. Мощность сигнала при этом не теряется, так как отрицательная полуволна просто инвертируется в положительную полуволну. Ну разве не чудо?
Наблюдательный читатель также может заметить, что амплитуда сигнала чуть-чуть просела. Если мы на вход подавали синусоидальный сигнал с амплитудой в 6 Вольт, то на выходе диодного моста имеем чуть меньше 6 Вольт, а точнее где-то 4,8 Вольта. Почему так произошло? Дело все в том, что на кремниевом диоде падает напряжение 0,6-0,7 Вольт. Так как переменное напряжение проходит через 2 диода при каждой полуволне, то на каждом диоде падает по 0,6 Вольт. 2×0,6=1,2 Вольта. 6-1,2=4,8 Вольта.
Теперь можно с гордостью нарисовать рисунок.

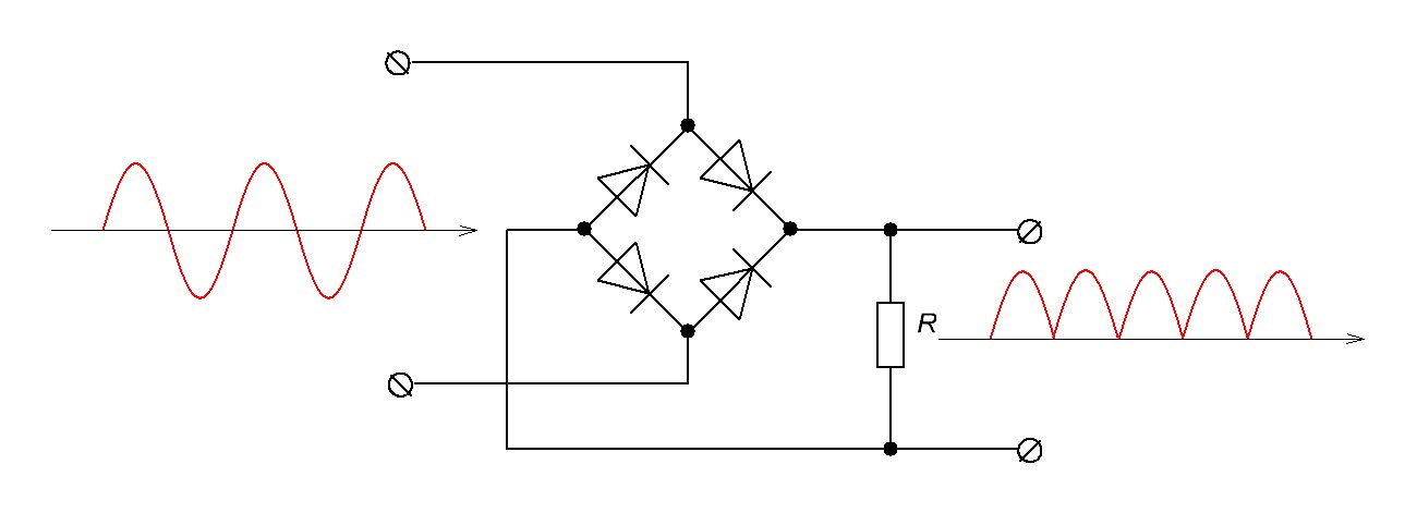
Однофазный мостовой выпрямитель (диодный мост)
Однофазный мостовой выпрямитель является двухполупериодным
выпрямителем. Существенно отличие такой схемы (от однополупериодной) заключается в том, что напряжение на нагрузку подается в каждый полупериод. Из-за удвоенного количества диодов ограничено его применение
при низких напряжениях. Трансформатор в такой схеме используется наиболее
полно.

Рис. 2 – Схема и принцип работы диодного моста
Как видно из приведенного рисунка в схеме задействовано четыре полупроводниковых выпрямительных элемента, которые соединены таким образом, что при каждом полупериоде работают только двое из них. Распишем подробно, как происходит процесс:
- На схему приходит переменное напряжение . Во время положительного полупериода образуется следующая цепь: VD4 – R – VD2. Соответственно, VD1 и VD3 находятся в запертом положении.
- Когда наступает очередность отрицательного полупериода, за счет того, что меняется полярность, образуется цепь: VD1 – R – VD3. В это время VD4 и VD2 заперты.
- На следующий период цикл повторяется.
Как видно по результату (рис. 2,б), в процессе задействовано оба полупериода и как бы не менялось напряжение на входе, через нагрузку оно идет в одном направлении. Такой принцип работы выпрямителя называется двухполупериодным.
Его преимущества очевидны:
- Поскольку задействованы в работе оба полупериода, существенно увеличивается КПД (практически вдвое).
- Пульсация на выходе мостовой схемы увеличивает частоту также вдвое (по сравнению с однополупериодным решением).
- Как видно из графика (рис. 2,б), между импульсами уменьшается уровень провалов, соответственно сгладить их фильтру будет значительно проще.
- Величина напряжения на выходе выпрямителя приблизительно такая же, как и на входе.
Помехи от мостовой схемы незначительны, и становятся еще меньше при использовании фильтрующей электролитической емкости. Благодаря этому такое решение можно использовать в блоках питания, практически, для любых радиолюбительских конструкций, в том числе и тех, где используется чувствительная электроника.
Заметим, совсем не обязательно использовать четыре выпрямительных полупроводниковых элемента, достаточно взять готовую сборку в пластиковом корпусе.

Рис. 3 – Диодный мост в виде сборки
Такой корпус имеет четыре вывода, два на вход и столько же на выход. Ножки, к которым подключается переменное напряжение, помечаются знаком «~» или буквами «AC». На выходе положительная ножка помечается символом «+», соответственно, отрицательная как «-».
На принципиальной схеме такую сборку принято обозначать в виде ромба, с расположенным внутри графическим отображением диода.
На вопрос что лучше использовать сборку или отдельные диоды нельзя ответить однозначно. По функциональности между ними нет никакой разницы. Но сборка более компактна. С другой стороны, при ее выходе из строя поможет только полная замена. Если же в этаком случае используются отдельные элементы, достаточно заменить вышедший из строя выпрямительный диод.
Трехфазная мостовая схема выпрямления. Схема и принцип действия.
Схема содержит трехфазный трансформатор, 6 диодов и активную нагрузку. Схема представляет собой сочетание двух трехфазных выпрямителей, включенных последовательно и питающихся от общих обмоток трансформатора напряжениями, сдвинутыми по фазе на 120 градусов.

Принцип работы: ток проводят в любой момент времени два последовательно соединенных диода, на аноде которого положительный наибольший потенциал и на катоде которого отрицательный наибольший потенциал.
Схема является двухполупериодной, так как ток через нагрузку протекает в течение обоих полупериодов питающего напряжения. Схема является двухтактной, так как токи во вторичных обмотках протекают в течение обоих полупериодов питающего напряжения. Токи вторичных обмоток имеют синусоидальную форму, поэтому отсутствует вынужденное намагничивание сердечника трансформатора.
2. Расчетные соотношения для трехфазной мостовой схемы выпрямителя
Действующее значение тока через вторичную обмотку:
I
Действующее значение фазного напряжения вторичной обмотки:
U
Действующее значение линейного напряжения вторичной обмотки:
U
Действующее значение тока первичной обмотки:
I
Обратное напряжение на диоде:
U
Типовая мощность трансформатора:
Р
I
Частота основной гармоники выпрямленного напряжения (тока):
f
Коэффициент пульсаций = 0,057.
Преимущества: меньше вес и размеры трансформатора, отсутствует вынужденное намагничивание, меньше пульсации напряжения, больше частота пульсаций
Основной недостаток: необходимость применения 6 диодов.
3. Влияние характера нагрузки на работу выпрямителя.
Работа выпрямителя на встречную ЭДС. При таком режиме параллельно зажимам выпрямителя включен источник постоянного ЭДС.
Особенности: уменьшаются пульсации выпрямленного напряжения; уменьшается время прохождения тока через диоды.
Применение: для зарядки аккумуляторной батареи.
Работа выпрямителя на нагрузку с емкостной реакцией. Параллельно нагрузке включается конденсатор. Этот режим имеет место при использовании конденсаторов в качестве первого элемента сглаживающего фильтра. По мере роста напряжения на зажимах вторичной обмотке трансформатора конденсатор заряжается, и напряжение на нем повышается. Так как напряжение на емкости отстает от напряжения фазы вторичной обмотки, то в течение режима всего времени заряда емкости напряжение на ней будет оставаться меньшим напряжения на обмотке и только в момент прекращения тока через диод эти напряжения окажутся равными.
Особенности режима: уменьшаются пульсации выпрямленного напряжения; сокращается время работы диодов; амплитудное значение тока через диоды и трансформатор увеличивается.
Недостатки режима: плохо используются обмотки трансформатора; величина выпрямленного напряжения зависит от тока нагрузки.
Работа выпрямителя на индуктивную нагрузку. Последовательно с нагрузкой включена индуктивность. Этот режим имеет место, когда в качестве первого элемента используется дроссель.
Наличие индуктивного элемента приводит к отставанию по времени изменение тока от изменения напряжения, что влияет на режим работы выпрямителя.

Особенности режима: длительность работы диода уменьшается; амплитудное значение тока уменьшается; среднее значение выпрямленного тока уменьшается.
Таким образом, в лекции изучены: принцип действия, достоинства и недостатки, основные расчетные соотношения трехфазной мостовой схемы выпрямления, а также влияние характера нагрузки на работу выпрямителя.
| | | следующая лекция ==> | |
| ЭТАПЫ ОПЕРАЦИИ СУБТОТАЛЬНОЙ СУБКАПСУЛЯРНОЙ РЕЗЕКЦИИ ЩИТОВИДНОЙ ЖЕЛЕЗЫ | | | Общественно опасное деяние (действие или бездействие) и его уголовно-правовая характеристика. |
Дата добавления: 2015-12-01 ; просмотров: 4740 ; ЗАКАЗАТЬ НАПИСАНИЕ РАБОТЫ


































