Типичные причины поломки
Выключатель света служит для замыкания/размыкания цепи, подачи электроэнергии на осветительные приборы – люстры, лампы, светильники. Принцип работы электротехнического устройства основан на формировании контакта между приемной пластиной и контактной парой (одной или несколькими в зависимости от типа выключателя).
Основные причины:
- Высокая влажность в комнате или непосредственно в месте установки, что приводит к окислению проводов и контактов.
- Недостаточно хорошо закрепленный контакт, износ рабочего механизма – как результат, прибор коротит.
- Использование поломанного прибора. Некоторые потребители продолжают пользоваться выключателем, если он трещит, гудит, искрит.
- Нарушение параметров напряжения электрического тока на токоведущих жилах, присоединенных к выключателю.
- Стабильные перепады напряжения в сети, которые провоцируют выход из строя внутреннего механизма прибора.
- Суммарная мощность включаемых посредством устройства ламп превышает допустимую для конкретного выключателя.

Крайне редко устройство имеет заводской брак, что приводит к возникновению неисправностей. Преимущественно приборы начинают искрить по прямой или косвенной вине пользователя. Распространенная причина – попадание влаги в таких комнатах, как ванная или кухня. Повышенная влажность в помещении и постоянно изменяющаяся температура могут вызвать окисление контактов.
Технология ремонта
Итак, чтобы инструкция по ремонту была для Вас понятной, рассмотрим ее поэтапно, с фото примерами для каждого важного момента починки
- Для начала нужно подготовить инструмент: маркер, мелкозернистую шкурку, индикаторную и обычную отвертку.
- Отключите автомат на вводном щитке, чтобы обесточить электросеть в доме и обезопасить себя от поражения электрическим током.
- Убедитесь, что напряжение в комнате отсутствует, самостоятельно проверив наличие питания в соседней розетке с помощью индикатора. Если Вы не знаете, рекомендуем ознакомиться с инструкцией, на которую мы сослались.
- Демонтируйте выключатель света со штробы. Перед тем как починить изделие, Вам нужно самому снять декоративную крышку, еще раз проверить отсутствие напряжения индикаторной отверткой, открутить боковые винты и вытянуть корпус из подрозетника.
- Отсоедините провода. Если переключатель света двухклавишный, рекомендуем отметить маркером, какая из жил является вводной, чтобы потом не перепутать и правильно выполнить подключение своими силами.
- Разберите корпус и доберитесь до контактов, которые, скорее всего и являются причиной ремонта. Данные элементы конструкции находятся сразу же за пластиковой клавишей, которая крепится винтами. Починить их не составит труда, в чем Вы и убедитесь далее.
- Визуально просмотрите контакты в виде полусферы (на фото их видно) и если они подгоревшие, с помощью мелкозернистой шкурки зачистите их до металлического блеска. Если не получается хорошо вычистить нагар шкуркой, Вы можете аккуратно выполнить чистку жалом отвертки. Этого достаточно, чтобы починить переключатель света своими руками.
- Соберите корпус в обратном порядке. На видео ниже показано, как разбирается и собирается выключатель света в домашних условиях.
- Осуществите подключение проводов, а также установку корпуса в подрозетник.
- Включите автомат на щитке и проверьте, работает ли переключатель освещения. Если выключатель не трещит и работает правильно, можете гордиться — Вам удалось починить изделие. Если при выключенном выключателе горит свет, значит, Вы плохо почистили контакты либо неправильно выполнили подключение, поэтому придется делать все заново.
Видео инструкция по сборке корпуса
Таким образом за 10 шагов Вы сможете починить изделие своими руками. Как Вы видите, ремонт не сложный и станет под силу даже электрику-новичку. Рекомендуем также ознакомиться с предоставленными ниже советами, которые позволяет быстро и правильно отремонтировать выключатель в квартире.
- Если сломался выключатель старого образца, Вы конечно можете его починить, но в этом нет смысла, т.к. каждая деталь со временем изнашивается, а в электрике очень опасно эксплуатировать старые выключатели и розетки, тем более, если они частенько выходят из строя. На сегодняшний день даже у таких лидирующих фирм, как легранд есть недорогие, но надежные изделия даже с подсветкой, цепочкой (шнурком) либо регулятором освещения.
- Причина, по которой быстро подгорают контакты на клавишном переключателе – слишком мощные лампочки. Рекомендуем заменить лампы накаливания на более эффективные и в то же время менее мощные источники света – . В этом случае Вы сможете надолго забыть о ремонте выключателя.
- Перед тем, как переходить к полной разборке корпуса, проверьте, насколько хорошо затянуты жилы винтами. Возможно, Вам удастся починить переключатель просто затянув винтики отверткой.
- Чтобы не перепутать очередность сборки запчастей разобранного корпуса, рекомендуем воспользоваться фотоаппаратом: поочередно фотографировать каждый из этапов разборки и если возникнет необходимость, по фото собрать конструкцию.
Проблемы с электропроводкой — серьезный повод, чтобы обратить внимание на состояние электрической цепи, подключенных приборов и устройств. Небрежное отношение может спровоцировать короткое замыкание, оплавление проводников, привести к возгоранию
Когда искрит выключатель света при включении освещения в квартире или доме, слышно потрескивание, владельцам жилья необходимо немедленно решить данную проблему или обратиться за помощью к специалистам-электрикам
Когда искрит выключатель света при включении освещения в квартире или доме, слышно потрескивание, владельцам жилья необходимо немедленно решить данную проблему или обратиться за помощью к специалистам-электрикам.
Почему трещит выключатель при включении. Что делать если искрит выключатель света при включении? Виды электротехнических устройств
Проблемы с электропроводкой – серьезный повод, чтобы обратить внимание на состояние электрической цепи, подключенных приборов и устройств. Небрежное отношение может спровоцировать короткое замыкание, оплавление проводников, привести к возгоранию. Когда искрит выключатель света при включении освещения в квартире или доме, слышно потрескивание, владельцам жилья необходимо немедленно решить данную проблему или обратиться за помощью к специалистам-электрикам
Когда искрит выключатель света при включении освещения в квартире или доме, слышно потрескивание, владельцам жилья необходимо немедленно решить данную проблему или обратиться за помощью к специалистам-электрикам.
Типичные причины поломки
Выключатель света служит для замыкания/размыкания цепи, подачи электроэнергии на осветительные приборы – люстры, лампы, светильники. Принцип работы электротехнического устройства основан на формировании контакта между приемной пластиной и контактной парой (одной или несколькими в зависимости от типа выключателя).
Основные причины:
- Высокая влажность в комнате или непосредственно в месте установки, что приводит к окислению проводов и контактов.
- Недостаточно хорошо закрепленный контакт, износ рабочего механизма – как результат, прибор коротит.
- Использование поломанного прибора. Некоторые потребители продолжают пользоваться выключателем, если он трещит, гудит, искрит.
- Нарушение параметров напряжения электрического тока на токоведущих жилах, присоединенных к выключателю.
- Стабильные перепады напряжения в сети, которые провоцируют выход из строя внутреннего механизма прибора.
- Суммарная мощность включаемых посредством устройства ламп превышает допустимую для конкретного выключателя.
Крайне редко устройство имеет заводской брак, что приводит к возникновению неисправностей. Преимущественно приборы начинают искрить по прямой или косвенной вине пользователя. Распространенная причина – попадание влаги в таких комнатах, как ванная или кухня. Повышенная влажность в помещении и постоянно изменяющаяся температура могут вызвать окисление контактов.
Виды электротехнических устройств
Если искрит выключатель, его необходимо заменить на новый прибор или отремонтировать. Включение света с треском, искрением и прочими проблемами недопустимо – может случиться замыкание проводки, возгорание и пожар.
Чтобы отремонтировать выключатель света, нужно знать, какие бывают устройства:
- Одно-, двух- и трехклавишные – широко используются в жилых помещениях, замыкание цепи происходит при нажатии клавиши.
- Кнопочные изделия – бывают оборудованы светодиодным индикатором, не имеют принципиального отличия по конструкции механизма от клавишных моделей.
- Диммерные приспособления с возможностью регулировать интенсивность света: контакт выключателя наступает при вращении колесика.
- Поворотные модели имеют простую конструкцию, включают освещение при повороте рукоятки на корпусе.
По типу управления новшеством в области электротехники – сенсорные выключатели, изделия с электронным таймером задержки времени, акустические и дистанционные модели. У большинства потребителей установлены клавишные изделия, с ремонтом которых можно справиться самостоятельно.
Перечень необходимых инструментов
Некоторые потребители в случае обнаружения неисправности выключателя при искрении, треске или гудении прибора сразу обращаются к электрикам. Однако поломку, которая подлежит восстановлению, можно устранить самостоятельно. В большинстве случаев достаточно подогнуть контакты, чтобы прибор стал нормально функционировать.
Для ремонта нужны следующие инструменты:
- индикаторная отвертка с лампой или электронным табло;
- отвертка обычного типа для откручивания шурупов/винтов;
- изоляционная лента и наждачная бумага мелкой зернистости;
- пассатижи, маркер, нож для зачистки изоляции проводки.
Все выключатели имеют пластиковый корпус, защитную рамку и внутренний рабочий механизм. Рамка может крепиться к механизму защелками или винтами. В подрозетнике расположен рабочий механизм, зафиксированный распорными лапками или винтами. Для выполнения ремонта нужно обеспечить доступ к контактной группе, сняв с прибора внешнюю коробку.
Что делать, если выключатель перегорает и искрит при включении света?
Когда выключатель начинает искрить и перегорать при включении света, это может говорить о проблеме в электрической системе, которая требует немедленного решения. В такой ситуации необходимо следовать определенным шагам, чтобы предотвратить возможные аварийные ситуации и обеспечить безопасность дома.
1. Сначала отключите электричество, выключив автоматический выключатель в электрической щитовой кабине. Это необходимо для предотвращения возможных поражений электрическим током и предотвращения дальнейшего перегорания выключателя.
2. Пришло время проверить сам выключатель. Откройте панель, которая скрывает его, и осмотрите контакты на выключателе. Если они покрыты сажей, грязью или коррозией, это может стать причиной искрения. В таком случае рекомендуется очистить контакты с помощью мягкой щетки и небольшого количества изопропилового спирта.
3. Если очистка контактов не помогла или видно, что выключатель поврежден, необходимо заменить его на новый. Для этого сначала измерьте напряжение в электрической системе при помощи тестера и убедитесь, что электричество действительно выключено. Затем откройте выключатель, отсоедините провода от старого выключателя и подсоедините их к новому
Важно соблюдать правильную полярность подключения проводов, чтобы избежать дальнейших проблем
4. После замены выключателя, закройте его и проверьте, что электричество подано и все работает исправно. Если проблема сохраняется или даже усугубляется, это может указывать на другие проблемы в электрической системе. В такой ситуации рекомендуется обратиться к профессиональным электрикам, которые смогут провести более детальную диагностику и решить возникшие проблемы.
- Отключите электричество.
- Осмотрите контакты на выключателе и очистите их, если необходимо.
- Замените выключатель, если он поврежден или не помогла очистка.
- Проверьте работу и обратитесь к профессионалам, если проблема сохраняется.
Как правильно выбрать выключатель: особенности и советы
Один из основных аспектов, который следует учитывать при выборе выключателя, это его тип. Существует несколько типов выключателей, включая однополюсные и двухполюсные выключатели, а также кнопочные выключатели. Однополюсные выключатели широко используются для управления освещением, в то время как двухполюсные выключатели обеспечивают более надежную защиту и используются для управления более мощными электроприборами. Кнопочные выключатели могут использоваться, например, для управления вентиляцией или вентиляторами.
Кроме типа выключателя, следует обращать внимание на его номинальные характеристики. К ним относятся номинальный ток и номинальное напряжение
Номинальный ток выключателя должен соответствовать электрическим устройствам, подключенным к нему. Например, для освещения обычно достаточно выключателя с номинальным током 10A. Номинальное напряжение выключателя должно быть таким же, как и напряжение электрической сети.
Другой важный аспект выбора выключателя — это его дизайн и материалы изготовления. Выключатель должен соответствовать общему стилю и интерьеру помещения. Существует широкий выбор дизайна выключателей, таких как классические, современные, минималистические и т. д
Также обратите внимание на качество и надежность материалов
Не забывайте о безопасности при выборе выключателя
Важно, чтобы выключатель был изготовлен с соблюдением всех норм и правил электробезопасности. Исследуйте рынок и выбирайте выключатели от известных и надежных производителей
Надеемся, эти советы помогут вам правильно выбрать выключатель, который соответствует вашим потребностям и обеспечит безопасность вашей электрической системы. Помните, что в случае необходимости всегда лучше проконсультироваться со специалистом, чтобы получить индивидуальный совет.
Порядок выполнения ремонта
Если выключатель искрит по причине ослабленного контакта, нужно обеспечить непрерывное соединение пары и приемной пластины при включенном свете.
Когда трещит выключатель света, вероятно, в цепи происходит короткое замыкание, поэтому необходимо очистить контакты проводов и соединить прибор с линией повторно. Если он продолжает работать некорректно, необходимо менять прибор на новый. Закороченный выключатель использовать нельзя.

Как отремонтировать устройство:
- Обесточить сеть, проверить индикаторной отверткой отсутствие напряжения.
- Если искрит клавишный выключатель, нужно отверткой поддеть корпус.
- Вытянуть обводку крышки выключателя, проверить напряжение на клеммах.
- Если на проводах есть нагар, их нужно отсоединить от подрозетника и зачистить.
- Когда индикатор искрит по причине нестабильного контакта, достаточно винтами подтянуть клеммы.
После этого необходимо собрать прибор в такой же последовательности
Нужно обратить внимание, что к контактам клавишного выключателя следует подключать фазу – это гарантирует безопасность замены ламп в осветительных приборах. Нажатием клавиши фаза отключается.
- На внутренней стороне корпуса указаны сила тока и рабочее напряжение.
- Важный параметр – качество сборки, от которого зависит работа прибора.
- Оптимальная высота установки выключателя от пола – от одного метра.
- Монтаж приборов выполняют на фазных проводах в подрозетниках.
- Сначала нужно соединить провода, затем установить механизм в коробку.
- Шурупы закручивают поочередно, чтобы избежать перекоса прибора.
После защелкивания рамки выключатель не должен шататься. Работоспособность устройства проверяют после включения сети. Если прибор искрит при включении света, нет стабильного контакта провода и пластины. Устройство будет нагреваться, в результате чего оплавится пластиковый корпус. Любую поломку электротехнических приспособлений нужно своевременно устранять.
Одной из основных неисправностей коммутационных приборов является искрение контактов или их полное отсутствие. Основной причиной возникновения этой проблемы является износ контактной системы или выход из строя других узлов аппарата. Если ничего с этим не делать — в результате придется полностью заменить выключатель, реле или другое переключающее устройство. К тому же искры и нагрев могут привести к возгоранию. Но давайте рассмотрим подробнее причины искрения контактов и способы их устранения.
Восстановление поворотных и сенсорных моделей
Сенсорные выключатели подлежат ремонту в специализированных мастерских. В приборах поворотного типа характерные неисправности имеют примерно те же причины и проявления, что и у клавишных аналогов. В их рабочем механизме также подгорают и полностью изнашиваются замыкающиеся и размыкающие контакты, что объясняется их интенсивной эксплуатацией. Кроме того, по аналогии с уже рассмотренными образцами, в них также возможно ослабление контактов в местах подключения фазных проводников.
Восстановление выключателей этого класса аналогично уже рассмотренному подходу для клавишных изделий. Сложности возникают при поломке кулачкового механизма, отремонтировать который вручную вряд ли удастся. В этом случае специалисты советуют полностью заменить прибор новым изделием.
Способы устранения и предотвращения явления
Для устранения искрения контактов решения принимаются еще на стадии разработки коммутационных аппаратов. Например, расстояние между ними увеличивается, устанавливают камеры дугогашения для охлаждения дуги.
Также делают напайки из драгоценных неокисляющихся материалов, таких как серебро, например, на поверхности через которые проходит ток.

На быстродействующих реле искрение образуется при размыкании, в том числе потому, что их контакты в разомкнутом положении находятся близко друг к другу. Значит нужно снизить нагрузку, использовав или использовать искрогасящие цепочки, их схемы мы рассмотрим дальше.
Разберемся что делать, если искрят контакты на имеющемся автомате или пускателе. В первую очередь качественное соединение обеспечивается сильным прижатием пластин, при искрении стоит проверить нормально ли соприкасаются контактные площадки. В автоматах типа АП они прижимаются пружинящим механизмом, для проверки нужно при отключенном напряжении, но замкнутых контактах отвести назад подвижную пластину и отпустить, он должен резко с характерным щелчком удариться о неподвижную пластину. То же самое можно провести на магнитном пускателе.

Если вы убедились в качественном нажиме, но контакты все равно искрят — проверьте нет ли нагара на их поверхности в точках соприкосновения. Если нагар есть, то его счищают максимально возможной мелкой наждачной бумагой, деревянной частью спички или ластиком, но ни в коем случае не надфилем — поверхности должны быть максимально гладкими, иначе возрастёт переходное сопротивление.
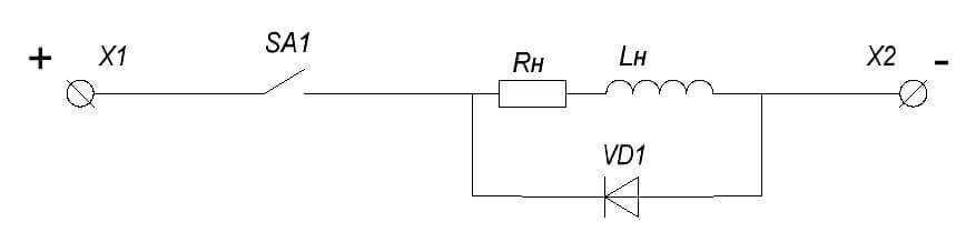
Еще одним методом решения проблемы, связанной с искрением, является установка искрогасительных цепей. Если искрят реле и пускатели в цепи постоянного тока, то параллельно нагрузке устанавливают диод, подключенный катодом к положительному, а анодом к отрицательному полюсу. Таким образом энергия, накопленная в индуктивности и её ЭДС самоиндукции рассеивается на активной части нагрузки, а диод замыкает контур для протекания тока.

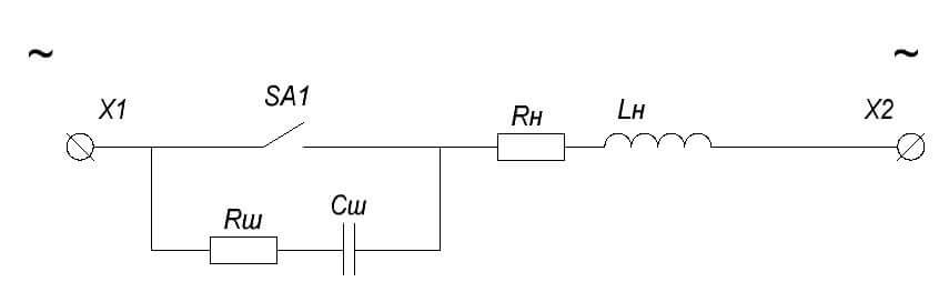
А если искрят контакты в цепи переменного тока, можно установить искрогасительную RC цепь, её иногда называют шунтирующей, а в электронике – снабберной. Она выполняет роль защиты за счёт того, что энергия, накопленная в индуктивностях, стремится рассеяться не на коммутационном аппарате, а на активном сопротивлении этой цепи.

Ёмкость рассчитывают по формуле:
Сш=I 2 /10
Резистор:
Rш = Ео / (10 * I * (1 + 50 / Ео))
Но быстрее и проще пользоваться номограммой:

Более подробной данный вопрос также рассмотрен на видео:
Материалы
Проблемы с электропроводкой – серьезный повод, чтобы обратить внимание на состояние электрической цепи, подключенных приборов и устройств. Небрежное отношение может спровоцировать короткое замыкание, оплавление проводников, привести к возгоранию
Когда искрит выключатель света при включении освещения в квартире или доме, слышно потрескивание, владельцам жилья необходимо немедленно решить данную проблему или обратиться за помощью к специалистам-электрикам.

Почему искрит выключатель при включении света?
Часто мы можем столкнуться с ситуацией, когда при включении света в помещении возникают искры на выключателе. Это может вызывать беспокойство и опасение, поскольку искры могут быть признаком электрической проблемы и представлять опасность для безопасности. Рассмотрим несколько возможных причин, по которым может возникать данная проблема.
1. Плохой контакт
Одной из самых распространенных причин появления искр на выключателе является плохой контакт между проводниками. В результате этого возникают перегревы и трение между контактными плоскостями, что вызывает появление искр. Плохой контакт может быть обусловлен старением проводки, окислением контактов или неправильной установкой выключателя.
2. Высокое напряжение
Искры на выключателе также могут возникать из-за скачков напряжения в электрической сети. Высокое напряжение может быть вызвано различными факторами, такими как перегрузка сети, молния или другие электромагнитные помехи. Искры при этом могут быть одноразовыми или возникать при каждом включении света.
3. Неправильные или поврежденные провода
Еще одна причина искр на выключателе может быть связана с наличием неправильных или поврежденных проводов. Если провода некачественные или имеют механические повреждения, то это может привести к искровообразованию при подаче напряжения. Также провода могут быть слишком тонкими для требуемой нагрузки, что тоже может вызывать искры на выключателе.
4. Сломанный механизм выключателя
Если все провода и контакты в порядке, то возможно, причина искр кроется в самом механизме выключателя. Старый или поврежденный выключатель может иметь изношенные контактные плоскости или другие дефекты, которые могут вызывать искры при включении света.
В любом случае, искры на выключателе при включении света следует воспринимать как признак проблемы в электрической системе и обращаться к профессионалам для диагностики и решения проблемы. Это поможет избежать возможных аварийных ситуаций и обеспечит безопасность вашего дома или офиса.
Причины возникновения искр и дуги
Прежде чем рассмотреть, почему искрят контакты, разберемся в основных понятиях. Коммутационный аппарат и его контактная система должны обеспечивать надежное соединение с возможностью его разрыва в любой момент. Контакты состоят из двух электрических пластин, которые в замкнутом положении должны быть надежно прижаты друг к другу.
Дуга возникает при коммутации индуктивных цепей. К таким относятся различные электродвигатели и соленоиды, но стоит помнить, что даже прямой отрезок провода имеет определенную индуктивность, и чем он длиннее — тем она больше. При этом, ток в индуктивности моментально прекратится не может — это описано в законах коммутации. Поэтому на выводах индуктивной нагрузки образуется ЭДС самоиндукции, её величина описывается формулой:
E=L*dI/dt
Интересно! В нашем случае важную роль играет скорость изменения тока. При отключении она крайне велика, соответственно ЭДС будет стремиться к большим значениям, вплоть до десятков киловольт (например система зажигания автомобиля).
В результате ЭДС возрастает до такой степени, что его величина пробивает промежуток между контактами — образуется или искры. Качество любых соединений описывается их переходным сопротивлением: чем меньше — тем лучше соединение и тем меньше нагрев. При их размыкании оно резко возрастает и стремится к бесконечности. В этот же момент происходит разогрев площади их соприкосновения.
Кроме того, между разомкнутыми контактами на фоне возрастающего ЭДС самоиндукции и повышенной температуры воздуха из-за разогрева поверхностей при размыкании пластин происходит и ионизация воздуха. В результате присутствуют все условия для возникновения дуги и искрения.

Если говорить о том, почему искрят контакты при замыкании электрической цепи, то это происходит уже не при индуктивной, а при емкостной нагрузке. Вы наблюдаете это каждый раз, когда вставляете в розетку зарядное устройство от ноутбука или телефона. Дело в том, что разряженная емкость (конденсатор) на входе устройства в начальный момент времени представляет короткозамкнутый участок цепи, ток которого уменьшается по мере её заряда.
Если вы наблюдаете искрение в реле или выключателе в замкнутом положении — причиной этому служит плохое состояние контактных поверхностей и их высокое .
Перечень необходимых инструментов
Некоторые потребители в случае обнаружения неисправности выключателя при искрении, треске или гудении прибора сразу обращаются к электрикам. Однако поломку, которая подлежит восстановлению, можно устранить самостоятельно. В большинстве случаев достаточно подогнуть контакты, чтобы прибор стал нормально функционировать.
Для ремонта нужны следующие инструменты:
- индикаторная отвертка с лампой или электронным табло;
- отвертка обычного типа для откручивания шурупов/винтов;
- изоляционная лента и наждачная бумага мелкой зернистости;
- пассатижи, маркер, нож для зачистки изоляции проводки.

Все выключатели имеют пластиковый корпус, защитную рамку и внутренний рабочий механизм. Рамка может крепиться к механизму защелками или винтами. В подрозетнике расположен рабочий механизм, зафиксированный распорными лапками или винтами. Для выполнения ремонта нужно обеспечить доступ к контактной группе, сняв с прибора внешнюю коробку.
Виды электротехнических устройств
Если искрит выключатель, его необходимо заменить на новый прибор или отремонтировать. Включение света с треском, искрением и прочими проблемами недопустимо – может случиться замыкание проводки, возгорание и пожар.
Чтобы отремонтировать выключатель света, нужно знать, какие бывают устройства:
- Одно-, двух- и трехклавишные – широко используются в жилых помещениях, замыкание цепи происходит при нажатии клавиши.
- Кнопочные изделия – бывают оборудованы светодиодным индикатором, не имеют принципиального отличия по конструкции механизма от клавишных моделей.
- Диммерные приспособления с возможностью регулировать интенсивность света: контакт выключателя наступает при вращении колесика.
- Поворотные модели имеют простую конструкцию, включают освещение при повороте рукоятки на корпусе.

По типу управления новшеством в области электротехники – сенсорные выключатели, изделия с электронным таймером задержки времени, акустические и дистанционные модели. У большинства потребителей установлены клавишные изделия, с ремонтом которых можно справиться самостоятельно.
Как предотвратить искрение
Для предотвращения искрения на контактах производители устанавливают дугогасительные камеры для охлаждения дуги. Некоторые бренды могут изготавливать паяльные прокладки из материалов, не подверженных окислению. Через них будет протекать ток. Несколько методов могут использоваться независимо друг от друга.
Искрогасящие цепи
Предназначен для быстродействующих устройств, которые при коротком замыкании генерируют искры. Наиболее распространены два варианта:
- Для реле и пускателей сети постоянного тока. Требуется диод с анодом на отрицательном полюсе и катодом на положительном полюсе. На активной части происходит рассеивание энергии (самоиндукция). Диод замыкает цепь.
- Снабжение. Шунтирующая RC-цепь предназначена для рассеивания энергии, запасенной в индуктивности, при наличии активного сопротивления сети.
Контакты расположены близко друг к другу, поэтому цепь искрогашения снижает нагрузку.
Прижимные пластинки
Этот метод хорошо подходит для искрения контактов стартера или автоматического выключателя. Специальный пружинный механизм обеспечивает надежное соприкосновение контактных точек. Для подключения необходимо перевести пружинный механизм в положение закрытого контакта, оттянув его назад и снова опустив. Вы должны услышать звуковой щелчок.
Работы должны проводиться в цепи под напряжением.
Снятие нагара
Поверхность проводников можно очищать не только мелкой наждачной бумагой. Ластик, деревянная спичка обеспечат гладкую поверхность и исключат риск увеличения контактного сопротивления.





































