Как выбрать драйвер для светодиодов.
От выбора драйвера зависит срок службы светодиодов. При этом светодиод достигает своих номинальных характеристик, так как получает необходимую ему мощность.
В зависимости от степени защиты драйвер можно применять либо дома, либо на улице. Внешне драйвер может быть открытым, в корпусе из перфорированного металла, либо – закрытый, размешенный в герметичной металлической коробке. Для дома достаточно негерметизированного пластикового корпуса, в котором расположен электронный блок.
Сразу стоит учесть, что ограничивающий резистор – это не самый лучший вариант. Он не избавит ни от скачков питающей сети, ни от импульсных помех. Любое изменение напряжения приведет в скачку тока. Линейные стабилизаторы также не являются достойным средством запитки светоизлучающих диодов. Его способности ограничиваются низкой эффективностью.
Выбор драйвера производится только после того, как известна суммарная мощность, схема подключения и количество светодиодов.
Сейчас много подделок и одни и те же по типоразмерам диоды могут обеспечивать разные мощности. Лучше использовать только известные марки электротехнической продукции.
На корпусе драйвера для подключения светодиодов, всегда размещена спецификация. Она включает:
- класс защищенности от пыли и жидкости,
- мощность,
- номинальный стабилизированный ток,
- рабочее входное напряжение,
- диапазон выходного напряжения.
Достаточно популярны бескорпусные led-драйверы. Плату потребуется разместить в корпусе. Это необходимо для безопасного использования. Платы больше подходят для радиолюбителей-энтузиастов. У них входное напряжение может быть либо 12 В, либо 220 В.
Также стоит продумать о размещении драйвера. Температура и влажность влияют на надежность системы освещения.
Не стоит пытаться выжать из источника тока максимум. Это приводит к работе на предельных режимах, соответственно возникает повышенный нагрев. Превышение может вывести стабилизатор из строя.
Как подобрать драйвер для светодиодов
На рынке представлен широкий ассортимент драйверов для светодиодов от разных производителей. Многие из них, особенно китайского производства, отличаются низкой ценой. Однако покупать такие устройства не всегда выгодно, так как большинство из них не соответствует заявленным характеристикам. Кроме того такие драйверы не сопровождаются гарантией, а в случае обнаружения брака их нельзя вернуть или заменить на качественные.
Так существует вероятность приобретения драйвера, заявленная мощность которого составляет 50 W. Однако на деле оказывается, что эта характеристика имеет непостоянный характер и такая мощность является лишь кратковременной. В реальности же такое устройство будет работать как LED-driver 30W или максимум 40W. Так же может оказаться, что в начинке не будет хватать некоторых компонентов, отвечающих за устойчивое функционирование драйвера. Кроме того могут применяться компоненты низкого качества и с небольшим сроком службы, что является по сути браком.

Ресурс работы качественного драйвера — более 70 тыс. часов
При покупке стоит обращать внимание на указание бренда изделия. На качественном товаре обязательно будет указан изготовитель, который предоставит гарантию и будет готов отвечать за свою продукцию
Следует отметить, что и срок службы драйверов от проверенных производителей будет гораздо больше. Ниже приведено ориентировочное время работы драйверов в зависимости от изготовителя:
- драйвер от сомнительных производителей – не более 20 тыс. часов;
- устройства среднего качества – около 50 тыс. часов;
- преобразователь от проверенной фирмы-изготовителя с использованием качественных компонентов – свыше 70 тыс. часов.

Для рассчета требуемого напряжения на выходе, необходимо учитывать мощность и силу тока
Правила подбора
Для обеспечения стабильности работы светодиодного светильника необходимо правильно подобрать драйвер. Делать это лучше всего на этапе планирования системы подсветки. При этом нужно учесть:
- Сколько и каких лед-элементов будет соединено.
- Какая схема подключения лежит в основе – параллельная, последовательная или последовательно по два.
- Суммарные характеристики монтируемых led-узлов (мощность, напряжение, сила тока).
Поэтому сначала нужно купить драйвер, а затем к нему подбирать светодиодные светильники. В противном случае на практике достаточно проблематично к уже имеющейся системе освещения подобрать преобразователь с заданными параметрами. Исключение могут составлять готовые в сборке заводские приборы подсветки, например, лампы Армстронг. Для них выпускаются специальные стабилизаторы с определенным набором характеристик.
Оптимальным подключением светодиодных элементов является последовательный способ. Независимо от расстояния в цепочке все лед-кристаллы в светильнике будут светить равномерно, так как сила тока в любой точке схемы одинакова. Однако, чем больше количество led-кристаллов, тем выше должен быть номинал напряжения у драйвера.
РЕГУЛИРУЕМЫЙ ИСТОЧНИК ПИТАНИЯ С СИГНАЛИЗАЦИЕЙ ПЕРЕГРУЗКИ
Звуковая сигнализация позволяет пользователю быстро среагировать на аварийную ситуацию, если при экспериментах с различной радиоэлектронной аппаратурой возникла перегрузка источника питания. Схема источника питания с звуковым сигнализатором превышения потребления тока показана на рисунке.
Выпрямитель на диодах VD1—VD4 питается от трансформатора, вторичная обметка которого рассчитана на напряжение 18 В при токе нагрузки не менее 1 А, Регулируемый стабилизатор напряжения выполнен на транзисторах VT2 — VT5 по известной схеме. Переменным резистором R3 на выходе стабилизатора может быть установлено напряжение от 0 до +15 В.
Способы подключения светодиодной ленты в автомобиле
Существует несколько вариантов подключения осветительного устройства в автомобиле. Большой популярностью пользуется самый простой вариант – с применением резистора. Также используются методики, связанными с использованием линейного или импульсного стабилизатора.
Каждая методика отличается своими индивидуальными особенностями и последовательностью действий. Что касается инструментов и материалов, то их перечень во всех случаях схож.
Необходимые инструменты и материалы
Установка светодиодной ленты на автомобиль через прикуриватель осуществляется достаточно просто. Для проведения монтажных потребуется подготовить такие инструменты, как:
- влагозащитная RGB лента на четыре контакта или иной подходящий вариант осветительного прибора;
- четыре специальных клеммы или надежных коннектора;
- многожильный провод, желательно с цветами проводков как на контроллере;
- контроллер на 12 В, который подходит для легкового авто;
- специальный силиконовый герметик.
После подготовки всех необходимых инструментов и устройств можно приступать непосредственно к монтажным работам.
Простое подключение
В процессе работы двигателя напряжение в машине варьируется в достаточно широком диапазоне. Чтобы избежать перегрузок в напряжении, специалисты советуют установить специальный резистор в разрыв одного из питающих осветительный прибор проводов.
Основным преимуществом подобного варианта включения является обеспечение долговечности светодиодов, что достигается за счет отсутствия перенапряжения светильников.
При значениях напряжения ниже максимального уровня автоматически снижается светоотдача. При перепадах показателей будет проявляться эффект «ярко-тускло».
Если уровень яркости свечения светодиодной ленты не является достаточно важным фактором, можно проводить именно такое подключение.
Подключение через линейный стабилизатор
Подобный вариант подключения позволит забыть о таком явлении, как самопроизвольное изменение уровня яркости свечения в процессе езды. Это основано на установке линейного стабилизатора. Его роль в данной схеме возьмет на себя специальная интегральная микросхема. Довольно часто стабилизатор применяется на базе LM7812, что собрана в корпусе категории ТО220 с током нагрузки примерно 1 А
Но при этом есть одно важное условие
Это интересно: Как и где можно получить красивые номера на авто? 3 реальных способа
Для обеспечения максимально стабильной работы подобной схемы, требуется проследить за тем, чтобы напряжение было ниже 14 Вт. Определенный запас, равный двум вольтам, требуется для сохранения оптимальной работоспособности LM7812. Нарушение данного правила может привести к срыву стабилизации и появлению на выходе импульсного сигнала. Именно по причине подобного недостатка интегральные стабилизаторы применяются достаточно редко.
В качестве альтернативы стоит использовать специальный регулируемый стабилизатор LM317. Он обладает более высокими техническими характеристиками. Посредством применения резистора есть возможность настроить на сеть UВЫХ=11 В. Это позволит стабильно работать с установленным на аккумуляторе напряжении от 12,3 В.
Если установить сниженный уровень питания, лента будет работать в особом щадящем режиме, а это не всегда является преимуществом.
Подключение через импульсный стабилизатор
Подобный вариант самостоятельного подключения светодиодной ленты является самым оптимальным на данный момент. Импульсный стабилизатор можно сделать своими руками, используя набор Мастер Кит, или приобрести готовую заводскую плату, предварительно собранную на базе LM2596. Готовое решение обойдется по сумме от 300 до 700 рублей, все зависит от максимального уровня тока нагрузки.
В процессе выбора предпочтение стоит отдать плате, которая с тыльной стороны надежно фольгирована обычным алюминием, что в состоянии обеспечить оптимальный отвод тепла на радиатор.
Данный вариант монтажа стабилизатора характеризуется большим количеством преимуществ. Среди них можно отметить наличие встроенной тепловой защиты и ограждения от перегрузок. Обеспечивается высокий коэффициент полезного действия, а также полное отсутствие перегрева при напряжении до 0,5 А. Метод позволяет параллельно соединить несколько светодиодных лент одновременно, причем разного типа. Также обеспечивается высокая степень надежности.
Комплектация светильника и как его подобрать
Обычный светодиодный светильник включает в себя всего несколько элементов:
- светодиоды;
- корпус;
- теплоотвод;
- радиатор;
- драйвер.
Если комплект стандартный, как же тогда подобрать светильник, чтобы его предустановленный драйвер прослужил как можно дольше?
Встраиваемый светодиодный светильник Kreonix с драйвером
Для исправной работы светодиодов от источника питания необходимо понизить напряжение. У каждого светильника есть следующие параметры, которые необходимо учитывать при выборе оптимального драйвера. Поговорим о них подробнее:
Мощность. Максимальная мощность у драйвера показывает, какую максимальную нагрузку он выдержит. К примеру, если на маркировке указанно (30х36)х1W, это значит, что к этому драйверу можно подключить 30 или 36 светодиодов мощностью 1 Ватт. Если мы говорим о подключении светодиодной ленты на 12-24 Вольт, то следует учесть, что источники питания для них ограничивают напряжение, а вовсе не ток.
Схема подключения светодиодных лент
А значит, мы должны внимательно следить за мощностью нагрузки, подключенной к блоку питания. В таком случае мощность драйвера ни в коем случае не должна быть ниже мощности цепи, иначе блок питания просто «сгорит».
- Номинальные параметры тока и напряжения. Этот параметр указывается производителем на всех светодиодах, соответственно, и драйвер необходимо подбирать по этой отметке. Максимальный номинальный ток составляет 350 мА. При такой отметке в работе надо использовать источник питания с силой тока в интервале 300-330 мА. Это справедливо для любого вида подключения. Такой диапазон рабочего тока рекомендован для того, чтобы не сократить срок годности светильника, ведь теплоотвод может не выполнять свои функции в полной мере.
- Класс герметичности и влагостойкости (защищенности). В настоящее время класс защиты определяется двумя цифрами, стоящими после IP. Первая цифра говорит о степени защиты от твердых воздействий (пыли, грязи, песка, льда). Вторая – о жидких средах (воде, веществах). Однако о требуемой температуре, при которой светильник может использоваться класс IP, ничего не сообщает. Можно или нельзя охлаждать, зависит от прочности корпуса.
Надо с не меньшей ответственностью подходить к покупке драйвера для светильника, чем к покупке самого светильника, потому что именно источник питания является гарантом долгой, исправной службы всего устройства. Если вы никак не можете выбрать подходящий драйвер для светильников, то его можно сделать своими руками. Схема сборки весьма проста.
Схемы стабилизаторов и регуляторов тока
Всем известно, что светодиодным лампочкам необходимо питание двенадцать вольт. В сети авто это значение может доходить до 15 В. Светодиодные элементы очень чувствительны, на них такие скачки отражаются отрицательно. Светодиодные лампы могут перегореть либо некачественно светить (мигать, терять яркость и т.д.).
Чтобы светодиоды служили дольше, в электросеть автомобиля включаются драйвера (резисторы). При нестабильности в сети устанавливаются устройства, которые поддерживают постоянное значение. Существует несколько простых микросхем, по которым можно сделать стабилизатор напряжения своими руками. Все компоненты, входящие в цепь, можно приобрести в специализированных магазинах. Обладая начальными знаниями по электротехнике сделать приборы будет несложно.
На КРЕНке
Для того, чтобы сконструировать простейший стабилизатор напряжения 12 вольт своими руками, понадобится микросхема с потреблением 12 В. В этом случае подойдет регулируемый стабилизатор напряжения 12 В LM317. Он может функционировать в электросети, где входной параметр составляет до 40 В. Чтобы прибор стабильно работал, необходимого обеспечивать охлаждение.
Крены для микросхем
Стабилизатор тока на LM317требует для работы небольшой ток до 8 мА, и данное значение обычно остается неизменным, даже при большом токе, протекающем через крен LM317, или при изменении входного значения. Это реализуется с помощью компоненты R3.
Можно применять элемент R2, но пределы при этом будут небольшими. При неизменном сопротивлении LM317 ток, идущий через прибор, будет также стабильным (автор видео — Создано в Гараже).
Входное значение для кренки LM317 может составлять до 8 мА и выше. Пользуясь этой микросхемой, можно придумать стабилизатор тока для ДХО. Это устройство может выступать нагрузкой в бортовой сети или источником электричества при подзарядке аккумуляторной батареи. Сделать простой стабилизатор напряжения LM317 не составляет труда.
На двух транзисторах
На сегодняшний момент пользуются популярностью стабилизирующие устройства для бортовой сети машины на 12 В, разработанные с использованием двух транзисторов. Данную микросхему используют как стабилизатор напряжения для ДХО.
Резистор R2 является токораздающим элементом. При возрастании тока в сети увеличивается напряжение. Если оно достигает значения от 0,5 до 0,6 В, открывается элемент VT1. Открытие компонента VT1 закрывает элемент VT2. В итоге, ток, проходящий через VT2, начинает снижаться. Можно вместе с VT2 применять полевой транзистор Мосфет.
Элемент VD1 включается в цепь, когда значения находится в пределах от 8 до 15 В и настолько велики, что транзистор может выйти из строя. При мощном транзисторе допустимы показания в бортовой сети около 20 В. Не стоит забывать о том, что транзистор Мосфет откроется, если показания на затворе будут 2 В.
На операционном усилителе (на ОУ)
Стабилизатор напряжения для светодиодов на основе ОУ собирается при необходимости создания устройства, которое будет работать в расширенном диапазоне. В рассматриваемом случае в качестве элемента, который будет задавать выпрямляемый ток, является R7. С помощью операционного усилителя DA2.2 можно увеличить уровень напряжения в токозадающем компоненте. Задачей компонента DA 2.1 является контроль опорного напряжения.
При создании схемы следует учесть, что она рассчитана на 3А, поэтому необходим больший ток, который должен поступать на разъем ХР2. Кроме того, следует обеспечивать работоспособность всех составляющих данного устройства.
Сделанный стабилизирующий прибор для автомобиля должен иметь генератор, роль которого выполняет REF198. Чтобы правильно настроить прибор, ползунок резистора R1 нужно установить в верхнее положение, а резистором R3 задавать необходимое значение выпрямленного тока 3А. Для погашения возможных возбуждений, используются элементы R,2 R4 и C2.
На микросхеме импульсного стабилизатора
Если выпрямитель для автомобиля должен обеспечивать высокий КПД в сети, целесообразно использовать импульсные компоненты, создавая импульсный стабилизатор напряжения. Популярной является схема МАХ771.
Схема выпрямителя с импульсным выпрямителем
Импульсный стабилизатор тока характеризуется выходной мощностью 15 Вт. Элементы R1 и R2 делят показатели схемы на выходе. Если делимое напряжение превышает по показателям опорное, выпрямитель автоматически уменьшает выходное значение. В противном случае устройство будет увеличивать выходной параметр.
Сборка данного устройства целесообразна, если уровень превышает 16 В. Компоненты R3 являются токовыми. Для устранения высокого падения нагрузки на данном резисторе в схему следует включить ОУ.
Понятие сетевого драйвера и его предназначение
Драйвер — электронный компонент, на который поступает напряжение переменного тока, происходит стабилизация и выходит напряжение постоянного тока
Здесь важно понимать, что речь идет о получении тока. Для преобразования напряжения используются обычные блоки питания (на корпусе указывается значение выходного напряжения)
Блоки питания эксплуатируются в диодных лентах.
Главная характеристика преобразователя для светодиодных осветительных приборов — выходной ток. Для нагрузки используют вспомогательные led-диоды или другие полупроводники. Практически всегда драйвер питается от промышленной сети 220 В, а диапазон напряжения на выходе начинается от 2 – 3 и заканчивается десятками Вольт. Чтобы подключить три светодиода на 3 Вт, необходим электронный драйвер с выходным напряжением 9 – 21 В и током 780 мА. При небольшой нагрузке универсальное устройство характеризуется низким коэффициентом полезного действия (КПД).
Для питания фар транспортных средств применяют источник с постоянным напряжением от 10 до 35 В. Если мощность невысокая, драйвер необязателен, но потребуется соответствующий резистор. Данный компонент — незаменимая часть бытового выключателя, но при коммутации led-диода к переменной сети 220 В нельзя рассчитывать на надежную и долговечную работу.
SN3350
SN3350 – очередная недорогая микросхема для светодиодных драйверов (13 руб/штучка). Является практически полным аналогом PT4115 с той лишь разницей, что напряжение питания может лежать в диапазоне от 6 до 40 вольт, а максимальный выходной ток ограничен 750 миллиамперами (длительный ток не должен превышать 700 мА).
Как и все вышеописанные микросхемы, SN3350 представляет собой импульсный step-down преобразователь с функцией стабилизации выходного тока. Как обычно, ток в нагрузке (а в нашем случае в роли нагрузки выступают один или несколько светодиодов) задается сопротивлением резистора R:
R = 0.1 / ILED
Чтобы не превысить значение максимального выходного тока, сопротивление R не должно быть ниже 0.15 Ом.
Микросхема выпускается в двух корпусах: SOT23-5 (максимум 350 мА) и SOT89-5 (700 мА).
Как обычно, подавая постоянное напряжение на вывод ADJ, мы превращаем схему в простейший регулируемый драйвер для светодиодов.
Особенностью данной микросхемы является несколько иной диапазон регулировки: от 25% (0.3В) до 100% (1.2В). При снижении потенциала на выводе ADJ до 0.2В, микросхема переходит в спящий режим с потреблением в районе 60 мкА.
Типовая схема включения:
Остальные подробности смотрите в спецификации на микросхему (pdf-файл).
Трансформаторный блок
Сегодня уже довольно редко можно встретить применение трансформаторного БП. Схема их сборки и работы довольно проста и понятна.
Самый главный элемент здесь, безусловно трансформатор. В домашних условиях он преобразует напряжение 220В в напряжение 12 или 24В. То есть, идет прямое преобразование одного напряжения в другое.
Частота сети при этом, привычные нам всем 50 Герц.
Далее за ним стоит выпрямитель. Он выпрямляет синусоиду переменного напряжения и на выходе выдает «постоянку». То есть 12В, подаваемые к потребителю, это уже постоянное напряжение 12V, а не переменное.
У такой схемы 3 главных достоинства:
ее простота
незамысловатость конструкции
относительная надежность
Однако есть здесь и недостатки, которые заставили разработчиков задуматься и придумать что-то более современное.
во-первых это большой вес и приличные габариты
как следствие первого недостатка – большой расход металла на сборку всей конструкции
ну и ухудшает все дело низкий косинус фи и низкий КПД
Именно поэтому и были изобретены импульсные источники питания. Здесь уже несколько иной принцип работы.
КАК ПОДОБРАТЬ ДРАЙВЕР ДЛЯ СВЕТОДИОДОВ
В первую очередь необходимо определиться с типом драйвера. Он может быть:
Линейным.
Работает очень просто – за счет резистора R, выполняющего роль ограничителя, при изменении напряжения восстанавливает необходимый ток. На представленной схеме драйвера для светодиодов можно наглядно видеть принцип линейной регулировки тока.
Недостатком здесь считается тот факт, что через резистор тоже течет ток, из-за чего мощность бесполезно рассеивается просто на нагрев окружающего воздуха. Причем чем выше входное напряжение, тем больше потери. Плюс линейной схемы – простота. Такие драйверы недорого стоят и имеют достаточную надежность.
Линейные драйверы применяются для не слишком мощных светодиодов. У диодов с большим рабочим током драйвер будет потреблять больше энергии, чем сам световой элемент.
Импульсным.
Здесь драйвер только следит за током через светодиод и управляет ключом, собранным на транзисторе. Вместо резистора в схеме присутствует кнопка КН, а еще в нее добавлен конденсатор, который заряжается при нажатии этой кнопки, заставляя светодиод загораться. Конденсатор питает диод, пока ток не опустится ниже допустимого. После этого нужно вновь нажать кнопку КН.
Эта схема более эффективна для мощных светодиодов, поскольку здесь минимальные потери энергии. Ввиду сложной конструкции импульсные драйверы дороже стоят, но их применение окупается высокой производительностью и высоким качеством стабилизации тока.
Стоит также сказать про диммируемые драйверы. Они позволяют регулировать интенсивность света, который исходит от диодов, за счет изменения входных и выходных параметров тока. Еще диммируемый драйвер может менять цвет свечения. К примеру, при меньшей мощности белые диоды будут светить желтым светом, а при большей – синим.
При подборе драйвера необходимо обращать внимание на следующие характеристики:
- входное и выходное напряжение;
- выходная мощность;
- выходной ток;
- степень защиты.
ВХОДНОЕ НАПРЯЖЕНИЕ
При подборе входного напряжения драйвера необходимо учитывать напряжение источника питания, к которому будет подключен светодиодный светильник. Напряжение источника должно входить в диапазон значений входного напряжения драйвера.
ТИП ТОКА
Он может быть переменным AC или постоянным DC. Эту информацию, как и значения входного напряжения можно найти на корпусе самого драйвера. Для подключения от розетки ток должен быть переменным, а от бортовой сети автомобиля – постоянным.
ВЫХОДНЫЕ ПАРАМЕТРЫ: НАПРЯЖЕНИЕ, ТОК И МОЩНОСТЬ
При расчете драйвера для светодиодов необходимо учитывать тип их соединения. При последовательной схеме нужно сложить напряжения всех диодов цепочки. К примеру, для 3 светодиодов с током 300 мА и рабочим напряжением 3,3 В общее напряжение будет 3 · 3,3 = 9,9 В. Ток же остается одним для всех диодов – 300 мА. Выходит, что драйвер должен иметь выходной ток 300 мА и выходное напряжение 3,3 В.
Но при выборе не стоит искать драйвер именно с такими параметрами. Чаще всего устройство рассчитано на определенный диапазон. Именно в него должны укладываться рассчитанная величина напряжения и тока.
Разберем на рассматриваемом примере, как рассчитать драйвер для светодиодов по мощности:
- Мощность – это ток, умноженный на напряжение: P = I · U = 0,3 · 9,9 = 2,97 Вт.
- Рассчитанная мощность диодов равна мощности, которая должна быть у драйвера. Но нужно добавить запас 10-20%. Тогда получится, что оптимальным будет драйвер с мощностью от 2,97 · 1,1 = 3,27 до 2,97 · 1,2 = 3,5 Вт.
СТЕПЕНЬ ЗАЩИТЫ
Существуют драйверы в закрытом и открытом исполнении. В первом случае устройство имеет корпус, который защищает от влаги и пыли. Открытый драйвер лучше встраивать непосредственно в корпус светильника, если тот обладает хорошей защитой от окружающей среды. Если же у светильника есть вентиляционные отверстия или он будет установлен в таком помещении, как гараж, лучше выбрать драйвер с собственным корпусом.
Мощность драйвера
Мощность прибора – это самая важная характеристика. Чем мощнее драйвер, тем большее число светодиодов можно подключить к нему (конечно, придется проводить простые расчеты). Обязательное условие – мощность драйвера должна быть больше, чем у всех светодиодов в сумме. Выражается это такой формулой:
Р = Р(св) х N,
где Р, Вт – мощность драйвера;
Р(св), Вт – мощность одного светодиода;
N – количество светодиодов.

Например, при сборке схемы драйвера для светодиода 10W вы можете смело подключать в качестве нагрузки LED-элементы мощностью до 10 Вт. Обязательно нужно иметь небольшой запас по мощности – примерно 25%. Поэтому, если планируется подключение светодиода 10 Вт, драйвер должен обеспечивать мощность не менее 12,5-13 Вт.
Схема питания светодиодов на основе конденсаторного делителя
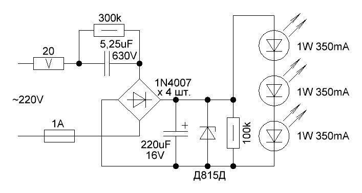
К сожалению, в конструкции дешёвых светодиодных ламп на 220В из Китая не предусмотрен ни линейный, ни импульсный стабилизатор. Мотивируясь исключительно низкой ценой готового изделия, китайская промышленность смогла максимально упростить схему питания. Называть её драйвером не корректно, так как здесь отсутствует какая-либо стабилизация. Из рисунка видно, что электрическая схема лампы рассчитана на работу от сети 220В. Переменное напряжение понижается RC-цепочкой и поступает на диодный мост. Затем выпрямленное напряжение частично сглаживается конденсатором и через токоограничивающий резистор поступает на светодиоды. Данная схема не имеет гальванической развязки, то есть все элементы постоянно находятся под высоким потенциалом.
В результате частые просадки сетевого напряжения приводит к мерцанию светодиодной лампы. И наоборот, завышенное напряжение сети вызывает необратимый процесс старения конденсатора с потерей ёмкости, а, иногда, становится причиной его разрыва. Стоит отметить, что еще одной, серьезной отрицательной стороной данной схемы является ускоренный процесс деградации светодиодов вследствие нестабильного тока питания.
Как проверить светодиод мультиметром
Один из способов проверки рабочего состояния светодиодов – тестирование мультиметром. Таким прибором можно диагностировать светодиоды любого исполнения. Перед тем как проверить светодиод тестером, переключатель прибора устанавливают в режиме «прозвонки», а щупы прикладывают к выводам. При замыкании красного щупа на анод, а черного на катод, кристалл должен излучать свет. Если поменять полярность, на дисплее прибора должна отображаться показание «1».
Схема проверки светодиода с помощью цифрового мультиметра
Тестирование LED-приборов можно произвести, не используя щупы. Для этого в отверстия, расположенные в нижнем углу прибора, анод вставляют в отверстие с символом «Е», а катод – с указателем «С». Если светодиод в рабочем состоянии – он должен засветиться. Этот метод тестирования подходит для светодиодов с достаточно длинными контактами, очищенными от припоя. Положение переключателя при таком способе проверки не имеет значения.
Как проверить светодиоды мультиметром, не выпаивая? Для этого необходимо припаять к щупам тестера кусочки от обычной скрепки. В качестве изоляции подойдет текстолитовая прокладка, которая укладывается между проводами, после чего обрабатывается изолентой. На выходе получается своеобразный переходник для подключения щупов. Скрепки хорошо пружинят и надежно фиксируются в разъемах. В таком виде можно подключить щупы к светодиодам, не выпаивая их из схемы.




































