12 издательств, которые полезно знать
1. «Эксмо». Крупнейшее издательство России. Предлагает молодым авторам сотрудничество в направлении художественной, деловой, учебной и прикладной литературы. Поэзию, детские сказки, детскую развивающую литературу издательство не рассматривает.
2. «Питер» предлагает сотрудничество авторам компьютерной, экономической, популярной, гуманитарной, медицинской, психологической, художественной литературы.
3. В «Вильямс» рассматривают рукописи в научном и профессиональном направлениях.
4. «РИПОЛ Классик». Большой плюс издательства в том, что оно рассматривает широкий спектр тем и жанров.
5. «АСТ-ПРЕСС» приглашает молодых авторов, работающих в направлениях: художественная литература, детская литература, культура и искусство, остросюжетная проза, прикладная литература, история, медицина, психология, астрология.
6. «Юрайт» выпускает учебную литературу для вузов. Приглашает авторов для издания учебных пособий.
7. «Росмэн» специализируется на детской литературе, лидер этого рынка. Новых авторов издательство набирает на конкурсе «Новая детская книга».
8. «Азбука» выпускает деловую и художественную литературу, детские книги, фэнтези, фантастику.
9. «Вече» рассматривает исторические произведения (мировая и российская история).
10. «Лабиринт» ищет новых авторов детских книг.
11. «Альпина Паблишер» ищет авторов деловых книг, а также книг по личному и профессиональному росту.
12. «Манн, Иванов и Фербер» выпускает бизнес-литературу.
Прошивка микроконтроллера
Программное обеспечение для часов из газоразрядных индикаторных ламп написано на Eclipse, без искажений транслируется в AVR Studio, коды с комментариями, что значительно упрощает процесс.
Положение выставляемых фьюзов
В результате прошивки устанавливаются определенные режимы и процесс управления ими. При кратковременном нажатии кнопки «MENU» по кругу отображаются режимы:
- режим №1 – времени (отображается постоянно);
- режим №2 – 2 мин. время, 10 сек. дата;
- режим №3 – 2 мин. время, 10 сек. температура;
- режим №4 – 2 мин. время, 10 сек. дата и 10 сек. температура;
- режим настройки времени и даты устанавливается удержанием кнопки «MENU»;
- кратковременное нажатие на кнопку «UP» (2 сек.) отображает дату, удержание этой кнопки отключает или включает подсветку;
- кратковременное нажатие «DOWN» (2 сек.) отображает температуру;
- понижение яркости почасовой программой с 00.00 часов до 7 утра.
ПРОШИВКА И НАСТРОЙКА
Загружать прошивку желательно до подключения компонентов, чтобы убедиться в том, что плата рабочая. После сборки можно прошить ещё раз, плата должна спокойно прошиться. В проектах с мощными потребителями в цепи питания платы 5V (адресная светодиодная лента, сервоприводы, моторы и проч.) необходимо подать на схему внешнее питание 5V перед подключением Arduino к компьютеру, потому что USB не обеспечит нужный ток, если например лента его потребует. Это может привести к выгоранию защитного диода на плате Arduino. Гайд по скачиванию и загрузке прошивки можно найти под спойлером на следующей строчке.
ИНСТРУКЦИЯ ПО ЗАГРУЗКЕ ПРОШИВКИ
1. Если это ваше первое знакомство с Arduino, внимательно изучите гайд для новичков и установите необходимые для загрузки прошивки программы.
2. Скачайте архив со страницы проекта. Если вы зашли с GitHub – кликните справа вверху Clone or download, затем Download ZIP. Это тот же самый архив!
3. Извлеките архив. Содержимое папки libraries перетащите в пустое место папки с библиотеками Arduino C:/Program Files (x86)/Arduino/libraries/
4. Папку с прошивкой из firmware положите по пути без русских букв . Если в папке с прошивкой несколько файлов – это вкладки, они откроются автоматически.
5. Настройте прошивку (если нужно), выберите свою плату, процессор. Подключите Arduino к компьютеру, выберите её COM порт и нажмите загрузить.
6. При возникновении ошибок или красного текста в логе обратитесь к 5-ому пункту гайда для новичков – “Разбор ошибок загрузки и компиляции“.
Схема новых часов на PIC16F628A
Питается схема от одного источника +12 В. Стабилизатор типа LM78L05 выдаёт +5 В для питания микросхем. Высокое напряжение, необходимое для питания газоразрядных индикаторов, получил от инвертора на микросхеме MC3403. Подстройка выходного напряжения производится делителем, включенным в обратную связь. Недостаток подобной схемы инвертора в отсутствии буферного ключа в цепи полевого транзистора. Общее токопотребление схемы инвертора составляет 230 мА. Неоспоримый плюс – подстройка выходного напряжения, и как следствие регулировка яркости свечения индикаторов.
Прошивка реализует мою основную потребность – подстройку константы, влияющую на ход часов без использования прецизионных кварцевых резонаторов. Приятным бонусом оказалась функция будильника.
Мой личный опыт издания книги
Когда рукопись была готова, я решила, что буду обращаться в издательство. Тема моей книги — правильное питание (ПП), она содержит список рецептов, в том числе десерты без сахара, муки и яиц. Моя книга — это взгляд на питание с точки зрения концепции ПП, в основе которой некоторые научные факты, а также конкретные рецепты. Чтобы собрать рецепты, я сотрудничала с популярными фуд-блогерами, вегетарианцами, фитнес-тренерами, а также запрашивала информацию и брала интервью у некоторых знаменитых диетологов. Я подобрала 18 подходящих издательств.
В течение полугода я получала отказы или тишину в ответ. В итоге из одного издательства я получила конструктивную критику. Здесь мне порекомендовали: рассчитать КБЖУ каждого рецепта; более информативно описать каждого эксперта; подтвердить некоторые факты из открытых источников; сократить текст, сделать его более ёмким. В течение двух месяцев я исправляла недочёты. Затем снова отправила рукопись в это издательство, как мы и договорились.
С момента отправки отредактированной рукописи прошло полгода. И снова тишина… Проверка почты стала моей привычкой. Потом были ещё пара писем с просьбой о доработках. Я делала все правки и, наконец, получила письмо с договором! Сейчас книга на этапе препресса, то есть окончательной подготовке книги к печати.
Область применения в наше время
Сейчас газоразрядные индикаторы с цифрами промышленность уже не делает, но в свое время их наштамповали столько, что до сих пор они пылятся на складах и в частных запасах. Их можно уже назвать антиквариатом, ну как, например, во многих домах есть винтажные подсвечники, которые используются как декоративный элемент интерьера. Так и часы на газоразрядных лампах – завораживают своей подсветкой и являются отличным добавлением к интерьеру различных помещений, особенно обустроенных в стиле ретро.
Вещь красивая и полезная, но заводами, увы, уже не производится. Можно сделать их самому или купить готовые у людей, специализирующихся на их производстве. Разработано немало схем часов с применением газоразрядных индикаторов на старых и новых микросхемах. Рассмотрим наиболее простые варианты.
Описание проекта
Решил я сделать максимально простой и доступный проект часов на газоразрядных индикаторах и Arduino! Односторонняя плата, выводные компоненты, никакой жести!
Платы:
- Габариты платы меньше 100х100мм, то есть заказать 10 таких плат у китайцев будет стоить $2 без учёта доставки
- Плата односторонняя, её без проблем можно сделать классическим ЛУТом!
- Все компоненты – выводные, припаяет даже новичок
- Количество компонентов сведено к минимуму!
- На данный момент в проекте есть платы под индикаторы ИН-12 и ИН-14, возможно будут сделаны и другие
- Система состоит из двух плат: нижней (вся управляющая электроника) и верхней (лампы и светодиоды подсветки)
- Нижних плат два варианта: обычная (4 оптопары, точка – светодиод) и с дополнительной оптопарой под неоновую точку (5 оптопар, точка – неонка)
- У плат ИН-14, ИН-12, ИН-12_перевертыш нижняя часть одинаковая! Части плат взаимозаменяемы. Нижняя плата отличается только у ИН-14_неон
Хардварные фишки:
- Сердце платы – полноразмерная Arduino NANO, это означает простую сборку и прошивку
- Питание всей схемы – 5 Вольт
- Генератор высокого напряжения раскачивается ШИМ каналом Arduino
- Напряжение генератора подстраивается резистором с крутилкой
- Время задаёт RTC DS3231
- 3 кнопки для настройки времени и будильника
- Пищалка для будильника
- Подсветка ламп индикаторов
Софтварные фишки:
- “Перебор” цифр, не дающий индикаторам окисляться
- Режим будильника
- Плавное изменение яркости точки и подсветки (эффект “дыхания”)
- Настройка яркости цифр, “точки” и подсветки ламп
- Разные режимы переключения индикаторов
- Плавное угасание/разгарание
- Перебор цифр
- Перебор катодов
10 советов — как издать книгу, которая вызовет фурор
Публикую советы, которые взяты из личного опыта, с сайтов крупных издательств, а также методом проб и ошибок в процессе публикации книги.
1. Если вы сформулировали идею, знаете, о чём писать книгу, идите в книжный магазин, убедитесь, что на эту тему или ещё нет книг, или мало, или ваша будет особенной.
2. Пишите на актуальные темы, хватайтесь за горячие, смотрите телевизор и читайте новости.
3. Если вы издаётесь в первый раз, убедитесь, что ваша книга полностью отредактирована. Закажите корректуру и редактуру у профессионалов.
4. Максимально вложитесь в три составляющие: обложку, переплёт и аннотацию. Первый беглый взгляд читателей цепляется сначала за эти три момента.
5. Успех книги во многом зависит от её названия. Создайте интригу в нём, чтобы произведение захотелось прочитать.
6. Составьте привлекательную аннотацию к книге. Понятная, качественная аннотация необходима, чтобы успешно продавать.
7. Начните рекламную кампанию ещё до выхода книги. Создайте блог с публикациями глав, отрывков из книги. У вас сформируется некий лояльный круг читателей, которые помогут расшарить ссылку на вашу книгу, а, возможно, и сами захотят купить её, когда она будет издана.
8. Продумайте план сбыта своей книги. Будет ли это издательство или крупные оптовые книготорговцы. Вы должны заранее рассчитать, каким тиражом вы сможете продать книгу через свои каналы.
9
При выборе издательства обязательно обратите внимание, на какой литературе оно специализируется. Только если ваша книга подходит по тематике, смело высылайте рукопись. При этом разошлите сразу нескольким издательствам и обязательно прозвоните каждое из них.
При этом разошлите сразу нескольким издательствам и обязательно прозвоните каждое из них.
10. Ещё один способ сделать себе имя — написать книгу в паре с известным автором. Суть в том, чтобы практически полностью написать книгу самому и добавить пару-тройку тезисов известного автора. Раскрученному автору выгодно, а так как книгу написали вы — вам выгодно тоже.
Бестселлеры издательства «Манн, Иванов и Фербер» — октябрь 2017
Простые часы с ретро лампами ИН-12
Часы собраны по мотивам предыдущей конструкции, но с меньшим бюджетом и на более доступном микроконтроллере PIC16F628A.Устаревшая модель, см обновление — проект История любви ИН-12.
Часы работают в 24 часовом формате.
Реализован метод борьбы с отравлением катодов ламп (или антиотравление). Перед сменой минут происходит быстрый перебор всех цифр во всех лампах.
Управление часами тремя кнопками – «увеличить», «уменьшить» и «ок» (выбор режима).
Нажатием на кнопку «ок» перебираются следующие режимы:
– настройка часов текущего времени (ЧЧ _ _);
– настройка минут текущего времени (_ _ ММ);
– настройка часов будильника (ЧЧ._ _);
– настройка минут будильника (_ _.ММ);
– настройка текущего дня недели от 1 до 7 (0 _ _ 1);
– срабатывание будильника в понедельник (1 _ _ 1);
– срабатывание будильника во вторник (2 _ _ 1);
– срабатывание будильника в среду (3 _ _ 1);
– срабатывание будильника в четверг (4 _ _ 1);
– срабатывание будильника в пятницу (5 _ _ 1);
– срабатывание будильника в субботу (6 _ _ 0);
– срабатывание будильника в воскресенье (7 _ _ 0);
– яркость свечения ламп от 0 до 20 (8 _ 05);
– почасовой сигнал с 9:00 до 21:00 (9 _ _ 1).
Изменения и замечания:
1. Добавлены новые функции в программу – см режимы выше. Теперь эксплуатация часов комфортнее, но настройка сложнее.
2. Увеличена частота ШИМ – дроссель перестал пищать; можно использовать индуктивности меньших номиналов. Решая этот вопрос, пришлось пожертвовать мелодичным сигналом будильника (теперь звуковой излучатель при срабатывании будильника просто пикает).
3. Скорректирована схема – добавлен транзистор BC558, ускоряющий закрытие силового полевого транзистора. Теперь полевой транзистор не греется (чуть тёплый при потреблении 12В * 100 мА).
4. Изменен алгоритм подавления засветки соседних разрядов. Ранее для закрытия оптопар использовался пустой такт динамической индикации. Сейчас выполняется задержка для гарантированного закрытия оптопар. Увеличена частота переключения разрядов, свечение цифр стало ярче и «пушистее» .
5. Теперь часы могут работать и от 5В – для этого в схеме вместо стабилизатора КР1158ЕН5А (7805) поставить перемычку. При этом потребуется настроить яркость на максимум (>15 ед)
Внимание — при питании 9…12В поднимать яркость больше 15 ед не рекомендуется, т.к. возникает свечение вокруг подводящих электродов цифр
6. Уменьшено потребление в режиме ожидания (при обесточке), примерно 0,47 мА (ранее было 0,52 мА)
6. Уменьшено потребление в режиме ожидания (при обесточке), примерно 0,47 мА (ранее было 0,52 мА).
7. Добавлен алгоритм восстановления времения для случаев коротких обесточек при эксплуатации без батарейки.
8. Ранее наличие напряжения контролировалось на пин 18 через делитель напряжения 1:2 (4,7 кОм + 4,7 кОм) для целей ускорения перехода в режим ожидания. Решено ограничиться одним сопротивлением 4,7 кОм (потому что их много у меня). Допустимый входящий ток на пин 18 до 20 мА (см даташит параметр Input clamp current). При питании 20В входящий ток составляет (20 Вольт / 4700 Ом) = 4,2 мА.
9. Газоразрядный индикатор тлеющего разряда является простейшим стабилизатором постоянного тока (стабилитроном). Фактически в моих экземплярах ламп напряжение стабилизации измерено на уровне 175В. Ток свечения цифр подбирается на уровне 1-2 мА. В документации на ИН-12 указан параметр напряжения источника питания. Всё это подвожу к тому, что нет необходимости стабилизировать напряжение питания ламп.
Некоторые детали могут быть заменены.
Стабилизатор напряжения КР1158ЕН5А (TO-251) = 7805 (TO-220)
Полевой транзистор STU6N62K3 (IPAK) = IRF840 (TO-220)
Индуктивность 1000 мкГн = 470 мкГн.
Конденсатор 4,7мкФ х 350В = 10 мкФ х 350В
Диод Шоттки 1N5817 = 1N5819 (нежелательно).
Много аналогов у установочных компонентов – почти любые горизонтальные держатели батареи CR2032, тактовые кнопки 6х6 мм, пьезоизлучатели диаметром до 12мм, любые доступные панели под микросхемы.
Для повышения точности хода часов кварц 32768 Гц нагружать рекомендованными емкостями. Место монтажа кварца и прилегающие линии отмыть растворителем и просушить. Корпус кварца соединить с общим минусом.
На видео какое-то непонятное мерцание, в реале всё светится равномерно.
01.07.2015 Evgeniy Korzhov
Дмитрий Алексеев
19.12.15. Юрий, Евпатория
Станислав
Проект устарел и не поддерживается.
Новая версия проекта «История любви ИН-12».
Этапы сборки часов
Для начала надо понять принцип работы индикаторных элементов ИН-14, практически это неоновые лампочки с группой катодов в виде цифр. В зависимости от подачи питания светится тот или иной катод поочередно, применяется принцип лампы накаливания с газоразрядным процессом.
Конструкция и основные параметры газоразрядного индикатора ИН-14
Ресурс работы таких индикаторов огромный, потому что нет длительной и большой нагрузки на один катод. Для полноценной подсветки необходимо напряжение не менее 100 В, поэтому начнем проектирование с источника питания.
Блок питания
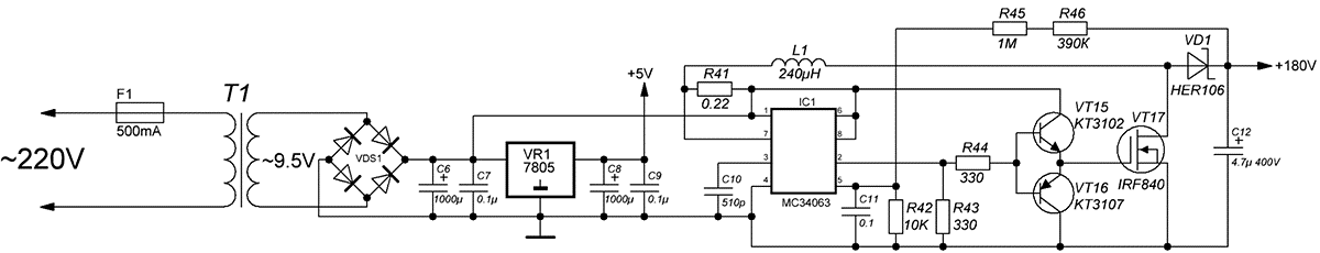
Вариант с трансформатором, на вторичной обмотке которого будет 170 или 180 В, исключаем сразу по причине больших габаритов и веса. Подбирать железо, провода и мотать самостоятельно – дело неблагодарное и утомительное. Практичнее применить преобразователь напряжения на микросхеме MC34063, имеющий малые габариты, вес и стабильные параметры.
Схема блока питания на базе преобразователя напряжения MC34063
Все элементы монтируются на печатную плату, после сборки в большинстве случаев настройки не требуется, с 10–12 В преобразователь дает 175–180 В. Как видно, трансформатор в схеме присутствует, но очень маленький и легкодоступный для быстрого самостоятельного изготовления, такой можно купить в торговых сетях. На выходе вторичной обмотки 9–12 В переменного тока приходят на диодный мост (выпрямитель). Линейный стабилизатор LM7805 предназначен для питания электронных элементов часов.
Схема для включения ламп
Эта схема решает проблему согласования управляющего напряжения на микросхеме 5 В и управляемого напряжения питания анодов. Положительный потенциал 180 В подается на анод, а отрицательный – на катоды соответствующих цифр.
Схема управления подключением анодов лампы
Включение катодов производится схемой на базе старой микросхемы К155ИД1, которая запитывается от напряжения 5 В, что в нашем случае очень удачно. Микросхемы 155-й серии сняты с производства, но не являются дефицитом, их легко можно купить в торговых сетях и на радиорынках. Чтобы не паять микросхему к каждой лампе, схема управления катодами делается по динамическому принципу.
Схема с элементами управления анодами и катодами ламп
Теперь блок питания, схему управления катодами и анодами надо подключить к процессору часов DS1307, для согласования идеально подходит микроконтроллер Mega8.
Камрад, рассмотри датагорские рекомендации
Внимание! 800 рублей для новичков на Aliexpress Регистрируйтесь по нашей ссылке. Если вы впервые на Aliexpress — получите 800.00₽ купонами на свой первый заказ.. Цифровой осциллограф DSO138
Цифровой осциллограф DSO138
Кит для сборки
Цифровой осциллограф DSO138. Кит для сборки
Функциональный генератор. Кит для сборки
Настраиваемый держатель для удобной пайки печатных плат
Алексей (teXnik)
Россия, Тула
Список всех статей
Профиль teXnik
Студент политехнического университета, увлекаюсь радиэлектроникой и модернизацией авто (подготовка для джип триала). Паять люблю. Переделал амфитоны 25 ас 27 и усилитель под них на тдашке.Собрал уазик с мотором v8.На сайт пришел для разватия своих навыков и умений
Участвуем в литературных конкурсах
Ещё один вариант бесплатного издания книги — победа в литературном конкурсе. Обычно их организовывают крупные издательства, литературные журналы, литфонды и союзы писателей. Например, «Написано пером» — конкурс на одноименном портале, «Высокие каблуки» — конкурс женской прозы, «Еврокон» — конкурс «Европейского общества научной фантастики», «Квазар» — конкурс журнала «Самиздат», литературная премия имени П. П. Бажова, литературная премия им. О. Генри, «Новая сказка о лесе» — для юных авторов 12–17 лет и так далее. Произведения оценивает жюри, состоящее из признанных писателей, критиков и представителей крупных издательств.





































