Как сделать стабилизатор напряжения на 12 вольт для светодиодов в авто на микросхеме L7812
Чтобы собрать качественный стабилизатор напряжения, можно использовать трехконтактный регулятор напряжения постоянного тока, выпускающийся в серии L7812. Это устройство запитает не только отдельные лампочки в автомобиле, но и целую ленту из светодиодов.

L7812
Компоненты:
- Микросхема L7812.
- Конденсатор 330 мкф 16 В.
- Конденсатор 100 мкф 16 В.
- Выпрямительный диод на 1 ампер. Можно использовать 1n4001 или диод Шоттки.
- Термоусадка на 3 мм.
- Соединительные проводки.
Порядок сборки:
Немножко укорачиваем одну ножку стабилизатора.
Используем припой.
К короткой ножке добавляем диод, а после и конденсаторы.
На проводки помещаем термоусадку.
Занимаемся припайки проводов.
Надеваем термоусадку, прижимаем ее при помощи строительного фена или зажигалки
Тут важно не перестараться и не расплавить термоусадку.
На вход с левой стороны подаем питание, справа будет выход на светодиодную ленту.
Проводим испытание – включаем освещение. Лента должна загореться, срок ее эксплуатации теперь увеличится.
Так делается стабилизатор напряжения 12В собственными руками.
Регулятор скорости двигателя постоянного тока с помощью 2 конденсаторов на 14 вольт.
Практичность таких двигателей доказана, они используются в механических игрушках, вентиляторах и др. У них малый ток потребления, поэтому требуется стабилизация напряжения. Часто возникает необходимость подстройки частоты вращения или изменения скорости двигателя для корректировки выполнения цели, представленной какому – либо типу электродвигателя любой модели.
Эту задачу выполнит регулятор напряжения, который совместим с любым типом блока питания.
Чтобы это осуществить, надо изменить выходное напряжение, не требующее большого тока нагрузки.
Необходимые детали:
- 2 Конденсатора
- 2 переменных резистора
Соединяем части:
- Подключаем конденсаторы к самому регулятору.
- Первый резистор подключается с минусом регулятора, второй на массу.
Теперь менять скорость двигателя у прибора по желанию пользователя.
Регулятор напряжения на 14 вольт готов.
Простой регулятор напряжения 12 вольт
Порядок сборки зарядного устройства для автомобильного аккумулятора
В зависимости от имеющихся у вас компонентов и параметров аккумулятора, сборка ЗУ будет значительно отличаться. В данном примере технология изготовления включает в себя такие этапы:
- Составьте или возьмите готовую схему зарядного устройства для кислотных аккумуляторов. В данном примере используется такой довольно простой вариант: схема зарядного устройства
- Здесь применяется трансформатор с двумя первичными и двумя вторичными обмотками, которые нужно соединить последовательно для получения нужного уровня напряжения. Трансформатор ТС — 180 — 2
Но вы должны отталкиваться от параметров вашей электрической машины. Поэтому при необходимости уберите лишние обмотки или заизолируйте их выводы (если они есть), намотайте вторичку (если существующая не дает нужный уровень напряжения в ЗУ).
перемотайте обмотки
В рассматриваемом примере для этого на первичных обмотках соединяются перемычкой выводы 1 и 1′ соедините выводы 1
а на вторичной выводы 9 и 9′.
соедините выводы 9
- К клеммам 2 и 2′ припаяйте выводы сетевого шнура. подключите сетевой шнур
- Соберите диодную сборку на текстолитовой пластине, как показано на схеме. В связи с интенсивным выделением тепла из-за больших зарядных токов, полупроводниковые приборы устанавливаются на радиатор. диодная сборка
- Подключите мост к выводам 12В, в данном примере это клеммы 10 и 10′. Основные элементы зарядного устройства собраны. подключите выводы 10 к диодному мосту
- Между выводом диодного моста и клеммами АКБ установите амперметр с пределом измерения до 15 А. подключите амперметр
- В цепь амперметра подключите токоограничивающий блок резисторов или переключатель с функцией регулировки сопротивления, они позволят изменять величину тока зарядного устройства. установите переключатель
- Между выводами для подключения АКБ установите вольтметр для контроля величины напряжения с пределом измерений в 15 или 20 В. подключите вольтметр
Для защиты зарядного устройства, как со стороны сети, так и со стороны свинцовой батареи нужно установить два предохранителя. В рассматриваемом примере с высокой стороны зарядного устройства применяется предохранитель на 0,5А, а в цепи зарядки свинцового аккумулятора 10А.
При наличии регулятора тока зарядного устройства, начинать зарядку следует с минимального значения на амперметре и плавно повышать его до требуемой величины. При накоплении в аккумуляторе достаточного количества заряда, амперметр будет показывать около 1А, после чего можете смело отключать зарядное от сети и использовать аккумулятор по назначению.
зависимость величин от времени заряда
Включение переменных резисторов в электрическую цепь.
В электрических схемах переменные резисторы могут применяться в качестве реостата (регулируемого резистора) или в качестве потенциометра (делителя напряжения). Если в электрической цепи необходимо регулировать ток, то резистор включают реостатом, если напряжение, то включают потенциометром.
При включении резистора реостатом
задействуют средний и один крайний вывод. Однако такое включение не всегда предпочтительно, так как в процессе регулирования возможна случайная потеря средним выводом контакта с резистивным элементом, что повлечет за собой нежелательный разрыв электрической цепи и, как следствие, возможный выход из строя детали или электронного устройства в целом.

Чтобы исключить случайный разрыв цепи свободный вывод резистивного элемента соединяют с подвижным контактом, чтобы при нарушении контакта электрическая цепь всегда оставалась замкнута.

На практике включение реостатом применяют тогда, когда хотят переменный резистор использовать в качестве добавочного или токоограничивающего сопротивления.
При включении резистора потенциометром
задействуются все три вывода, что позволяет его использовать делителем напряжения. Возьмем, к примеру, переменный резистор R1 с таким номинальным сопротивлением, которое будет гасить практически все напряжение источника питания, приходящее на лампу HL1. Когда ручка резистора выкручена в крайнее верхнее по схеме положение, то сопротивление резистора между верхним и средним выводами минимально и все напряжение источника питания поступает на лампу, и она светится полным накалом.

По мере перемещения ручки резистора вниз сопротивление между верхним и средним выводом будет увеличиваться, а напряжение на лампе постепенно уменьшаться, отчего она станет светить не в полный накал. А когда сопротивление резистора достигнет максимального значения, напряжение на лампе упадет практически до нуля, и она погаснет. Именно по такому принципу происходит регулирование громкости в звуковоспроизводящей аппаратуре.
Эту же схему делителя напряжения можно изобразить немного по-другому, где переменный резистор заменяется двумя постоянными R1 и R2.

Ну вот, в принципе и все, что хотел сказать о резисторах переменного сопротивления. В заключительной части рассмотрим особый тип резисторов, сопротивление которых изменяется под воздействием внешних электрических и неэлектрических факторов — нелинейные резисторы. Удачи!
Литература: В. А. Волгов — «Детали и узлы радиоэлектронной аппаратуры», 1977 г. В. В. Фролов — «Язык радиосхем», 1988 г. М. А. Згут — «Условные обозначения и радиосхемы», 1964 г.
Регулятор электрического напряжения нужен для того, чтобы величина напряжения могла стабилизироваться. Он обеспечивает надежность работы и долговечность работы прибора.
Регулятор состоит из нескольких механизмов.
- Как нужно подключать провода?
a) 1 и 2 клемма – питание, 3 и 4 – нагрузка
b) 1 и 3 клемма – нагрузка, 2 и 4 — питание
- Нужно ли устанавливать радиатор?
Ответы:
Вариант 1. Сопротивление резистора 10 кОм – это стандарт для установки регулятора, провода в схеме подключаются по принципу: 1 и 2 клемма для питания, 3 и 4 для нагрузки – ток распределится правильно по нужным полюсам, радиатор устанавливать нужно – чтобы защитить от перегрева, транзистор использован КТ 815 – такой всегда подойдет. В таком варианте построенная схема сработает, регулятор станет работать.
Читать также: Устройство и принцип действия циклона
Вариант 2. Сопротивление 500 кОм – слишком высокое, будет нарушена плавность звука в работе, а может не сработать вообще, 1 и 3 клемма это нагрузка, 2 и 4 питание, радиатор нужен , в схеме, где стоял минус будет плюс, транзистор любой – действительно можно использовать какой угодно.Регулятор не заработает из-за того, что схема собрана, будет неправильно.
Вариант 3. Сопротивление 10кОм, провода – 1 и 2 для нагрузки, 3 и 4 для питания, резистор имеет сопротивление 2кОм, транзистор КТ 815. Прибор не сможет заработать, так как он сильно перегреется без радиатора.
Какими бывают 12-вольтовые стабилизаторы

Любой стабилизатор напряжения на 12 вольт можно классифицировать по одной из модификаций, как импульсный или линейный. То есть, выход у них будет одинаковым, но способ поддержки и конструкции – разными.
Импульсные стабилизаторы
Любые импульсные стабилизаторы состоят из одинаковых запчастей: интегратора и ключа, то есть, это электролит большей емкости и транзистор соответственно. Напряжение в заданном интервале поддерживается следующим образом: происходит цикл быстрого накопления, и отдачи энергии интегратором пока ключ находится в открытом состоянии. Данные стабилизаторы различают по конструктивным особенностям ключей, где они могут быть широтно-импульсные, частотно-импульсными и с триггером Шмитта.
Линейные стабилизаторы

Суть принципа работы линейного стабилизатора заключается в последовательном подключении микросхем или стабилитронов – именно такая схема позволяет регулировать напряжение. Но у таких устройств есть основной недостаток – низкий КПД и для увеличения эффективности приходится усложнять схему. Тем не менее, благодаря дешевизне и простоте сборки, линейные стабилизаторы пользуются большой популярностью у автолюбителей. Кроме того, по сравнению с импульсными моделями, они значительно реже выходят из строя.
Классика жанра
К классическим стабилитронам можно отнести ряд устройств, которые собираются на основе полупроводниковых деталей, например, биполярные транзисторы и стабилитроны. Основная функция по выводу 12 вольт лежит на тех же стабилитронах, как разновидности диодов, которые подключаются в обратной полярности, то есть, на катод идет положительный заряд, а на анод – отрицательный.

Примечательно, что в тех случаях, когда на входе в стабилизатор меньше 12 вольт, ключ остается закрытым и устройство не участвует в цепи питания, то есть, никак не влияет на характеристики напряжения. А вот при превышении 12 вольт ключ срабатывает и поддерживает нужный 12-вольтовый режим. В принципе, используя эту схему, можно собрать стабилизатор напряжения 12 вольт без особых проблем.
Простые схемы
Для управления величиной выходного напряжения для слабо мощных устройств можно собрать простой регулятор напряжения на 2 деталях. Понадобится лишь транзистор и переменный резистор. Работа схемы проста: с помощью переменного резистора происходит индуцирование (отпирание транзистора).
При изменении сопротивления регулируется величина напряжения на выходе. В зависимости от типа транзистора изменяется и схема включения. Чем номинал переменного резистора будет меньше, тем регулировка будет плавней. Недостатком схемы является чрезмерный нагрев транзистора, поэтому чем больше будет разница между Uвх и Uвых, тем он будет сильнее нагреваться.
Симисторный вид
Для регулировки переменного напряжения используются симисторные регуляторы, с помощью которых можно управлять мощностью паяльника или лампочки. Собрав схему на недорогом и доступном симисторе BT136, можно изменять мощность нагрузки в пределах 100 ватт.
Для сборки схемы понадобится:
| Наименование | Номинал | Аналог |
| Резистор R1 | 470 кОм | |
| Резистор R2 | 10 кОм | |
| Конденсатор С1 | 0,1 мкФ х. 400 В | |
| Диод D1 | 1N4007 | 1SR35–1000A |
| Светодиод D2 | BL-B2134G | BL-B4541Q |
| Динистор DN1 | DB3 | HT-32 |
| Симистор DN2 | BT136 | КУ 208 |
Несмотря на простоту, такая схема отлично справляется с регулировкой вольтажа нагревательных устройств, использующих вольфрамовую нить. Но так как такая схема не имеет обратной связи, использовать её для управления оборотами коллекторного электродвигателя нельзя.
Реле напряжения
Для автолюбителей важным элементом является устройство, поддерживающее напряжение бортовой сети в установленных пределах при изменении различных факторов, например, оборотов генератора, включении или выключении фар. Использующиеся для этого приборы работают по одинаковому принципу – стабилизация напряжения путём изменения тока возбуждения. Иными словами, если уровень сигнала на входе изменяется, то устройство уменьшает или увеличивает ток возбуждения.
Собранная схема своими руками реле-регулятора напряжения должна:
- работать в широком диапазоне температур;
- выдерживать скачки напряжения;
- иметь возможность отключения во время запуска мотора;
- обладать малым падением разности потенциалов.
Упрощённо принцип работы можно описать в следующем виде: при величине напряжения, превышающей установленное значение, ротор отключается, а при её нормализации запускается вновь. Основным элементом схемы является ШИМ стабилизатор LM 2576 ADJ.
Микросхема TC4420EPA предназначена для моментального переключения транзистора. С помощью резистора R3, конденсатора C1 и стабилитронов VD1, VD2 осуществляется защита микросхемы и полевого транзистора. Резисторы R1 и R2 задают опорное напряжение для стабилизатора. DD1 управляет работой полевого транзистора и ротора. Диод D2 используется для ограничения управляющего напряжения. Индуктивность L1 обеспечивает плавность разрядки ротора через диоды D4 и D5 при размыкании цепи.
Управляемый блок питания
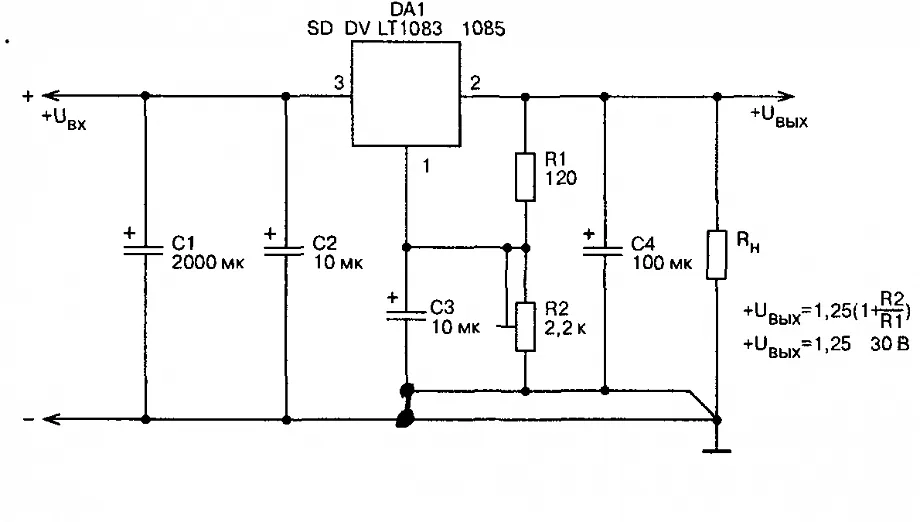
Конструируя различные схемы, радиолюбители часто собирают источники напряжений. Спаяв регулятор постоянного напряжения своими руками, его можно будет использовать как управляемый блок питания в диапазоне от 0 до 12В.
Собираемый источник напряжения состоит из 2 частей: блока питания и параметрического регулятора напряжения. Первая часть изготавливается по классической схеме: понижающий трансформатор — выпрямительный блок. Типом используемого трансформатора, выпрямительных диодов и транзистора определяется мощность устройства. Переменное напряжение сети понижается в трансформаторе до 11 вольт, после чего попадает на диодный мост VD1, где становится постоянным. Конденсатор C1 используется как сглаживающий фильтр. Сигнал поступает на параметрический стабилизатор, состоящий из резистора R1 и стабилитрона VD2.
Параллельно стабилитрону подключён резистор R2, которым и изменяется уровень выходного напряжения. Транзисторы включены по упрощённой схеме эмиттерного повторителя, и при появлении на их переходах напряжения начинают работать в режиме усиления тока. То есть сигнал, снятый с R2, поступает на выход прибора через транзисторы, которые снижают его значение на величину своего насыщения. Таким образом, чем больше подаётся на них напряжение, тем сильнее они открываются и больше мощности поступает на выход.
Этот регулируемый блок питания может работать с нагрузкой до трёх ампер, то есть обеспечивать мощность до 30 ватт. Если есть опыт, то схема паяется навесным монтажом с использованием проводов любого сечения.
Источник
ТОП-3 паяльников для плат
Чтобы упростить себя работу по спайке стабилизатора, желательно купить качественный паяльник
В магазинах имеются агрегаты хороших и проверенных производителей, на которые следует обратить внимание:
- Ersa – немецкая компания. Товар очень хороший и надежный, но дорогой, а потому для дома не каждый может себе позволить.
- Китайская фирма Quick. Качество на высоте, и цена приемлемая.
- Luckey. Самый бюджетный вариант. Оставлять аппарат включенным без присмотра нельзя – возможно возгорание.
Паяльника на 10 Вт хватит, чтобы сделать простую микроплату. При покупке изучите ручку – она не должна быстро греться. Древесины – идеальный вариант. Пластик быстро станет горячим, эбонит тяжелый, а потому работать с мелкими деталями – трудно.
Жало желательно выбирать из меди – легко очищать от нагара после работы. Жала бывают разной формы и продаются наборами. Новичку это не пригодится, а вот опытным людям будет удобно использовать насадки разной конфигурации.
Стабилизаторы напряжения для авто
Классическая тиристорная схема регулятора
Классическая тиристорная схема регулятора мощности паяльника не соответствовала одному из главных моих требований, отсутствию излучающих помех в питающую сеть и эфир. А для радиолюбителя такие помехи делают невозможным полноценно заниматься любимым делом. Если схему дополнить фильтром, то конструкция получится громоздкой. Но для многих случаев использования такая схема тиристорного регулятора может с успехом применяться, например, для регулировки яркости свечения ламп накаливания и нагревательных приборов мощностью 20-60вт. Поэтому я и решил представить эту схему.

Для того, чтобы понять, как работает схема, остановлюсь подробнее на принципе работы тиристора. Тиристор, это полупроводниковый прибор, который либо открыт, либо закрыт. чтобы его открыть, нужно на управляющий электрод подать положительное напряжение 2-5 В в зависимости от типа тиристора, относительно катода (на схеме обозначен k). После того, как тиристор открылся (сопротивление между анодом и катодом станет равно 0), закрыть его через управляющий электрод не возможно. Тиристор будет открыт до тех пор, пока напряжение между его анодом и катодом (на схеме обозначены a и k) не станет близким к нулевому значению. Вот так все просто.
Работает схема классического регулятора следующим образом. Сетевое напряжение переменного тока подается через нагрузку (лампочку накаливания или обмотку паяльника), на мостовую схему выпрямителя, выполненную на диодах VD1-VD4. Диодный мост преобразует переменное напряжение в постоянное, изменяющееся по синусоидальному закону (диаграмма 1). При нахождении среднего вывода резистора R1 в крайнем левом положении, его сопротивление равно 0 и когда напряжение в сети начинает увеличиваться, конденсатор С1 начинает заряжаться. Когда С1 зарядится до напряжения 2-5 В, через R2 ток пойдет на управляющий электрод VS1. Тиристор откроется, закоротит диодный мост и через нагрузку пойдет максимальный ток (верхняя диаграмма).
При повороте ручки переменного резистора R1, его сопротивление увеличится, ток заряда конденсатора С1 уменьшится и надо будет больше времени, чтобы напряжение на нем достигло 2-5 В, по этому тиристор уже откроется не сразу, а спустя некоторое время. Чем больше будет величина R1, тем больше будет время заряда С1, тиристор будет открываться позднее и получаемая мощность нагрузкой будет пропорционально меньше. Таким образом, вращением ручки переменного резистора, осуществляется управление температурой нагрева паяльника или яркостью свечения лампочки накаливания.

Выше приведена классическая схема тиристорного регулятора выполненная на тиристоре КУ202Н. Так как для управления этим тиристором нужен больший ток (по паспорту 100 мА, реальный около 20 мА), то уменьшены номиналы резисторов R1 и R2, а R3 исключен, а величина электролитического конденсатора увеличена. При повторении схемы может возникнуть необходимость увеличения номинала конденсатора С1 до 20 мкФ.
Что еще может быть?
Зачастую при виновником проблем с зарядом может быть не сам регулятор, а его клеммы, от времени, они как и многие на автомобиле окисляются – что не дает нормально работать генератору и подзаряжать нашу батарею, поэтому для начала прежде чем менять этот узел постарайтесь его прочистить, убрать окислы и прочие налеты. Кстати это касается и клемм аккумулятора, их нужно чистить и защищать, хотя бы раз в сезон.

Поэтому первым делом, если мультиметр выдает вам — 11 или чуть ниже 12В на клеммах машины, попробуйте для начала прочистить клеммы и контакты, затем замерьте еще раз. Вполне возможно что причина в них.
НА этом заканчиваю статью, думаю было полезно, читайте наш АВТОБЛОГ.
(19 голосов, средний: 4,32 из 5)
Похожие новости
Зазор на свечах зажигания. Какой должен быть и на что он влияет
Ремонт тормозного суппорта своими руками. Плюс подробное видео
Есть ли сцепление на «автомате»? Разбираем техническую составляю.
Регулятор напряжения — это электронный прибор, устанавливаемый на автомобильных генераторах для стабилизации входного напряжения на аккумулятор. Оно должно быть в пределах 13,2 — 14,5 вольт. Отклонения как в большую, так и меньшую сторону недопустимы. Это уже будет являться неисправностью генератора. В большинстве случаев виновником неисправности бывает именно регулятор напряжения. Этот прибор хотя и имеет небольшие размеры, но именно он оберегает аккумулятор от преждевременного выхода из строя.
Виды источников питания на 12 В
Светодиод любого типа должен подключаться к источнику питания (ИП) со стабилизированным током на выходе. Однако производители светодиодных светильников часто экономят на качестве и устанавливают в них недорогие блоки питания с отсутствие стабилизации.
Наиболее распространены бестрансформаторные блоки питания (БП) на 12 В с гасящим конденсатором и токозадающим резистором на выходе. В таких схемах отсутствует какая-либо стабилизация и защита. В результате скачки сетевого напряжения ничем не нивелируются и негативно отражаются на работе светильника. Тем не менее, схема настолько дешевая, что часто встречается в светодиодных лампах и прочих устройствах.
При подключении маломощных светодиодов от аккумулятора с напряжением питания 12 В можно ограничиться резистором, правильно подобранным по сопротивлению и мощности. Исключение составляет бортовая сеть автомобиля, в которой напряжение может колебаться в широких пределах. Так что при конструировании светодиодной схемы, например для автомобиля, без стабилизатора тока (драйвера) не обойтись.
В самом простом случае драйвер можно сконструировать своими руками на линейной ИМС LM317T, стоимость которой составляет около 0,2$. В этом случае для получения стабильного напряжения на 12 В достаточно минимального набора элементов в обвязке. При суммарном токе через светодиоды до 300 мА она отлично работает без дополнительного охлаждения. Типовая схема включения LM317T в качестве стабилизатора тока приведена ниже.
Существуют также нестабилизированные блоки питания, в которых последовательно включены: понижающий трансформатор, выпрямитель и емкостной фильтр (конденсатор). Их использование оправдано лишь в жилых районах со стабильным напряжением сети, так как любое проявление скачков и импульсных помех будет отрицательно влиять на работу светодиодов.
Для светодиодов гораздо надёжнее импульсные источники питания на 12 В. Они гарантируют высокий КПД, стабильный выходной ток и напряжение при перепадах сети питания.
Разновидностью импульсного ИП на 12 В можно считать компьютерный блок питания. В старых моделях на 250 Вт нагрузочная способность по выходу +12 В составляет 10 А, что более чем достаточно для включения нескольких мощных светодиодов даже с падением напряжения 12 вольт. Если габариты и шум вентилятора – не помеха, то бывшему в употреблении блоку питания от компьютера можно подарить вторую жизнь.
Если же форм-фактор и эстетические показатели имеют значения, то для светодиода или светодиодной сборки лучше купить готовый БП на 12 В. Его стоимость сильно зависит от мощности и варианта исполнения (в корпусе или без него).
Для тех, кто плохо разбирается в электричестве, напомним, что существуют источники переменного напряжения на 12 В. Внутри такого блока расположен понижающий трансформатор с предохранителем, а на корпусе присутствует надпись: «Output AC 12 V», что означает: «выходное переменное напряжение 12 В». К нему запрещается напрямую подключать светодиоды. Чтобы использовать его в светодиодном освещении, нужно как минимум, дополнить схему диодным мостом, конденсатором и стабилизатором тока на LM317T.
Ремонт реле-регулятора японского мотоцикла.
На многих японских мотоциклах стоят тиристорные реле-регуляторы и они иногда выходят из строя. Цена нового реле- регулятора, по сравнению с ценами на отечественные детали, многих может неприятно удивить. К тому же попытка установить реле от автомобиля не всегда заканчивается успехом. Но ничего сложного в схеме мотоциклетных реле-регуляторов нет и их можно отремонтировать своими силами. В этой статье будет показан ремонт реле мотоцикла фирмы Кавасаки, но по такому принципу можно отремонтировать и реле других японцев, так как принцип работы у всех почти одинаковый.
Выход из строя реле обнаруживается просто: при проверке проводка цела и генератор тоже (о генераторе и его неисправностях можно почитать здесь, а о глюках в проводке вот тут), а аккумулятор не заряжается. Реле регулятор японского мотоцикла многие считают не ремонтопригодным, но его можно вернуть к жизни.
Как правило, выходят из строя силовые тиристоры VS1-VS3. Неисправную деталь можно вычислить при помощи тестера. Для этого нужно по очереди «прозвонить» контакты А1-А3 относительно общего вывода на разъёме реле. При этом нужно подавать «-» тестера на общий вывод. Иногда пробивает какой-то один тиристор, но чаще приходится менять все. Аккуратно, чтобы не повредить расположенные под ним детали, удалите слой герметика, найдите выводы, показанные на рисунке общего вида (будьте внимательны: расположение деталей может быть и другим).
Затем нужно перекусить проволочные перемычки a. b. c. d. f (если меняете только один тиристор, то отсоединяйте, естественно, только его), после чего удаляйте неисправные детали . В качестве замены можно использовать следующие отечественные полупроводниковые приборы. При мощности генератора до 300Вт можно применить Т112-16-20. Если мощность не превышает 140Вт, подойдут и не столь мощные, но более распространённые КУ-202 ( лучше те, что с индексом «Н»). Возможны и другие варианты, но придётся уточнить расположение выводов и характеристики приборов.
Устанавливать их можно как в корпусе реле-регулятора, так и на отдельном радиаторе, но в том и другом случаях только через слюдяные прокладки. После монтажа тестером проверьте качество изоляции. Если детали исправны, наладка не потребуется. После сборки обязательно залейте полость прибора герметиком или эпоксидкой!
Этот способ ремонта подтверждён двухлетней эксплуатацией мотоциклов фирмы Kawasaki.
Плата схемы управления регулятора мощности.
Если у Вас нет опыта, то монтаж лучше сделать на плотном картоне. Заодно поймете, как элементы собираются в схему, да и для такой схемки тратить текстолит и хлорное железо расточительно. Тем более, практически все радиолюбители начинали именно с картона или фанеры. Я сам свой первый транзисторный приемник собрал на картоне.
Здесь все очень просто. В картоне прокалываете отверстия, и в них вставляете радиодетали. С обратной стороны картона загните выводы, и спаяйте их между собой, собирая схему. Кусок картона возьмите с запасом. Лишнее потом отрежете.
Вот такая плата схемы управления у меня получилась.
P.S. Я немного разучился собирать схемы на картоне, получилось не совсем красиво, но это лучше, чем навесной монтаж.




































