Положение переключателя
Указание стрелки (в некоторых моделях – красная или белая точка) на ручке переключателя строго вверх говорит о том, что устройство находится в выключенном состоянии. В остальных ситуациях она показывает на тот режим, который был выбран в зависимости от требуемых показателей. Если указатель плохо заметен (это бывает в случаях, когда он выполнен в виде усеченного конуса), его можно отметить краской, что значительно облегчит работу.
Таким образом, устройство имеет разные режимы снятия показаний в зависимости от положения ручки, а именно:
- Конус или точка направлена строго вверх – устройство выключено;
- Отметка показывает в верхний правый угол, отмеченный буквой V с волнистой чертой (в некоторых моделях – ACV) – измерения проводятся в режиме переменного напряжения;
- Ручка переключателя находится в правом диапазоне, отмеченном буквой А с волнистой или прямой чертой – режим замера переменного или постоянного тока;
- Ручка переключателя находится в левом диапазоне, отмеченном буквой V или DCV (всегда слева во всех моделях) – снятие показателей напряжения;
- Ручка переключателя находится на отметке Ω – промер сопротивлений;
- В некоторых моделях, в частности, представленной на фотографии dt838, также существует возможность нахождения температуры (необходимо используемые щупы заменить на термопару), коэффициента усиления транзистора и определения полярности диодов.
Как измерять: подробная инструкция
Индустрия электротехнических приборов выпускает модели тестеров с различными интерфейсами. Изготовители описывают, как пользоваться мультиметром в подробной инструкции. Но зачастую, особенно в комплектации дешевых товаров, инструкция отсутствует или напечатана на английском языке. Несмотря на некоторые отличия, проведение измерений в разных устройствах производится по общим принципам.
Сила тока
Для того, чтобы измерить силу тока в цепи, нужно встроить прибор в цепь, то есть последовательно.

Мультиметр встраивается в разрыв цепи
Оптимально, если возможно подключить провода к разборным разъемам. В противном случае потребуется изготовить какое-либо приспособление. Удобно использовать обычный электрический провод с вилкой на одном конце и двойной розеткой на другом.
Важно правильно разнести провода: фазу на контакт одной розетки, 0 — другой, а между оставшимися контактами установить перемычку. Для определения силы тока к первой розетке подключают нагрузку, ко второй — тестер. Цепь замыкается, и на экране мультиметра появляется искомое значение
Цепь замыкается, и на экране мультиметра появляется искомое значение.

Приспособление для замеров силы тока
Измерение тока небезопасно как для замерщика, так и прибора. При перегрузке устройство может сгореть.
Чтобы минимизировать возможный риск, нужно соблюдать определенные правила:
- Начинать с максимального диапазона. Даже при низком напряжении сила тока может быть очень большой.
- Если показания прибора меньше нижней границы ( 200 или 500 мА в различных моделях), переустановить красный провод в соответствующее гнездо и снять точные измерения уже в более узком диапазоне.
- Ограничивать длительность замеров и паузы между ними. Если не соблюдать временной режим, мультиметр перегреется и выйдет из строя.

Подключение красного щупа при токе свыше 200 мА
Прозвон
Чтобы определить целостность цепи и предохранителей, производится прозвонка проводов:
- Первый шаг — установить переключатель в режим измерения сопротивления на минимальный диапазон.
- Второй — подключить щупы к прибору и концам участка провода или шнура.
Если участок целый, раздастся звуковой сигнал. На экране появится значение сопротивления, близкое к 0.

Прозвонка провода
Когда звука нет, а цифры «скачут» — напряжение отсутствует, а цепь разомкнута.
Прозвонка напряжения и заземления источника тока
Установить регулятор в позицию измерения переменного напряжения. Нулевую и фазную клемму вставить в гнезда розетки. На дисплее должны появиться эталонные 220 В, возможно с небольшим отклонением.

Прозвонка розетки
Затем оставить один контакт в гнезде розетки, а второй присоединить к заземлению розетки.
Если между фазой и землей есть потенциал, то все в порядке — заземление работает.
Емкость конденсатора
Перед замерами конденсатор необходимо разрядить, чтобы не повредить мультиметр. Для этого замкнуть выводы отверткой с изолированной ручкой между собой.
Порядок измерения емкости:
- Установить переключателем режим Fcx.
- В специальное гнездо вставить выводы конденсатора или приложить в ним наконечники щупов.
- Снять значение прибора, указанное в Фарадах.

Определение емкости
Если в конденсаторе обрыв, сопротивление будет бесконечным. При пробое оно меньше номинального кратно величине пробоя.
Температура
Если мультиметр поддерживает функцию измерения высоких температур, изготовители комплектуют прибор термопарой. Она представляет собой цепь из разнородных проводников, между контактами которых при разнице температур возникает электрический потенциал.
Как определить величину дистанционно:
- Установить переключатель на режим измерения температуры (обозначение шкалы TEMP °С).
- Подключить термопару, соблюдая полярность, к входу мультиметра.
- Конец термопары максимально приблизить к нагретому объекту.
Экран покажет температуру среды в градусах Цельсия или по Фаренгейту в зависимости от выбранных единиц.

Измерение температуры нагретого предмета с помощью термопары
Если полярность не соблюдена, температура будет падать.
Интерпретация показаний мультиметра
Мультиметр – это универсальный прибор, предназначенный для измерения различных параметров электрических цепей. Он способен измерять напряжение, силу тока, сопротивление, ёмкость, частоту и другие величины. Правильная интерпретация показаний мультиметра может помочь диагностировать проблему в электрической цепи.
Один из основных параметров, которые можно измерить с помощью мультиметра, – напряжение. Нормальное значение напряжения, которое подается в домашней электрической сети, составляет 220 Вольт. Если мультиметр показывает более высокое или более низкое значение напряжения, необходимо проверить цепь и её элементы на наличие дефектов.
Еще одним параметром, который можно измерить с помощью мультиметра, является сила тока. Это значение показывает, сколько электрического тока протекает в цепи. Нормальное значение тока, которое используется в домашней электрической сети, – 10 Амперов. Если значение силы тока оказывается ниже или выше тех значений, которые ожидались, нужно проверить, не имеются ли проблемы с проводами, разъемами и контактами.
Еще одним параметром, который можно измерить с помощью мультиметра, является сопротивление. С помощью этого параметра можно определить, насколько эффективно цепь передает электрический ток. Нормальное значение сопротивления приблизительно равно 0 Ом. Если значение сопротивления выше этого порога, возможно, цепь имеет дефект или неправильно подключена.
Важно: перед использованием мультиметра необходимо проверить его работоспособность и правильность подключений
Важно: при работе с электрическими цепями необходимо соблюдать меры предосторожности и правила безопасности
Методики измерений
Для выполнения рабочих операций переключатель переводится в нужное положение. Черный провод щупа подключают к общему гнезду («Com»). Красный – устанавливают с учетом максимальной силы тока.

Органы управления
Сначала можно рассмотреть, как измерить напряжение мультиметром в розетке. Эта операция выполняется по следующему алгоритму:
- Провода подсоединяют так, как указано на рисунке выше.
- Переключатель переводят из «Off»в режим измерения переменного напряжения«V~». В данном случае используют диапазон «750», так как предполагаемое значение – 220 Вольт.
- Прибор устанавливают поблизости от розетки
- Щупы вставляют в нее, держась руками за изолированные части щупов.

Демонтировать аккумулятор для измерений не обязательно. Но надо не забыть перевести регулятор в положение «Постоянное напряжение»
Как проверить мультиметром сопротивление
Такую процедуру выполняют со снятием напряжения в месте измерения. Невыполнение правила ухудшит точность данных, либо выведет технику из строя. Это же не следует делать, чтобы предотвратить потенциально опасные для человека ситуации. Если не известно, вначале устанавливают максимальное значение. Далее переключателем снижают диапазон вплоть до выбора оптимального варианта.

Для удобства работы применяют специальные зажимы («крокодилы»)

Если знать, как мультиметром замерить сопротивление, можно выяснить исправность нагревательного элемента чайника, другой бытовой техники
Статья по теме:
Как измерить силу тока мультиметром
Для этой операции необходимо создать разрыв цепи. К нему подключают прибор с учетом предполагаемой величины тока. Как и в предыдущем случае, выбирается диапазон с максимальным значением. Если необходимо, регулятор переводят постепенно в нужную позицию.

Для определения силы тока прибор устанавливают в электрическую цепь последовательно
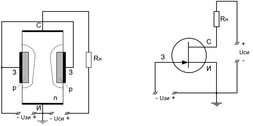
Как проверить мультиметром полевой транзистор
Диагностика этих электронных приборов помогает выяснить исправность полупроводниковых переходов. В стандартном варианте применения ток течет по направлению от истока (И/ S) к стоку (С/ D). Этот процесс регулируется изменением электрического потенциала на затворе (З/ G).

Полевой n-канальный транзистор
Проверку выполняют по следующему алгоритму:
- Регулятор мультиметра переводится в режим работы с диодами.
- «Минусовой» черный щуп присоединяют к истоку (И/ S), красный – к стоковому (С/ D) контактному выводу. В нормальном состоянии на дисплее отобразится 0,6 V (допустимое отклонение в пределах ±0,1V).
- Далее щупы меняют местами. В этом положении на экране появляется горизонтальная восьмерка (знак «бесконечность»). Вместо нее в некоторых приборах выводится единица.
- Чтобы открыть p-n-p переход щуп «минус» присоединяют к истоку, «плюс» – к затвору (З/ G).
- Далее «плюс» перемещают на сток. В этом положении должно индицироваться напряжение в диапазоне0 – 0,8V.
- Результат измерений на исправном транзисторе не изменяется, если сменить полярность.
Проверка конденсаторов мультиметром
Приборы, установленные в печатных платах, предварительно осматривают. При обнаружении вытекшего электролита, трещин и вздутий на корпусе, проверка не нужна. Изделие меняют на новое.
Измерение выполняют с извлечением конденсатора из электрической схемы, чтобы обеспечить хорошую точность. После демонтажа любым проводником с изолированной рукояткой (отверткой) разряжают прибор, замкнув выводы. Также используют лампу накаливания, чтобы процесс был плавным.
Далее мультиметром проверяют отсутствие короткого замыкания. Для проверки зарядки устанавливают регулятор в режим измерения сопротивления и подсоединяют щупы. Показания на табло будут постепенно расти, пока не достигнут максимума.

В некоторых моделях мультиметров есть специальные контактные площадки и регулировки диапазонов для измерения емкости конденсаторов
Диагностика простых повреждений
Если досконально выяснить, как прозвонить транзистор мультиметром, то применять иные методики будет не трудно. Но в действительности, чаще всего требуется определять разрывы в электрических цепях. Для упрощения этих операций многие мультиметры оснащают специальной функцией. Она активизируется при переводе регулятора в положение «прозвонка». О наличии контакта сообщает сигнализация.

Синей линией выделено включение прибора в режим проверки со звуковым сопровождением
Подготовка Омметра для измерений
Ремонт электропроводки, электротехнических и радиотехнических изделий заключается в проверке целостности проводов и в поиске нарушения контакта в их соединениях.
В одних случаях сопротивление должно быть равно бесконечности, например сопротивление изоляции. А в других – равно нулю, например сопротивление проводов и их соединений. А в некоторых случаях равно определенной величине, например сопротивление нити накала лампочки или нагревательного элемента.
Внимание! Измерять сопротивление цепей, во избежание выхода из строя Омметра, допускается выполнять только при полном их обесточивании. Необходимо вынуть вилку из розетки или вынуть батарейки из отсека. Если в схеме есть электролитические конденсаторы большей емкости, то их необходимо разрядить, замкнув выводы конденсатора через сопротивление номиналом около 100 кОм на несколько секунд
Если в схеме есть электролитические конденсаторы большей емкости, то их необходимо разрядить, замкнув выводы конденсатора через сопротивление номиналом около 100 кОм на несколько секунд.
Как и при измерениях напряжения, перед измерением сопротивления, необходимо подготовить прибор. Для этого нужно установить переключатель прибора в положение, соответствующее минимальному измерению величины сопротивления.

Перед измерениями следует проверить работоспособность прибора, так как могут быть плохими элементы питания и Омметр может не работать. Для этого нужно соединить между собой концы щупов.
У тестера стрелка при этом должна установится точно на нулевую отметку, если не установилась, то можно покрутить ручку «Уст. 0». Если не получится, надо заменить батарейки.
Для прозвонки электрических цепей, например, при проверке электрической лампочки накаливания, можно пользоваться прибором, у которого сели батарейки и стрелка не устанавливается на 0, но хоть немного реагирует при соединении щупов. Судить о целостности цепи будет возможно по факту отклонения стрелки. Цифровые приборы должны тоже показывать нулевые показания, возможно отклонение в десятых долях омов, за счет сопротивления щупов и переходного сопротивления в контактах подключения их к клеммам прибора.
При разомкнутых концах щупов, стрелка тестера должна установится в точку, обозначенную на шкале ∞, а в цифровых приборах, мигать перегрузка или высвечиваться цифра 1 на индикаторе с левой стороны.
Омметр готов к работе. Если прикоснуться концами щупов к проводнику, то в случае его целостности, прибор покажет нулевое сопротивление, в противном случае, показания не изменятся.

В дорогих моделях мультиметров есть функция прозвонки цепей со звуковой индикацией, обозначенная в секторе измерения сопротивлений символом диода. Она очень удобна при прозвонке низкоомных цепей, например проводов кабеля витых пар для Интернета или бытовой электропроводки. Если провод цел, то прозвонка сопровождается звуковым сигналом, что освобождает от необходимости считывать показания с индикатора мультиметра.
Для чего нужен мультиметр, виды и особенности
Как пользоваться цешкой
Для чего нужен мультиметр? Цифровой измеритель электрических параметров (или мультиметр) представляет собой электронное устройство, обеспечивающее цифровую индикацию регистрируемых величин с выводом показаний на ЖК-дисплей. Такие устройства по стоимости несколько дороже стрелочных моделей.
Однако они обеспечивают более точное измерение электрических параметров и намного удобнее в повседневной эксплуатации.
Цифровой мультиметр можно использовать для многих стандартных операций: проверки сопротивления, определения силы тока, определения напряжения постоянного или переменного тока, исправности транзистора.
Инструкция по применению для новичков выглядит следующим образом:
Общее правило такое: начинайте измерение с большей величины на указателе, чтобы не испортить чувствительный прибор. Например, если вы хотите измерить сопротивление элемента, приблизительно зная, что оно около 1 кОм, то выставляйте ручку настройки на 2 кОм.
К тому же цифровые мультиметра располагают большим набором дополнительных функций, часть которых отсутствует у аналоговых моделей. С их помощью легко проверить розетку в квартире, убедиться в подаче требуемого напряжения.
К числу дополнительного функционала относятся такие возможности цифровых мультиметров как проверка на годность полупроводниковых элементов, «прозвонка» электрических цепей с одновременным дублированием звуковым сигналом. Еще они могут определять номинальные значения конденсаторов (последняя функция встречается лишь у некоторых моделей).
Обратите внимание, именно по причине указанной многофункциональности этот прибор получил свое пользовательское название. «Мульти» переводится как «много», а «метр» означает «мерить».. В комплект покупного цифрового изделия входит сам измерительный прибор и два провода со специальными щупами или «концами», нижняя часть которых защищена неэлектропроводными пластмассовыми оголовками (держателями)
В комплект покупного цифрового изделия входит сам измерительный прибор и два провода со специальными щупами или «концами», нижняя часть которых защищена неэлектропроводными пластмассовыми оголовками (держателями).
Перед тем как проверить напряжение в розетке с помощью мультиметра,необходимо правильно собрать измерительную цепь. Для этого следует воспользоваться имеющимися на корпусе и помеченными соответствующими буквенными обозначениями входными гнездами.
В отверстие с маркировкой «COM», означающей на русском языке «Общий», полагается вставлять конец провода черной расцветки. Коннекторный наконечник шнура красного цвета подсоединяется ко второму (сигнальному) гнезду.
Дополнительная информация. При наличии на корпусе прибора еще одного входного разъема, помеченного надписью «10 ампер», вы сможете замерить токи с амплитудой в пределах указанного значения.
В некоторых моделях этот предел увеличен до 20 ампер. При измерении токов в границах обозначенных величин соединительный разъем шнура с красной цветовой маркировкой вставляется именно в это гнездо.
Пошаговая инструкция
После подсоединения проводов можно приступать к самим измерениям, последовательность которых выглядит следующим образом.
Сначала посредством центрального кругового переключателя выставляется требуемый режим работы мультиметра. Режим, соответствующий измерению переменного напряжения, находится в секторе под обозначением «ACV» или «V~».
Затем в пределах этого сектора следует выбрать положение «750», соответствующее максимальной величине контролируемого параметра в розетке, то есть напряжению до 750 Вольт включительно. На пределе с маркировкой «200» осуществляются измерения напряжений, не превышающих значения 200 Вольт.
После выбора режима и предела измерений мультиметра оба щупа берутся за изолированные ручки, а затем их острия вставляются в гнезда розетки.
В случае образования хорошего контакта с клеммами розетки, на индикаторе сразу же будет результат проводимых измерений. Он высвечивается в виде ряда цифр с точностью до десятых долей.
Порядок (полярность) положения концов при проведении измерения переменного напряжения в сети значения не имеет.
Надо заметить, что в розетке редко когда будет напряжение ровно 220 В. Обычно оно несколько выше или ниже. По нормам отклонение не должно превышать 22 В, если речь идет о бытовой сети.
Как измерить напряжение, ток, сопротивление
Напряжение сети, ток в цепи, сопротивление отдельных элементов или контуров электрических схем проводится согласно закону Ома для участка цепи. Тем, кто их забыл, рекомендуется обновить в памяти школьный курс физики. Без этого получать правильные данные и сохранить работоспособность прибора будет весьма сложно.
Определение значения напряжения
Мерить напряжение на участке цепи или отдельном элементе проще всего.
- Сначала подключают щупы в гнезда, соответствующие предполагаемым значениям измеряемого параметра.
- Переключают мультиметр на использование режима, соответствующего характеру тока (переменный или постоянный).
- Прикладывают щупы к контрольным точкам. Это могут быть ножки электронного компонента или отдельные точки в общей схеме.
Согласно закону Ома для участка цепи, на параллельно включенных элементах падает равное напряжение. Именно на этом принципе основана работа контрольных схем мультиметра. Так как неверное подключение прибора являет собой достаточно сложный процесс, обычно с измерением напряжения пользователи справляются с максимальной уверенностью.
Определение значения силы тока
Силу тока измеряют последовательным включением. При этом сопротивление контрольного элемента внутри устройства крайне мало для снижения влияния на параметры исследуемой сети. Согласно закону Ома, по всем последовательно соединенным участкам цепи течет одинаковый ток.
Важно! Просто прислонить щупы к контрольным точкам нельзя. В режиме определения силы тока такое действие если не уничтожит измеритель, то сделает его непригодным для дальнейших тестов того же типа.. Прибор нужно включать последовательно
То есть разорвать цепь и коммутировать его к образовавшимся контрольным точкам. Например, отпаять провод питания. Один щуп подключается к питающему кабелю, другой — к бывшей точке его коммутации на схеме
Прибор нужно включать последовательно. То есть разорвать цепь и коммутировать его к образовавшимся контрольным точкам. Например, отпаять провод питания. Один щуп подключается к питающему кабелю, другой — к бывшей точке его коммутации на схеме.

Определение значения сопротивления
При измерении сопротивления на регуляторе необходимо поставить Омы поворотом ручки в нужную зону и прислонить щупы к выводам детали или контрольным точкам схемы.
Важно! При этом критически важно, чтобы цель тестирования не находилась под напряжением. При несоблюдении этого условия контрольные элементы устройства выходят из строя, и прибор становится непригоден для выполнения измерений сопротивления
Рекомендуется также действовать согласно главному правилу, устанавливая максимальный предел перед началом работы и снижая его для уменьшения погрешности.
Данные методики измерений типичны и работают на большинстве классов устройств. Автоматические приборы проще в использовании. Они могут без участия пользователя настраиваться на параметры цели исследования и прощать некоторые ошибки своего владельца. Чтобы знать, на что способна та или иная модель — рекомендуется тщательно изучать инструкцию по ее эксплуатации.

Щупы
В бюджетных моделях тестеров щупы чаще всего особым качеством не отличаются. Не стоит в данном случае судить по внешнему виду, так как их специально делают максимально красивыми и глянцевыми
Внимание следует обратить, в первую очередь, на провод – он должен быть максимально эластичным и хорошо держаться

Для того чтобы проколоть изоляцию провода или найти выводы микросхемы с малым шагом, концы щупа сделаны в форме игл. В качестве материала для их изготовления используется бронза, которая не слишком хорошо держит заточку. В отдельных случаях некачественные щупы могут обламываться в местах заделки. Наконец, некачественные щупы могут давать ненадежный контакт в гнездах мультиметра.
В качестве решения специалисты чаще всего «доводят их до ума» собственными силами. Для этого они припаивают провода к наконечникам и подгоняют разъемы в гнезда. Наконечники в таком случае требуется обязательно залудить, иначе показатели будут разные в зависимости от нажима. Для уменьшения сопротивления, провода можно заменить кабелем более толстого сечения, комплектные обладают сопротивлением до 0,5 Ом и выше.
Как пользоваться щупами мультиметра dt-830b, dt-832в, dt-838, инструкция по применению
Чтобы использовать прибор по назначению, необходимо изначально оголить щупы и затем ими прикоснуться к проводу, розетке, выключателю и так далее. Для этого, на лицевой стороне мультиметра, есть специальные три разъема. Если говорить об измерении по цветам, то подобный тип измерения стоит использовать только тогда, когда вы проводите манипуляции в сети постоянного тока. Если говорить о переменном токе, то в данной ситуации нет никакой разницы то, как именно будут подключены щупы.
Как пользоваться мультиметром инструкция для чайников видео
Когда вы будете проводить измерения напряжения, то очень внимательно следите за тем, чтобы не прикоснуться к тем участкам щупов, которые оголенные
Перед началом работы также очень важно проверить то, правильно ли подключены щупы к разъемам, которые находятся на лицевой стороне прибора. Всегда следует помнить о том, что если вы будете неправильно использовать мультиметры dt-832, 830, 838 и другие модели, то это может провоцировать короткое замыкание или более серьезные проблемы. Поэтому инструкция должна быть изучена в обязательном порядке, вне зависимости от количества знаний в данной области
Поэтому инструкция должна быть изучена в обязательном порядке, вне зависимости от количества знаний в данной области.
Замер сопротивления
Положение щупов тоже самое. Переключатель перемещается в отдел Ω. Теперь необходимо убедиться, что мультиметр находится в исправном состоянии. Как проверить? Просто соединяются между собой два щупа. При этом прибор должен показать ноль.
В этом измерительном диапазоне также несколько пределов, плюс функция прозвонки электрических цепей и проверки диодов. Как прозвонить цепь мультиметром, будет представлено ниже.

Для примера можно рассмотреть, как измерять мультиметром сопротивление катушки с неизвестным номиналом, это пригодится, если нет уверенности в ее работоспособности. В отличие от предыдущих тестов здесь нет необходимости выставлять предел по максимуму. От этого прибор не пострадает. Последовательность проверки может быть такой:
- К примеру, предел измерения устанавливается на среднее значение. Пусть это будет 2М. То есть, предельное значение сопротивления не должно превышать 2 МОм.
- Подсоединяются к концам катушки щупы.
- Если на дисплее появились нули, то у катушки есть некоторое сопротивление, просто неправильно был выбран предел проверки. Поэтому его надо снизить на одну позицию – до 200К.
- Еще раз проводится тест. Если он показал уже числовое значение, но перед числом стоит ноль, то можно еще снизить порог на одну позицию.
- И таким образом довести показатель на дисплее до целого числа. Оно и будет являться номинальным сопротивлением катушки.
Если при тестировании на сопротивление катушки на мониторе появилась цифра «1». Это значит, что номинал намного выше, чем выбранный предел. То есть, надо будет идти в обратном направлении, повышая предел измерений.
Как пользоваться мультиметром: инструкция для начинающих
Отличие цифрового тестера от стрелочного
Стрелочные тестеры гораздо менее удобны, поэтому цифровые приборы их практически вытеснили, за исключением областей, где надо отслеживать динамику изменения измеряемых параметров (особенно, для быстроизменяющихся процессов). Основная их проблема – меньшая точность считывания показаний. Она зависит от угла, под которым пользователь смотрит на шкалу, от его глазомера и т.д.
При этом не надо поддаваться иллюзии высокой точности цифровых приборов. Их погрешность в любом случае не меньше плюс-минус одного значения последнего разряда, а по факту еще больше. Но удобство считывания у таких приборов намного выше. К тому же цифровые измерители сразу выдают результат в готовом виде, а у стрелочных измерителей полученный итог еще надо умножить на выбранный множитель, что повышает вероятность ошибки.
Видео-инструкция по эксплуатации стрелочного (аналогово) тестера.




































