Что это такое?
Следует сказать, что для одноцветной ленты какой-либо контроллер не нужен. Ее просто подключают к источнику питания, что обычно используется для 12-вольтных устройств. Если лента может работать с большим напряжением, то следует подобрать соответствующий источник энергопитания. Самыми распространенными будут модели для 12 вольт (+ 220) и для 24 В. Есть, конечно, варианты, что вообще подключаются в сеть напрямую, но в вариации RGB их не существует.


На ленте располагается 3 светодиодных ряда, что различаются по цвету, либо 3 цвета сделаны как отдельный кристалл в едином корпусе, например, вариант 5050:
- зеленый;
- синий;
- красный.


Отметим, что контроллеры могут иметь разное исполнение, в том числе герметичное. Поэтому они обладают различными показателями защищенности от воздействия воды и пыли. Никаких переключателей и клавиш на контроллере нет. Поэтому обычно такое устройство для диодной ленты поставляется с пультом дистанционного управления. Подобный ИК-контроллер – это отличное решение для управления лентами на основе светодиодов различного типа.


Подключение светодиодной ленты
Большая часть светодиодных лент работает от напряжения 12 В или 24 в. Если линейка кристаллов одна, питание требуется 12 В, если их две — 24 в. Подходит любой источник постоянного тока, выдающий такое напряжение: аккумулятор, блок питания, батарея и т.д.
Схема подключения светодиодной ленты к сети 220 В через блок питания
Чтобы подключить ленту к бытовой сети 220 В требуется преобразователь или адаптер (еще называют блоками или источниками питания, адаптерами).
Недавно появились ленты, которые сразу можно подключать к сети в 220 В. Все они запаяны в пластиковые трубки — 220 Вольт это уже не шутки. Режутся тоже по намеченным линиям, соединяются при помощи специального коннектора, который вставляется в проводники. К коннектору подключается шнур со встроенным выпрямителем (это диодный мост и конденсатор).
Подключение специальной светодиодной ленты к сети 220В
Отличается эта лента от обычной тем, что в ней небольшие участки (20 шт) со светодиодами подключены не последовательно, а параллельно, еще и так, что диоды направлены навстречу друг другу. За счет этого получаем требуемое напряжение в 220 Вольт или около того. Переменный ток преобразуется в постоянный при помощи диодного моста, а пульсация гасится конденсатором.
Схема подключения светодиодной ленты без блока питания
В принципе, такую ленту можно собрать из обычной, но нужно будет позаботиться об изоляции: прикосновение к элементу, подключенному к бытовой сети без переходника чревато серьезными последствиями.
Как подключить несколько светодиодных лент
Каждая из лент, в зависимости от используемых модулей и количества элементов на одном метре, потребляет различное количество тока. Средние параметры приведены в таблице. Зная, какой длины вы хотите смонтировать подсветку, можно выбрать адаптер, который будет выдать требуемый ток.
Таблица потребляемого тока светодиодными лентами, питающимися от 12 В
Иногда требуемая длина ленты превышает 5 метров — когда необходимо подсветить комнату по периметру. Даже если блок питания может выдать требуемый ток, соединять последовательно две или больше пятиметровые ленты нельзя. Максимально допустимая длина одной ветки — вот те 5 метров, которые приходят в бобине. Если дорастить ее, подключив вторую последовательно, по дорожкам первой ленты будет проходить ток, многократно превышающий расчетный. Это приведет к быстрому выходу элементов из строя. Может даже расплавится дорожка.
Если мощность блока питания такова, что к нему можно подключить несколько лент, к каждой из них тянут отдельные проводники: схема подключения параллельная.
Как подключить несколько светодиодных лент к одному блоку питания
В таком случае удобно блок питания располагать посредине, например, в углу, а от него — две ленты по обе стороны. Но часто дешевле купить несколько менее адаптеров, чем один более мощный.
Подключение RGB ленты через контроллер
Последовательно подключаются сначала блок питания, потом контролер. Между собой они подключаются двумя проводами. Из контроллера выходят уже 4 проводника, которые разводятся по соответствующим контактным площадкам ленты RGB.
Подключение светодиодной ленты RGB через контроллер
Точно также, как и в монохромных лентах, и в этом случае максимально допустимая длина одной линии — 5 метров. Если необходимо большая длина, то от контроллера отходят два пучка проводов по 4 штуки в каждом, то есть соединяются они параллельно. Длинна проводников может быть разной, но более рационально, чтобы блок питания и контроллер находился посередине, а в стороны уходят две ветки подсветки.
Виды и режимы работы контроллеров

Контролер управления светодиодной лентой с помощью смартфона
Вид подбираемого контроллера определяется тем функционалом, который предполагается реализовать в конкретной ситуации. Простейшие устройства способны лишь на то, чтобы выбрать заданный цвет и настроить несложные световые эффекты. В более «продвинутых» моделях предусмотрена функция программирования на изменение цвета и дополнительные эффекты. Они располагают разъемом под flash-память, а также способны реагировать на освещенность в помещениях и на улице. Ознакомиться с полным функционалом можно в инструкции пользователя.
Известна разновидность bluetooth-контроллера, позволяющая управлять светодиодной лентой посредством пульта. Некоторые образцы способны подключаться к системе «умный дом». Светодиоды в осветителе обычно имеют простейшее исполнение: для динамичности их свечения достаточно менять величину питающего напряжения по всей длине ленты. В дорогих изделиях они управляются посредством цифровых систем, воздействующих на каждый диод в отдельности. Соответственно этим вариантам, контроллеры способны работать в двух режимах: аналоговом и цифровом.
Зачем нужен блок питания?
Чаще всего светодиоды используются в низковольтном оборудовании. Если такие приборы подключить в сети 220 вольт, произойдет скачек напряжение и устройство «перегорит» — выйдет и строя. Различное светодиодное оборудование может работать от разного напряжения: 5, 12, 24 или же 48 В. Для них обязательно дополнительное оборудование, которое будет выполнять функцию трансформатора тока, а также защиты сети от перезагрузок. В некоторых случаях в такои приборе может сразу присутствовать и контроллер. Но необходимо знать, как правильно подобрать такое устройство.
Необходимые элементы
Аббревиатура RGB, означает три основных цвета свечения диодов, использующихся для получения гаммы:
За каждый цвет отвечает кристалл, для электроснабжения которого подводится своя дорожка, из-за этого в запитке многоцветных RGB лент используются 4 или 5 проводов.
Рис. 1: пример питания кристаллов RGB ленты
Поэтому полноценное питание источника освещения требует установки дополнительного оборудования, преобразующего параметры электрического тока и напряжения из сети.
Контроллер RGB
Данный блок предназначен для разделения электрического сигнала на три или четыре цвета. Количество выводов контроллера подбираются в зависимости от параметров ленты. RGB контроллер позволяет управлять цветом или оттенком свечения. По методу управления они разделяются на проводные и беспроводные. Последний вариант является наиболее удобным и востребованным, управление ним может осуществляться посредством:
При подключении к блоку управления важно соблюдать цветовую маркировку по выводам:
Рис. 2: Маркировка клемм контроллера
Блок питания
В связи с тем, что многоцветные диодные ленты используют не стандартное питание из электрической сети, а более низкий уровень напряжения, вам потребуется установить блок питания. Для электроснабжения RGB лент используется напряжение на 12 В, а в некоторых ситуациях может использоваться номинал в 24 В. В зависимости от типа выбранной ленты, подбирается и выходное напряжение блока.
Второй определяющий параметр для БП – номинальная мощность, который также определяется в соответствии с мощностью светодиодной RGB-ленты. Как правило, мощность указывается из расчета на погонный метр. К примеру, у вас лента мощностью 15Вт/м, соответственно, для питания полосы длиной 5 м потребуется 15×5=75 Вт. Помимо этого необходимо делать запас мощности на 20 – 30%, то есть (75×30)/100 = 22,5 Вт, поэтому результирующая мощность должна быть не менее 75 + 22,5 = 97,5 Вт, можно взять модель на 100 Вт, а при отсутствии такового на 120 Вт.
Помимо этого БП для RGB ленты различаются по степени защищенности от воздействия внешних факторов. Для спален, зал, прихожих будет достаточно степени устойчивости к влаге и пыли IP20. Для комнат с повышенной влажностью, к примеру, ванны, кухни, прачечные необходимо использовать модели со степенью IP67 или IP69. При подключении необходимо обязательно соблюдать порядок подключения клемм
Рис. 3: расположение клемм блока питания
Лента RGB
Это гибкая конструкция с расположенными на ней светодиодными модулями. Каждый из модулей RGB ленты в стандартном исполнении содержит три кристалла (по одному на синий, красный и зеленый цвет свечения). Для питания такой полосы используются четыре вывода, из которых три используются для подачи цветового сигнала, а четвертый является общим плюсом. Недостатком таких лент является отсутствие чисто белого свечения светодиодов, так как получаемый от совмещения трех основных цветов значительно отличается от классических монохромных моделей.
Но, всем желающим получить чисто белое свечение на помощь приходят светодиодные RGB-ленты с четырьмя кристаллами в каждом блоке. Они получили маркировку RGB W, так как четвертый кристалл выдает чисто белый цвет. Из-за наличия дополнительного кристалла питание осуществляется по пятипроводной системе. Соответственно для электроснабжения таких RGB лент используются контроллеры на пять выводов.
Следует отметить, что при выборе RGB полосы предпочтительнее использовать модели, собранные из более новых светодиодов SMD 5050, так как они способны изменять цветовое свечение кристалла, в отличии от более старых вариантов SMD 2835 и SMD 3528, в которых каждый кристалл светился одним цветом.
Усилитель
RGB усилитель используется для питания полос длиной более 5м, где из-за потери мощности и падения напряжения яркость свечения значительно снизится. Стандартной длины одной катушки может не хватить для подсветки нужного вам периметра, поэтому придется использовать несколько катушек или добавлять кусок ленты. Усилитель сигнала призван увеличить питающее напряжение и выдать дополнительный лимит мощности.
Схема подключения усилителя
У усилителя есть входные-input и выходные-output клеммы. На входе и выходе те же контакты, что и у контроллера – общий плюс и цвета.
R
G
B
V+
Также присутствуют и клеммы подключения питания:
VDD или “+”
GND или “-”
Напряжение 12-24В можно подавать как от дополнительного блока, так и от общего, если позволяет его мощность.
Для подключения, общие концы предыдущего отрезка светодиодной ленты, заводите во входные клеммы усилителя.
Далее подсоединяете выход. Вставляете в RGBV+ разъемы, провода от дополнительного участка светодиодной ленты.
После этого под винты VDD и GND заводите проводники питания от блока.
Опять же полярность здесь строго соблюдаете! VDD – это плюс, GND – минус.
12345
Собранная подсветка по такой схеме будет работать и управляться с одного пульта.
Если вам нужно подключить еще 5-10 метров ленты, в схему добавляется еще один усилитель, а возможно и дополнительный блок питания (зависит от мощности освещения).
Только имейте в виду, что параллелить напрямую между собой сами блоки питания нельзя. Делать это нужно через диодный мост. Поэтому они должны быть разделены между собой через отдельные участки лент.
Таким образом можно собрать разноцветную подсветку любой длины под ваши запросы. Главное найти место для размещения всего этого оборудования.
Когда места не хватает, вместо большого усилителя можно использовать микро модель.
Он напоминает из себя что-то типа переходника, и размер у него соответствующий. При этом со своей задачей усиления сигнала справляется хорошо.
Кроме этого, его можно использовать, если вам не хватает мощности вашего контролера. Например, мощность всей светодиодной ленты 110Вт, а контроллера всего 70Вт.
Чтобы не менять его, просто докупаете такой мини усилитель, последовательно соединяете два элемента и наслаждаетесь освещением.
Как подобрать контроллер для светодиодной ленты?
Итак, мы убедились в значимости контроллера, поэтому пришло время определиться с лучшим вариантом. Ни один эксперт с ходу не сможет дать ответ, если вы спросите, какое устройство вам подойдет. Каждый прибор подбирается для конкретного случая, учитывая все индивидуальные желания и потребности. Чтобы определиться с выбором, вам нужно выделить для себя оптимальные параметры и функции, которыми должен обладать будущий контроллер.
Признаки, по которым можно различить контроллер для светодиодной ленты:
- Тип управления;
- Сенсорные или кнопочные;
- Выходная мощность;
- Прошивка программы.
Все возможные схемы подключения контроллера для управления светодиодной ленты известные на данный момент.
Типы управления контроллерами.
- Без пульта дистанционного управления.
Это самый простой в управлении прибор небольших размеров. Настройка параметров проводится всего один раз, входе которой устанавливается режим работы всей ленты: задается цвет, интенсивность свечения и динамика переливания. Такой вариант подойдет в тех случаях, когда нет нужды в частой регулировке светодиодной ленты.
- Инфракрасный пульт управления.
Контроллер буквально на ходу регулируется с помощью ИК-пульта дистанционного управления. Пульт действует в пределах 10 метров при условии, что инфракрасный датчик не перегораживается посторонними предметами. В некоторых моделях имеется огромное количество функций. Их возможностями можно управлять каждым светодиодом по отдельности. ИК-комплекты обычно дешевле аналогов. Если пульт вышел из строя либо потерян, его можно заменить, купив точно такой же в ближайшем магазине электротехники.
- Радиопульт.
Управлять светодиодной лентой можно на расстоянии до сотни метров. Устройство получит сигнал даже через стены и преграды на пути к пульту, так как в этом случае не используется инфракрасный луч.
- Wi-Fi.
Перечень доступных функций такой же, как у моделей с радио- и ИК-пультом. Различия заключаются лишь в том, что управление производится со смартфона, планшета или персонального компьютера. Также существуют приборы с вмонтированным модулем Wi-Fi или регулируемые с определенного маршрутизатора, контролирующего одновременно несколько светодиодных лент. В специальном приложении на iOS или Android можно настроить каждый диод, установить ему собственный оттенок и определить скорость переливания.
- Звуковой.
Процесс работы проходит в полуавтоматическом режиме. Контроллер реагирует на внешние звуки. Включать или выключать светодиоды можно различными звуками, установленными при первоначальной настройке, например, хлопок, щелчок и подобное. Если определенным образом настроить контроллер, лента может динамически реагировать на музыку, повторяя ее ритм и темп.
Сенсорные или кнопочные
Сенсорные пульты обладают сенсорным кольцом, с помощью которого выбирается необходимый режим и оттенок освещения. Они отличаются высокой стоимостью, однако в современном мире это самый удобный вариант управления.
Кнопочные пульты являются самым популярным вариантом на современном рынке. Программа динамики светодиодов назначается определенной кнопкой. Товар отличается простотой эксплуатации и относительно низкой ценой.
Разделение регуляторов по системе программирования
После покупки устройства можно выбрать определенную программу изменения оттенков, интенсивности и скорости переливания. В некоторых моделях доступна функция самостоятельной настройки светодиодной ленты.
Подключение RGB-ленты без контроллера
Иногда домашние мастера не желают тратиться на дополнительное оборудование. Именно в таких случаях на помощь приходит смекалка. К примеру, в наличие имеется 10 м RGB-ленты, а вот контроллер, как и блок питания, отсутствует. И вот здесь начинаются хитрости. Вместо стандартного блока питания вполне можно использовать адаптер от плазменного или LED-телевизора, который выдаёт 12 В. Главное, чтобы выпрямитель подошёл по параметрам выходной мощности. Единственной проблемой становится то, что таких блоков понадобится 3 штуки – по одному на каждый цвет.
ФОТО: mornsunpower.ruВот такие блоки питания вполне подойдут
Далее, вместо обычного выключателя устанавливается трёхклавишный. Соединение производится следующим образом:
- ноль идёт сразу на блоки питания, а после них снова соединяется в одну линию;
- фазный провод идёт через выключатель, где превращается в три отдельные жилы. Далее, каждая идёт на свой блок питания, а после – на определённый цвет RGB-ленты.
Таким образом, при включении отдельных клавиш будет зажигаться определённый цвет, а при их комбинации – можно будет добиться дополнительных оттенков.
А в качестве общей информации предлагаем ознакомиться с различными вариациями применения RGB-лент в дизайне интерьеров.
1 из 5
ФОТО: dekormyhome.ruФОТО: dekormyhome.ruФОТО: icled.ruФОТО: dekormyhome.ru
Статья по теме:
Почему лента называется RGB
Для передачи всей палитры цвета достаточно трех основных цветов: красного (Red), зеленого (Green) и синего (Blue). Этот принцип давно используется в телевидении и других системах передачи цветного изображения.
Точно так же устроена цветная светодиодная лента, на которой расположены группы полупроводниковых кристаллов по три в каждой – светящиеся:
— красным (R);
— синим (B);
-зеленым (G).
Путём смешивания этих трёх цветов в различных пропорциях можно получить абсолютно любой цвет, даже белый.

Если подключить все три управляемых контакта к одному сигнальному, то свечение будет белым. Поодиночке – синим, красным или зеленым.
Чтобы получать разные оттенки цвета и управлять ими требуется подключение светодиодной ленты через контроллер.
Часто задаваемые вопросы
Как рассчитать длину ленты
Расчет производится с учетом мощности одного метра и протяженности контура. От требуемой величина яркости светового потока будет зависеть и необходимая длина светодиодной ленты.
Что надо, чтобы светодиодная лента работала долго
Чтобы купленная светодиодная лента прослужила отведенное производителем количество часов, при эксплуатации следует соблюдать некоторые правила:
- питание должно подаваться от источника с постоянным напряжением, не превышающим указанный допустимый показатель;
- класс защиты должен строго соответствовать условиям эксплуатации;
- лента не должна подвергаться воздействию химически агрессивных паров;
- температурапри работе ленты не должна выходить за пределы допустимого диапазона (от -25 до +45 градусов);
- ленты не монтируют на нагревающиеся поверхности, не протирают и исключают механическое воздействие.
Знание особенностей монтажа и эксплуатации позволяет использовать даже недорогие ленты в течение длительного срока.
Почему ленту можно резать только в определенных местах?
На токопроводящих полосках есть отметки возможного разреза в местах контактных площадок для подключения проводов. Только там ленту можно разделить на части по пунктирной линии с изображением ножниц.
В RGB лентеразноцветные или только трехцветные светодиоды?
Оттенки цвета создаются при свечении трех разных кристаллов.Их излучение смешивается, и в итоге стандартную трехцветную ленту можно принять за изделие с диодами разных оттенков.
Можно ли светодиодную ленту использовать под водой?
Не боятся влаги ленты со степенью защиты IP65 и выше. IP68 может работать при погружении под воду на длительное время благодарявлагозащищенной оболочке из силикона.
Почему у длинной ленты удаленные светодиоды тусклые?
При монтаже ленты слишком большой длины по мере удаления от элементов питания происходит потеря напряжения, чем и обусловлено снижение мощности свечения.
Для какого освещения можно использовать светодиодную ленту?
Светодиодные ленты достаточной мощности успешно используют для основного освещения. Это экономически выгодно за счет малого энергопотребления, длительного срока службы и простоте обслуживания.
Какое рабочее напряжение для светодиодной ленты?
Используются лампы с питанием от сетевого напряжения 220В, а также разновидности с рабочими показателями напряжения 12, 24 и 36 В.
Лучшие производители
Мы подобрали лучших производителей светодиодных лент.
Sveteco
По словами фирмы, светодиодные ленты не нагреваются до температуры выше +30 градусов по Цельсию. При таких условиях эксплуатационный период составит далеко не один год, риск перегорания становится минимальный. Цены лет от Sveteco низкие, в отличие от других фирм, но вот найти продукцию в интернете не так уж и легко.
Достоинства:
- Низкая цена;
- Отсутствует перегрев;
- Богатый ассортимент.
Недостатки:
- Отсутствуют RGB ленты в продаже;
- Найти продукции компании довольно проблематично.
LEDCraft
Российская компания разрабатывает качественную продукцию. В основном специализируется на осветительных устройствах. Компания старается делать каждый продукт минимально энергопотребляющим и долговечным. Качество продукции идёт на второй план, но оно здесь вполне неплохое. Одна из самых популярных российских фирм.
Достоинства:
- Средняя цена;
- Быстрая доставка;
- Неплохое качество;
- Отечественная фирма;
- Максимальное энергосбережение.
Недостатки:
- RGB лампы дороговатые;
- Качество на втором плане;
- Небольшой ассортимент (проводов, блоков питания и других продукций).
Joliet Technology
Европейская компания — одна из главнейших фирм на рынке, специализирующаяся по свету. На отечественном рынке имеет малый спрос из-за больших цен. Но цены эти вполне оправданы высоким качеством! Компания использует новейшие современные технологии в своём производстве, благодаря чему продукция имеет высокую долговечность.
Достоинства:
- Высокое качество;
- Долговечность;
- Превосходные технические характеристики;
- В производстве используются современные технологии.
Недостатки:
- Высокая цена;
- Редко можно увидеть продукцию компании на полках магазина.
Gauss
Немецкая компания специализирующая на осветительном оборудовании. Продукция компании очень дорогая в отличие от своих конкурентов, но отличается она от них высоким качеством, надёжной сборкой и приличной долговечностью. Единственная компания, которая даёт до 5 лет гарантии к своей продукции. Ассортимент от небольших монохромных и RGB подсветки до больших блоков питания. Средняя цена за 5 м подсветки — 2000 руб.
Достоинства:
- Высокое качество;
- Большой срок гарантии;
- Продукция сильна по долговечности;
- Большой ассортимент подсветки, контролеров, блоков питания и многого другого.
Недостатки:
Огромный ценник на товары.
Navigator
Китайский бренд покоряет рынок уже более 9 лет. За это время он успел укрепиться на рынке. Продает довольно качественную продукцию за низкую цену. Надёжность и долговечность, конечно,не такие, как в Gauss, но за свою цену, вполне неплохие. На все свои товары, компания делает максимально подробную документацию.
Достоинства:
- Низкие цены;
- Подробная документация.
Недостатки:
Качество не самое лучшее.
Electrostandart
Китайская компания разрабатывающая разную продукцию. Ассортимент подсветки очень богат и отличается не только одним цветом. Обычно вместе с подсветкой продаются сразу контролеры, блоки питания и все самое необходимое. Регулярно использует новые технологии в производстве, из-за этого в компании часто появляются новые уникальные товары. Цена на среднем уровне где-то 1500-1700 за 5 м ленты.
Достоинства:
- Неплохая цена;
- Высокое качество сборки;
- Компания часто выпускает новые продукты.
Недостатки:
- Малый ассортимент дополнительных вещей;
- Часто вместе с лентой идут контролеры, провода и другие (что удорожает цену за комплект).
Разновидности светодиодных лент
Устройство светодиодной ленты полностью влияет на технические характеристики той или иной конструкции. В качестве примера можно рассмотреть несколько основных моделей. Прежде всего, это лента, где используются светодиоды марки SMD 3528. Каждый светодиод обладает яркостью в 5 люменов при белом цвете. Один метр этой ленты содержит 30 светодиодов, расположенных с интервалом 33 мм. Поэтому, один метр ленты обладает общей яркостью в 150 люменов. Данная конструкция не является влагозащищенной, поскольку здесь отсутствует силикон.

Другие модели также содержат в одном метре 30 светодиодов и дополнительно заливаются силиконом, что позволяет устанавливать их в местах в повышенной влажностью. Существуют ленты с повышенной защитой от влаги. Они могут использоваться непосредственно в воде, например, при устройстве подсветки в бассейнах. В местах возможных отрезов расположены защищенные контакты, к которым подключаются провода или коннекторы.
Существуют ленты той же модификации, где количество светодиодов составляет уже 60 штук на один метр. Величина интервала между ними – уже 17 мм. Таким образом, яркость в этом случае, увеличивается в два раза. Разнообразие конструкций позволяет использовать их в самых разных областях.
Поэтапный алгоритм и схема подключения светодиодной ленты RGB
Если вы хотите самостоятельно подключить RGB светодиодную ленту, вам необходимо воспользоваться следующим алгоритмом:
Подготовка поверхности. Локация, где предполагается размещение ленты, необходимо выровнять и обезжирить с помощью растворителя. Желательно, чтобы этот материал хорошо проводил тепло, чтобы лента не нагревалась слишком сильно. Если вы решили отдать предпочтение стальной или алюминиевой поверхности, рекомендуется уберечь ее электроизолятором.
Монтировать ленту на поверхность. Для этого нужно просто ее приклеить. Одна из сторон изделия для освещения самоклеющаяся, поэтому вам потребуется ликвидировать защитную пленку и аккуратно наклеить изделие на подобранное место
Важно помнить: степень изгиба не должна быть больше 1,5-2 см. Иначе системе может быть нанесен непоправимый вред при эксплуатации, сильно уменьшится срок ее работы
Если вам требуется отрезать участок изделия, выполняйте работу по пунктиру, указанному компанией-производителем. Соединить два участка ленты между собой можно воспользовавшись паяльником либо коннектором.
Соберите систему. Соедините RGB ленту с контроллером – сделать это также можно с помощью паяльника или коннектора, исходя из модели последнего. Проведите шнуры к блоку питания: плюсу соответствует алый цвет, а минусу – темный. Подключение шнуров к контролирующему механизму должно выполняться соответственно цветам, которые обозначаются в аббревиатуре.
Можно ли подключить RGB ленту без контроллера? Да, однако, в этом случае должен быть использован пульт дистанционного управления.
Схема подключения подсветки
Перед тем как подключить пульт к светодиодной ленте нужно разобраться в том, по какой схеме работает управляемая подсветка. Многоцветные ленты изготавливаются с использованием диодов малой мощности. Поэтому напрямую от сети изделие работать не будет. То есть обязательно подключение блока питания, который будет преобразовывать 220 В в рабочие 12 В, 24 В, реже 36 В.
Выбирать блок питания нужно с учетом суммарной мощности светодиодов. Характеристика обычно указывается в паспорте исходя из 1 погонного метра. Например, есть продукт с показателем в 16 В, а общая длина составляет 5 м. Тогда для всей ленты потребуется 80 В. Технически правильным будет к рабочему значению добавить запас на 20-30% (коэффициент 1,2-1,3). То есть БП на 90-100 В является оптимальным выбором.

Блок питания для диодной подсветкиИсточник svetlux.ru
Далее идет контроллер. Его также надо выбирать исходя из рабочей мощности с учетом выходного напряжения. Плюс прибор должен быть совместим либо сразу укомплектован пультом дистанционного управления.
Установка БП
Рассмотрим, как подключить светодиодную ленту с пультом. На блоке питания возле клеммной колодки имеются условные обозначения. Они позволяют правильно подсоединить проводники от питающего кабеля и выходные от светильника. В частности:
- L, N и заземление – фаза и ноль для входящего провода, «земля» не всегда предусмотрена у прибора;
- «+», «-», V+, V- – клеммники для подключения положительного и отрицательного проводника от светодиодной ленты.

Подключение диодной ленты к БПИсточник domnomore.com
На изнаночной стороне гибкой платы светильника всегда указываются линии с «+» и «-». Поэтому ошибиться даже начинающий мастер не сможет. Также здесь имеются обозначения для правильного подключения ленты к контроллеру.
Установка контроллера
Чтобы светодиодная лента работала с пультом, между ним и блоком включается в цепь контроллер. Здесь от блока идут положительный и отрицательный проводники. А выходящих получается 4.
- «+» – на ленте это «+» или «12 В», на приборе «+» или «V+»;
- «-» – на ленте и на приборе под отрицательными проводниками подразумеваются линии с диодами конкретного цвета (R-RED, G-GREEN, B-BLUE).

Схема подключения RGB-контроллераИсточник electricdoma.ru
Для самостоятельной сборки светильника с нужными устройствами этого достаточно. Главное – соблюдать полярность и аккуратность. С заводскими комплектами работать проще. Здесь нужно только вставить штекеры в соответствующие разъемы. Все детали прописываются в инструкции к продукту.
Установка усилителя
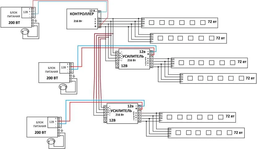
Настроить светодиодную ленту с пульта, если ее длина превышает 5 метров, не получится. Здесь требуется специальный усилитель. Мощность прибора выбирается с учетом значения, которое нужно компенсировать относительно контроллера. Например, есть блок питания с достаточной мощностью, светильник длиной 15 м и общей мощностью 10*16=160 В и контроллер на 100 В. Тогда понадобится компенсировать недостающие 60 В. Если блок питания слабее должного, то его только вторым БП дополняют.

Схема подключения RGB-усилителяИсточник optprosvet.ru
Стоит отметить, что на яркость подсветки RGB-усилитель никак не влияет. Он нужен только для увеличения и продления сигнала, что передается от контроллера к ленте. Встраивается прибор на участке цепи между основной лентой и дополнительной.
Сначала подключаются проводники от первой: «+», R, G и B. Потом от второй те же клеммы. Дополнительно к ней от блока питания подводятся «+», «-» или V+, V-. Если нужен дополнительный БП, то он подключается к питающему кабелю подобно основному блоку.

Схема с несколькими БП и RGB-усилителямиИсточник wirenboard.com








![Цветная светодиодная лента (rgb) [амперка / вики]](https://svet-mr.ru/wp-content/uploads/1/2/b/12b0ff60702c9802abd0786e2a200859.png)




























