Что это такое
Светодиодом называется полупроводниковый прибор, задача которого непосредственно преобразовывать ток в световое излучение. В самом полупроводнике электроны рекомбинируют с электронными дырками. В результате получается энергия в виде фотонов. Такой эффект называется электролюминесценцией. Она применяется для индикаторных устройств, чья основа – электролюминесцентный конденсатор или свет. Белый свет получается в результате взаимодействия нескольких полупроводников или же слоя люминофора на самом полупроводниковом устройстве.
Ранние образцы таких диодов довольно часто использовались в качестве индикаторных ламп, тем самым заменяя небольшие по размерам лампы накаливания. Новейшие разработки позволяют создавать светодиоды с безопасным белым свечением, которые идеально подходят для освещения помещений.
Что можно сделать из светодиодов своими руками?
Далее приведены проекты, которые можно реализовать с применением этих полупроводниковых приборов. Для индивидуальных коррекций следует изучить актуальный ассортимент производителей.
Стабилизатор тока для светодиодов
Для подключения мощных приборов рекомендуется применять импульсные источники питания
Такая схема пригодится для оснащения автомобиля. При хорошем КПД выделяется немного тепла. Доступно изменение напряжения на входе в широком диапазоне при сохранении функциональности.
ДХО из светодиодов
Такую линейку можно собрать из светодиодов 3Вт. Характеристики современных приборов подойдут для создания надежных и эффективных дневных ходовых огней транспортного средства
В данном случае пригодится длительное сохранение работоспособности устройства в условиях сложной эксплуатации.
Индикатор напряжения на светодиодах
Схема точного индикатора напряжения для автомобиля. Здесь предусмотрена компенсация измерений при повышении/уменьшении температуры
Светодиодные ленты 5730
Благодаря яркому свечению, свойственному SMD 5730, изготовленные с их использованием Led ленты успешно используются в качестве основного источника искусственного освещения в помещениях различного типа (административные, общественные, жилые).
Мощность светодиодной ленты smd 5730 зависит от количества светодиодов, размещенных на одном погонном метре изделия. Это выражается в значениях, приведенных в нижеследующей таблице:
| Тип светодиода | Электрическая мощность одного SMD, Вт | Количество светодиодов на одном метре изделия, штук | Общая электрическая мощность одного метра LED ленты, Вт |
| SMD 5730-05 | 0,5 | 15 | 7,5 |
| 30 | 15 | ||
| 60 | 30 | ||
| SMD 5730-1 | 1,0 | 15 | 15 |
| 30 | 30 | ||
| 60 | 60 |
Как правило, светодиодные ленты реализуются мерной длины, которая составляет 5 метров.

В зависимости от вида покрытия светодиодные ленты бывают различных степеней защиты (код IP), которые регламентированы ГОСТ 14254-2015 (IEC 60529:2013) «Степени защиты, обеспечиваемые оболочками (Код IP)».
Изделия с наивысшей степенью защиты IP65 – IP68 могут быть использованы во влажных и сырых помещениях, а также непосредственно в воде для подсветки аквариумов и бассейнов.
Рабочее напряжение для подобных источников искусственного освещения бывает двух типов: 12 и 24 Вольта постоянного тока. Для управления их работой используются специальные устройства, позволяющие регулировать силу светового потока, – диммеры.

В связи с достаточно большой электрической мощностью, ленты серии SMD 5730 выделяют значительное количество тепла во время использования. Из-за этого монтаж подобных изделий необходимо выполнять с использованием алюминиевого профиля, который позволяет обеспечить теплоотвод и тем самым продлить сроки эксплуатации светодиодов.
На основе Led ленты серии SMD 5730 изготавливаются модули различной формы и размера, используемые при изготовлении светильников разного типоразмера и конфигурации.
Светодиодные ленты серии SMD 5730 – это индивидуальный стиль в оформлении домашнего интерьера и качественные показатели искусственного освещения.

0%
Какое питание будет у конструкции?
Бортовая сеть автомобиля
Аккумулятор достаточно большой емкости
Батарейки
От сети 220В.
Миниатюрные аккумуляторы
Для каких целей ты собираешь конструкцию?
Общее освещение.
Декоративная цветная подсветка.
Локальное освещение
Декоративная белая подсветка.
Дежурный свет
Какой тип SMD светодиодов выбрать
Тебе подойдет SMD 3528

Тебе подойдет SMD 5050

Тебе подойдет SMD 5630

Тебе подойдет SMD 5730

Тебе подойдет SMD 3014

Тебе подойдет SMD 2835

Перепройти тест!
Предыдущая
СветодиодыСветодиоды серии smd 5630 – технические характеристики и виды использования
Следующая
СветодиодыХарактеристики светодиода SMD 2835 и его основные отличия
Мощность led ленты на 5630 и 5730
Сравнение светодиодной ленты на 5630 с другими, вторая сверху
Мощность складывается из количества установленных диодов на 1 метр, этот параметр указывает в маркировке. Но это правило можно использовать только для фирменных, мощность которых 0,5 Вт. В магазине вас в первую очередь заинтересуют недорогие диодные ленты на 5630, которые в полтора раза дешевле других. Такое в отличие в цене означает, что используются устаревшие низкокачественные китайского производства на 0,15 Вт. Цена в среднем 200 руб. за метр, еще такая продукция легко выявляется по отсутствию наименования производителя. На фирменных, например Эра, Гаусс, Навигатор такие светодиоды не используются.
Китайские бывают в двух вариантах:
- на 0,15W, 12 Лм, используется в классических кукурузах, неплохо работают;
- на 0.09W, 6 Лм, применяются в кукурузах новой модели, отвратительно работают.
Не рекомендую покупать на диодах на 0,09 Вт. Светодиодной лента на них обычно дает 360 люмен на метр и стоит дешево, по сравнению с другими. Лучше купите проверенную светодиодную ленту на SMD 5050.
Сравним по мощности 5630 и 5730 с другими типами В таблице указана потребляемая мощность в зависимости от плотности типа LED элементов. Под производителем и модель написана мощность одного светодиода.
| Диодов на метр | Фирма0,5W | Китай0,09W | Китай0,15W | 28350,2W | 35280,08W | 50500,2W |
| 15 | 7,5 | 1.35 | 1,8 | 1,2 | 3 | |
| 30 | 15 | 2.7 | 3,6 | 6 | 2,4 | 6 |
| 60 | 30 | 5.4 | 7,2 | 12 | 4,8 | 12 |
| 72 | 6.5 | 11 | 14,4 | 5,8 | 14,4 |
По таблице вы можете увидеть, что слабая брендовая светодиодная лента на 3528 может равняться по световому потоку китайской на 5630.
Светодиодная лента на led 2835
Светодиодные ленты (СЛ) широко используются как для освещения, так и в декоративных целях. Поэтому об этом изделии, собранном на светодиодах smd 2835, стоит поговорить отдельно, как о наиболее популярном и доступном.
Светодиодная лента smd 2835 обычно собирается из smd светодиод мощностью 0.2 Вт, поскольку охлаждение более мощных приборов ленте с относительно тонкими токопроводящими дорожками весьма проблематично. Количество smd полупроводников на 1 м СЛ может быть разным – 60 или 120. Напряжение питания – 12, 24 или сеть 220 В, причем величина его зависит от конструктивного исполнения и наличия БП, а не от количества светодиодов на метр. У изделия с плотностью светодиодов 60 шт/м удельные мощность и светоотдача, естественно, будут в 2 раза ниже.

СЛ на 60 (слева) и 120 smd светодиодов на метр
Важно. Светодиодная лента на smd светодиодах этого типа имеет относительно высокую мощность, а потому крепить ее нужно только на металлический (обычно алюминиевый) профиль, который будет служить радиатором. По конструктивному исполнению светодиодная лента различается на:
По конструктивному исполнению светодиодная лента различается на:
- герметичную;
- пылевлагозащищенную;
- слабозащищенную;
- без защиты.
Выбирая прибор, обязательно учти, в каких условиях ему придется работать. Покупай ленту только с соответствующей степенью защиты от окружающей среды.
Теперь по мощности и светоотдаче. Зная мощность одного светодиода, нетрудно посчитать удельную мощность самой СЛ. Для изделия с 60 диодами на 1 м удельная мощность будет составлять 0.2*60=15 Вт/м. Для 120-диодной ленты, соответственно, 30 Вт/м.
Естественно, эти расчеты справедливы лишь для фирменных изделий, изготовленных из настоящих светодиодов, а не из подделок. Но подвох здесь в том, что на мировом рынке 90% лент изготовлены именно на основе китайских smd 2835! Более того, нередко продавцы позиционируют их как «премиум», вводя в заблуждение покупателя. Как же определить, настоящий ли это «премиум» или тебе пытаются «впарить» маломощную подделку?
Как узнать мощность светодиодов, используемых в ленте
Прежде всего, цена. Стоимость маломощной ленты в разы отличается от цены на настоящее изделие. Далее, удельная мощность. Каждый, кто знаком с арифметикой, легко просчитает, какие светодиоды установлены в ленту. Для этого достаточно заглянуть в сопроводительную документацию и нажать 4 кнопки калькулятора.
Для эксперимента заходим в Интернет и смотрим на товар. Я зашел на с виду приличный сайт и выбрал две ленты: «премиум» и «эконом». Первая ровно в 6 раз дороже второй:
- Светодиодная лента smd 2835 120 СW Premium.
- Светодиодная лента smd 2835 120 CW Econom.

Характеристики первой:
- светодиодов на 1 м – 120;
- удельная мощность – 8.4 Вт/м;
- удельный световой поток – 635 лм/м;
- напряжение питания – 12 В.
Характеристики второй:
- светодиодов на 1 м – 120;
- удельная мощность – 9.6 Вт/м;
- удельный световой поток – 360 лм/м;
- напряжение питания – 12 В.
Посмотрим, что это за премиум. Рассчитываем мощность 1 светодиода: 8.4/120=0.07 Вт. Световой поток одного светодиода: 635/120=5.3 лм. Приплыли… Этот «премиум» собран на китайских светодиодах мощностью 0.09 Вт со световым потоком 8 лм. Причем, чтобы сие чудо проработало подольше, конструкторы обеспечили диодам облегченный режим. Они сильно уменьшили потребляемую мощность токоограничивающими резисторами, что вызвало уменьшение светового потока в полтора раза.
Что же тогда вставили в ленту эконом? Считаем. Мощность светодиода: 9.6/120= 0.08 Вт. Световой поток рассчитывать не будем: очевидно, что он в 2 раза ниже, чем у предыдущей модели. Какой кристалл воткнули находчивые разработчики в корпус светодиода smd 2835? Об этом известно только самому производителю. Можно лишь предположить, что умельцы в корпус smd 2835 встроили кристалл из smd 3528, а то и из чего похуже. А может, они для привлекательности просто завысили удельную мощность, но забыли пересчитать световой поток, кто знает.
Как я уже говорил выше, низкокачественные подделки нередко сопровождаются документацией, в которой характеристики могут существенно завышаться. Поэтому метод расчета по заявленным характеристикам может не сработать. Здесь останется ориентироваться лишь на стоимость и на визуальную яркость.
Есть еще один вариант: измерить сопротивление токоограничивающего резистора, рассчитать ток через него, а по току судить о мощности включенных в его цепь светодиодов (обычно их 3, реже 5). Но этот метод требует специальных знаний, а потому здесь я его рассматривать не буду.
Светодиод SMD 5630: характеристики, конструкция, применение
Светодиод SMD 5630 представляет собой чип, обладающий высокой теплопроводностью, большим сроком эксплуатации, низким тепловым сопротивлением. Данный полупроводниковый прибор устойчив к температурам и вибрациям. Благодаря своим характеристикам нашел применение в коммерческом и бытовом освещении.
Конструкция
Конструктивно светодиод smd 5630 представляет собой планарный элемент с габаритными размерами 5,6 мм х 3,0 мм х 0,8 мм. Внутри корпуса из термоустойчивого пластика располагается мощный кристалл.
Имеет 4 вывода, как показано на рисунке. Анод, то есть положительный электрод, обозначен цифрой 4, катод, соответственно, цифрой 2. Другие выводы элемента не задействованы.
С задней стороны корпуса приделана теплоотводящая подложка, размерами 1,7 мм х 1,25 мм (5).

Выводы имеют размеры 0,8 мм х 0,9 мм. Внимательно соблюдайте полярность при монтаже светодиода. Поверхность кристалла защищена рассеивающей линзой из силиконового компаунда.
Технические параметры
Характеристики светодиода 5630, естественно, зависят от производителя. Если вы покупаете продукцию проверенных брендов, таких как Cree, Philips или Osram, то можете не переживать о том, чтобы заявленные параметры соответствовали действительности.
Но, конечно, цена у таких светодиодов будет гораздо выше, чем у их китайских аналогов
Поэтому, обратите внимание, покупая товар неизвестного бренда, лучше возьмите большее количество, чем вам надо по расчетам освещенности
На графике изображена вольт-амперная характеристика качественного LED при температуре окружающей среды 25°С.

Теперь обозначим пределы, в которых находятся основные технические параметры LED 5630:
- мощность – 0,5–1,1 Вт;
- прямое напряжение – 3-3,8 В;
- рабочий ток – 150 мА;
- импульсный ток – до 400 мА;
- световой поток – 40-60 лм;
- рабочая температура -25+85°С;
- угол рассеивания — 120°
- температура хранения – 40+100°С;
- индекс цветопередачи – 80-90 Ra;
- срок эксплуатации – 25000-30000 часов.
Цветовая температура светодиода может быть: теплый белый (2700-3500 К), нейтральный белый (3500-5000К) и холодный белый (5000-6400К). А также данные LED выпускаются в синем, янтарном, голубом, оранжевом, желтом и зеленом цвете.
Технические характеристики
Светодиод 5730 обладает рядом характеристик. Прямое напряжение составляет 3-3,4 В. Прямой ток варьирует в значениях от 150 мА до 350 мА в зависимости от производителя. Для качественного светодиода вольт-амперная характеристика будет выглядеть, как изображено на рисунке.

Импульсный ток может достигать величины в 800 мА. Мощность и световой поток светодиода, соответственно, тоже прямо связаны с производителем, ведь менее качественные китайские smd 5730 имеют меньшие показатели. Поэтому значение мощности колеблется в пределах от 0.15 до 1 Вт. Световой поток составляет от 40 до 110 лм в холодных белых высококачественных LED.

Из графика видно, что для получения номинального значения светового потока, прямой ток должен составлять 350 мА. Но далеко не все производители обеспечивают систему охлаждения, способную выдержать в длительном режиме такое значение тока. Таким образом, ограничивая ток – снижается и световой поток светодиода.
Рабочая температура находится в пределах -40 +85°С. На правом графике вы видите зависимость светового потока в относительных единицах от температуры окружающей среды.

Угол рассеивания составляет примерно 120°. Деградация светового потока не превышает 4%.
Тепловое сопротивление соответствует значению 4°С/Вт. По цветовой температуре светодиод подразделяется на: теплый (2700-3500 К), нейтральный (3500-5000К) и холодный (5000-6400 К) белый цвет.
Вопросы читателей
Двойная светодиодная лента, ширина в два раза больше
1. Как обойтись без охлаждения ленты.Ко мне часто обращаются с вопросом такого плана, мы уже купили 25 метров мощной ленты, но в магазине нам не сказали, что для неё необходимо охлаждение. Покупать алюминиевый профиль для светодиодной ленты дорого, и он никак не вписывается в разработанный дизайн, будет некрасиво торчать на стене или потолке. Они конечно есть угловые, накладные, врезные, может что-то подберется подходящее. В такой ситуации есть два варианта, чтобы мощность не превышала 10 Вт/м.:
- снизить напряжение питания на блоке питания;
- использовать обычный диммер на 12 вольт, который снизит яркость .
2. Отличие блока питания от драйвера.Многие спрашивают, чем отличается питание светодиодной лампы и ленты? Отличие в том, что в лампочке установлен драйвер, источник тока, то есть резистор задающий ток уже установлен внутри источника питания. Получается, что драйвер рассчитан только на определённое количество диодов.
Диодная лента питается напряжением от блока питания, сопротивление, которое задает ток, находится на ленте. На каждый 3 led элемент свой резистор, поэтому можно резать только в обозначенных местах, по три штуки на каждом. Это делает проектирование светодиодного освещения доступным и легким.
3. Какую купить, дешевую или хорошую при одинаковой яркости? Например, вы покупаете светодиодную ленту для подсветки потолка или освещения комнаты. Фирменная проработает в 2-3 раза дольше, чем китайская. Потому что диоды сертифицированы, соответствуют международным требованиям, а у китайцев практически никакой информации нет по ним, только чаще всего плохие отзывы о работе ихней продукции. Если вы не хотите переделывать освещение после нескольких лет работы, все разбирать, покупать новую и ставить её взамен старой, тратить свой время или платить за работу, то купите фирменную. Хорошей ленты хватит до очередного капитального ремонта всей вашей квартиры.
Реальная мощность китайских ЛЕД
90% китайской продукции, например на базаре Aliexpress, изготовлена на маломощных диодах, которые гораздо слабей фирменных. Фирменные, это производства Samsung, LG, Philips и другие. Китайцы этим активно пользуются, указывая параметры, как будто там установлены Самсунги. После покупки оказывается, что яркость и мощность ниже в 3-4 раза, чем обещал продавец.
| Китайские 5630, 5730 тип №1 | Китайские 5630, 5730 тип №2 | Китайский 5050 | |
| Мощность | 0,09W | 0,15W | 0,1W |
| Яркость | 7 лм | 12 лм | 8 люмен |
Получается, что китайский 5630 (5730) на 0,15W слабее фирменного 5050 на 0,2W. Будьте бдительны при выборе товара.
Сфера применения
Светодиоды этого семейства активно используются в офисном, домашнем и промышленном освещении уже более 5 лет. За это время появились более современные модификации, но SMD LED 5730 не становится менее популярным. Причины такого постоянства заключаются в большой мощности, малых размерах и увеличенной светоотдачи. Именно на этих представителях собирают модули из трех последовательно соединенных кристаллов с питанием 12 вольт для точечной подсветки. Такой form-фактор удобно использовать в рекламных конструкциях, при организации дополнительного освещения, зонировании помещения, тюнинге авто и т.д. Если последовательно соединить несколько десятков таких кристаллов на компактной плате, из них получатся мощные прожекторы и уличные светильники.

Сравнение интенсивности света разных светодиодов
Покупая светильники, работающие на светодиодах SMD 5730, необходимо отдавать предпочтение известным производителям, которые не экономят на охлаждающих радиаторах в конструкции. Выбирая светодиодную ленту для монтажа одновременно покупают алюминиевый профиль, что позволит эффективно отводить выделяемое кристаллами тепло.
Если вы решили самостоятельно собрать лампу на светодиодах, уделите особенное внимание охлаждающему радиатору или мощной системе охлаждения как залогу длительной и бесперебойной работы осветительного прибора. ВИДЕО: Как правильно паять светодиоды. ВИДЕО: Как правильно паять светодиоды
ВИДЕО: Как правильно паять светодиоды
Требования к пайке
Производитель прибора установил предельную температуру нагрева при монтаже – 300 град.С. На этот параметр и надо ориентироваться при пайке. Если используется фен, следует установить температуру воздуха в этих пределах. Для пайки надо применять низкотемпературные пасты.
При использовании паяльника температуру жала также следует отрегулировать так, чтобы она не превышала установленный предел. При пайке в качестве теплоотвода можно использовать пинцет, но время контакта жала и светодиода не должно превышать 3 секунды. Для монтажа надо применять мягкие легкоплавкие припои. Производитель гарантирует работоспособность LED при однократной пайке независимо от способа.
Важно! В качестве припоя нельзя использовать сплавы Вуда и Розе. При эксплуатации светодиода рабочая температура может достигать и превышать температуру плавления этих составов
Область применения
SMD LED используют везде, где нужно что-то осветить, подсветить или попросту украсить. Они стали базовым элементом в лампочках общего освещения, в индикаторных панелях и ЖК-телевизорах, в системах аварийного освещения. Самым популярным товаром, собранным на SMD светодиодах по-прежнему остаётся светодиодная лента, а также её модификации в виде линеек и модулей.
В новой вариации многоцветные ленты конструируют на группах, которые состоят из четырёх мощных светодиодов разного цвета «R+G+B+W». В сумме их светоотдача намного больше, чем у привычных светодиодов SMD 5050, а наличие независимого white LED расширяет световые оттенки.
Классификация по степеням защиты
Покрытие светодиодных лент специальными составами обеспечивает разные степени защиты. Они классифицируются согласно ГОСТ 14254-96 «Степени защиты, обеспечиваемые оболочками (код IP)». В маркировке светодиодных лент указывается их класс защиты. Этот параметр состоит из двух цифр — индексов.
- Индекс 1 — показывает защищенность от попадания посторонних предметов и твердых тел.
- Индекс 2 — информирует насколько безопасно использовать изделие во влажной среде.
Например, если указано IP 20, то это значит,
- индекс 1 — цифра «2» — лента защищена от проникновения в ее корпус предметов диаметром более 12,5 мм (пальцы и что-то подобное);
- индекс 2 — цифра «0» — защиты от влаги нет.
Или если указано IP 65, то это расшифровывается так
- индекс 1 — цифра «6» — полная пыленепроницаемость;
- индекс 2 — цифра «5» — защита от струй, летящих под разными углами.
Цифровые значения индексов 1 и 2 описаны в ГОСТе 14254-96, а также их можно сверить с данными таблиц №1 и №2.
Таблица № 1. Индекс 1, характеризующий защиту от твердых тел, пыли.
Таблица № 2. Индекс 2 (защищенность от попадания влаги)
Схема включения на 12 вольт
Прямое напряжение, на которое рассчитан светодиод 5730, составляет 3 В, поэтому непосредственно включать его в 12-вольтовую цепь нельзя. Нужен балластный резистор. Он ограничит ток в цепи и погасит излишек напряжения.

Включение единичного светодиода 5730 в цепь 12 В
Рассчитывается он по такому алгоритму:
- Вычисляется падение напряжения на резисторе – разность между напряжением питания 12 В и падением напряжения на диоде (3 В): Uрез=Uпит-Uled=9 В.
- По закону Ома рассчитывается номинал резистора: R= Uрез/Iраб, где Iраб – рабочий ток светодиода, 150 или 300 мА в зависимости от исполнения LED. Полученное значение не всегда попадет в стандартный ряд, поэтому надо выбрать ближайшее значение.
- Мощность резистора рассчитывается по формуле P=Uрез*Iраб. Полученное значение надо округлять в сторону ближайшего большего стандартного значения.

Включение цепочки LED 5730 в цепь 12 В
Светодиоды можно соединять в цепочку. Общее количество должно быть не более 3 – ограничение накладывает напряжение питания. Четыре и больше прибора от 12 вольт не открыть, а еще что-то должно упасть на балластном резисторе. Расчет в этом случае принципиально не отличается от вычислений при использовании одного LED, но формула напряжения на резисторе должна учитывать количество элементов:
Uрез=Uпит-N*Uled, где N=2 или 3, по количеству полупроводниковых элементов.
В расчете не учтено сопротивление светодиодов в открытом состоянии, но оно невелико, поэтому принципиально на результат не повлияет.
Результаты расчетов для всех вариантов включения светодиода 5730 в цепь постоянного напряжения 12 В собраны в таблицу.
| Количество светодиодов в цепи | 1 | 2 | 3 | |||
| Количество кристаллов в корпусе | 1 | 2 | 1 | 2 | 1 | 2 |
| Сопротивление резистора, Ом | 62 | 33 | 39 или 43 | 20 | 20 | 10 |
| Мощность резистора, Вт | 1,5 | 3 | 1 | 2 | 0,5 | 1 |

Важно! Из-за разброса параметров светодиодов, отклонения напряжения источника питания и погрешности номинального сопротивления резистора, рекомендуется после сборки замерить фактический ток через LED. При необходимости сопротивление резистора надо откорректировать в большую или меньшую сторону

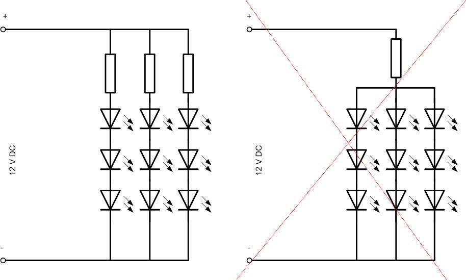
Параллельное соединение цепочек LED
Цепочки можно соединять параллельно, соблюдая два момента:
- Мощность источника питания должна выдерживать итоговую нагрузку.
- На каждую цепочку должен быть свой резистор. Параллельно соединять светодиоды не рекомендуется. Из-за разброса характеристик яркость свечения будет разной. При худшем варианте развития событий элементы начнут выходить из строя.
Логичный вопрос: почему не выходят из строя p-n переходы при установке двух и более кристаллов в один корпус? Ведь они тоже установлены параллельно. Ответ прост: эти элементы изготовлены в одной партии, поэтому разброс их характеристик минимален.
Какие светодиоды стоят в лампах?
Наверное самое частое явление, вскрываешь лампу а там следующая картина, выгорел один из диодов. Если есть время и желание провести ремонт, то можно заменить вышедший из строя диод. Но появляется вопрос Какие светодиоды стоят в лампах?
Соответственно наш порядок действий
- Вам необходимо воспользоватся вольтметром и определить напряжение светодиода. Вам может помочь в этом наша статья Как проверить светодиод?
- Далее после того как вы определили весь светодиодный модуль вышел из строя или одиночный светодиод. Вам нужно определить тип светодиода, а именно его габариты корпуса. Измеряются они в миллиметрах. Вам может помочь в этом наша статья Размеры светодиодов . Но статья может и не пригодится так как, зачастую производители зачастую пишут тип светодиода на самой плате. Смотрите фото. Там будет указано 2835, 5050 или 5630 это и есть тип светодиода
- Далее зная корпус диода и его напряжение вам не составит ни какого труда приобрести нужные вам светодиоды или светодиодные модули на Aliexpress. Или выпаять диод из другой похожей светодиодной лампы.
Основные выводы
Из-за жесткой привязки тока и рабочей температуры к потоку света при покупке светильников из SMD 5730 основное внимание необходимо уделить качеству радиатора. Совершать покупки желательно в магазинах, предлагающих качественную продукцию известных брендов
Именитые производители не экономят на материалах, из которых изготавливается корпус и радиатор
Одновременно с лентой нужно покупать алюминиевый профиль.
Технические хаpaктеристики этих светодиодов привлекают внимание домашних мастеров, желающих делать осветительные приборы своими руками. Они еще на стадии расчетов обращают особое внимание на систему охлаждения. Именно это часть определяет длительность эксплуатации осветительного прибора
Именно это часть определяет длительность эксплуатации осветительного прибора.
ПредыдущаяСветодиодыСветодиодная лента RGB: технология, отличие от обычной, подключениеСледующаяСветодиодыОсобенности, производители и советы по выбору блока питания для светодиодного светильника
https://youtube.com/watch?v=%250A




































