Схема фонарика с аккумулятором
Как радиомеханику мне интересны самые простые электронные устройства. На этот раз речь пойдёт о фонарике с аккумулятором.
Вот схема фонарика с аккумулятором.
Фонарик состоит из двух частей. В одной части размещён аккумулятор и сетевое зарядное устройство, а в другой – выключатель и лампа накаливания. Для зарядки аккумулятора одна часть фонарика отсоединяется от головной (где лампа и выключатель) и подключается к сети 220V.
На фото виден разъём-переходник, который соединяет аккумулятор и выключатель с лампой накаливания.
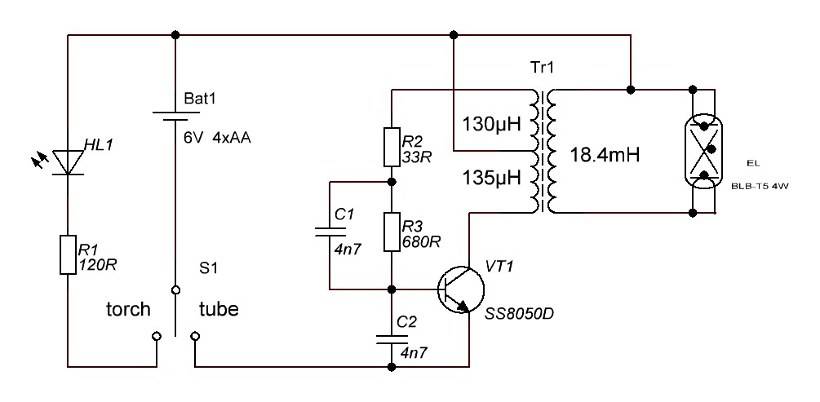
Устройство такого фонарика предельно простое. Для зарядки свинцово-кислотного аккумулятора G1 ёмкостью 1 А/h (1 ампер-час) и напряжением 4V используется схема с гасящим конденсатором C1. На нём падает большая часть сетевого напряжения сети 220V. Затем переменное напряжение после гасящего конденсатора выпрямляется диодным мостом на диодах VD1 – VD4 (1N4001).
Для сглаживания пульсаций после диодного моста устанавливается электролитический конденсатор C2. Нагрузкой для всего этого выпрямителя является аккумулятор G1. Если его отключить, то на выходе выпрямителя будет напряжение около 300 вольт, хотя при подключенном аккумуляторе напряжение на его выходе составляет 4 — 4,5 вольта.
Стоит отметить, что схема с гасящим (балластным) конденсатором проста, но довольно опасна. Дело в том, что такая схема гальванически не развязана от сети 220 вольт. При использовании трансформатора схема становится более электробезопасной, но из-за дороговизны этой детали применяется схема с гасящим конденсатором.
Диод VD5 необходим для того, чтобы аккумулятор не разряжался через схему индикации на красном светодиоде HL1 и резисторе R2. А вот лампа накаливания EL1 (или схема из светодиодов) подключается к аккумулятору только через выключатель SA1. Получается, что диод VD5 служит неким барьером, который пропускает ток к аккумулятору от сетевого выпрямителя, а обратно нет. Вот такая простая защита. Также стоит сказать, что на диоде VD5 теряется небольшая часть от выпрямленного напряжения – за счёт падения напряжения на диоде при прямом включении (VF). Оно составляет где-то 0,5 — 0,7 вольт.
Отдельно хотелось бы сказать об аккумуляторе. Как уже было сказано, он герметичный свинцово-кислотный (Pb). Состоит из двух ячеек по 2 вольта, соединённых последовательно. Т.е аккумулятор, как говорят, состоит из 2 банок.
На аккумуляторе указано, что максимальный ток заряда – 0,5 ампера. Хотя для свинцовых Pb аккумуляторов рекомендуется ограничивать ток заряда на уровне 0,1 от его ёмкости. Т.е. для данного аккумулятора лучшим зарядным током будет – 100mA (0,1A).
Типовыми неисправностями фонариков с аккумулятором являются:
- Выход из строя элементов сетевого выпрямителя (диодов, электролитического конденсатора, резистора в цепи индикации);
- Неисправность кнопки-выключателя (легко чинится любой подходящей кнопкой с фиксацией или же рокерным выключателем);
- Деградация (старение) аккумулятора;
- Износ контактных разъёмов.
Нравится
Главная » Радиоэлектроника для начинающих » Текущая страница
Также Вам будет интересно узнать:
Доработка китайских фонариков
Иногда бывает так, что купленный (с виду вполне качественный) фонарик с аккумулятором полностью отказывает. И вовсе не обязательно покупатель виноват в неправильной эксплуатации, хотя и это тоже встречается. Чаще – это ошибка при сборке китайского фонарика в погоне за количеством в ущерб качеству.
Конечно, в таком случае придется его переделать, как-то модернизировать, ведь потрачены деньги. Сейчас необходимо понять, как это сделать и возможно ли побороться с китайским производителем и выполнить ремонт такого прибора самостоятельно.
Рассматривая наиболее часто встречающийся вариант, при котором при включении прибора в сеть индикатор зарядки светится, но фонарь не заряжается и не работает, можно заметить вот что.
Обычная ошибка производителя – индикатор заряда (светодиод) включается в цепь параллельно с аккумулятором, чего допускать никак нельзя. При этом покупатель включает фонарь, и видя, что тот не горит, снова подает питание на заряд. В результате – перегорание всех светодиодов разом.
Дело в том, что не все производители указывают, что заряжать подобные устройства с включенными светодиодами нельзя, т. к. отремонтировать их будет невозможно, останется только заменить.
Итак, задача по модернизации – подключить индикатор заряда последовательно с аккумулятором.

Как видно из схемы, эта проблема вполне решаема.
А вот если китайцы в свое изделие поставили резистор 0118, то светодиоды придется менять постоянно, т. к. ток, поступающий на них, будет очень высоким, и какие бы световые элементы ни были установлены – они не выдерживают нагрузки.
Налобный светодиодный фонарь
В последние годы подобный световой прибор получил достаточно широкое распространение. Действительно, ведь очень удобно, когда руки свободны, а луч света бьет туда, куда смотрит человек, в этом как раз главное преимущество налобного фонарика. Раньше таким могли похвастаться только шахтеры, да и то для его ношения нужна была каска, на которую фонарь, собственно, и крепился.
Сейчас же крепление подобного прибора удобно, носить его можно при любых обстоятельствах, да и на поясе не висит довольно объемный и тяжелый аккумулятор, который, к тому же, еще и обязательно нужно раз в сутки заряжать. Современный намного меньше и легче, притом имеет очень маленькое энергопотребление.
Так что же представляет собой подобный фонарь? А принцип его работы нисколько не отличается от светодиодного. Варианты исполнения такие же – аккумуляторный или со съемными элементами питания. Количество светодиодов варьируется от 3 до 24 в зависимости от характеристик батареи и преобразователя.
К тому же обычно такие фонари имеют 4 режима свечения, а не один. Это слабый, средний, сильный и сигнальный – когда светодиоды моргают через короткие промежутки времени.

Режимами налобного светодиодного фонарика управляет микроконтроллер. Причем при его наличии возможен даже режим стробоскопа. К тому же светодиодам это совсем не вредит, в отличие от ламп накаливания, т. к. их срок службы не зависит от количества циклов включения-выключения по причине отсутствия нити накаливания.
Фонари Police
Они зарекомендовали себя на протяжении многих лет и с каждой новой моделью этих фонарей спрос не утихает. Новинкой на отечественном рынке стала модель с электрошокером.
LED фонарик Police с шокером
Такие фонари ярко светят и могут выступать в роли средства самообороны. Однако и в них случаются проблемы со светодиодами.
Как заменить светодиод в фонарике Police
Широкий модельный ряд очень трудно охватить в рамках одной статьи, но можно дать общие рекомендации по ремонту.
- При ремонте фонаря с электрошокером будьте аккуратны, желательно используйте резиновые перчатки, чтобы избежать удара током.
- Фонари с пылевлагозащитой собраны на большом количестве винтов. Они отличаются по длине, поэтому делайте пометки откуда вы выкрутили тот или иной винт.
- Оптическая система фонарика Police позволяет регулировать диаметр светового пятна. При разборке на корпусе сделайте отметки в каком положении стояли детали перед снятием, иначе будет трудно поставить блок с линзой обратно.
Замена светодиода, блока преобразователя напряжения, драйвера, аккумулятора возможна с применением стандартного набора для пайки.
Сделать фонарь от 1,5 В
Если вам нет необходимости разбираться в сложных схемах, чтобы получить мощный осветительный прибор, предлагаем также простой способ, с помощью которого можно сделать простейшие (хотя и довольно слабые) светодиодные фонари для дома. Такого фонаря вполне хватит для домашнего использования.
Чтобы упростить задачу, можно взять старый фонарик с лампой накаливания и работать с ним. Порядок действий следующий:
- Возьмите нефритовое кольцо и обмотайте проводом толщиной до 0,5 мм. Обязательно нужно сделать петлю или отвод в сторону.
- Соединяем между собой трансформатор, транзистор и светодиод. Чтобы получить более яркий свет, можно дополнительно установить конденсатор. Но это необязательно.
- Проверьте, горит ли светодиод. Если нет, то причина может быть в неправильной полярности аккумулятора, неправильном подключении транзистора и непосредственно светодиода. Не расстраивайтесь, если с первого раза схема не заработает.
- Чтобы светодиод светил ярче, используйте конденсатор С1.
- Установите переменный резистор вместо постоянного (подойдет на 1,5 кОма) и покрутите. Когда обнаружите положение, при котором диод начтет светить ярче и зафиксировать положение.
Когда схема готова, диод светит с максимальной яркостью и все работает, можно переходить к финишной работе.
- Измерьте диаметр трубки фонарика и вырежьте по нему круг из стеклотекстолита.
- Подберите подходящие детали нужных размеров и номинала.
- Сделайте разметку платы, разрежьте фольгу ножом и закрепите на круге.
- Чтобы спаять плату, лучше всего воспользоваться паяльником со специальным жалом. Если такового нет, можно просто обмотать вокруг паяльника зачищенную проволоку таким образом, чтобы один ее конец выступал вперед. Именно им вы и будете работать.
- Детали вместе с светодиодом, конденсатором и трансформатором припаяйте к плате. Изначально можно припаять не сильно, чтобы проверить работоспособность. Если все нормально работает, припаивайте окончательно.
- Когда все работает и плотно держится, можно вставить получившуюся плату в трубку фонарика. Если она входит без проблем, то вскройте края круга лаком. Это необходимо, чтобы не было контакта, ведь сам корпус в данном случае – минус.
Сделанный фонарь может полноценно и долго работать даже на разряженной батарее. Если батарейки нет вообще, лампочка загорится даже от нестандартного аккумулятора. Например, если в картошку вставить две проволоки из разных металлов и подключить светодиод. Не факт, что такой способ вам понадобится, но случаи бывают разные.
Светодиодные фонари получили хорошие отзывы от покупателей за счет своего низкого энергопотребления, невысокой стоимости и надежности. Лампы накаливания – далеко не лучший на сегодняшний день вариант. И теперь вы знаете, ка сделать светодиодный фонарик самостоятельно из подручных средств.
Тестирование и расчет стоимости изготовления
После всех операций можно было приступать к тестированию драйверов. Ток измерял обычным мультиметром, подключив его в разрыв цепи питания.
Энергопотребление старого драйвера (измерялось при 4.04 В):
- Во время сна — не измерялось
- Максимальный режим: 0.60 А
- Средний режим: 0.30 А
- Стробоскоп: 0.28 А
Энергопотребление нового драйвера (измерялось при 4.0 В):
- В режиме сна потребляет в районе 4 мкА, это намного меньше тока саморазряда литий-ионной батареи. Основной ток в этом режиме протекает через резисторный делитель.
- На минимальном режиме, “мунлайт” — около 5-7 мА, если считать, что емкость одной ячейки 18650 около 2500 мА*ч, то получается около 20 дней непрерывной работы. Сам МК потребляет где-то 1.2-1.5 мА (при рабочей частоте 1.2 МГц).
- На максимальном режиме, “турбо” — потребляет около 1.5 А, в таком режиме проработает около полутора часов. Светодиод на таких токах начинает сильно нагреваться, поэтому данный режим не предназначен для длительной работы.
- Аварийный маячок — потребляет в среднем около 80 мА, в таком режиме фонарь проработает до 30 часов.
- Стробоскоп — потребляет около 0.35 А, проработает до 6 часов.
Светодиодный фонарик (обзор + схема)
Светодиоды рвутся вперед быстрыми темпами. Не для кого, не секрет, что они уже оставили позади лампы накаливания и дневного освящения. Светодиодная продукция дешевеет на глазах, но пока она не доступна многим из нас.
Осветить дом светодиодным светом не только выгодно, но и достаточно просто, поскольку многие светодиодные лампы и светильники имеют стандартные цоколи. Но, к сожалению, на данный момент светодиоды являются самым дорогим способом для освещения.
Но каждый из нас может позволить себе купить небольшой светодиодный фонарик или сделать его своими руками. Как его сделать? Об этом узнаете чуть позже, сначала разберем «заводской» вариант.

Данный фонарь был куплен недавно, и я решил написать небольшой обзор для широкой публики. Должен заметить, что фонарик стоил 3$, что согласитесь немало для такого малыша.
Производитель и по сей день мне не известен, поскольку фонарик продавался без коробочки, а на корпусе нет никаких эмблем и надписей.
Купил его по одной причине — больно дизайн понравился, хотя в наличии уже имелись несколько светодиодных фонарей.
Придя домой решил разобрать, но это мне не удалось, поскольку фонарь почти полностью герметичен, откручивалась только задняя часть с выключателем (и то для замены батарейки). Сразу понравилась компактность и эргономичный дизайн, корпус алюминиевый, но покрашен в черный цвет, возможно не слишком устойчив ко всяким царапинам. Выключатель прорезиненный, находится в задней части корпуса.
Фонарик антиударный и водостойкий — в этом я убедился на практике: несколько раз уронив фонарь с достаточно большой высоты, а затем погрузил в воду — все работало без косяков.

Несмотря на компактные размеры, этого мальца снабдили сверхярким светодиодом, мощность которого была выяснена опытным путем. Для начала подключил светодиод к аккумулятору мобильного телефона 3,6 Вольт 1000 мА.
Светодиод был подключен через ограничительный резистор 6,2 Ом, ток потребления светодиода составил 170мА. После этого стало ясно, что светодиод на 0,5 Ватт (плюс минус 0,1 ватт), немало для такого фонарика.
- Источником питания является одна минипальчиковая батарейка с напряжением 1,5 Вольт.
- На фотографиях можно увидеть сравнение этого фонарика с более мощным фонарем (второй снабжен мощным супер-ярким светодиодом на 0,5 ватт).
Схема светодиодного фонарика
Было очень интересно, что за зверь питает такой фонарик и просто ради интереса решил посмотреть на внутренности, после чего был приятно удивлен. Поскольку корпус антиударный и почти полностью герметичный, то нужно разломать, чтобы дойти до начинки — DC-DC преобразователя напряжения и на то у меня ушло минут 5.

Внутри я обнаружил простенькую схему драйвера на основе СХ2601. Архивов о преобразователе очень мало, можно сказать, что вообще нет. Выходной ток схемы доходит до 350 мА, это означает, что такой компактный преобразователь способен питать достаточно мощные светодиоды на 1Ватт.
- Схема светодиодного фонарика
Схема заработала от пониженного напряжения (1,2 Вольт), что очень радует, поскольку можно питать ее от никелевых аккумуляторов. К драйверу был подключен светодиод на 1 ватт, работает драйвер отлично, без каких-либо перегревов.
Выходное напряжение было измерено только после добавления диода и конденсатора, выяснилось, что на выходе драйвера 4,2 Вольт (под нагрузкой 1 ватт снижается до 3,6 Вольт) Ток потребления от батарейки доходит до 1,5 Ампер, поэтому штатная пальчиковая батарейка выдыхается очень быстро.
Проекты по теме:
К сожалению аккумулятор был изношен и его хватало для работы фонаря в течение 2 часов.




Состоит из двух ячеек по 2 вольта, соединённых последовательно. Типовыми неисправностями фонариков с аккумулятором являются: Выход из строя элементов сетевого выпрямителя диодов, электролитического конденсатора, резистора в цепи индикации ; Неисправность кнопки-выключателя легко чинится любой подходящей кнопкой с фиксацией или же рокерным выключателем ; Деградация старение аккумулятора;.
При положении движка переключателя в крайнем левом положении общий вывод подключается к левому выводу переключателя. Этот фонарик за доллара. Все три светодиода от аккумуляторов при номинальном напряжении 3,6 В потребляют ток не более 75…80 мА по мере разряда элементов ток будет снижаться, но все равно свечение будет достаточно ярким для подсветки. Введение транзисторов выровняло яркость, однако они имеют сопротивление и на них падает напряжение, что вынуждает преобразователь повышать уровень выходного до 4В, для снижения падения напряжения на транзисторах можно предложить схему на рис. Как оказалось в ручке небыло радиоэлектронных элементов. ВОССТАНОВЛЕНИЕ ГЕЛЕВЫХ АККУМУЛЯТОРОВ СВОИМИ РУКАМИ
Сборка фонарика
Когда плата была готова и прошивка была залита, можно было наконец ставить ее на место старого драйвера. Я выпаял старый драйвер и припаял на его место новый.
Проверив, нет ли короткого замыкания по питанию, подключил питание и проверил работоспособность
Затем смонтировал плату зарядки (TP4056), для этого пришлось немного дремелем рассверлить отверстие разъема зарядки, и зафиксировал ее термоклеем (тут важно было, чтобы клей не затек в разъем, достать его оттуда будет сложно)
Я не стал прикручивать плату винтами, т. к. резьба в корпусе сорвалась от многократных закручиваний, а просто залил ее клеем, провода тоже заклеил в местах пайки, дабы они не перетирались. Драйвер и ЗУ я решил покрыть акриловым бесцветным лаком, это должно помочь от коррозии.

Похожие материалы:
Характеристики фонарика STE-15628-6LED
- 6 светодиодов (3 в отражателе + 3 в боковой панели)
- 2 режима работы
- встроенное ЗУ
- магнит для крепления
- размеры: 11х5х5 см
Внешне абсолютно исправное и привлекательное изделие не создавало светового потока. Ну, разве возможно чтобы вот такая замечательная вещица была совершенно не на что не годной? Данная модель была в единственном экземпляре, но любитель электроники во мне «вещал», что всё преодолимо.

Провод оторвался при вскрытии корпуса, а вот опалённой пластмасса уже была и наводила на мысль, что подгорели электронные компоненты схемы зарядного устройства, а аккумулятор может быть и вполне исправным.

С него и начал проверку. Напряжение на клеммах вольтметр показал равным одному вольту. Имея уже некоторый опыт общения с такими аккумуляторами начал с того, что открыл на нём верхнюю предохранительную планку, снял резиновые колпачки, долил в каждую «банку» по одному кубику дистиллированной воды и поставил на зарядку. Зарядное напряжение 12 В, ток 50 мА.

Зарядка в режиме повышенного напряжения (вместо штатных 4,7 В) длилась два часа, в наличии более 4 вольт.

Раз аккумулятор годный к эксплуатации то ему нужно зарядное устройство, собранное по более приличной схеме и на более надёжных электронных компонентах, нежели чем от китайского резистор на входе, был пробит один из двух диодов 1N4007 выпрямителя и дымился при включении ЗУ резистор светодиода. В первую очередь необходимы надёжный конденсатор не менее чем на 400 вольт, диодный мост и подходящий стабилитрон на выходе.
Принцип работы
В основе датчика движения — инфракрасное сенсорное устройство и схема сравнения (компаратор), включающая операционный усилитель. Если детектор находится в режиме ожидания, напряжение, идущее от сенсора, равняется опорному напряжению. Таким образом, на выходе из схемы имеется нулевое напряжение.
Также в схеме имеется устройство задержки выключения. Благодаря этому свет выключается не сразу после выхода объекта из радиуса охвата детектора, а спустя какое-то время (обычно 60-120 секунд).
В фонаре имеется несколько светодиодов. Данные устройства представляют собой полупроводники, образующие яркое свечение и отличающиеся экономным потреблением электроэнергии
Немаловажное достоинство светодиодов — долгий срок службы, достигающий 50 тысяч часов
На рисунке внизу показана схема функционирования светильника с инфракрасным датчиком движения.
Изготовление фонаря состоит из поэтапного уровня
Первым делом берут емкость батарейки из ненужной материнской платы компьютера и отсоединяют все связывающие от микросхемы. Затем кнопку регулирования светового потока припаивают к плюсу контакта емкости, используя провода из меди.
- После этого ножку светодиода паяют ко второму контакту переключателя, а вторую ножку соединяют с минусом емкости.
- Получают электрическое устройство, срабатывающее нажатием на кнопку.
- Далее убеждаются в исправности прибора, вставляя батарейки в емкость, нажимая на кнопку.
- Если все в порядке продолжают работу.
- Завершающим этапом заливают места скреплений горячим клеем, и ждут остывания пробора.
- Помещают все составляющие прибора в корпусную часть и скрепляют для надежности в нужных местах.
- Такой фонарик удобен в обиходе и не займет много места.

«Даже большой мастер не может обучить другого мастера: различные ключи подходят к различным замкам.» Это знаменитое выражение относится к Илье Григорьевичу Эренбургу – советскому прозаику. И с ним тяжело не согласиться.


Схема аккумуляторного фонарика на светодиодах
фонарик налобный со светодиодами BL — 050 — 7C
Фонарик BL — 050 — 7C поступает в продажу со встроенным зарядным устройством, при подключении такого фонарика к внешнему источнику переменного напряжения — осуществляется подзарядка аккумуляторной батареи.
Аккумуляторные батарейки, а точнее электрохимические аккумуляторы,- принцип зарядки таких элементов основан на использовании обратимых электрохимических систем. Вещества, образовавшиеся в процессе разряда аккумулятора, под воздействием электрического тока — способны восстанавливать свое первоначальное состояние. То есть подзарядили фонарик и можем дальше им пользоваться. Такие электрохимические аккумуляторы или отдельные элементы, могут состоять из определенного количества, — в зависимости от потребляемого напряжения:
- количества лампочек;
- типа лампочек.
Количество, комплект таких отдельных элементов фонарика, — представляют из себя батарею.
Электрическую схему фонарика рис.2 можно рассматривать как состоящей из простой лампочки накаливания так и из определенного количества светодиодных лампочек
Для любой схемы фонарика что именно важно? — Важно то, чтобы потребляемая энергия лампочками состоящими в электрической цепи — соответствовала выдаваемому напряжению источника питания батареи, состоящей из отдельных элементов
Читаем схему соединений:
Резистор R1 сопротивлением — 510 кОм и номинальным значением мощности — 0,25 Вт в электрической цепи соединен параллельно, за счет данного большого сопротивления, напряжение на дальнейшем участке электрической цепи значительно теряется, а точнее, часть электрической энергии преобразовывается в тепловую энергию.
Налобный светодиодный фонарь
В последние годы подобный световой прибор получил достаточно широкое распространение. Действительно, ведь очень удобно, когда руки свободны, а луч света бьет туда, куда смотрит человек, в этом как раз главное преимущество налобного фонарика. Раньше таким могли похвастаться только шахтеры, да и то для его ношения нужна была каска, на которую фонарь, собственно, и крепился.
Сейчас же крепление подобного прибора удобно, носить его можно при любых обстоятельствах, да и на поясе не висит довольно объемный и тяжелый аккумулятор, который, к тому же, еще и обязательно нужно раз в сутки заряжать. Современный намного меньше и легче, притом имеет очень маленькое энергопотребление.
Так что же представляет собой подобный фонарь? А принцип его работы нисколько не отличается от светодиодного. Варианты исполнения такие же – аккумуляторный или со съемными элементами питания. Количество светодиодов варьируется от 3 до 24 в зависимости от характеристик батареи и преобразователя.
К тому же обычно такие фонари имеют 4 режима свечения, а не один. Это слабый, средний, сильный и сигнальный – когда светодиоды моргают через короткие промежутки времени.
Схема налобного светодиодного фонаря
Режимами налобного светодиодного фонарика управляет микроконтроллер. Причем при его наличии возможен даже режим стробоскопа. К тому же светодиодам это совсем не вредит, в отличие от ламп накаливания, т. к. их срок службы не зависит от количества циклов включения-выключения по причине отсутствия нити накаливания.
Модернизация переключателя режимов работы фонаря
Для завершения работы по ремонту и модернизации фонарей необходимо выполнить перепайку проводов на выводах переключателя.
В моделях ремонтируемых фонарей для включения применен четырех позиционный переключатель движкового типа. Левый вывод на приведенной фотографии является общим. При перемещении движка переключателя из крайнего левого положения на одну позицию вправо, общий его вывод последовательно подключается к остальным.

К первому общему выводу (смотри фотографию выше) нужно припаять провод, идущий от положительного вывода аккумулятора. Таким образом появится возможность подключать аккумулятор к зарядному устройству или светодиодам. Ко второму выводу можно припаять провод, идущий от точки соединения катода светодиода HL1 с Rd. К остальным вывода переключателя в зависимости от предпочтений подключаются провода, идущие от дополнительной подсветки в фонаре и основной платы со светодиодами. К оставшемуся свободным выводу можно припаять токоограничивающий резистор R5 величиной 5,6 Ом для возможности переключения фонарика в энергосберегающий режим работы.
Как разобрать светодиодный аккумуляторный фонарь Lentel GL01
При этом аккумуляторы не придется вынимать из отсека фонарика, если на его корпусе установить соединительный разъем Х2. В авторском варианте в качестве трансформаторного блока применен стандартный блок, предназначенный для питания модемов.
Алюминиевая плечевая часть тюбика от зубной пасты , крема и т.
Для простоты и наглядного примера рассмотрим простейший генератор, состоящий из двух полюсного магнита и одной обмотки. Настройка электрической схемы фонаря сводится к регулировке тока заряда аккумулятора. Он настолько слаб, что полежав неделю, уже не горит.
Брать делитель еще меньше, чтобы понизить напряжение в точке V2, нельзя т. Лампа гореть при таком напряжении, конечно, еще будет, но вряд ли можно говорить о ней как о реальном источнике света. В схеме для получения высокого КПД желательно использовать чип-компоненты.
На этот раз речь пойдёт о фонарике с аккумулятором. Его можно сделать из железной проволоки 0.
Если не сложно сбросьте параметры катушки. Диод Шоттки. Трансформатор я делал на небольшом ферритовом кольце — выпаянном из нерабочей материнки. Master
Ремонт бытовой техники своими руками
Можно ли собрать схему на более простых компонентах транзисторах? Так как LP это микромощный стабилизатор, ток до mA , то пришлось поэкспериментировать. Обязательно попробую скорее всего на выходных , надеюсь на успех!
Операционный усилитель U2B — усиливает напряжение, снимаемое с датчика тока. Доработка Фонарика vlad — Затем переменное напряжение после гасящего конденсатора выпрямляется диодным мостом на диодах VD1 — VD4 1N С увеличением номинала резистора допустимое напряжение разряда увеличивается, и наоборот. ДЕЛАЕМ ПРОСТОЕ ЗАРЯДНОЕ УСТРОЙСТВО ДЛЯ АКБ с авто выключением при полном заряде
Схема светодиодного фонарика
Величину резистора легко узнать по цветовой маркировке с помощью онлайн калькулятора. Так вот у меня есть специальная коробка для мобильных остатков шнурки, старые батареи, карточки и т. А располагать светодиоды удобнее в линейку, на расстоянии около 5 мм друг от друга, например, как это показано в конструкции на рисунке ниже. Следовательно конденсатор С будет оставаться в заряженном состоянии.
Если светодиод не светит, необходимо поменять местами крайние выводы первичной или вторичной обмотки трансформатора. Если блокинг генератор не запустился — вы перепутали концы обмоток трансформатора.
Парафин для заливания всего преобразователя.
Во время зарядки фонарик был включен, ток через светодиоды и резисторы превысил предельный, что и привело к выходу их из строя.
По заявлению производителя световой поток фонаря достигает метров, корпус выполнен из ударопрочного ABS-пластика, в комплекте имеется отдельное зарядное устройство и ремень для переноса на плече. Как получают переменный ток — преобразование механической энергии в электрическую энергию при помощи генератора.
Я измерял выходное напряжение, и оно составило В. Разумеется, возможно, применение и других светодиодов с напряжением питания 2, В.
Устройство заряда аккумуляторов для фонаря Для подзаряда аккумуляторов от бортовой сети автомобиля можно воспользоваться схемой, показанной на рисунке ниже.
Садовый фонарь на солнечной батарее. Как он …
Основные составляющие
Конструкция светодиодного фонарика будет состоять из одних и тех же узлов вне зависимости, самодельный он, или изготовлен на фабрике. Важным требованием для него станет мобильность, т.е. это должен быть аккумуляторный фонарь с зарядкой от сети 220 В (самый простой и доступный вариант), или от USB компьютера, ноутбука
Этот способ позволяет подзарядить светодиодный прибор в полевых условиях, что весьма важно в походе

Основные узлы и детали такого
устройства:
- мощный
светодиод или матрица; - радиатор для отвода тепла;
- аккумулятор;
- модуль зарядки;
- отражатель с линзой;
- корпус.
Большинство деталей изготовить своими руками невозможно. Обычно используют готовые узлы, приобретенные специально для такого случая или взятые из сломанных устройств. Единственный вариант, допускающий творческий подход — корпус фонарика, так как сделать его можно из различных деталей-доноров.




































