Необходимые материалы и детали
Чтобы собрать качественное устройство, надо заранее купить все нужные составляющие. Часть можно найти в гараже у автолюбителей, иные — раздобыть у знакомых.
Список:
- Светодиодная матрица с драйвером. Такие есть на старых фонарных столбах, которые уже вышли из строя — их мощности будет вполне достаточно, но придется заменить перегоревшие лампы. Еще лучше купить новый элемент в специализированном магазине электроники.
- Корпус. Его готовят своими руками из разных подручных материалов — металла, фанеры. Можно взять старый галогеновый фонарь или купить новый.
- Соединительные провода. Потребуются для подсоединения готового устройства к сети питания.
- Фольга. Нужна для создания отражателя. Купить ее можно в продуктовом магазине, главное, чтобы плотность была высокой.
- Надежный клей и герметик либо средство 2 в 1.
- Радиатор охлаждения. Будет нужен для изготовления мощного прожектора — на 100 Ватт и более.
Для работы потребуются такие инструменты:
- болгарка;
- аппарат для сварки;
- дрель со сверлом;
- паяльник с припоем.
Источники света
Светодиоды — главный элемент осветительного прибора, без них не будет выполняться основная функция устройства
Их качеству стоит уделить самое пристальное внимание при покупке. Все светодиоды в рамках одного прибора обязаны быть строго одинаковыми по типу, техническим параметрам (вольт-амперные характеристики)
Тип светодиодов
Рекомендуется сразу купить достаточное количество запасных диодов (до 10), которые заменят поврежденные при монтаже изделия. Неудачное монтирование — не редкость, и покупка с запасом избавит от неудобств.
Существует три основных типа светодиодов:
- В форме пластиковой капсулы со штыревыми выводами. Годятся для создания прожекторов малой мощности, для фонарей, стоят дешево. Сила света от таких диодов невелика. У профессионалов есть специальные приборы для определения мощности светодиодов по размеру самих кристаллов, в противном случае придется довериться продавцу. Работать с такими светодиодами легко, ремонтировать — проще простого.
- Сверхяркие белые светодиоды на металлической подложке. Их применяют для создания высокомощного осветительного оборудования, система отведения тепла эффективная и простая. Стоимость таких изделий невысока.
- Светодиодные LED-матрицы. Это высокомощные светодиоды, работать с которыми рекомендуется только профессионалам. Обычным способом отводить тепло от них не получится, следовательно, прожектор быстро придет в негодность.
Материал корпуса
Чтобы разместить пару или больше светодиодов и матриц на одной плате, лучше сделать корпус из жести, тонколистовой стали. После сгибания коробки края шлифуют, швы соединяют заклепками. Сверху изделие грунтуют, наносят эмаль по металлу. Дальше работать с заготовкой можно только после полного высыхания.
Источник питания
После сбора диодов надо подумать о подаче напряжения. Бытовые источники тока не применяются, нужен специальный LED-драйвер, который подает пульсирующий стабильный ток.
LED-драйвер
Высокого напряжения (220 Вольт) светодиодам для питания не требуется, им достаточно 3,2 – 12 Вольт. Если подать к устройству большее напряжение, его можно попросту сжечь. Именно для исключения таких последствий любой прожектор должен иметь LED-драйвер. Его предназначение — стабилизация постоянного тока.
Практически для всех самодельных светодиодных прожекторов годится драйвер LED-лент или систем интерьерного освещения. Его покупают заранее в готовом виде, согласно техническим параметрам рассчитывают количество диодов и разрабатывают схему их соединения. Она будет зависеть от напряжения на выходе и тока стабилизации.
Блоки питания
Такие приборы применяются на прожекторах, которые построены на LED-матрицах. Для малых устройств небольшой мощности можно применять блоки питания общебытового значения с выходным пульсирующим током 0,5 – 1,5 А, напряжением на несколько вольт больше, чем прямое напряжение светодиодов. Для стабилизации тока используются микросхемы LM317, а для приборов более высокой мощности — LM350, LM338.
Светодиодная сборка: что потребуется
В случае решения о самостоятельной сборке светодиодного прожектора, у вас в любом случае возникнет вопрос, о том какие детали нужно приготовить для изготовления качественного устройства.
Список необходимых запчастей для самостоятельной сборки светодиодного прожектора такой:
Самой важной частью такого прожектора является матрица со светодиодами и установленным драйвером. Такую матрицу можно приобрести в специальном магазине электроники или просто снять со старого фонаря. В том случае если вы будете использовать светодиоды с фонаря, то вам необходимо убедится в достаточной мощности этих светодиодов
Выбрать корпус для прожектора. Его можно подобрать из любого материала или изготовить его самостоятельно из фанеры или железа, а так же его можно приобрести в магазине. Стоимость такого корпуса доступна каждому. Выбор корпуса необходимо делать на основе, для каких целей он будет использоваться в собранном состояние. В том случае если он используется для декорации, то тогда следует отдавать предпочтение красивым и гармоничным корпусам, а для бытового использования можно использовать самый простой корпус. Провода для соединений. В качестве проводов может быть использован любой кабель подходящего под мощность сечения. Материал для изготовления отражателя. Для изготовления отражателя подойдет обычная пищевая фольга, которая продается в любом магазине. Герметик и клей. Для крепления элементов можно использовать любой герметик и клей, который подойдет для крепления элементов прожектора
В том случае если вы будете использовать светодиоды с фонаря, то вам необходимо убедится в достаточной мощности этих светодиодов. Выбрать корпус для прожектора. Его можно подобрать из любого материала или изготовить его самостоятельно из фанеры или железа, а так же его можно приобрести в магазине. Стоимость такого корпуса доступна каждому. Выбор корпуса необходимо делать на основе, для каких целей он будет использоваться в собранном состояние. В том случае если он используется для декорации, то тогда следует отдавать предпочтение красивым и гармоничным корпусам, а для бытового использования можно использовать самый простой корпус. Провода для соединений. В качестве проводов может быть использован любой кабель подходящего под мощность сечения. Материал для изготовления отражателя. Для изготовления отражателя подойдет обычная пищевая фольга, которая продается в любом магазине. Герметик и клей. Для крепления элементов можно использовать любой герметик и клей, который подойдет для крепления элементов прожектора.
В том случае если вы будете изготовлять прожектор более под 220 Вт, то вам необходимо будет установить куллер с радиатором.
Самодельный светодиодный прожектор может работать не хуже чем установка Даташит afb3hf из Китая. Своими руками вы можете вместо привычных галогенок, установить новый блок питания и инфракрасный датчик, который будет включать лампы на определенное количество вольт. Дополниться сборка может любой деталью, например, сюда отлично подойдет подставка. Однако давайте не будем забывать, о том, что не только датчик, но и галогеновый агрегат должен собираться с умом, поэтому вам потребуется схема.
Лучшие светодиодные прожекторы на 50 Вт до 1000 рублей
Если сравнивать с лампами ДРЛ, светодиодный прожектор светит в 5 раз мощнее, а если установить энергосберегающие лампы – в 2 раза экономнее.
SAFFIT SFL90-50 IP65 50W
Мощный светодиодный прожектор обладает высоким уровнем защиты от механических воздействий и погодных условий. Широко используется для оснащения архитектуры подсветкой, а также парковой территории, площади, приусадебных участков, служебных помещения и др. Корпус состоит из алюминиевого материала литого типа, произведенного под сильным давлением. Благодаря подвижной головной части владелец сможет самостоятельно управлять яркостью и световым потоком подсветки.
SAFFIT SFL90-50 IP65 50W
Технические особенности:
| Сила света, Лм | 4500 |
| Температура цвета, К | 6400 |
| Число диодов | 84 |
| Угол рассеивания | 120° |
| Напряжение, В, Гц | 230, 50 |
| Размеры, см | 22,1х15,2х3,6 |
| Эксплуатационный срок, ч | 30000 |
| Цена, руб. | 780 |
FL-LED LIGHT-PAD 50W 2700К 4250LM 220В IP65
У данной модели классический дизайн, выполненный в черном цвете. Устройство мощностью 50Вт способно воспроизводить теплый белый свет благодаря цветовой температуре в 2700К.
Модель работает от напряжения в 195-240В, поэтому не нуждается в адаптере. Она обладает высоким индексом цветопередачи более 80 Ra, поэтому освещенные предметы передают максимально естественные цвета. Угол рассеивания равен 120°, а эксплуатационная температура – от -20°С до +45°С. По размерам модель составляет 25х20,5х4 см. На нее распространяется гарантия от производителя в размере двух лет. Цена 850 рублей.
IEK СДО 07-50 50ВТ 4000ЛМ IP65 LPDO701-50-K03
Светодиодный прожектор обладает высокой цветовой температурой, благодаря чему способен воспроизводить мощный световой поток холодного белого цвета. Сила излучения достигает 400 Лм, при этом угол рассеивания луча равен 120°. Работает модель от источника электросети с напряжением 220-240 В.
Коэффициент мощности составляет более 0,9%. Здесь имеется защита первого класса от поражения электрическим током, а по ГОСТу сертифицируется как IP65. Эксплуатационный температурный режим – от -40°С до +50°С. Корпус состоит из алюминиевого сплава, а рассеиватель – из закаленного термостойкого стекла. Это обеспечивает максимальную устойчивость перед механическими и атмосферными воздействиями. Цена – 720 рублей.
WOLTA WFL-100W/06
Основным элементом в конструкции является матрица с диодными вставками SMD. Корпус производится из прочного литого алюминия, внешняя часть которого покрыта полимерным напылением для отталкивания влаги. Конструкция имеет высокий уровень устойчивости перед механическими и атмосферными воздействиями, переменой температуры и агрессивной средой. Прочая колба из закаленного стекла способна равномерно распределять световой поток, поскольку имеет высокую способность пропускания света.
WOLTA WFL-100W/06
Параметры:
| Температура цвета, К | 5500 |
| Мощность светового потока, Лм | 4250 |
| Угол рассеивания | 120°܄ |
| Эксплуатационный срок, ч | 50000 |
| Габариты, см | 20,5х17,5х4,7 |
| Цена, руб. | 610 |
Монтаж радиоэлементов
Если вы выбрали светодиоды со штыревыми выводами, для их монтажа потребуется пластина текстолита. Продумайте схему размещения и нарисуйте перманентным маркером токоведущие дорожки. Аноды всех светодиодов (длинные хвосты) допустимо собрать на одну шину «массы». Катоды также собираются в одну точку, но в цепь питания каждого светодиода следует последовательно включить токоограничивающий резистор.

Его расчёт прост: из напряжения питающей сети вычитаем напряжение светодиода и делим на предельно допустимый ток. Чтобы перестраховаться на случай колебаний напряжения источника, допустимый ток светодиода можно заведомо занизить до 90-95% паспортного значения.
Пример схемы светодиодной матрицы из диодов с рабочим напряжением 3 вольта и рабочим током 20 мА
Ориентировочное напряжение питания для одного светодиода составляет 4 В. Если источник выдаёт больше, целесообразно включать диоды по смешанной схеме, где параллельно соединены гирлянды, в каждой из которых по одному светодиоду на каждые 4-5 В напряжения. Допустимый ток для такой последовательной сборки определяется как сумма допустимых токов каждого, а прямое напряжение остаётся тем же, при условии что у каждого светодиода этот параметр одинаков.

Разместив элементы и нарисовав дорожки, протравите пластину текстолита в растворе лимонной кислоты (30-50 г), 3-х процентной перекиси водорода (100 мл) и поваренной соли (2 чайные ложки), периодически проверяя степень растворения незащищённых участков. Просверлите отверстия под штыревые выводы сверлом на 1,5-2 мм, просверлите восемь отверстий для крепления платы к корпусу, а затем тщательно пролудите токоведущие части припоем с канифолью.
Для светодиодной матрицы можно также использовать монтажную плату
Если вы собираете диоды или матрицы на охлаждающей подложке, их монтаж выполняется навесным способом. В качестве монтажной панели следует выбрать алюминиевый радиатор типа «расчёска». Каждый светодиод крепится посредством двух или трёх отверстий, разметьте их все сразу и просверлите с тыльной стороны радиатора сверлом на 2,5 мм.

Для крепления используйте короткие саморезы 3,5х11 мм для металлических профилей, но без бура на конце. Перед закреплением диода нанесите на подложку небольшое количество термопасты КПТ-8.

Катод (-) и анод (+) у светодиодов с подложкой маркированы, схема подключения и расчёт защитных резисторов одинаковы для всех типов. Соединять элементы между собой следует посредством отрезка телефонного провода. Чтобы не выполнять лишнюю работу, аноды можно сразу припаивать короткими перемычками к корпусу алюминиевого радиатора.
Процесс изготовления
Схема простейшая, здесь всё с большим запасом прочности и ломаться практически нечему.
Собрать эту схему не составит труда.И пару слов как это сделано.Я приклеиваю светодиоды на супер клей цианокрилат, как ни странно, но теплопроводность у него отличная и держится намертво, только в случае замены, конечно, придется попотеть (но мы же заложили большой запас мощности, поэтому это нам не грозит)

Прикручиваем шурупами радиатор и делаем из картона воздуховод к радиатору.

Делаем отражатель и закрываем окно прозрачным пластиком из коробочки сд-диска.


И вот какая мощность у нас получилась.

После прогрева температура не выше 40 градусов Цельсия.

И специально для крутых спецов – испытание на 240 и 250 вольтах.

Ничего не сгорает, и ещё приличный запас по мощности у светодиодов.
Всё надежно – можно повторять.

И конечно имеет смысл, если детали у вас в наличии.Стоимость светодиодов на ebay примерно 200 руб, а светодиодный прожектор у нас в магазине примерно в 10 раз дороже.Так что имеет смысл сделать такую подсветку для дома или гаража.
Спасибо за внимание. Сегодня весь ассортимент имеющихся на рынке светодиодных прожекторов условно можно разделить на 2 группы: недорогие низкокачественные и фирменные изделия хорошего качества с высокой стоимостью
Стоит отметить, что вторая группа активно подделывается недобросовестными производителями из Китая, что серьезно усложняет выбор
Сегодня весь ассортимент имеющихся на рынке светодиодных прожекторов условно можно разделить на 2 группы: недорогие низкокачественные и фирменные изделия хорошего качества с высокой стоимостью. Стоит отметить, что вторая группа активно подделывается недобросовестными производителями из Китая, что серьезно усложняет выбор.
Лучи возмездия
Ночь. Тишина. Вдруг раздаётся сигнал воздушной тревоги. В ночное небо устремляются сотни лучей. Внезапно один из них останавливается на силуэте немецкого бомбардировщика. Вокруг самолёта сразу же возникают вспышки – разрывы зенитных снарядов. Бомбардировщик, охваченный пламенем, устремляется вниз… Это не сюжет художественного фильма, а лишь один из множества эпизодов ночной бомбардировки Москвы 22 июля 1941 года, важную роль в отражении которой сыграли прожекторные части Красной армии.
Создание советских прожекторных частей ПВО
О создании систем ПВО в Советском Союзе задумались в 30-е годы. 4 октября 1932 года Совет народных комиссаров СССР утвердил «Положение о противовоздушной обороне территории СССР»
Особое внимание уделялось защите четырёх крупных городов – Москвы, Ленинграда, Баку и Киева. Были созданы корпуса и дивизии ПВО, в состав которых входили части зенитной артиллерии, зенитных пулемётов, воздушного наблюдения, связи и, кроме всего прочего, – зенитные прожекторы
Прожекторные установки входили в состав прожекторных полков, а те, в свою очередь, делились на роты
Каждая прожекторная рота имела в своём составе 9 прожекторов и 3 звукоулавливателя. Передняя линия прожекторов располагалась на такой дистанции от границы огня зенитной артиллерии, чтобы зенитные батареи имели достаточно времени для подготовки к открытию огня по освещённой цели на предельной дальности
Прожекторные установки входили в состав прожекторных полков, а те, в свою очередь, делились на роты. Каждая прожекторная рота имела в своём составе 9 прожекторов и 3 звукоулавливателя. Передняя линия прожекторов располагалась на такой дистанции от границы огня зенитной артиллерии, чтобы зенитные батареи имели достаточно времени для подготовки к открытию огня по освещённой цели на предельной дальности.
Функции зенитных прожекторных частей были определены в специальном наставлении, опубликованном в 1941 году. Согласно этому документу, прожекторные установки должны были размещаться на расстоянии 3–4 км друг от друга, а их основными задачами во время ночных авианалётов противника являлись поиск и поимка лучом вражеских самолётов. После поимки расчёт прожектора должен был непрерывно освещать цель до того момента, пока её не собьёт зенитная артиллерия или истребительная авиация. В задачи прожекторных частей также входили создание ориентиров для ночных истребителей, световая сигнализация и связь. Чтобы обеспечить эффективные действия ночной истребительной авиации, прожекторы создавали световые поля на направлениях вероятного появления противника. Каждое такое поле имело 21–28 км в ширину и 10–15 км – в глубину. В центре поля находилась зона ожидания истребительной авиации. При плотном размещении прожекторов отдельные световые поля смыкались флангами, образуя сплошной световой фронт. Всего к началу Великой Отечественной войны в составе ПВО Красной армии насчитывалось 182 000 военнослужащих, свыше 3600 зенитных орудий, 650 зенитных пулемётов, 1500 зенитных прожекторов, 850 аэростатов заграждения, 45 радиолокационных станций обнаружения и 1500 истребителей.
Зенитные прожекторы
В 1927 году на вооружение советских зенитных прожекторных частей начали поступать отечественные прожекторы. Самой массовой стала модель О-15–2 – открытый прожектор с диаметром отражателя в 150 см и дальностью освещения цели в 5–6 км. В предвоенные годы части ПВО также оснащались прожекторами З-15–4Б с увеличенной дальностью освещения цели – 7–9 км.
Линзы для светодиодов в прожекторах
Большинство линз выпускают из прочного стекла наивысшего качества. По большей части их устанавливают в прожекторы или светильники уличного освещения, промышленные источники света.
Основа любой линзы — боросиликатный материал, способный по своему составу придавать прочностные характеристики и придавать изделию высокий показатель прозрачности. В магазинах большой популярностью пользуются линзы с круговой и косинусной диаграммой.
Любой светодиод имеет первоначальную оптику с углом излучения 120 градусов. Нам не всегда нужен такой угол. Как правило, диодные прожекторы освещают только определенный участок помещения. Для изменения угла рассеивания производители используют в устройстве прожекторов коллиматорные и фокусирующие линзы, френелевские преломители и т.п.

Используя колиматоры мы получаем разнообразные пучки света. Наиболее распространенные линзы на 15, 30, 45, 60, 90 градусов. Менее распространены линзы на 126 градусов, позволяющие расширить угол излучения светодиода. Еще раз повторюсь… Коллиматорная вторичная оптика нашла широкое применение в прожекторах с мощными светодиодами.

Широкое применение получили фокусирующих линз в устройствах на COB светодиодах.
Принцип работы фокусирующих линз
1 из 2

Прожектор своими руками: конструктивные особенности
Такие прожектора как светодиодные экономят больше электрического тока и способны проработать более 100 тысяч часов, а также нет необходимости в их обслуживание. К тому же они могут работать при любых погодных условиях, из-за того что улучшилось количество и качество излучаемого света.
Основные составляющие части светодиодного прожектора такие:
- Корпус. Он изготовлен из анодированного сплава алюминия. Такой корпус обеспечивает эффективный отвод тепла.
- Рассеиватель. Он изготовлен из качественного и закаленного стекла.
- Отражатель. Он сделан из алюминия. Такой отражатель способен рассеивать поток света на 120 градусов.
- Светодиоды. Они могут использоваться для прожекторов мощность, которых более 50 ватт. Использование светодиодов для прожекторов дает возможность распределит тепловую энергию и улучшить теплоотвод, а это уже дает возможность использование прожектора боле долгое время.
- Радиатор. Он выполняет функцию теплоотвода от матрицы светодиодов.
- Драйвер. Он выполняет функцию защиты для оптимальной работы прожектора при перепадах напряжения.

По конструкции прожектор из светодиодов довольно таки легкий, что и дает возможность нам самостоятельно сконструировать такое устройство в домашних условиях.
Составляющие части такого прожектора такие: корпус, скоба для фиксирования, светодиодная матрица, драйвер. Драйвер отвечает за подачу стабильного напряжения, даже если в сети перебои напряжения. Матрица состоит из диодов, которые припаяны на плату и защищены специальными полимерами, от наружного воздействия.
Плюсы светодиодного прожектора, особенность конструкции и несколько дополнительных моментов
Итак, почему же следует использовать светодиодные прожекторы.
Скорее всего, вы знаете, что устройства с LED-матрицами весьма экономичны – расход электроэнергии у них в разы меньше, чем у стандартных, а сами матрицы могут работать, по заявлениям производителя, до 50-90 тысяч часов (этого хватит примерно на 8 лет беспрерывной работы).
При этом подобные приборы хорошо защищены – пыль, грязь и другое им не страшны.
Светодиодные прожекторы подготовлены к работе на улице, также они не портятся от каких-либо погодных условий.
А качество свечения прожекторов выше обычных – некоторые модели данных прожекторов могут обеспечить хорошее свечение на расстоянии до 800 метров.
Состоит сам светодиодный прожектор из следующих частей:
- Корпус.
- Драйвер.
- Светодиодная матрица.
- И скобы для фиксации.
Сама светодиодная матрица устройства состоит из, как не трудно догадаться, диодов, которые прикреплены к плате матрицы и защищены от различных повреждений специальными соединениями из полимера.
Обычный светодиод имеет следующие составляющие:
- Анод.
- Катод.
- Линза.
- Кристалл.
- Проводник.
Однако мощный светодиод имеют немного другую конструкцию: теплоотвод, кристалл, лизну, катод, проводник.
Мощные светодиоды используют для изготовления высокомощных профессиональных прожекторов.

Если вы решили использовать их за основу для своего прожектора, то учитывайте, что чем выше мощность диода – тем больше шанс, что он преждевременно сломается (как правило, из-за перегрева).
Для решения этой проблемы вам необходимо будет сделать в прожекторы хорошую система теплоотвода, вентиляцию, разбить излучатель на части и правильно всё установить (есть два способа размещения – последовательный и параллельный).
Дополнительно при изготовлении самодельного прожектора учитывайте одну его особенность – твердотельные полупроводники крайне сильно чувствительны к перепадам температуры, это может привести к потере легирующих добавок, их деградации, что может привести к поломке оборудования.
Таким образом, если температура помещения, в котором работает прожектор будет +60 градусов цельсия, то это вызовет уменьшенную интенсивность освещения или полную поломку устройства.
Ещё один момент: если вы изготавливаете какое-либо LED-устройство, то в его схеме необходим строгий расчёт – если напряжение будет слишком высокое, то светодиоды испортятся в ближайшее время, а при низком напряжении интенсивность свечения также будет мала.
Крайне важно стабилизировать ток в сети, ибо в обратном случае может произойти перегрев оборудования. Ток должен ограничиваться максимальным значением резисторов на диодах и регулироваться приложенным напряжением
Ток должен ограничиваться максимальным значением резисторов на диодах и регулироваться приложенным напряжением.

Процесс сборки
Чтобы сделать светодиодный прожектор, нужно подготовить:
- паяльник;
- термоклей;
- герметик;
- провода питания;
- отражатель.
Для усиления света используют готовый отражатель или зеркальный скотч.

Собираем прожектор
Отдельные светодиоды нужно собрать в цепь сразу на радиаторе. Подойдет кулер от компьютера, ноутбука или сервера. Диоды прикрепляют термоклеем и соединяют дорожками или проводами. После этого подсоединяют источник питания, проверяют работу лампочек и вентилятора
Важно убедиться, что радиатор поддерживает постоянную температуру, для этого можно воспользоваться инфракрасным пистолетом
Корпус прожектора можно собрать из старого фонаря, кронштейна и алюминиевой трубы. В фонаре нужно сделать отверстие внизу для вентиляторов. Алюминиевая труба подойдет в качестве основания, а старый кронштейн можно использовать как ручку-переноску.
Подключаем в сеть
После окончания всех работ надо подключить прожектор к сети и проверить его. Лучше это делать на улице в полной темноте перед стеной. С большого расстояния нужно оценить пятно света, который дает лампа. В дальнейшем прибор можно усовершенствовать, добавить переносной аккумулятор и USB-разъем для зарядки. Удобная ручка с крючком позволит брать фонарь в походы и на рыбалку.
Информация перед процессом изготовления
Перед тем, как приступить к сборке самодельного прожектора, вам нужно узнать немного о источнике света, источнике питания (LED-драйвер и блок питания) и корпусе устройства
Про источник света
Источником света являются светодиоды, которых три основных типа:
- Пластиковая капсула со штыревыми выводами (самые простые, дешёвые и популярные диоды, они подходят для изготовления прожекторов малой мощности, стоят они недорого, с ними легко работать и ремонтировать их тоже легко, однако интенсивность свечения у них весьма низкая, срок службы зависит от производителя)
- Сверхъяркие белые на подложке из металла (используются при изготовлении мощного оборудования освещения, в них присутствует простая и эффективная система теплоотвода, а также они имеют относительно невысокую стоимость)
- LED-светодиоды в матрицах (данный тип светодиодов используется при изготовлении профессионального высокомощного оборудования освещения, они не имеют системы теплоотвода, поэтому для изготовления прожектора с ними необходим радиатор охлаждения)
Дам вам совет – купите побольше запасных диодов, штук 10.
Даже мастера не редко неправильно монтируют диоды, поэтому иметь дома запас диодов будет плюсом, ведь не придётся постоянно ходить в магазин.

Источник robostore.com.ua
Про корпус
Корпус для самодельного прожектора вы можете заказать в интернете, они недорого стоят.
Также вы можете использовать старый галогенный светильник, в таком случае вам не потребуется фольга, ведь отражатель уже будет присутствовать в корпусе
Или на крайний случай вы можете изготовить корпус для прожектора самостоятельно.
Однако такой корпус, во-первых, будет не столь эстетичен, как готовые конструкции, во-вторых, степень защиты устройства от влаги, пыли, грязи будет гораздо ниже, чем у фабричных.

Источник mastergrad.com
Источник питания
LED-драйвер.
Источнику света прожектора (светодиодам) не нужно высокое напряжение (220 вольт не подойдёт), им достаточно около 3,2-12 вольт.
Если вы подадите большее напряжение, то скорее всего просто сожжёте оборудование.
Поэтому бытовые источники питания здесь не подойдут – необходим LED-драйвер, который будет подавать пульсирующий стабильный ток в устройство.
В принципе, почти в каждой системе светодиодного освещения можно использовать LED-драйвер из систем освещения интерьера или драйвер из LED-лент.
Однако вы можете купить его в специализированных магазинах электротоваров или заказать в интернете.

Источник evrosvet.com.ua
Блок питания.
Для прожекторов небольшой мощности можно использовать стандартный общебытовой блок питания с выходящим пульсирующим током 0,5-1,5 ампер.
Напряжение блока должно быть на несколько вольт больше, чем напряжение диодов.
Для стабилизации тока используйте микросхемы LM317 и подобные, а если вы собираете высокомощный прожектор, то подойдут схемы LM350 и LM338.
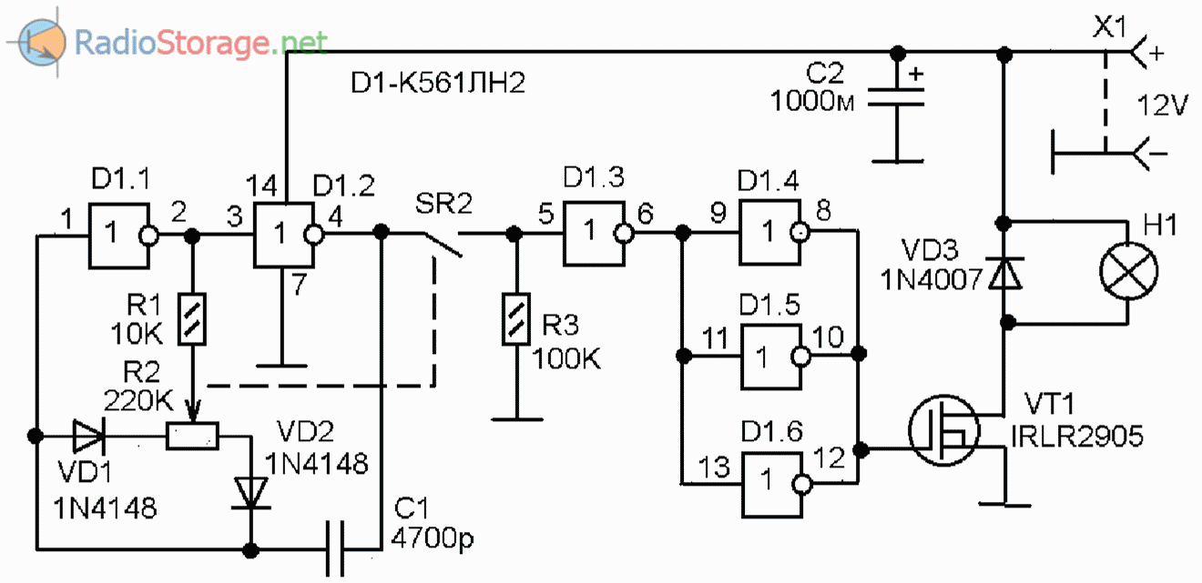
Принципиальная схема
Схема построена на имеющейся у меня элементной базе, то есть, исключительно на микросхеме К561ЛН2. В результате получилась схема, показанная на приведенном здесь рисунке.

Рис. 1. Принципиальная схема регулятора яркости свечения для прожектора на 12В.
На логических элементах D1.1 и D1.2 собран генератор прямоугольных импульсов, следующих с частотой около 1000 Гц
При помощи переменного резистора R2 осуществляется регулировка скважности этих импульсов в диапазоне примерно от 1,05 до 10
При этом частота следования импульсов меняется незначительно
Регулировка скважности происходит изменением R-составляющей частотозадающей цепи для положительной и отрицательной полуволн
Переключением частей R-составляющей («плеч» сопротивлений переменного резистора) занимаются диоды VD1 и VD2. Импульсы с выхода генератора прямоугольных импульсов на D1.1 и D1.2 через выключатель SR2 поступают на вход элемента D1.3. Выключатель SR2 является частью переменного резистора R2.
Он выключается в одном из крайних положениях этого резистора
Крайние выводы резистора подпаяны так, что SR2 выключается когда переменный резистор R2 находится в состоянии наименьшей скважности. То есть, яркость прожектора уменьшаем до минимума, потом еще немного поворачиваем, щелчок, и прожектор совсем выключается
Выключателя питания не предусмотрено, — в выключенном состоянии SR2 схема потребляет очень мало
Когда SR2 выключен на вход элемента D1.3 через резистор R3 подается нулевой логический уровень. При этом на выходе D1.3 — единица, а на соединенных вместе выходах D1.4-D1.6 — ноль
Выключателя питания не предусмотрено, — в выключенном состоянии SR2 схема потребляет очень мало. Когда SR2 выключен на вход элемента D1.3 через резистор R3 подается нулевой логический уровень. При этом на выходе D1.3 — единица, а на соединенных вместе выходах D1.4-D1.6 — ноль.
Этого напряжения недостаточно для открывания полевого ключевого транзистора VТ1. Поэтому лампа прожектора Н1 не горит вообще. При повороте вала переменного резистора R2 из состояния выключения, контакты SR2 замыкаются и через него импульсы с выхода генератора на D1.1 и D1.2 поступают на вход элемента D1.3. На элементах D1.4-D1.6 этой микросхемы собран буферный усилитель для управления выходным полевым ключевым транзистором VT1.
Этот усилитель нужен потому, что, несмотря на то что сопротивление изолированного затвора полевого транзистора стремится к бесконечности, там присутствует значительная емкость, берущая ток на свой заряд и разряд.
Соответственно, динамический входной ток затвора полевого транзистора уже существенный, и один выход КМОП-микросхемы с ним справляется с трудом. А вот три выхода — уже нормально.
Импульсы с выходов соединенных вместе выходов D1.4-D1.6 поступают на затвор VТ1
Через лампу пропускается импульсный ток, и яркость её свечения зависит от скважности импульсов этого тока
Электрическая и техническая специфика
Если вы изготавливаете самодельный прожектор, предварительно уточните особенности его электроники. Так вы сможете качественно сделать работу, и исключить влияние высоких температур на прибор.

Если активная панель прибора нагреется до критичной температуры от +60°С, снизится интенсивность излучаемого света или же случится полная поломка. Помните, чем выше мощность светодиода, тем меньше времени потребуется на выход из строя, т. к. будет перегреваться.

Когда будете изготавливать устройство в домашних условиях, позаботьтесь о создании качественной системы отведения тепла. Разделите излучатель на продуманное количество частей, и правильно расположите их. Выбор зависит от вас: параллельно или последовательно. Если изготавливается прожектор простого типа, можно установить только один элемент излучения.






































