Достоинства

- Энергоэффективность. LED способны выдавать высокий световой поток.
- Долгий срок службы. Более 50000 часов и более при правильной работе.
- Прочность. LED также называются «полупроводниковым освещением», так как они сделаны из твердого материала без разрыва нити накала, трубки или колбы.
- Период прогрева. Светодиод загорается мгновенно – в течение нескольких наносекунд.
- Не зависит от низких температур . LED прекрасно адаптируются к очень низким температурам и включаются даже при -30 градусах.
- Направление света. У них есть возможность задать свету любое направление.
- Отличная цветопередача. Им не свойственно не размывать цвета, в отличие от других светильников, таких как флюоресцентные лампы.
- Экологичность. В них отсутствует ртуть и другие опасные вещества.
- Управляемость. Яркость и цвет LED можно регулировать.
Светодиод SMD 5630: особенности и характеристики
Светодиод SMD 5630 – представляет класс высокоэффективных светодиодов средней мощности, предназначенных для поверхностного монтажа.
SMD 5630 производства Philips, Epistar, Samsung отличаются высоким коэффициентом цветопередачи, что позволяет конструировать на их основе светильники для качественного освещения внутри помещений.
В качестве примера рассмотрим светодиод LUXEON 5630 Mid-Power, выпускаемый компанией Philips lumileds.
Конструктивные особенности
SMD 5630 выполнен в корпусе размером 5,6х3,0х0,9 мм. Электрический контакт осуществляется через 4 вывода, как показано на рисунке. Они имеют следующее назначение:
- 1 – катод;
- 2 – катод;
- 3 – анод;
- 4 – не задействован.
По центру нижней части корпуса SMD 5630 предусмотрена контактная площадка размером 1,62х1,28 мм, предназначенная для эффективного отвода тепла от излучающего кристалла.
Во время монтажа она обязательно должна быть припаяна к печатной плате. При этом контакт теплоотвода электрически должен быть изолирован от анода и катода.
Для визуального определения анода и катода со стороны выводов катода на люминофоре имеется срез.
Технические характеристики
Белые светодиоды SMD 5630 на номинальном токе 100 мА излучают световой поток от 32 лм (2700К) до 36 лм (6500К). При этом падение напряжения на p-n-переходе может варьироваться от 2,9 до 3,4 В.
Для своих светодиодов Philips lumileds гарантирует коэффициент цветопередачи CRI не ниже 80 ед. и угол рассеивания света 2ϴ1/2 равный 120°.
Для пайки рекомендуется использовать низкотемпературные оловянные сплавы, придерживаясь международного стандарта JEDEC J-020B. Пайку светодиодов следует производить при температуре не выше 260°C на протяжении не более 10 сек.
Зависимость прямого напряжения от протекающего тока показана на вольт-амперной характеристике (t=25°C). Из приведенного графика следует, что падение напряжения на номинальном токе для большинства белых светодиодов SMD 5630 составляет 3,1 В. Яркость светодиода напрямую зависит от соблюдения его температурного режима работы. Как видно из графика повышение температуры в точках припоя до 85°C вызывает снижение светового потока примерно на 15%
В связи с этим очень важно избегать перегрева кристалла. Например, светодиодную ленту на SMD 5630 нужно обязательно клеить на алюминиевый профиль. На следующем графике показана зависимость светового потока от величины прямого тока
Полная светоотдача обеспечивается на токе 100 мА. При этом производитель светодиодов делает акцент на том, что замеры в контрольных точках с последующим построением характеристики производились при температуре 25°C
На следующем графике показана зависимость светового потока от величины прямого тока. Полная светоотдача обеспечивается на токе 100 мА. При этом производитель светодиодов делает акцент на том, что замеры в контрольных точках с последующим построением характеристики производились при температуре 25°C.
Область применения
Так же как и SMD 5730, светодиоды SMD 5630 устойчивы к вибрации и резким перепадам температуры (-40/+65°C), что в значительной мере расширяет их сферу применения.
Благодаря высоким эксплуатационным показателям, данный тип светодиодов устанавливают в светильники уличного, промышленного и аварийного освещения. В розничной торговой сети можно свободно купить светодиодные ленты и модули на 12 В, а также линейки на 220 В, собранные на базе SMD 5630.
Опираясь на технические данные, радиолюбителям будет несложно произвести расчёты и своими руками сделать подсветку на светодиодах SMD 5630.
К сожалению, найти в продаже фирменные светодиоды форм-фактора 5630 непросто. Вместо них на рынке превалируют китайские аналоги с сильно заниженными техническими характеристиками.
Такое несоответствие параметров объясняется установкой в корпус 5,6х3,0 мм кристалла значительно меньших размеров, который не может длительно пропускать ток в 150 мА.
Поэтому производители светодиодных ламп и лент, собранных на поддельных SMD 5630, подбирают рабочий ток на своё усмотрение, в результате чего снижается срок службы изделия.
Виды
Существует несколько разновидностей светодиодов повышенной яркости. Они различаются по названию фирм-изготовителей этих устройств или по типу монтажа на несущую поверхность:
- Epistar. Название этих изделий пошло от наименования
тайваньской компании-производителя. Это компактные высококачественные сверхяркие
светодиоды, которые имеют большой срок службы. Широко используются в разных областях светотехники; - Cree. Такие лампы — детище американской
одноименной компании. Светодиоды отличаются низким энергопотреблением,
продолжительным сроком эксплуатации и высоким качеством. Это является причиной
дороговизны элементов Cree; - SMD.
Название означает способ монтажа — непосредственно на несущую поверхность
(surface mount device). Эта группа устройств наиболее распространена и обширна.
Состоит из элементов в корпусе PLCC различных серий — LN, LA, LN, LP и
т.д. - STD.
Стандартные и всем известные круглые или овальные светодиоды сигнального типа.
Серии — 374, 503, 4SM, 5SM и т.п.; - P4
(Пиранья). Светодиод, напоминающий по форме корпуса SMD, но приподнятый над
поверхностью несущей плоскости для увеличения вентиляции и отведения тепла.
Серии — P41, P42, P43.

Существуют также мощные сверхяркие
LED-элементы фирмы Cree, известные как XLamp. Они оснащены радиаторами для
теплоотведения, поскольку высокая мощность способствует увеличенному нагреву,
который губителен для светодиодов. Выпускается три разновидности
светильников — XR, XP и MC. Они активно используются для установки в
автомобильную систему освещения.
Применение
Светодиодная лента 5730, благодаря своим техническим характеристикам, нашла широкий спектр применения:
- Из светодиодов собираются светильники, которые применяются для искусственного освещения в бытовых, производственных, других помещениях. Они выполняют функции, как основного, так и дополнительного освещения.
- Лампочки для автомобиля – внешнее освещение, подсветка в салоне, индикация света.
- Создание светильников для наружного освещения зданий, сооружений.
- Декорирование зданий внутри, снаружи.
- Подсветка рекламных щитов.
- Если последовательно подсоединить десятки диодов 5730 и расположить на печатных платах компактного размера, то можно построить прожектор, уличный фонарь.
Светодиодные ленты 5730
Благодаря яркому свечению, свойственному SMD 5730, изготовленные с их использованием Led ленты успешно используются в качестве основного источника искусственного освещения в помещениях различного типа (административные, общественные, жилые).
Мощность светодиодной ленты smd 5730 зависит от количества светодиодов, размещенных на одном погонном метре изделия. Это выражается в значениях, приведенных в нижеследующей таблице:
| Тип светодиода | Электрическая мощность одного SMD, Вт | Количество светодиодов на одном метре изделия, штук | Общая электрическая мощность одного метра LED ленты, Вт |
| SMD 5730-05 | 0,5 | 15 | 7,5 |
| 30 | 15 | ||
| 60 | 30 | ||
| SMD 5730-1 | 1,0 | 15 | 15 |
| 30 | 30 | ||
| 60 | 60 |
Как правило, светодиодные ленты реализуются мерной длины, которая составляет 5 метров.
В зависимости от вида покрытия светодиодные ленты бывают различных степеней защиты (код IP), которые регламентированы ГОСТ 14254-2015 (IEC 60529:2013) «Степени защиты, обеспечиваемые оболочками (Код IP)».
Изделия с наивысшей степенью защиты IP65 – IP68 могут быть использованы во влажных и сырых помещениях, а также непосредственно в воде для подсветки аквариумов и бассейнов.
Рабочее напряжение для подобных источников искусственного освещения бывает двух типов: 12 и 24 Вольта постоянного тока. Для управления их работой используются специальные устройства, позволяющие регулировать силу светового потока, – диммеры.
В связи с достаточно большой электрической мощностью, ленты серии SMD 5730 выделяют значительное количество тепла во время использования. Из-за этого монтаж подобных изделий необходимо выполнять с использованием алюминиевого профиля, который позволяет обеспечить теплоотвод и тем самым продлить сроки эксплуатации светодиодов.
На основе Led ленты серии SMD 5730 изготавливаются модули различной формы и размера, используемые при изготовлении светильников разного типоразмера и конфигурации.
Светодиодные ленты серии SMD 5730 – это индивидуальный стиль в оформлении домашнего интерьера и качественные показатели искусственного освещения.
0%
Какое питание будет у конструкции?
Бортовая сеть автомобиля
Аккумулятор достаточно большой емкости
Батарейки
От сети 220В.
Миниатюрные аккумуляторы
Для каких целей ты собираешь конструкцию?
Общее освещение.
Декоративная цветная подсветка.
Локальное освещение
Декоративная белая подсветка.
Дежурный свет
Какой тип SMD светодиодов выбрать
Тебе подойдет SMD 3528
Тебе подойдет SMD 5050
Тебе подойдет SMD 5630
Тебе подойдет SMD 5730
Тебе подойдет SMD 3014
Тебе подойдет SMD 2835
Перепройти тест!
Предыдущая
СветодиодыСветодиоды серии smd 5630 – технические характеристики и виды использования
Следующая
СветодиодыХарактеристики светодиода SMD 2835 и его основные отличия
Где и как используется
- Низкое энергопотребление, а также низкий уровень эксплуатационных расходов и небольшой размер способствуют их применению в самых разнообразных сферах.
- Монохромный свет хорошо подходит для светофоров и сигналов, подсветки эвакуационных знаков, аварийного освещения транспортных средств, корабельных навигационных огней и праздничных светильников.
- Благодаря долгому сроку службы, быстрому переключению, хорошему излучению при дневном свете с высокой мощностью и фокусировкой, светодиоды используются в автомобильных стоп-сигналах и поворотниках. Использование в тормозной системе повышает безопасность благодаря значительному сокращению времени, необходимого для полноценной подсветки, или более быстрому увеличению времени нарастания.
- LED широко применяются для инфракрасного освещения в ночном видении, включая камеры видеонаблюдения. Использование хроматической клавиатуры в видеопродукции возможно благодаря кольцу светодиодов вокруг самой камеры, которое направлено на светоотражающий фон.
- Они используются при добыче полезных ископаемых. Они активно используются шахтёрами для улучшения видимости. Существует несколько проектов, по улучшению сверхъярких диодов для горного дела – уменьшение бликов и увеличение области освещенность, снижая риск травматизма работников шахт.
- Им также находят применение в медицинских и образовательных целях, а также в новейших технологиях, таких как AmBX, которые используют универсальность светодиодов. НАСА даже спонсировало целые исследования по использованию светодиодов для укрепления здоровья астронавтов.
- Хорошо сочетаются со светодиодными лампами Gauss, благодаря чему можно создать оригинальное и яркое освещение.
Это интересно: Как утилизировать люминесцентные лампы и сколько это стоит — рассмотрим все нюансы
Технические характеристики LED SMD 5730

Внешний вид SMD LED 5730
Светодиод выпускается в формате SMD (безвыводном) в корпусе имеющем размеры 0,57 х 0,3 см и предназначен для монтажа на печатную плату со стороны проводников. Сверления отверстий не требуется.
Светодиод выпускается в двух модификациях – с одним кристаллом и с двумя (иногда маркируется как 5730-1). Характеристики прибора led 5730 удобнее разделить на электрические и оптические. Электрические параметры для двух вариантов исполнения сведены в таблицу.
| Количество кристаллов, шт | Потребляемая электрическая мощность, Вт | Падение напряжения, В | Номинальный рабочий ток, мА |
| 1 | 0,5 | 3..3,2 | 150 |
| 2 | 1 | 3..3,2 | 300 |
Важнейший для расчета систем освещения параметр – световой поток – составляет:
- для однокристального исполнения 40-50 лм;
- для двухкристалльного — 100-120 лм.
Первый вариант соответствует лампочке накаливания около 1 Вт, второй – 2..2,5 Вт.
Остальные параметры определяются конструкцией светоизлучающего прибора, поэтому для двух модификаций с достаточной для практики точностью их можно принять одинаковыми:
- Телесный угол излучения равен 120 градусам. Это означает, что с каждой стороны свет виден под углом 60 градусов.
- Спектр излучения может лежать в интервалах:
- 3000-4000 К (теплый белый);
- 4300 – 4800 К (нейтральный белый);
- 5000 – 5800 (чистый белый);
- 6000 – 7500 (холодный белый).
- Рабочая температура окружающей среды – от минус 40 до +85 градусов.
- Индекс цветопередачи CRI=60..80. Верхнее значение относится к хорошему уровню, неискажающему цвет предметов обстановки. Относится к продукции известных фирм. CRI=60 – не лучший вариант, цвета могут выглядеть неестественно. Такое значение параметра имеют дешевые светодиоды неизвестного происхождения.
Светодиод SMD 5630: характеристики, конструкция, применение
Светодиод SMD 5630 представляет собой чип, обладающий высокой теплопроводностью, большим сроком эксплуатации, низким тепловым сопротивлением. Данный полупроводниковый прибор устойчив к температурам и вибрациям. Благодаря своим характеристикам нашел применение в коммерческом и бытовом освещении.
Конструкция
Конструктивно светодиод smd 5630 представляет собой планарный элемент с габаритными размерами 5,6 мм х 3,0 мм х 0,8 мм. Внутри корпуса из термоустойчивого пластика располагается мощный кристалл.
Имеет 4 вывода, как показано на рисунке. Анод, то есть положительный электрод, обозначен цифрой 4, катод, соответственно, цифрой 2. Другие выводы элемента не задействованы.
С задней стороны корпуса приделана теплоотводящая подложка, размерами 1,7 мм х 1,25 мм (5).
Выводы имеют размеры 0,8 мм х 0,9 мм. Внимательно соблюдайте полярность при монтаже светодиода. Поверхность кристалла защищена рассеивающей линзой из силиконового компаунда.
Технические параметры
Характеристики светодиода 5630, естественно, зависят от производителя. Если вы покупаете продукцию проверенных брендов, таких как Cree, Philips или Osram, то можете не переживать о том, чтобы заявленные параметры соответствовали действительности.
Но, конечно, цена у таких светодиодов будет гораздо выше, чем у их китайских аналогов
Поэтому, обратите внимание, покупая товар неизвестного бренда, лучше возьмите большее количество, чем вам надо по расчетам освещенности
На графике изображена вольт-амперная характеристика качественного LED при температуре окружающей среды 25°С.
Теперь обозначим пределы, в которых находятся основные технические параметры LED 5630:
- мощность – 0,5–1,1 Вт;
- прямое напряжение – 3-3,8 В;
- рабочий ток – 150 мА;
- импульсный ток – до 400 мА;
- световой поток – 40-60 лм;
- рабочая температура -25+85°С;
- угол рассеивания — 120°
- температура хранения – 40+100°С;
- индекс цветопередачи – 80-90 Ra;
- срок эксплуатации – 25000-30000 часов.
Цветовая температура светодиода может быть: теплый белый (2700-3500 К), нейтральный белый (3500-5000К) и холодный белый (5000-6400К). А также данные LED выпускаются в синем, янтарном, голубом, оранжевом, желтом и зеленом цвете.
Особенности применения
Светодиоды smd 5630 считаются одними из самых распространенных форм-факторов в своем семействе. Они отличаются своими хорошими показателями эффективности, поэтому широко применяются в светодиодных лампах. А также выпускается большое количество LED лент на их основе.
Посмотрите видео обзор ленты на базе LED 5630. Вы сможете оценить светоотдачу и компактный вид устройства с использованием описанного полупроводникового прибора.
Данные светодиоды часто используются для индикаторной подсветки в автомобиле, для освещения витрин в магазинах и для интерьерных решений в квартире. В то же время, светодиоды 5630, за счет использования в них сверхъяркого кристалла позволяют применять их для уличного освещения, как декоративного, так и прикладного толка.
И еще кое-что об использовании LED smd 5630. Светодиод предназначен для поверхностного монтажа на печатную плату. При пайке соблюдайте следующие рекомендации. При работе паяльником его температура не должна превышать 260°С и касание не должно быть дольше 10 секунд. В случае пайки оплавлением используйте низкотемпературную паяльную пасту.
На рисунке показаны размеры площадок для напайки и полезные сведения для разводчика плат.
Обобщая все вышесказанное, можно сделать вывод, что светодиоды 5630 устойчиво заняли свое место на рынке светодиодной продукции. Высокие показатели яркости допускают их использование в разных осветительных устройствах. А выбор качественных LED обеспечит вам надежную службу любого осветительного прибора, который вы создадите на их основе.
Реальная мощность китайских светодиодов
90% китайской продукции, например на базаре Aliexpress, изготовлена на маломощных диодах, которые гораздо слабей фирменных. Фирменные, это производства Samsung, LG, Philips и другие. Китайцы этим активно пользуются, указывая параметры, как будто там установлены Самсунги. После покупки оказывается, что яркость и мощность ниже в 3-4 раза, чем обещал продавец.
Чтобы научится отличать по внешним признакам хороший от плохого по размеру кристалла читайте статью «Характеристики светодиодов«.
| Китайские 5630, 5730 тип №1 | Китайские 5630, 5730 тип №2 | Китайский 5050 | |
| Мощность | 0,09W | 0,15W | 0,1W |
| Яркость | 7 лм | 12 лм | 8 люмен |
Получается, что китайский 5630 (5730) на 0,15W слабее фирменного 5050 на 0,2W. Будьте бдительны при выборе товара.
Основные характеристики SMD 5630
SMD 5630 на светодиодной ленте
Если у вас плохо со знанием английского языка, или вас не интересуют все его интимные подробности, то напишу краткую таблицу его основных параметров, которой будет достаточно, чтобы вы смогли разобраться в светодиодной ленте 5630 или лампе.
Технические характеристики приведены для популярного диода нейтрально-белого света производства Самсунг за 2011 год
| Параметр | 5630 |
| Номинальный световой поток, Люмен | 40 -50 |
| Мощность | 0,5 Вт |
| Рабочая температура, градусов | до + 85 |
| Номинальный ток, мА | 150 |
| Напряжение питания, при токе 700 мА | 3,3 вольт |
| Длина и ширина, мм | 5,6 x 3 |
| Угол свечения, градусов | 120 |
| Индекс цветопередачи | от 80 до 90 Ra |
Светодиоды СМД 5630, как и SMD 5730 производят множество компании, такие как Samsung, Philips, Epistar и множество компаний из Китая. Именитые производители соблюдают все технические требования и параметры друг от друга практически не отличаются. А вот у китайских фабрик есть, диоды очень плохого качества, как правило, по соответствующей цене.
Или они устанавливают в корпус SMD 5630 кристалл заведомо более низкой мощности. Китайский диод отличается недолговечностью работы в номинальном режиме, поэтому обычно его включают на 35% мощности. поэтому на китайских лампочках так много светодиодов, а световой поток невелик. Только в таком режиме он сможет отработать положенные ему 20.000 часов.
Одна моя лампа кукуруза на диодах 5630 отработала непрерывно 2 с небольшим года, то есть 20,000 часов. Проведенные тесты показали, что за это время китайские светодиоды деградировали на 30% от первоначальной яркости.
Требования к пайке
Производитель прибора установил предельную температуру нагрева при монтаже – 300 град.С. На этот параметр и надо ориентироваться при пайке. Если используется фен, следует установить температуру воздуха в этих пределах. Для пайки надо применять низкотемпературные пасты.
При использовании паяльника температуру жала также следует отрегулировать так, чтобы она не превышала установленный предел. При пайке в качестве теплоотвода можно использовать пинцет, но время контакта жала и светодиода не должно превышать 3 секунды. Для монтажа надо применять мягкие легкоплавкие припои. Производитель гарантирует работоспособность LED при однократной пайке независимо от способа.
Важно! В качестве припоя нельзя использовать сплавы Вуда и Розе. При эксплуатации светодиода рабочая температура может достигать и превышать температуру плавления этих составов
Характеристики СМД светодиодов
Каждый вид SMD светодиода характеризуется не только величиной излучения и количеством потребляемого тока, но и другими параметрами. Тип изделия определяет применение прибора и особенности монтажа.
Характеристики светодиода 3528
Как видно из таблицы, светодиод SMD 3528 бывает однокристальным и трехкристальным. В первом случае он может генерировать белый нейтральный и теплый свет, а также желтый, синий, зеленый и красный. Во втором подает сразу несколько цветов. Однокристальный вариант оборудован 2 выводами для подсоединения, а трехкристальный – 4 (1 катод и 3 анода). Чтобы предупредить влияние окружающей среды, кристаллы заливаются прозрачным компаундом. Материал может включать люминофор: так выравнивают цветовые показатели прибора.
Световой поток, который излучает прибор, невелик. Зато SMD 3528 обладает миниатюрными размерами и регенерирует разные цвета. Благодаря этому светодиоды используют в лентах подсветки и недорогих декоративных светильниках.
Характеристики светодиода 5050
Светодиод SMD 5050 может включать 3 или 4 кристалла. Для одноцветного светильника выбирают одинаковые или близкие по оттенку кристаллы. 5050 отличается более высокой яркостью – в 3 раза больше, чем 3528. В диодах предусмотрена такая же защита: прозрачный компаунд или люминофор.
Прибор отличается лучшим соотношением мощности и цены и обеспечивает любой цвет светового потока. Как правило, 5050 устанавливают на декоративные осветительные ленты – одноканальные, RGB, RGBW. Если увеличить плотность крепления – до 60 штук на 1 м, светодиодную ленту можно использовать не только как украшение, но и для освещения интерьерных элементов. Ленты оснащены контроллерами, что позволяет регулировать оттенок и интенсивность света.
Характеристики светодиода 5630
Элемент 5630 имеет только однокристальное исполнение, но отличается высокой мощностью: генерирует световой поток в 57 люменов. Цвет белый, с разной температурой: холодный, дневной, теплый. Прибор защищен 2 старисторами и может выдерживать импульс тока до 400 мА.
У светодиода 4 вывода, но работу элемента обеспечивает только 2. 2 других вместе с подложкой требуются для отвода тепла. Применяют диод при изготовлении мощных ламп и прожекторов.
Важно! Яркость диода зависит от температуры воздуха. При +85 градусов показатель падает на 25%
Характеристики светодиода 5730
Однокристальный вариант обладает такой же мощностью, что и 5630, а вот трехкристальный SMD светодиод 5730 втрое мощнее: изучает свет яркостью до 158 люменов. Также предназначен для получения светового потока белого цвета, но с разной цветовой температурой.
Модификация отличается очень низким тепловым сопротивлением, что позволяет обойтись без двух дополнительных выводов, как в 5630. При этом она выдерживает также импульсный ток.
Элемент отличается высокой производительностью и используется также как и 5630 – при производстве мощных светодиодных светильников.
Характеристики светодиода 3014
Однокристальный элемент умеренной мощности – до 11 люменов, и очень небольших размеров. В качестве защиты используется компаунд. Светодиод генерирует белый свет – теплый, холодный, основные цвета, а также оранжевый. Эту относительно недавно появившуюся модификацию относят к категории слаботочных.
При монтаже изделия нужно учитывать его особенность: выводы у него нетипично длинные и достигают нижней части корпуса. Таким образом, улучшается теплоотвод.
Главное назначение 3014 – модули и ленты декоративной подсветки. Нередко диоды применяют при производстве автомобильных ламп и настольных приборов.
Характеристики светодиода 2835
Из всех типов SMD светодиодов модель является самой мощной: излучает примерно на 20% больше света, чем 5730. Так можно уменьшить энергопотребление. Однокристальный прибор производят в трех версиях разной мощности. Он излучает белый свет разной температуры. По размерам близок к элементу 3528, но имеет круглую линзу.
Этот вариант наиболее популярен, так как применяют его при изготовлении буквально любых осветительных приборов: ламп на улице, прожекторов, бытовых светодиодных светильников. А это означает большое количество подделок, где вместо одноваттного диода устанавливают элемент меньшей мощности.
Расшифровка названия
В названии лент SMD 5630 и 5730 указаны размеры корпусов светодиодов, а не их технические данные, как некоторые думают.
SMD расшифровывается как — «surface mounted device». Что в переводе на русский означает — вещь, прибор, элемент смонтированная на поверхность, то есть подложку ленты.
Четыре цифры после сокращения — это размеры (длина и ширина) корпуса светодиода закрепляемого на подложке.
Причем в этот корпус производитель может смонтировать любой кристалл светодиода, от самого мощного, до самого слабого. Отсюда и разные характеристики, казалось бы одинаковых по названию моделей.
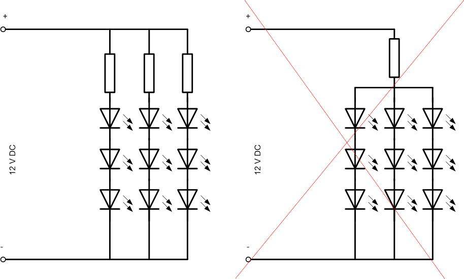
Схема включения на 12 вольт
Прямое напряжение светодиода 5730 составляет 3 В, поэтому вы не можете подключить его напрямую к цепи 12 В. Вам нужен балластный резистор. Он ограничит ток в цепи и погасит избыточное напряжение.

Включение одиночного светодиода 5730 в цепь 12В
Рассчитывается по следующему алгоритму:
- Рассчитывается падение напряжения на резисторе — разница между напряжением питания 12 В и падением напряжения на диоде (3 В): Ures = Upit-Uled = 9 В.
- По закону Ома рассчитывается величина сопротивления: R = Ures / Iwork, где Iwork — рабочий ток светодиода, 150 или 300 мА, в зависимости от версии светодиода. Полученное значение не всегда находится в пределах стандартного диапазона, поэтому вам нужно выбрать наиболее близкое значение.
- Мощность резистора рассчитывается по формуле P = Ures * Iwork. Полученное значение следует округлить до ближайшего более высокого стандартного значения.

Включение цепи светодиода 5730 в цепь 12 В
Светодиоды можно подключать гирляндой. Общее количество не должно превышать 3 — ограничение диктует напряжение питания. Четыре и более устройства на 12 В не могут быть открыты и что-то еще должно упасть на балластный резистор. Расчет в этом случае существенно не отличается от расчетов при использовании светодиода, но формула для напряжения на резисторе должна учитывать количество элементов:
Урес = Упит-Н * Улед, где N = 2 или 3, в зависимости от количества полупроводниковых элементов.
В расчете не учитывается сопротивление светодиодов в открытом состоянии, но оно небольшое, поэтому принципиально не повлияет на результат.
Результаты расчетов для всех вариантов включения светодиода 5730 в цепь постоянного напряжения 12 В сведены в таблицу.
| Количество светодиодов в цепочке | 1 | 2 | 3 | |||
| Количество кристаллов в футляре | 1 | 2 | 1 | 2 | 1 | 2 |
| Сопротивление резистора, Ом | 62 | 33 | 39 или 43 | ветры | ветры | 10 |
| Мощность резистора, Вт | 1.5 | 3 | 1 | 2 | 0,5 | 1 |

Параллельное соединение светодиодных гирлянд
Цепи можно соединять параллельно, соблюдая две точки:
- Источник питания должен выдерживать конечную нагрузку.
- У каждой цепи должен быть свой резистор. Не рекомендуется подключать светодиоды параллельно. Из-за разброса функций яркость свечения будет разной. В худшем случае элементы начнут выходить из строя.
Логичный вопрос: почему не выходят из строя pn-переходы, когда в пакете установлено два и более кристалла? Ведь они тоже устанавливаются параллельно. Ответ прост: эти элементы производятся одной партией, поэтому разброс их характеристик минимален.

Как определить катод и анод светодиода
Итоги
SMD 5630 и 5730 не просто не сдают позиции, а сохраняют их год за годом. В чём секрет доверия, которое проявляют любители и профессионалы? В компактности, большой мощности, широком диапазоне доступных рабочих напряжений, увеличенной светоотдаче, низком энергопотреблении, экологичности диодов.
Светодиодные конструкции на основе LED 5630 и 5730 просты в установке, энергоэффективны и представляют достойную альтернативу люминесцентным, галогеновым, неоновым элементам, лампам накаливания и другим привычным приборам.
Однако потребителям стоит учитывать специфику данных чипов: в частности, то, что их нельзя устанавливать напрямую на мебель. Высок риск перегрева (он существует у всех светодиодов, но у SMD 5630 и 5730 — особенно). Монтировать светодиодные ленты 5630, 5730 следует исключительно вместе с алюминиевым профилем, цена которого часто сопоставима со стоимостью изделия или даже превышает её.
Также необходимо предусматривать систему дополнительного охлаждения, иначе светодиоды могут вскоре после начала эксплуатации потускнеть или вообще выйти из строя ввиду тепловой деструкции кристаллов.
Советуем ориентироваться на производителей с мировыми именами и не вестись на бюджетные аналоги с непроверенных сайтов. В магазине Novolampa выбор огромен: в разделах представлены товары известных фирм. Если перед покупкой засомневаетесь в надёжности компании, захотите получить общую консультацию или уточнить детали, закажите обратный звонок. Менеджеры магазина Novolampa свяжутся с вами и ответят на любые вопросы по теме.
Возврат к списку
Нашли дешевле?
Нашли данный товар дешевле в другом магазине? Наши специалисты готовы сделать скидку от цены конкурента. Для этого необходимо заполнить все нижеуказанные поля и наши менеджеры с Вами свяжутся.




































