Строение кабельного ввода

Кабельные вводы – это устройства, предназначенные для прокладки и защиты кабелей при их подключении к различным электротехническим устройствам и оборудованию. Они используются во многих отраслях промышленности и строительства, где требуется надежное и безопасное подключение проводов и кабелей.
Строение кабельного ввода включает в себя несколько основных компонентов:
- Корпус – это внешняя оболочка ввода, которая защищает провода и кабели от воздействия внешней среды, такой как пыль, грязь, вода и другие вредные факторы. Корпусы гермовводов могут быть различных цветов и материалов, в зависимости от их применения и требований производителей.
- Сальники – это уплотнительные элементы, которые обеспечивают герметичность ввода и предотвращают проникновение влаги и пыли внутрь. Сальники могут быть выполнены из разных материалов и иметь разные характеристики, в зависимости от условий эксплуатации и требований кабельного ввода.
- Изоляция – это слой материала, который обеспечивает электрическую изоляцию проводов и кабелей внутри ввода. Изоляция может быть выполнена из разных материалов, в зависимости от требований кабельного ввода и его класса защищенности.
Кабельные вводы отличаются по своей конструкции, типу материала, классу защищенности и другим характеристикам. Они могут быть предназначены для использования внутри помещений или на открытом воздухе, в различных условиях эксплуатации и для разных типов кабелей.
Основные критерии выбора кабельного ввода включают в себя:
- Класс защищенности – определяет, насколько ввод защищен от проникновения влаги и пыли. Классы защищенности обозначаются цифрами и буквами, например, IP65, IP66 и т.д.
- Тип материала – определяет устойчивость ввода к воздействию различных внешних факторов, таких как ультрафиолетовое излучение, химические вещества и механические повреждения.
- Размер – определяет диаметр кабеля или провода, который может быть подключен к вводу.
- Применение – определяет, в каких условиях и для каких целей может быть использован данный кабельный ввод.
Преимущества кабельных вводов включают в себя:
- Надежное и безопасное подключение проводов и кабелей.
- Защита от воздействия внешних факторов, таких как пыль, грязь, влага и другие.
- Простота монтажа и использования.
- Широкий диапазон применения в различных отраслях и устройствах.
Выводы:
Кабельные вводы – это важные устройства, которые обеспечивают надежное и безопасное подключение проводов и кабелей к различным электротехническим устройствам и оборудованию. Они имеют различные характеристики, такие как класс защищенности, тип материала и размер, которые необходимо учитывать при выборе подходящего ввода. Кабельные вводы являются надежным и простым в использовании решением для обеспечения безопасности и защиты проводов и кабелей от внешних воздействий.
Кабельные скрутки СИЗ (соединительные изолирующие зажимы)
Сортировать по:
Сортировать по:
| Нажмите на логотип производителя чтобы посмотреть все его товары в этом разделе. |
Внимание! Внешний вид товара, комплектация и характеристики могут изменяться производителем без предварительных уведомлений. Данный интернет-сайт носит исключительно информационный характер и ни при каких условиях не является публичной офертой, определяемой положениями Статьи 437 Гражданского кодекса Российской Федерации. Данный интернет-сайт носит исключительно информационный характер и ни при каких условиях не является публичной офертой, определяемой положениями Статьи 437 Гражданского кодекса Российской Федерации
Данный интернет-сайт носит исключительно информационный характер и ни при каких условиях не является публичной офертой, определяемой положениями Статьи 437 Гражданского кодекса Российской Федерации.
Указанные цены действуют только при оформлении требуемой продукции через форму заказа сайта shop220.ru (корзину).
Особенности и отличия
Данные муфты на сегодняшний день выпускаются как для соединения под одну клемму, так и сразу нескольких.
Последние, естественно, идут чуть большего размера.
Такую муфту в отличие от ее старых, герметичных собратьев можно открыть и закрыть в любой момент. Вдруг вам понадобится проверить контакты.
Easy Protect применяется не только в быту, но и во всех секторах промышленности. Кроме эл.сетей низкого напряжения муфты отлично герметизируют и слаботочку.
Сам кожух защищен от ультрафиолета. Разместив его открытым способом на фасаде дома под прямыми лучами солнца разрушение стенок муфты не произойдет.
В некоторых случаях даже не нужно устанавливать лишних герметичных распредкоробок, делать страшные скрутки с болтовым соединением и мотками изоленты поверх.
Можно конечно купить и сборно-разборную муфту на резьбовом соединении.
Но это все равно проигрывает в оперативности и универсальности установки. А с вышеуказанными wago все получается очень компактно, изящно и надежно.
Самое главное опять же, не превышать номинальный ток зажима и защищать кабель соответствующим автоматом.
Акт герметизации кабельных вводов
Качество выполнения работ по герметизации подземных либо внутренних проходок кабелей (труб) подтверждается составлением соответствующего акта. Коммуникационные вводы/выводы обследуются представителями:
- подрядной строительно-монтажной организации;
- технадзора заказчика;
- проектной организации.
Приемочный акт подписывается перечисленными лицами, с указанием в документе:
- наименования объекта;
- типов инженерных линий (кабельных, водопроводных, газовых и т.д.);
- соответствия выполненных работ государственным строительным стандартам и проектным требованиям.
На основании заключений акта по герметизации коммуникационных проходок на объекте разрешается проведение плановых работ или предписывается выполнение соответствующих внеплановых.
Герметизация вводов инженерных коммуникаций
Герметизирующая манжета для защиты торцов футляра тип DU …
Подробнее…
Герметизирующая манжета для защиты торцов футляра тип KG/KO …
Подробнее…
Герметизирующая манжета для защиты торцов футляра тип KT ТУ 2531-003-58859224-2014…
Подробнее…
Герметизирующая манжета для защиты торцов футляра тип STM…
Подробнее…
Герметизирующая манжета АР Конус тип 2 для защиты торцов футляра ТУ 2531-003-58859224-2014…
Подробнее…
Герметизирующая манжета АР Конус тип 3 для защиты торцов футляра ТУ 2531-003-58859224-2014…
Подробнее…
Уплотнительная манжета для стеновых вводов…
Подробнее…
Уплотнительная манжета для стеновых вводов тип VDW …
Подробнее…
Гидроизолирующий воротник…
Подробнее…
Гидроизолирующий воротник с хомутами…
Подробнее…
Гильза стальная…
Подробнее…
ПВХ Гильза…
Подробнее…
Уплотнитель кольцевого пространства марки АР с оцинкованными/нержавеющими болтами и гайками ТУ 2531-…
Подробнее…
Уплотняющее кольцо «Лабиринт»…
Подробнее…
Мало кто задумывается над тем, что проведение инженерных коммуникаций часто является причиной последующей сырости и влажности на цокольных этажах или в подвале. А все потому, что герметизации вводов не было уделено достаточно внимания. Если герметизация вводов в дом выполнена некорректно или вообще упущена, то потом решать вопрос с излишней влажностью помещений уже практически бессмысленно.
Чем важна герметизация вводов в подвальное помещение
Квалифицированные строители обязательно позаботятся, чтобы была выполнена любая герметизация вводов и выпусков инженерных коммуникаций:
- герметизация вводов инженерных подземных коммуникаций;
- герметизация вводов в резервуары;
- герметизация вводов системы отопления в здание;
- герметизация вводов тепловых сетей;
- герметизация проходов кабелей;
- герметизация вводов водопровода;
- другие виды герметизации вводов инженерных коммуникаций.
Зачастую проблема герметизации вводов инженерных коммуникаций в здание и в особенности в подвальном помещении заключается в наличии огромного количества самых разнообразных герметиков. Но даже герметизация вводов инженерных коммуникаций в здание СНИП веществом может оказаться недейственной, если проведена с нарушением стандартных требований. И тогда подвал постоянно будет подтапливаться, что может явиться в скором будущем причиной аварийного состояния совершенно нового здания.
Герметизация вводов инженерных коммуникаций СНИП и другие ее виды
На сегодняшний день герметизация вводов инженерных сетей может осуществляться при помощи следующих герметиков:
- герметизация вводов коммуникаций посредством специальных гидроизолирующих растворов;
- герметизация вводов в здание с помощью саморасширяющихся смесей из бетона;
- герметизация кабельных вводов и трубопроводов, благодаря установке гидроворотника.
- пенная герметизация инженерных вводов;
- герметизация вводов трубопроводов на основе резиновых уплотнителей кольцевых пространств;
- герметизация проходов кабелей при содействии особой герметизирующей пасты Стопак;
Какой бы ни была герметизация кабельных вводов в здание, ее основной задачей всегда будет создание гидроизолирующего барьера, чтобы проход трубы или кабеля в стене или другой перегородке, фундаменте оставался сухим. Герметизации вводов тепловой сети в здание фото демонстрирует особенности этого процесса. При этом, герметизация кабельных вводов ПУЭ не менее эффективна, чем герметизация проходов при вводе кабелей уплотнительной массой.
Особенности герметизации проходов через стены
Всякая герметизация проходов при вводе кабелей через стены или фундамент осуществляется посредством бурения или создания иным образом специальных отверстий. Герметизация подземных вводов в таком случае всегда выполняет две основных функции:
- герметизация вводов системы отопления и других коммуникаций должна способствовать устранению любых намеков на возможные протечки изнутри или с внешней стороны трубопровода;
- материалы для герметизации вводов инженерных коммуникаций следует подбирать такие, которые смогут обеспечить надежную фиксацию кабеля или трубы в отверстии.
Надежность системы коммуникаций сегодня зависит и от правильно подобранных материалов для герметизации кабельных вводов и трубопровода, а также от корректного чертежа герметизации ввода через стену подвала или любую другую перегородку. Без изначального проекта подобные работы проводить не рекомендуется.
Типы и классификация
В основе классификации современных кабельных втулок лежат такие их характеристики, как материал изготовления, конструктивные особенности, предназначение.
В зависимости от материала изготовления, гермовводы бывают:
Пластиковые (маркируются английскими буквами PG либо MG) – изготавливаются из слаботлеющих негорючих полимерных материалов: полиамида или нейлона. Недорогие и обеспечивающие хорошую герметичность подключаемого электрооборудования они обладают при этом двумя существенными недостатками: при сильной затяжке резьбовая часть на корпусе втулки часто повреждается, в условиях наличия в воздухе взрыво,- или огнеопасных газовых смесей на корпусе и наружной гайке могут появиться трещины.
Пластиковый гермоввод
Металлические (маркируются английскими буквами PG-М либо MG-М) – данные кабельные втулки изготавливают из таких материалов, как нержавеющая сталь, латунь. Отличаются высокой прочностью, надежностью, широко применяются для подключения электрооборудования, эксплуатируемого в условиях большой концентрации в окружающем воздухе взрывоопасных газов и их смесей. По сравнению с аналогами из пластика, имеют один недостаток – достаточно высокую стоимость.
Металлический (нержавеющий) гермоввод
В зависимости от конструкции и сферы использования, гермовводы бывают:
- Общепромышленные – применяются для защиты места ввода кабеля от механических повреждений, герметизации подключаемого оборудования;
- Взрывозащищенные – защищают внешнюю среду, содержащую взрывоопасные газовые смеси, от искр и коротких замыканий, обеспечивают надежное заземление и фиксацию кабеля.
Важно! Недопустимо использование не обладающих высокой прочностью, герметичностью и надежностью общепромышленных гермовводов во взрывоопасных условиях
Классификация гермовводов
С точки зрения материала изготовления герметичные вводы бывают пластиковые (PG 36 или MG) и металлические (PG M или MG M). Их более подробные характеристики приведены в таблице.
| Марка гермоввода | Диаметр внешней резьбы под отверстие в щитке, мм | Диаметр отверстия под провод, мм |
|---|---|---|
| PG7 | 12,2 | 3-6,5 |
| PG9 | 15,2 | 4-8 |
| PG11 | 18,8 | 5-10 |
| PG13 | 20,5 | 6-11 |
| PG16 | 22,2 | 10-13 |
| PG21 | 28,2 | 13-18 |
| PG29 | 37,1 | 18-25 |
| PG36 | 47,1 | 22-32 |
| PG42 | 53,7 | 32-38 |
| PG48 | 59,3 | 37-44 |
Также кабельные вводы отличаются и по характеристикам окружающей среды. Здесь принято выделять два вида:
- общепромышленные — обеспечивают умеренную защиту места ввода провода;
- взрывозащищенные с заземлением — применяются в помещениях со взрывоопасной или агрессивной химической средой.

Влагозащищенный кабельный сальник PG16 IP68
Основные характеристики
Основными характеристиками гермовводов являются:
- Материал изготовления корпуса, внутреннего уплотнителя – современные сальники для силовых и контрольных кабельных коммуникаций изготавливают из металла (стали, латуни), пластика (нейлона, полиамида). Внутренний уплотнитель делают, как правило, из специальной вакуумной резины или силикона.
- Цвет – серый, черный, белый, серебристый;
- Вид и размеры нарезанной на корпусе наружной резьбы – в современных моделях кабельных втулок используют три вида резьбы: метрическую (М), дюймовую (PG) и трубную (NPT). Наружный диаметр и длина резьбовых частей корпуса колеблются от 12 и 9 мм до 90 и 25 мм, соответственно.
- Наружные диаметры зажимной и фиксирующей гаек – размеры внутренней и наружной гаек колеблются от 19-20 до 75-110 мм.
- Рабочий температурный диапазон – большинство кабельных сальников может эксплуатироваться при температурах от -40 до +100 0С. Некоторые модели способны выдерживать непродолжительное повышение температуры окружающей среды до +120 0С.
- Устойчивость к агрессивным химическим веществам: соленой морской воде, кислотам, щелочам, органическим растворителям и другим нефтепродуктам.
- Степень пыле,- и влагозащиты (IP).
Гермовводы для кабеля размеры
Как подключать
Для соединения жил внутри чехла используются обычные зажимы ваго серии 221-412,413,415.
Стыкуете через них провода, помещаете зажим в гелевый раствор.
После чего защелкиваете две половинки муфты так, чтобы гель выступил наружу и плотно покрыл клеммы.
Технические характеристики муфты:
размер корпуса №1-№3 (wago до 4мм2), размер корпуса №4-№6 (wago до 6мм2)
#gallery-2 {
margin: auto;
}
#gallery-2 .gallery-item {
float: left;
margin-top: 10px;
text-align: center;
width: 100%;
}
#gallery-2 img {
border: 2px solid #cfcfcf;
}
#gallery-2 .gallery-caption {
margin-left: 0;
}
/* see gallery_shortcode() in wp-includes/media.php */
номинальный ток – до 32А
рабочая температура – 85С (допустим нагрев до 105С!)
Для предотвращения самопроизвольного раскрытия по бокам имеются “замки”.
Всего три действия:
123
И надежное соединение со степенью влагозащиты контактов IPX8 готово.
При этом Easy Protect обеспечивает не только влаго, но и механическую защиту.
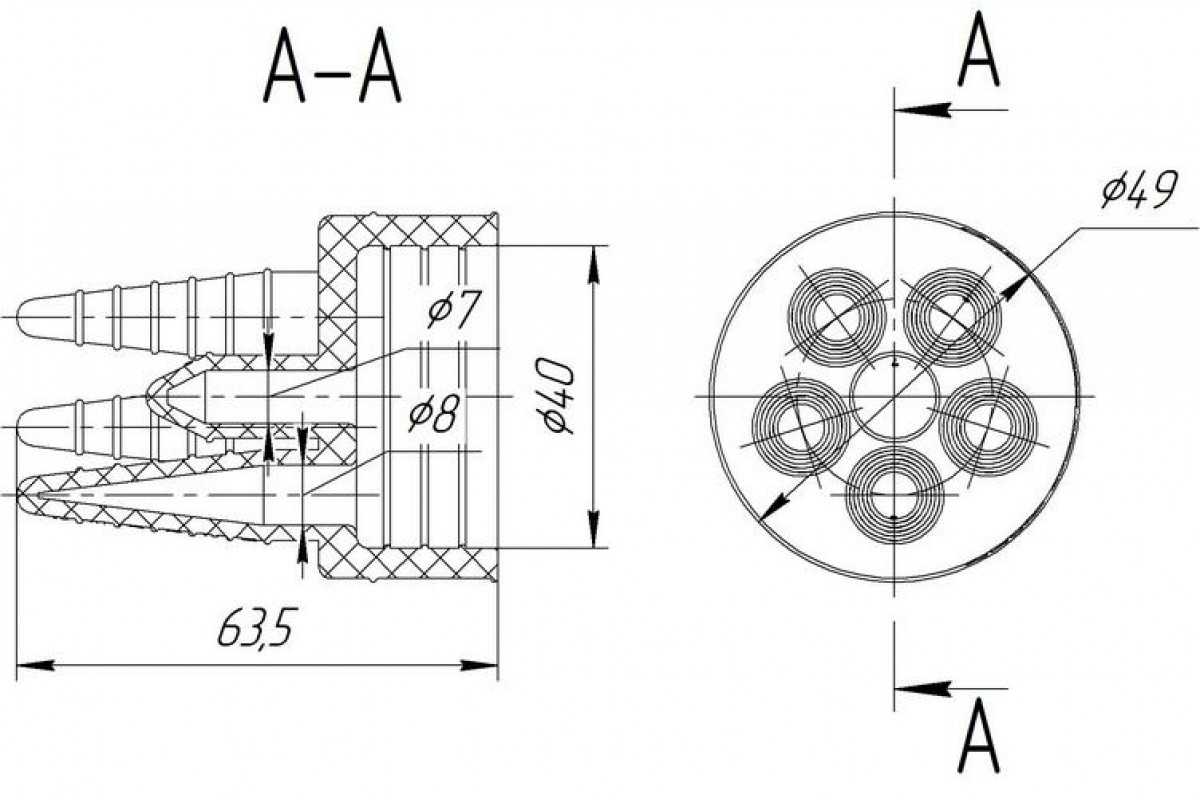
Кабельные вводы
Кабельный ввод – это устройство, позволяющее вводить в электрооборудование электрические и оптоволоконные кабели.
Основное назначение кабельного ввода – ввод кабеля в корпус изделия, его надежная фиксация и герметизация соединения для обеспечения необходимой степени защиты от неблагоприятных факторов внешней среды.
Кабельные вводы должны обеспечивать закрепление кабеля с целью предотвращения растягивающих усилий и скручиваний, действующих на кабель в местах присоединения его жил к присоединительным контактным зажимам. Кабельные вводы не должны иметь острых краев, способных повредить кабель.
Кабельные вводы различаются:
- материалом кабельного ввода (сталь, алюминий, латунь, полиамид и т.п.);
- диаметром условного прохода;
- типом кабельного ввода в зависимости от метода прокладки кабеля (кабельный ввод под открытую прокладку кабеля, под трубную разводку, под бронированный кабель, под монтаж в металлорукаве и т.п.).
Уплотнение кабеля в кабельном вводе должно обеспечиваться одним из следующих способов:
- эластомерным уплотнительным кольцом;
- металлическим или составным уплотнительным кольцом;
- герметизацией кабельного ввода компаундом.
Эластомерные уплотнительные кольца должны выполняться из материалов, которые удовлетворяют типовым испытаниям на стойкость к старению, а также не терять своих свойств при заявленных температурах эксплуатации.
Отдельная категория кабельных вводов – это Ех-кабельные вводы. Они предназначены для ввода кабеля во взрывозащищенное оборудование.
К Ех-кабельным вводам предъявляются особые требования. Если Ex-кабельный ввод рассматривают как самостоятельное изделие, то его испытание и сертификацию на соответствие требованиям по взрывозащите проводят отдельно от электрооборудования, на котором он устанавливается. В этом случае Ех-кабельный ввод имеет собственную маркировку взрывозащиты с буквой U на конце, обозначающей, что кабельный ввод является Ех-компонентом. Если же Ех-кабельный ввод используется с конкретным оборудованием, то он может испытываться как отдельно, так и совместно с данным изделием.
Кабельные вводы, предназначенные для установки в оболочку с защитой вида «d», должны иметь в своей резьбовой части не менее 5 полных неповрежденных витков. Длина резьбовой части при этом должна быть более 5 мм.
Если конструкция кабельного ввода для электрооборудования группы I такова, что скручивание кабеля может привести к передаче усилий на контактные зажимы, то должно предусматриваться специальное устройство, препятствующее проворачиванию кабеля.
Для электрооборудования группы I к устройствам для разгрузки жил кабеля относятся также приспособления для стационарной прокладки кабелей и проводов, соединяющие отдельные части оборудования.
Для электрооборудования группы II допускается выполнять кабельный ввод без устройства для разгрузки кабеля, если разгрузочные устройства предусмотрены в системе прокладки кабеля.
Взрывозащищенные изделия НПО «Спектрон» комплектуются кабельными вводами собственного производства. При заказе взрывозащищенной продукции покупателю в обязательном порядке предлагается выбрать тип кабельного ввода, которым будет укомплектовано изделие. Предлагается к выбору несколько типов кабельных вводов для прокладки кабеля в трубной разводке, в металлорукаве, или для бронированного кабеля.
Как устроен кабельный ввод, как его подобрать и установить
При вводе кабелей в электрощитовое оборудование требуется его надежная фиксация для предотвращения механических повреждений и случайного вырывания кабеля. Сделать это можно с помощью профессионального крепления для кабелей – кабельного ввода. Устройство кабельного ввода позволяет прикрепить его к корпусу оборудования, а также закрепить внутри кабельного ввода сам кабель с обеспечением герметичности соединения.
Кабельные вводы (сальники) применяются во многих областях:
- Распределение электроэнергии и автоматизация в торговых и промышленных предприятиях.
- Строительные объекты с повышенным требованием к защите от влаги и пыли.
- Измерительная техника, системы управления и телекоммуникации.
- В быту и в коммунальных учреждениях.
Сейчас кабельные вводы (гермовводы) стали незаменимыми крепежными кабельными изделиями, которые обязательно используются во вводных шкафах, ответвительных и распределительных коробках, различных распределительных модулях, а также при вводе кабеля в различное электрическое оборудование. Существует много разных типов кабельных вводов, предназначенных для разных типов кабелей, для обеспечения разных уровней защиты, но в целом их устройство ничем не отличается.
Технология заделки кабеля в стальных воронках
Перед тем как начать процесс заделки кабельных концов в стальной воронке ее тщательно очищают от загрязнений и одевают на кабель со стороны, предполагаемой для обработки и немного смещают по длине, заранее обернул воронку защитной бумагой, чтобы предотвратить загрязнения.
Алгоритм заделки кабельного изделия:
- Выполняют разделку кабельных концов.
- Нагретой до 125 С мастикой МП-1 д образом обрабатывают наружный участок.
- Изолируют жилы проклейкой поливинилхлоридными лентами методом виткового перекрытия.
- Перемещают воронку на обработанный конец кабельного изделия и размыкают жилы в разные стороны.
- Отмечают месторасположение горловины, и заново передвигают ее.
- Прикрепляют бандажом заземляющий провод к кабельной оболочке и ее броне, методом пайки соединяют его.
- Удаляют лишний бандаж в зоне, где будет располагаться горловина воронки, наматывают конусообразно ряд слоев смоляной ленты, чтобы обеспечить плотное наложение горловины.
- Выполнив 4 слоя, продевают заземляющий провод, воронку ставят на нужное место, усиленно продвигая на намотку, и фиксируя хомутами, с последующим заземлением.
- К жилам приваривают наконечники, изгибают и отдаляя их от воронки и между собой на одинаковые промежутки.
- Прогревая воронку до 55 С, наполняют ее разогретой кабельной массой с уровнем не доходящим до верха на 10 мм.
- Выполняют антикоррозионные мероприятия, прокрашивают эмалью удерживающую конструкцию с хомутом и воронкой.
- Выполняют маркировку стальной воронки с обозначением регистрационного номера и размера сечения кабельной продукции.




































