В чем отличия драйвера от блока питания
Почему же для светодиодов нельзя применять простой БП, и для чего нужен именно драйвер?
Драйвер – это устройство похожее на блок питания.
Однако, как только в него подключаешь нагрузку, он заставляет стабилизироваться на одном уровне не напряжение, а ток!
Светодиоды “питаются” электрическим током. Также у них есть такая характеристика, как падение напряжения.
Если вы видите на светодиоде надпись 10мА и 2,7В, то это означает, что максимально допустимый ток для него 10мА, не более.
При протекании тока такой величины, на светодиоде потеряется 2,7 Вольт. Именно потеряется, а не требуется для работы. Добьетесь стабилизации тока и светодиод будет работать долго и ярко.
Более того, светодиод – это полупроводник. И сопротивление этого полупроводника зависит от напряжения, которое на него подано. Изменяется сопротивление по графику – вольтамперной характеристике.
Если на нее посмотреть, то становится видно, даже если вы не намного увеличите или уменьшите напряжение, это резко, в разы изменит величину тока.
Причем зависимость не прямо пропорциональная.
Казалось бы, один раз выставь точное напряжение и можно получить номинальный ток, который необходим для светодиода. При этом, он не будет превышать предельные величины. Вроде бы и обычный блок с этим должен справиться.
Однако у всех светодиодов уникальные параметры и характеристики. При одном и том же напряжении они могут “кушать” разный ток.
Мало того, эти параметры еще способны меняться при изменении окружающей температуры.
А температурный диапазон работы светодиодных светильников очень большой.
Например, зимой на улице может быть -30 градусов, а летом уже все +40. И это в одном и том же месте.
Работать они конечно будут, но в каком режиме светоотдачи и насколько долго неизвестно. Заканчивается такая работа всегда одинаково – выгоранием светодиода.
Кстати, при превышении температуры световой поток у светодиодных светильников всегда падает, даже у тех, которые подключены через драйвер. У некачественных экземпляров световой поток падает очень сильно, стоит им поработать около часа и нагреться.
У качественных изделий световой поток с нагревом уменьшается слабо, но все же уменьшается.
Поэтому каждому светильнику после запуска, нужно дать время, чтобы он вышел на свой рабочий режим и световой поток стабилизировался. Его изменение должно быть не более 10% от начального.
Многие недобросовестные производители хитрят и измеряют эти параметры сразу после включения, когда поток еще максимальный.
А уже эту последовательную цепочку подключают к драйверу. Данные цепочки можно комбинировать различными способами. Создавать последовательно-параллельные или гибридные схемы.
Назначение LED-драйверов для светодиодов
Основной функцией драйвера для светодиодов является обеспечение стабилизированного тока, проходящего через LED-прибор. Значение тока, протекающего через кристалл полупроводника, должно соответствовать паспортным параметрам светодиода. Это обеспечит устойчивость свечения кристалла и поможет избежать его преждевременной деградации. Кроме того при заданном токе падение напряжения будет соответствовать величине, необходимой для p-n перехода. Узнать соответствующее напряжение питания светодиода можно воспользовавшись вольт-амперной характеристикой.

LED-драйвер обеспечивает стабилизацию тока, проходящего через прибор
При освещении жилых и офисных помещений светодиодными лампами и светильниками применяют драйверы, питание которых обеспечивается от сети переменного тока 220В. В автомобильном освещении (фары, ДХО и пр.), велосипедных фарах, портативных фонарях используют источники питания постоянного напряжения в диапазоне от 9 до 36В. Некоторые светодиоды небольшой мощности можно подключать без драйвера, но тогда в схему включения светодиода в сеть 220 вольт должен быть внесен резистор.
Напряжение драйвера на выходе указывается в интервале двух конечных значений, между которыми обеспечивается стабильное функционирование. Существуют адаптеры с интервалом от 3В до нескольких десятков. Чтобы запитать схему из 3-х последовательно соединенных светодиодов белого цвета, каждый из которых имеет мощность 1 Вт, потребуется драйвер с выходными значениями U – 9-12В, I – 350 мА. Падение напряжения для каждого кристалла составит около 3,3В, а в общей сумме 9,9В, что войдет в диапазон драйвера.
Необходимые материалы и инструменты.
Для того, чтобы собрать самодельный драйвер, потребуются:
- Паяльник мощностью 25-40 Вт. Можно использовать и большей мощности, но при этом возрастает опасность перегрева элементов и выхода их из строя. Лучше всего использовать паяльник с керамическим нагревателем и необгораемым жалом, т.к. обычное медное жало довольно быстро окисляется, и его приходится чистить.
- Флюс для пайки (канифоль, глицерин, ФКЭТ, и т.д.). Желательно использовать именно нейтральный флюс, — в отличие от активных флюсов (ортофосфорная и соляная кислоты, хлористый цинк и др.), он со временем не окисляет контакты и менее токсичен. Вне зависимости от используемого флюса после сборки устройства его лучше отмыть с помощью спирта. Для активных флюсов эта процедура является обязательной, для нейтральных — в меньшей степени.
- Припой. Наиболее распространенным является легкоплавкий оловянно-свинцовый припой ПОС-61. Бессвинцовые припои менее вредны при вдыхании паров во время пайки, но обладают более высокой температурой плавления при меньшей текучести и склонностью к деградации шва со временем.
- Небольшие плоскогубцы для сгибания выводов.
- Кусачки или бокорезы для обкусывания длинных концов выводов и проводов.
- Монтажные провода в изоляции. Лучше всего подойдут многожильные медные провода сечением от 0.35 до 1 мм2.
- Мультиметр для контроля напряжения в узловых точках.
- Изолента или термоусадочная трубка.
- Небольшая макетная плата из стеклотекстолита. Достаточно будет платы размерами 60×40 мм.
Макетная плата из текстолита для быстрого монтажа.
Классическая схема драйвера
Для самостоятельной сборки LED блока питания разберемся с наиболее простым устройством импульсного типа, не имеющего гальванической развязки. Главное преимущество такого рода схем – простое подключение и надежная работа.
Схема преобразователя на 220 В представлена в качестве импульсного блока питания. При сборке необходимо соблюдать все правила электробезопасности, т. к. здесь нет пределов по токоотдаче
Схема такого механизма составлена из трех основных каскадных областей:
- Разделитель напряжения на емкостном сопротивлении.
- Выпрямитель.
- Стабилизаторы напряжения.
Первый участок – противодействие, оказываемое переменному току на конденсаторе С1 с резистором. Последний требуется исключительно для осуществления самостоятельной зарядки инертного элемента. На работу схемы он не оказывает влияния.
Номинальное значение резистора может находиться в диапазоне 100 кОм-1 Мом, с мощностью 0,5-1 Вт. Конденсатор должен быть электролитическим, а его эффективное амплитудное значение напряжения – 400-500 В
Когда образованная полуволна напряжения проходит через конденсатор, ток протекает до тех пор, пока обкладки полностью не зарядятся. Чем меньше емкость механизма, тем меньше времени будет затрачено на его полный заряд.
Например, прибор объемом 0,3-0,4 мкФ заряжается в течение 1/10 периода полуволны, т. е. всего десятая доля проходящего напряжения пройдет через этот участок.
Процесс выпрямления на этом участке выполняется по схеме Гретца. Диодный мост подбирается, отталкиваясь от номинального тока и обратного напряжения. При этом последнее значение не должно быть меньше 600 В
Второй каскад является электрическим устройством, преобразующим (выпрямляющим) переменный ток в пульсирующий. Такой процесс называется двухполупериодным. Поскольку одна часть полуволны была сглажена конденсатором, на выходе этого участка постоянный ток будет равен 20-25 В.
Так как питание светодиодов не должно превышать 12 В, для схемы необходимо использовать стабилизирующий элемент. Для этого вводится емкостный фильтр. Например, можно применять модель L7812
Третий каскад работает на базе сглаживающего стабилизирующего фильтра – электролитического конденсатора. Выбор его емкостных параметров зависит от силы нагрузки.
Поскольку собранная схема воспроизводит свою работу сразу, нельзя касаться оголенных проводов, т. к. проводимый ток достигает десятков ампер – предварительно проводится изоляция линий.
Схема драйверов для светодиодов с регулятором яркости на базе РТ4115 своими руками
Простой преобразователь тока можно собрать на базе готовой китайской микросхемы PT4115. Она является достаточно надежной для применения. Характеристики микросхемы:
- КПД до 97%;
- есть вывод для устройства, регулирующего яркость;
- защищена от разрывов нагрузки;
- максимальное отклонение стабилизации 5%;
- входное напряжение 6÷30 В;
- мощность на выходе 1,2 А.
Микросхема подходит для питания LED-источника свыше 1 Вт. Имеет минимум компонентов обвязки.
Расшифровка выходов микросхемы:
- SW – выходной переключатель;
- DIM – диммирование;
- GND – сигнальный и питающий элемент;
- CIN – конденсатор
- CSN – датчик тока;
- VIN – напряжение питания.
Собрать драйвер на базе этой микросхемы может даже начинающий мастер.

Возможный вариант сборки схемы драйвера для светодиодов на базе pt4115
Сравнение электронных и балластных драйверов для светодиодных ламп
Из всего выше сказанного ( возможно путанно ) можно сделать сравнительную характеристику между двумя типами драйверов для светодиодных ламп:
| Драйверы | Балластные на конденсаторах | Электронные |
| Вероятность электротравмы | Высокая. За счет отсутствия гальванической развязки с сетью. Запрещено прикосновение к элементам руками при включенной лампе | Низкая |
| Высокие токи | Не возможно получить высокие токи для свечения диодов, в результате того, что необходимы конденсаторы большого размера. Конструктивно и лампа будет больших размеров. Кроме того, увеличенные конденсаторы влекут увеличение пусковых токов, что приводит к быстрому выходу из строя выключателей | Возможно получить без особых проблем |
| Пульсация | Большая. Порядка 100 Гц. Практически невозможно избавиться из-за необходимости внедрения конденсаторов большой емкости на выходе, фильтрующих пульсацию | Легко регулируется либо отсутствует |
| Схема | Схема очень простая. Легко собирается на коленке и не требует больших познаний в радиоэлеткронике | Схема сложная. С большим количеством электронных компонентов |
| Выходное напряжение | Легко регулируется | Выходной диапазон напряжения узкий |
| Стоимость | Низкая | Высокая |
| Регулировка тока | Путем изменения емкости входного конденсатора | Более сложная. Как правило только при помощи резисторов. И то не всегда. Все зависит от сложности собранной схемы |
Какие светодиодные драйверы для ламп лучше, а какие хуже – решать Вам. У обоих есть как сильные так и слабые стороны. И те и другие можно использовать. Только в разных помещениях. Но для себя я ввел градацию простую. Никогда не считаю качественными лампами те, которые собраны на балластах из конденсаторов по причине пульсации. Я сторонник здорового образа жизни))) и поэтому определяю такие источники света сразу в мусор.
Достоинства LM317
- Диапазон стабилизации напряжения от 1,7 (включая напряжение светодиода – 3 В) до 37 В. Отличная характеристика, для автомобилистов: яркость не будет плавать на любых оборотах;
- Выходной ток до 1,5 можно подключать несколько мощных светодиодов;Стабилизатор имеет встроенную систему защиты от перегрева и короткого замыкания.
- Минусовое питание светодиода в схеме включения берется от источника питания, поэтому при креплении к корпусу автомобиля уменьшается количество монтажных проводов, а корпус может играет роль большого теплоотвода для светодиода.
Схема драйвера для мощного светодиода

Если мощность вашего светодиода превышает 1 Вт, то микросхему необходимо установить на радиатор. Вообще LM317 рассчитана на ток до 1,5.Питать нашу схему можно напряжение от 3 до 37 вольт. Согласитесь, солидный диапазон питания получается. Но чем больше напряжение, тем больше греется микросхема, учтите это.

<?xml encoding=”UTF-8″?>
Как проверить драйвер для светодиодов на работоспособность и соответствие заявленным параметрам мощности можно узнать из видео:
Проверка матрицы LED-прожектора:
Виды драйверов
Все драйвера различают по трем критериям – по способу стабилизации, конструкционным особенностям и наличию/отсутствию защиты. Рассмотрим все варианты подробнее.
Линейные и импульсные
В зависимости от схемы стабилизации тока драйверы делятся на два типа – линейные и импульсные. Они отличаются принципом работы и эффективностью.
Перед электронной схемой драйвера поставлена задача – обеспечение стабильных значений тока и напряжения, подводимых к кристаллу (светодиоду). Самый простой и дешевый вариант – включение в цепь ограничительного резистора.
Линейная схема питания:
Эта элементарная схема не способна обеспечивать автоматическое поддержание тока. При повышении напряжения он пропорционально растет и, когда превысит допустимое значение, кристалл разрушится от перегрева.
Более сложное управление осуществляется путем включения в цепь транзистора. Минус линейной схемы – снижение мощности при росте напряжения. Такой вариант допустим при работе led-источников малой мощности, но при работе мощных светодиодов такие схемы не применяют.
Плюсы линейной схемы:
- простота;
- дешевизна;
- относительная надежность.
Наряду с линейными схемами, стабилизировать ток и напряжение можно путем импульсной стабилизации:
- после нажатия кнопки заряжается конденсатор;
- после отпускания конденсатор разряжается, отдавая запасённую энергию полупроводниковому элементу (светодиоду), который начинает испускать свет;
- если напряжение растет, то время зарядки конденсатора сокращается, если падает – увеличивается.
Нажимать кнопку пользователю не приходится – за него всё делает электроника. Роль кнопочного механизма в современных источниках питания выполняют полупроводники – тиристоры или транзисторы.
Рассмотренный принцип работы называется в электронике широтно-импульсной модуляцией. За секунду может происходить десятки и даже тысячи срабатываний. КПД такой схемы достигает 95 %.
Упрощенная схема импульсной стабилизации:
Электронные, диммируемые и на базе конденсаторов
От принципа устройства драйвера зависит область его применения и эксплуатационные характеристики.
Виды драйверов по принципу устройства:
- Электронные. В их схемах обязательно используется транзистор. На выходе устанавливается конденсатор, исключающий или хотя бы сглаживающий пульсации тока. Электронные преобразователи способны стабилизировать токи до 750 мА. Драйверы электронного типа борются не только с пульсациями, но и с электромагнитными высокочастотными помехами, наводимыми электроприборами (радио, телевизор, роутер и т. п.). Минимизировать помехи позволяет наличие специального керамического конденсатора. Минус электронного драйвера – высокая стоимость, плюс – КПД близкий к 95 %. Их используют в мощных led-светильниках: автофарах, прожекторах, уличных фонарях.
- Диммируемые. Особенность диммируемых драйверов – возможность управления яркостью светильника. Регулировка основана на изменении тока на выходе, который и определяет яркость светопотока. Драйвер можно включать в схему двумя способами: между светильником и стабилизатором или между источником питания и преобразователем.
- На основе конденсаторов. Это недорогие модели, используемые для бюджетных светодиодных светильников. Если в схеме производитель не предусмотрел сглаживающий конденсатор, то на выходе наблюдается пульсация. Другой минус – недостаточная безопасность. Плюс подобных моделей – высокий КПД, стремящийся к 100 %, и простота схемы. Подобные драйверы легко собрать своими руками.
В корпусе и без него
Драйвер может быть размещен внутри защитного корпуса, но может и не иметь его. Электронные схемы уязвимы перед многими внешними факторами, поэтому более надежным вариантом считается размещение драйвера в корпусе.
Корпус защищает электронный преобразователь от влаги, пыли, попадания прямых солнечных лучей и т. д. Бескорпусные модели обходятся дешевле, но у них меньше срок службы и хуже стабильность эксплуатации. Они больше подходят для скрытого монтажа.
Вольтамперная характеристика светодиода (ВАХ)
Светодиод – нелинейный элемент электрической цепи, его ВАХ по форме практически идентична обычному кремниевому диоду. На рисунке 1 приведена ВАХ мощного белого светодиода, одного из ведущих мировых производителей.
Рисунок 1
По графику видно, что при увеличении напряжения всего на 0,2 В (например, участок 2,9…3,1 В), сила тока увеличивается более чем в два раза (с 350 мА до 850 мА). Справедливо и обратное: при изменении тока в достаточно широких пределах, падение напряжения изменяется весьма незначительно
Это очень важно
Второй важный момент – падение напряжения от образца к образцу в одной партии может отличаться на несколько десятых долей вольта (технологический разброс). По этой причине источник питания светодиодов должен иметь стабилизацию по току, а не по напряжению. Световой поток, кстати, нормируется также в зависимости от прямого тока. Теперь посмотрим, как эта информация пригодится при выборе схемы подключения.
Последовательное соединение (рисунок 2).
Рисунок 2
На схеме показано последовательное включение трех светодиодов HL1…HL3 к источнику постоянного тока J. Для простоты возьмем идеальный источник тока, т.е. источник, обеспечивающий постоянный ток одинаковой величины, независимо от нагрузки. Поскольку сила тока в замкнутом контуре одинакова, через каждый элемент, последовательно включенный в этот контур, протекает ток одинаковой величины I1=I2=I3=J. Соответственно обеспечивается одинаковая яркость свечения. Разница в падениях напряжения на отдельных светодиодах не имеет в этом случае никакого значения и отражается только на величине разности потенциалов между точками 1 и 2.
Рассмотрим конкретный пример расчета подобной схемы. Пусть требуется обеспечить питание трех последовательно включенных светодиодов током 350 мА. Падение напряжения при этом токе по данным производителя может составлять значение от 2,8 В до 3,2 В.
Рассчитаем требуемый диапазон выходного напряжения источника тока:
Umin=2,8×3=8,4 В;
Umax=3,2×3=9,6 В.
Максимальная мощность потребляемая светодиодами составит P=9,6×0,35=3,4 Вт.
Таким образом источник должен иметь следующие параметры:
Выходной стабильный ток – 350 мА;
Выходное напряжение – 9 В ±0,6В (или ±7%);
Выходная мощность – не менее 3,5 Вт.
Все предельно просто.
Серийно выпускающиеся источники питания для светодиодов (драйверы) обычно имеют более широкий диапазон выходного напряжения, чтобы разработчик светотехнического устройства не был привязан к конкретному количеству излучающих диодов, а имел некоторую свободу действий. В таком случае можно к одному и тому же источнику подключать последовательно, например, от 1-го до 8-ми светодиодов.
Тем не менее, последовательная схема включения имеет свои недостатки.
- Во-первых, при выходе из строя одного из диодов в цепи – по понятным причинам гаснут и все остальные. Исключение – короткое замыкание светодиода – в этом случае цепь не обрывается.
- Во-вторых, при большом количестве светодиодов, сложнее реализовать низковольтное питание.
Например, в случае если стоит задача запитать 10 светодиодов последовательно (это падение напряжения порядка 30 В) от автомобильного аккумулятора, то без повышающего преобразователя не обойтись. А это уже дополнительные затраты, габариты и снижение КПД.
Параллельное соединение (рисунок 3).
Рисунок 3
Рассмотрим теперь параллельное соединение тех же светоизлучающих диодов.
Согласно первому закону Кирхгофа:
J=I1+I2+I3,
Чтобы обеспечить каждому светодиоду одноваттный режим (I=350мА), источник тока должен выдавать 1050 мА при выходном напряжении порядка 3 В.
Как уже говорилось выше, светодиоды имеют некоторый технологический разброс параметров, поэтому на самом деле токи поделятся не поровну, а пропорционально своим дифференциальным сопротивлениям.
К примеру, если прямое падение напряжения, измеренное на этих светодиодах при токе 350 мА, составляло 2,9 В, 3 В, 3,1 В для HL1, HL2 и HL3 соответственно. То при включении по представленной схеме токи распределятся следующим образом:
I1≈360 мА;
I2≈350 мА;
I3≈340 мА.
Это значит, что и яркость свечения будет разная. Для выравнивания токов в такие цепи обычно последовательно светодиодам включают резисторы (рисунок 4).
Рисунок 4
Выравнивающие резисторы увеличивают потребляемую мощность общей схемы, а следовательно снижают эффективность.
Такой способ соединения чаще всего применяют с низковольтными источниками питания, например в портативных устройствах с электрохимическими источниками тока (аккумуляторами, батарейками). В других случаях рекомендуется соединить светодиоды последовательно.
По какой цене можно купить драйверы для светодиодов
Драйверы для светодиодов реализуются в магазинах радиодеталей. Кроме того, довольно большой ассортимент предлагают различные сайты: как специализированные, реализующие электротехнику, так и общие торговые площадки. Стоимость в зависимости от эксплуатационных характеристик может колебаться в значительных пределах от 100 дот 3500 руб.
Модель | Класс защиты | Выходное напряжение, В | Мощность, Вт | Средняя цена, руб. |
| PC3-W1A300 | IP44 | 3÷11 | 1÷3 | 115 |
| NB8-12/450 | без корпусный | 8÷12 | 6 | 108 |
| SLD5-12/600 | IP 30 | 5÷12 | 9 | 155 |
| PLD10-30/700 | IP67 | 10÷30 | 35 | 890 |
Как видно из таблицы, стоимость драйверов вполне доступна и особой необходимости в их самостоятельном изготовлении нет.
Схема подключения драйвера к светодиодам
Подключить драйвер к светодиодам просто, с этим справится каждый. Вся маркировка нанесена на его корпус. На входные провода (INPUT) подаешь входное напряжение, к выходным (OUTPUT) подключаешь линейку светодиодов. Единственно, необходимо соблюдать полярность, и на этом я остановлюсь подробнее.
Полярность входа (INPUT)
Если питающее драйвер напряжение постоянное, то вывод, помеченный знаком «+» необходимо подключить к положительному полюсу источника питания
Если напряжение переменное, то обрати внимание на маркировку входных проводов. Возможны следующие варианты:
- Маркировка «L» и «N»: на вывод «L» нужно подать фазу (находится при помощи индикаторной отвертки), на вывод «N» – ноль.
- Маркировка «~», «АС» или отсутствует: полярность соблюдать не нужно.
Полярность выхода (OUTPUT)
Здесь полярность соблюдается всегда! Плюсовой провод подключается к аноду первого светодиода, минусовой – к катоду последнего. Сами светодиоды соединяются между собой: анод последующего к катоду предыдущего.
Схема подключения драйвера к гирлянде из трех последовательно включенных светодиодов
Если у тебя очень много светодиодов (скажем, 12 шт.), то их придется разбить на несколько одинаковых групп, а эти группы соединить параллельно. При этом учти, что общая потребляемая светильником мощность составит сумму мощностей всех групп, а рабочее напряжение будет соответствовать напряжению одной группы.
При таком способе подключения токи всех четырех групп светодиодов складываются
Какими бывают драйверы для светодиодов по типу устройства
Драйверы для светодиодов классифицируют по типу устройства на линейные и импульсные. Структура и типовая схема драйвера для светодиодов линейного типа представляет собой генератор тока на транзисторе с р-каналом. Такие устройства обеспечивают плавную стабилизацию тока при условии неустойчивого напряжения на входном канале. Они являются простыми и дешевыми устройствами, однако отличаются низкой эффективностью, выделяют при работе много тепла и не могут быть использованы как драйвера для мощных светодиодов.
Импульсные устройства создают в выходном канале ряд высокочастотных импульсов. Их работа основана на принципе ШИМ (широтно-импульсной модуляции), когда средняя величина тока на выходе обуславливается коэффициентом заполнения, т.е. отношением длительности импульса к числу его повторений. Изменение величины среднего выходного тока происходит вследствие того, что частота импульсов остается неизменной, а коэффициент заполнения изменяется от 10-80%.
Благодаря высокому КПД преобразований (до 95%) и компактности устройств, они нашли широкое применение для портативных светодиодных конструкций. Кроме того, эффективность устройств положительно сказывается на длительности функционирования автономных приборов питания. Преобразователи импульсного типа имеют компактные размеры и отличаются обширным диапазоном входных напряжений. Недостатком этих устройств является высокий уровень электромагнитных помех.

КПД светодиодных драйверов достигает 95%
Перед тем как подобрать драйвер для светодиодов, необходимо знать условия его функционирования и место размещения светодиодных приборов. Широтно-импульсные драйверы, в основе которых лежит одна микросхема, имеют миниатюрные размеры и рассчитаны на питание от автономных низковольтных источников. Основное применение этих устройств – тюнинг автомобилей и светодиодная подсветка. Однако ввиду использования упрощенной электронной схемы качество таких преобразователей несколько ниже.
Виды драйверов
Все драйвера различают по трем критериям – по способу стабилизации, конструкционным особенностям и наличию/отсутствию защиты. Рассмотрим все варианты подробнее.
Линейные и импульсные
В зависимости от схемы стабилизации тока драйверы делятся на два типа – линейные и импульсные. Они отличаются принципом работы и эффективностью.
Перед электронной схемой драйвера поставлена задача – обеспечение стабильных значений тока и напряжения, подводимых к кристаллу (светодиоду). Самый простой и дешевый вариант – включение в цепь ограничительного резистора.
Линейная схема питания:
Эта элементарная схема не способна обеспечивать автоматическое поддержание тока. При повышении напряжения он пропорционально растет и, когда превысит допустимое значение, кристалл разрушится от перегрева.
Более сложное управление осуществляется путем включения в цепь транзистора. Минус линейной схемы – снижение мощности при росте напряжения. Такой вариант допустим при работе led-источников малой мощности, но при работе мощных светодиодов такие схемы не применяют.
Плюсы линейной схемы:
- простота;
- дешевизна;
- относительная надежность.
Наряду с линейными схемами, стабилизировать ток и напряжение можно путем импульсной стабилизации:
- после нажатия кнопки заряжается конденсатор;
- после отпускания конденсатор разряжается, отдавая запасённую энергию полупроводниковому элементу (светодиоду), который начинает испускать свет;
- если напряжение растет, то время зарядки конденсатора сокращается, если падает – увеличивается.
Нажимать кнопку пользователю не приходится – за него всё делает электроника. Роль кнопочного механизма в современных источниках питания выполняют полупроводники – тиристоры или транзисторы.
Рассмотренный принцип работы называется в электронике широтно-импульсной модуляцией. За секунду может происходить десятки и даже тысячи срабатываний. КПД такой схемы достигает 95 %.
Упрощенная схема импульсной стабилизации:
Электронные, диммируемые и на базе конденсаторов
От принципа устройства драйвера зависит область его применения и эксплуатационные характеристики.
Виды драйверов по принципу устройства:
- Электронные. В их схемах обязательно используется транзистор. На выходе устанавливается конденсатор, исключающий или хотя бы сглаживающий пульсации тока. Электронные преобразователи способны стабилизировать токи до 750 мА. Драйверы электронного типа борются не только с пульсациями, но и с электромагнитными высокочастотными помехами, наводимыми электроприборами (радио, телевизор, роутер и т. п.). Минимизировать помехи позволяет наличие специального керамического конденсатора. Минус электронного драйвера – высокая стоимость, плюс – КПД близкий к 95 %. Их используют в мощных led-светильниках: автофарах, прожекторах, уличных фонарях.
- Диммируемые. Особенность диммируемых драйверов – возможность управления яркостью светильника. Регулировка основана на изменении тока на выходе, который и определяет яркость светопотока. Драйвер можно включать в схему двумя способами: между светильником и стабилизатором или между источником питания и преобразователем.
- На основе конденсаторов. Это недорогие модели, используемые для бюджетных светодиодных светильников. Если в схеме производитель не предусмотрел сглаживающий конденсатор, то на выходе наблюдается пульсация. Другой минус – недостаточная безопасность. Плюс подобных моделей – высокий КПД, стремящийся к 100 %, и простота схемы. Подобные драйверы легко собрать своими руками.
В корпусе и без него
Драйвер может быть размещен внутри защитного корпуса, но может и не иметь его. Электронные схемы уязвимы перед многими внешними факторами, поэтому более надежным вариантом считается размещение драйвера в корпусе.
Корпус защищает электронный преобразователь от влаги, пыли, попадания прямых солнечных лучей и т. д. Бескорпусные модели обходятся дешевле, но у них меньше срок службы и хуже стабильность эксплуатации. Они больше подходят для скрытого монтажа.
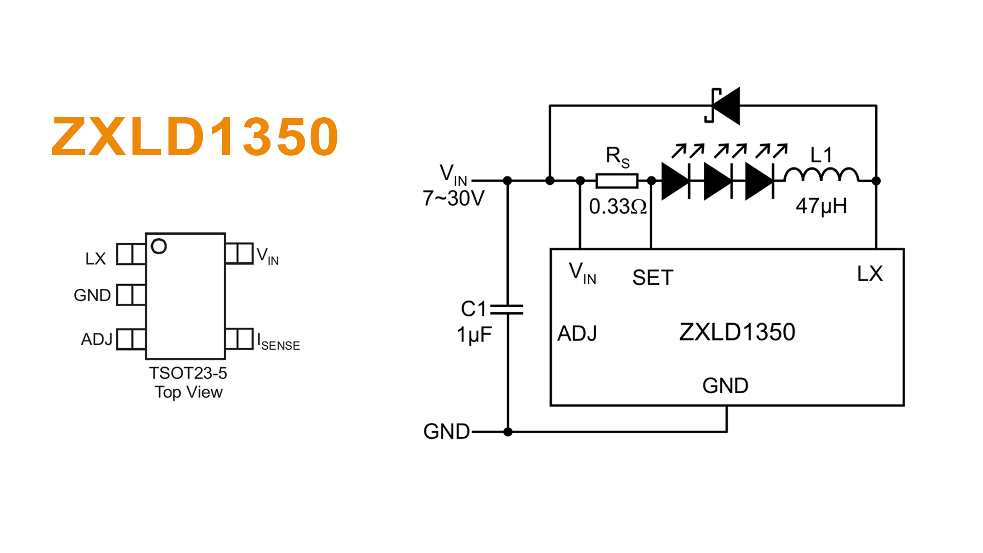
ZXLD1350
Не смотря на то, что эта микросхема является очередным клоном , некоторые отличия в технических характеристиках не допускают их прямую замену друг на друга.
Вот главные отличия:
- микросхема стартует уже при 4.8В, но на нормальный режим работы выходит только при напряжении питания от 7 до 30 Вольт (на полсекунды допускается подавать до 40В);
- максимальный ток нагрузки – 350 мА;
- сопротивление выходного ключа в открытом состоянии – 1.5 – 2 Ома;
- изменением потенциала на выводе ADJ от 0.3 до 2.5В можно менять выходной ток (яркость светодиода) в диапазоне от 25 до 200%. При напряжении 0.2В в течении, как минимум, 100 мкс, драйвер переходит в спящий режим с низким потреблением энергопотреблением (порядка 15-20 мкА);
- если регулировка осуществляется ШИМ-сигналом, то при частоте следования импульсов ниже 500 Гц, диапазон изменения яркости составляет 1-100%. Если же частота выше 10 кГц, то от 25% до 100%;
Максимальное напряжение, которое можно подавать на вход регулировки яркости (ADJ) составляет 6В. При этом в диапазоне от 2.5 до 6В драйвер выдает максимальный ток, который задан токоограничительным резистором. Сопротивление резистора рассчитывается точно так же, как во всех вышеперечисленных микросхемах:
R = 0.1 / ILED
Минимальное сопротивление резистора – 0.27 Ом.
Типовая схема включения ничем не отличается от своих собратьев:
Без конденсатора С1 подавать питание не схему НЕЛЬЗЯ!!! В лучшем случае микросхема будет перегреваться и выдавать нестабильные характеристики. В худшем случае – мгновенно выйдет из строя.
Более подробные характеристики ZXLD1350 можно найти в даташите на эту микросхему.
Стоимость микросхемы неоправданно высокая (посмотреть), при том, что выходной ток довольно небольшой. В общем, сильно на любителя. Я б не связывался.
Особенности подключения светодиода
Светодиод – это полупроводник, кристалл кремня, который способен проводить напряжение и ток лишь в одном направлении
У лед-лампы (как и у диода) 2 вывода – анод («+») и катод («-»), при подключении важно соблюдать полярность – ток должен проходить от анода к катоду. На аноде должно быть положительное напряжение, на катоде – отрицательное
Основное отличие от других источников света – невозможность прямого подключения к источнику питания. Это обусловлено другой особенностью – потреблением всего объема мощности, которая передается. Поэтому требуется последовательное подключение к схеме токоограничивающего устройства (резистора), использующего излишки напряжения и электротока.
Светодиод подключается к источнику питания и резистору:
- последовательно;
- параллельно;
- комбинированно.
Для подключения к бытовой электросети существуют специально разработанные схемы и формулы для расчетов.
Разработку схемы и расчеты затрудняет еще одно обстоятельство. Ни один производитель не может указать точные параметры для каждого диода, поэтому определяет средний показатель напряжения при оптимальном уровне электротока для выпущенной партии. Это значит, в процессе разработки схемы и при расчетах по формулам лучше всего при помощи мультиметра определить точные значения.
Существует целый ряд правил, которые обязательно соблюдаются при сборке схемы:
- цепочка собирается из ламп одного производителя с одинаковыми параметрами;
- если диодов много, для них требуется радиатор;
- на входе напряжение не должно превышать 35 В;
- для пайки необходимо использовать пинцет и качественный маломощный паяльник с максимальной температурой до 260ос;
- ножки нельзя гнуть под большим углом (у основания они не должны менять положение);
- требуется плата из оргстекла или другого диэлектрика (предварительно высверливаются отверстия, соответствующие диаметру ламп);
- в цепочку желательно включать предохранители.





































