Типы импульсных реле — их достоинства и недостатки
На современном рынке электротехнической продукции присутствуют разнообразные модификации бистабильных коммутирующих устройств, отличающихся друг от друга как принципом работы, так и другими конструктивными особенностями. По своему назначению все импульсные реле объединены в одну группу бистабильных коммутаторов нагрузки, а вот по принципу функционирования делятся на следующие два основных вида.
- Электромеханические. Этот тип бистабильных контакторов мало чем отличается от электромагнитного реле: такая же пружинная система, контактная группа и катушка индуктивности. Только в состав импульсных изделий входит постоянный магнит, который и удерживает контакты в стабильном положении. Импульсное электромеханическое реле не критично к перепадам напряжения, электромагнитным помехам, а также стоит недорого. Главными недостатками этих устройств являются низкая функциональность (может выполнять только одну функцию включения/выключения нагрузки) и отсутствие визуальной индикации положения контактной группы. Но за счет низкой цены и надежности электромеханические бистабильные реле получили широкое распространение в различных областях электротехники.
- Электронные. Такой тип импульсных контакторов значительно отличается от электромеханических как по принципу действия, так и по внутреннему содержанию. Изделие построено на электронных комплектующих. Управляет устройством микроконтроллер, а на выходе расположена контактная группа. Электронные бистабильные реле обладают широкими функциональными возможностями при управлении освещением и другими электроприборами. Они безопасны и на их основе можно создавать эффективные системы управления электроцепями. К главным недостаткам этих изделий можно отнести высокую стоимость, низкую помехоустойчивость и чувствительность к скачкам напряжения.
Оба вида импульсных реле получили широкое распространение в различных промышленных сферах. В бытовых условиях эти устройства в основном используются для создания систем освещения с расширенными функциональными возможностями. Ниже мы рассмотрим стандартные схемы их подключения для управления осветительными приборами.
Как подключать импульсные реле для управления несколькими светильниками из разных мест: практические рекомендации
Разберем случай с тремя лампами освещения, хотя их общее количество может быть произвольным. Схема подключения импульсных реле просто увеличится от начальной на число светильников. Сколько ламп, столько и релюшек.
Общее количество кнопок-выключателей выбирается владельцем квартиры по местным условиям.
Главные принципы построения схемы:
- Потенциал фазы после защитного автомата распределяется по всем кнопкам слаботочным проводом, а от них он направляется на обмотки бистабильных реле (контакт А1). Силовым же проводником он подводится к клемме 1 каждого выходного контакта, а с клеммы 2 подается на свой светильник.
- Потенциал нуля жестко разводится по всем лампочкам проводом освещения, а слаботочкой может быть заведен на контакт А2 всех обмоток.
- Каждый светильник работает от силового контакта своего бистабильного реле, которое управляется индивидуальными кнопками.
На первый взгляд здесь ничего сложного нет, но при создании цепочки принудительного отключения от одной кнопки существуют особенности:
- внутри квартиры с обычным однофазным питанием для централизованного отключения достаточно параллельными перемычками соединить все контакты OFF и вывести на общую кнопку у входа;
- в частном доме с трехфазным питанием каждый потребитель может подключаться от разных фаз и собственного автомата. Способ объединения перемычками выводов OFF становится не приемлемым. Здесь следует применить обычное промежуточное реле. Его контакты станут управлять каждым модулем.
Другими словами, в отдельных случаях для централизованного управления потребителями может потребоваться дополнительное реле сброса.
Обозначил его KL и показал на схеме принцип включения обмотки с общей кнопкой от любой фазы, расположенной вблизи (например, L1) и монтажом промежуточных контактов (KL1.1, KL1.2…) в цепочках централизованного отключения всех задействованных светильников.
Этот же принцип приемлем для централизованного одновременного включения всех импульсных модулей от одной общей кнопки по контакту OFF. Дабы не загромождать картинку лишними линиями, его просто не показываю.
При таком подключении в квартирном щитке располагаются автоматические выключатели разных групп освещения и импульсные реле. От них придется делать довольно разветвленную разводку к многочисленным кнопкам управления, включая централизованные, и светильникам.
Оптимальным вариантом соединения слаботочных жил и силовых проводов становятся обычные клеммники под винт.
Особенности монтажа двухклавишных кнопок с подсветкой в подрозетниках
Подключение слаботочных цепей кнопочных выключателей выполняется последовательно от одного подрозетника к другому по мере удаления от квартирного щитка. При этом все соединения даже для двух кнопок удобно монтировать следующим образом:
- потенциал фазы, показанный на картинке ниже красным цветом, соединяется от каждых отрезков кабелей по верхним контактам всех клемм кнопок перемычками;
- жилы управления, идущие на общий контакт управления, соединяются шлейфом ниже на кнопках (для примера показал коричневым и зеленым цветом);
- остальные не используемые жилы кабеля в этом выключателе, включая РЕ-проводник, монтируем на миниатюрном двухконтактном Wago.
Этот способ позволяет удобно выполнить компактное подключение скрытой проводки даже в малом объеме подрозетника.
Одновременно здесь удобно перемонтировать назначение любой кнопки. Для этого достаточно отсоединить нижний не нужный провод с кнопки и подключить от другого светильника, а разорванную цепь соединить освободившемся Ваго.
Отличительные особенности различных моделей
Отдельные производители выпускают импульсные модули в корпусах, предназначенных не только для управления одним светильником из разных точек, но и несколькими, как показано ниже на примере продукции от Шнайдер.
Компания ABB пошла иным путем. Она стала выпускать к своим модулям дополнительный блок централизованного управления, который позволяет выполнить те же функции. Его просто устанавливают на DIN рейку рядом с основным изделием.
Схема подключения таких устройств приведена на корпусе и в сопроводительной документации. Уточняйте ее особенности у каждого производителя.
Компания Меандр производит модули РИО-2, приспособленные для работы в трех режимах:
- обычного импульсного;
- трех перекрестных переключателей;
- автоматического таймера.
Они могут работать с местным и централизованным управлением. Показываю схему подключения производителя двух модулей с общими функциями.
Как видите, для каждого изделия может быть разработана своя заводская схема. Ее следует уточнить.
Схемы подключения
На практике импульсные реле нашли довольно широкий спектр применении, но в быту их чаще всего используют для включения светильников из разных точек комнаты. Поэтому в качестве примеров мы рассмотрим возможность подключения импульсных устройств для передачи питания лампочкам через выключатель.
Наиболее простым вариантом является ситуация, когда в комнате вы запитываете только одну люстру или группу софитов, которые должны включаться и выключаться из нескольких точек комнаты.
Рис. 5. Простейшая схема подключения ИР
Как видите на рисунке 5, питание напрямую от автомата или распределительной коробки подается на ввод 11 РИО-1, вторая линия подключается к выключателям шлейфом, а общая точка выводится на ввод Y. С выхода 14 фаза подается на лампы освещения, а нулевой проводник с общей колодки разводится отдельной линией на лампы и соответствующий вывод импульсного реле. При такой схеме каждый из выключателей равноправно посылает сигнал, как на включение, так и на отключение осветительного оборудования. Помимо этого можно реализовать и более сложные схемы подключения с выставлением приоритета.
Рис. 6. Схема подключения на две группы потребителей
Как показано на схеме 6, здесь присутствует две группы осветительных приборов, можно взять аналогию с двумя комнатами, для каждой из которых установлено свое РИО-1. Подключение трех коммутаторов для каждой группы освещения осуществляется аналогичным образом, но к обеим группам добавлена функция глобального включения и отключения.
Здесь кнопочный выключатель, предназначенный для подачи питания на все приборы освещения, соединяется с выводом Y1 и первого, и второго импульсного реле. Поэтому при коммутации «Вкл», несмотря на состояние коммутаторов и подачи сигнала на Y свет включится в обеих комнатах. Выключатель обесточивания подключен к выводам Y2 обоих импульсных реле, который обладает преимуществом перед Y1. Поэтому при нажатии клавиши «Откл» произойдет выключение всего осветительного оборудования.
Что такое импульсное реле
Существуют импульсные реле самых разных модификаций — с креплением на DIN-рейку, установкой в распред. коробку, встраиваемые в светильник, но принцип самой работы у всех одинаковый — при нажатии кнопки выключателя кратковременный импульс поступает на катушку реле. Контакты реле замыкаются, переходя в состояние ВКЛ. — нагрузка включается. Повторное нажатие кнопки выключателя, либо кнопки другого выключателя приводит к переключению силовых контактов в состояние ВЫКЛ. – нагрузка отключается. Итак каждый раз при нажатии кнопки любого из выключателей, контакты импульсного реле будут менять свое состояние на противоположное. Так как импульсное реле имеет два стабильных состояния — ВКЛ. или ВЫКЛ. его еще называют бистабильным.
Иногда может встречаться еще название блокировочное реле. Само устройство импульсных реле бывает двух разных типов – электронное, с релейными или полупроводниковыми выходами и управлением на базе микроконтроллера, либо электромеханическое, с катушкой управления и механическими контактами. Оба типа имеют свои достоинства и недостатки, но я бы все таки посоветовал электромеханические – они более надежны. Электронные довольно чувствительны к перенапряжениям в сети, реагируют на сетевые помехи, в результате чего могут происходить ложные срабатывания. Также импульсные реле различаются по рабочему напряжению катушки – 12 В, 24 В, 130 В, 220 В. При выборе реле стоит об этом помнить.
Схема импульсного реле
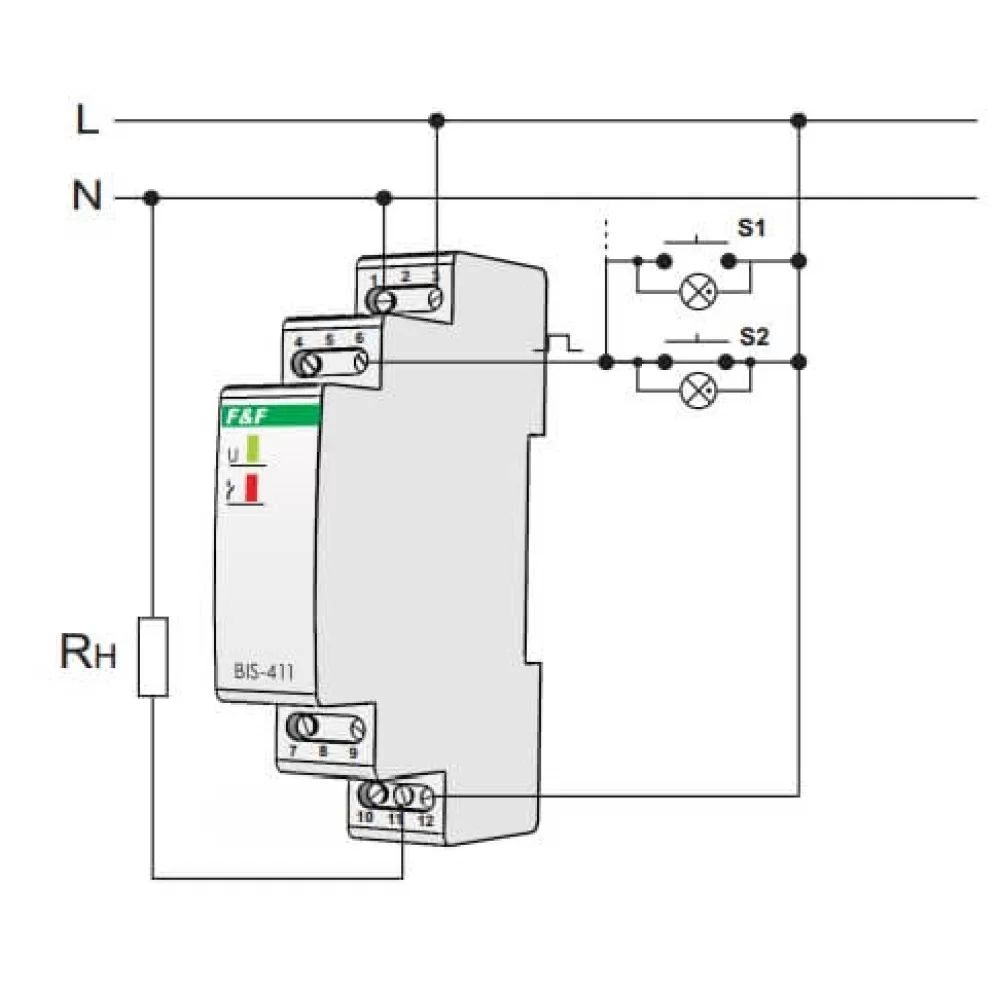
Кстати, про выбор. А он довольно богатый. Из тех, с которыми приходилось сталкиваться это ABB E250, E290, Schneider Acti 9 ITL, F&F Евроавтоматика BIS 411, Меандр РИО1. И все они зарекомендовали себя с хорошей стороны. Выводы, обозначенные как A1 и A2 — это контакты катушки реле. Контакты 1 и 2 — замыкающие (размыкающие) контакты. Они рассчитаны на ток 16 А при коммутации активной нагрузки. Перключатель I-O служит для приоритетного выбора (контакты реле в зависимости от положения переключателя будут изначально замкнуты или разомкнуты) и ручного управления. Перключатель auto — OFF служит для отключения дистанционного управления для проведения технических работ.
Фаза через автомат приходит на контакт 1 импульсного реле и на кнопочные выключатели, которые соединяются между собой параллельно. На схеме изображены два выключателя, но таким же образом можно подключить и три и пять выключателей. С выключателей фаза уходит на контакт катушки реле А1. С контакта 2 фазный проводник идет на нагрузку. На клемму А2 катушки приходит проводник с нулевой шины, с нее же ноль уходит на нагрузку. Все просто. Таким же образом можно подключить и несколько импульсных реле для разных групп освещения.
Здесь добавляются два выключателя ВКЛ. и ОТКЛ. которые подключаются на клеммы ON и OFF соответственно. Их можно поставить непосредственно при входе в дом. При нажатии кнопки ВКЛ. свет будет включаться во всем доме. Кнопка ОТКЛ. будет полностью выключать все освещение в доме. В данной схеме реле Acti 9 ITL, которое мы рассматривали ранее не подойдет, можно задействовать Acti9 ITLc от того же Schneider Electric. По моему мнению, применение импульсных реле значительно упрощает управление освещением в более менее сложных схемах. В случае управлением с двух мест небольшого коридора, повторюсь, вполне достаточно будет обычных проходных выключателей, так как покупка импульсных реле будет экономически нецелесообразна.
Импульсные реле на планке
Практическое подключение реле
Перед началом работ обязательно отключаем напряжение в электро цепи и проверяем с помощью тестера наличие потенциала 220 В на проводах, с которыми будем работать.

Подключите кабель питания ( 2 ) к разъему фазного провода.

Между коробом и реле проведем двухпроводный кабель. Коричневый провод подключим к разъему, чтобы могли нажать внешнюю кнопку.

Второй провод — синий, на нем будет потенциал. Подключим его к управляющему контакту ( A2 ) реле.
Следующий шаг — соединить зажим ( A1 ) с разъемом нейтрального провода, а также подключить провода к лампе. Проводники и защита нейтрали подключаются к соответствующим разъемам, а коричневый провод (фаза) к клемме ( 1 ) реле так, чтоб оно работало получая потенциал, подаваемый на зажим ( 2 ).
Соединение кнопки классическое. Подключите шнур питания к клемме ( L ) и к клемме ( 2 ) провода, с помощью которого передадим короткие импульсы управления реле.

Затем присоединяем к схеме еще одну кнопку. Для этого проведем двухпроводный кабель между двумя коробками.

Во второй можем установить кнопку звонка с подсветкой чтоб видеть изменения потенциала на ней. Метод подключения аналогичен. Соединяем провода по цвету также, как и в первой кнопке.

Всё готово — понажимайте и проверьте работу тестовой системы.

Принцип работы и внешний вид
Современные установки выполнены в виде электрического механизма, задача которого заключается в замыкании и размыкании электрической цепочки. Функционирование механизма осуществляется параллельно другим параметрам, плавно воздействующим на его внутреннее содержимое.

При подборке режима следует ознакомиться с частотой включения, мощностью и типом нагрузки, которая будет воздействовать на всю установку. Внутреннее содержимое состоит из нескольких деталей:
- Медная катушка. В её устройстве может присутствовать тканевая изоляция или оболочка из тонкого лака;
- Сердечник. Оно состоит из тонкого железа, обеспечивающее ему перемещение в момент подачи электрической волны;
- Подвижной якорь. Модель изготавливается из пластика, которую фиксируют под пружиной. Именно она осуществляет замыкание и размыкание проводников;
- Система контактов. Здесь могут использовать от 5 до 8 элементов, которые будут осуществлять переключение механизма при изменении длине волны.











Управление освещением с использованием реле времени
Реле времени широко используются в схемах автоматики, в том числе для управления освещением.
Реле времени можно разделить на две большие группы:
- Программируемые реле времени — реле замыкает и размыкает свои контакты в соответствии с заданной программой;
- Таймеры — реле времени замыкает размыкает свои контакты на заданное время после приложения управляющего сигнала.
Программируемые реле времени и таймеры могут быть электронными и электромеханическими.
Программируемые реле времени могут быть с суточным (одна и та же программа повторяется каждые сутки), недельным (одна и та же программа повторяется каждую неделю) и годовым циклом (программа задаётся на год).
Базовая схема и принцип работы
Рассмотрим работу схемы управления освещением на базе программируемого реле времени, работающего по одной суточной программе.
Управление освещением при помощи реле времени. Базовая схема
Допустим, освещение должно быть включено ежедневно с 9:00 до 18:00. В реле времени устанавливаем текущее время и задаем программу, в соответствии с которой в 9:00 реле должно замкнуть свои контакты сроком на 9 часов. Ежедневно, при наступлении 9:00 реле времени KT1 замыкает свои контакты, силовая цепь оказывается замкнутой и освещение включено. Через 9 часов работа программы заканчивается и реле размыкает свои контакты — освещение отключается.
Схемы управления освещением нескольких линий при помощи реле времени
Для управления несколькими линиями по одной программе применяют реле времени в комбинации с контакторами. Контакторы включают и отключают питание, а реле времени управляет их работой.
Управление освещением при помощи реле времени и контакторов
Питание на катушки контакторов 1KM1, 2KM1, 3KM1 подаётся через трехпозиционный переключатель SA1 с нейтральным положением:
- В положении «Ручное» питание напрямую подаётся на катушки контакторов KM и они замыкают свои пары контактов, освещение включается в соответствии с заданной программой;
- В положении «0» цепь питания катушек контакторов разорвана и освещение отключено;
- В положении «Автомат» питание на катушки контакторов подаётся через контакты реле времени KT1. Включением и отключением освещения управляет реле времени, замыкая и размыкая свои контакты в соответствии с заданной программой.
При необходимости, можно дополнить схему сигнальной лампой HL, включенной параллельно катушкам контакторов, которая будет информировать о включении освещения.
Управление освещением с использованием реле времени для лестничных клеток
Для экономии электроэнергии и управления освещением с нескольких мест используют реле времени из группы таймеров. Данный тип реле замыкают или размыкают свои контакты после подачи на их катушку управляющего сигнала, замыкание или размыкание контактов происходит с заданной временной задержкой.
Основное применение данный тип реле времени нашёл в схемах управления двигателями и схемах АВР (автоматического ввода резерва), но для управления освещением также используется. Например, для управления освещением лестничных клеток.
Рассмотрим применение и работу реле времени для решения данной задачи:
- В начальный момент времени контакты реле KT1 разомкнуты, освещение отключено. Кнопки SB1, SB2… установлены на каждом этаже лестничной клетки и подключены параллельно к управляющим контактам реле времени KT1.
- При нажатии любую из кнопок SB, на катушку реле времени KT1 поступает управляющий сигнал, оно замыкает свои контакты, освещение включается, а реле времени начинает отсчет.
- По прошествии заданного времени реле KT1 размыкает свои контакты и освещение отключается.
- Если при замкнутых контактах реле (т.е. до истечения заданного времени) поступает новый управляющий сигнал, то отсчет времени начинается заново.
Управление освещением лестничных клеток с использованием реле времени
Таким образом, человек, заходя на лестничную клетку, нажимает кнопочный выключатель SB и включает освещение. На следующем этаже опять нажимает кнопку и т.д. Через заданное время освещение на лестничной клетке отключается. Настройка задержки отключения выбирается таким образом, чтобы человек достаточно времени, чтобы дойти от одного кнопочного выключателя до другого.
Данную схему можно также использовать для управления освещением в коридорах. Она позволяет организовать включение освещения с нескольких мест (как при использовании импульсного реле) и при этом ещё сэкономить электроэнергию.
Как работает бистабильное реле?
Бистабильное реле — это устройство, которое может находиться в одном из двух устойчивых состояний: открытом или закрытом.
Основная идея работы бистабильного реле заключается в использовании положительной обратной связи. Когда на вход реле подается сигнал, происходит переключение реле из одного состояния в другое и оно остается в нем до тех пор, пока не получит сигнал для переключения обратно.
Бистабильное реле обычно состоит из электромагнита, механизма переключения и контактов. Когда на электромагнит подается сигнал, он создает магнитное поле, которое приводит к перемещению механизма переключения. Механизм переключения изменяет положение контактов, в результате чего реле переходит в другое состояние.
Для удержания реле в новом состоянии используется положительная обратная связь. То есть, когда реле переключается в новое состояние, он создает сигнал для подачи питания на электромагнит, который удерживает реле в определенном состоянии. Для переключения обратно необходимо подать другой сигнал, который размагнит электромагнит и позволит реле вернуться в первоначальное состояние.
Бистабильные реле широко используются в различных системах автоматизации и телекоммуникации. Они могут быть использованы для управления двигателями, контроля тока и напряжения, организации логических схем и т.д. Благодаря своим возможностям переключения и удержания в устойчивых состояниях, бистабильные реле обеспечивают надежное и эффективное функционирование системы.
Принцип действия
Современные модели данной конструкции имеют целый ряд достоинств, нежели недостатков по сравнению с обычным реле. Они не нуждаются в постоянном питании или бесперебойной работы электрической сети.

Внутри устройства содержится сенсорный электронный блок и металлическая катушка. Механизм питается от постоянного и электрического тока. Если уровень электрической мощности превышает допустимое значение, катушка срабатывает таким образом, что открытые каналы закрываются, а закрытые наоборот начинают активизироваться. В этом случае начинает образовываться электромагнитное поле, которая оказывает действие на переключатель.

В этом случае магнитная сила выступает в роли передающей силы, которая поступает от одного контакта к другому. На двух схемах импульсного реле представлен подробный процесс преобразования электромагнитного поля.

Многие из нас наверняка задавались вопросом:«Для чего необходимо импульсное реле?». Регулировать процесс освещения можно же при помощи обычного проходного переключателя.

На самом деле, назначение импульсного реле заключается в строении простого механизма, который позволяет выполнять широкий спектр манипуляций. Благодаря ему можно регулировать освещение пяти точек одновременно, не прилагая при этом никаких усилий.

Реализация схемы управления освещением на промежуточных реле
Мой постоянный читатель Николай собрал предложенную схему. Задача стояла сделать включение света с четырех мест в большом общественном помещении, причем использовать выключатели, а не кнопки. К каждому выключателю было подведено 3 провода, а плитку трогать было вообще не вариант.
Сборка схемы на переключателях и реле
Обратите внимание – используются клеммы Wago 221 на 5 контактов, установленные на ДИН-рейку через специальный держатель
Сборка и отладка схемы управления освещением на реле
В качестве промежуточных реле используются реле Finder с катушкой на 230В.
Схема управления освещением на реле и модульном контакторе
Поскольку используются мощные прожектора, мощность которых более 2 кВт, применен модульный контактор с током контактов 25А. Контактор разделяет “логическую” и силовую части.
Схема получилась следующая:
Схема на 2 проходных переключателях 2 реле и модульном контакторе
Кстати, похожий модульный контактор я использовал в самодельном АВР для подключении генератора к дому. Там я рекомендовал катушку включать последовательно с резистором, чтобы уменьшить её нагрев при длительном включении.
А процесс монтажа в подсобном помещении (электрощитовой) выглядел так:
Монтаж системы управления освещением с 4 мест
Используется кабель NYM, медный моножильный круглый.
Схема подключения импульсного реле ABB
Такое устройство содержит дополнительно централизованное управление. Централизованное управление позволяет отключать все импульсные реле во всех помещениях, независимо от их состояния одновременно. То есть одним нажатием на выключатель можно погасить освещения многоэтажного здания, всего частного дома.
У этого реле имеется также кнопка ручного управления, которая позволяет отключить освещение при отказе устройства. Бистабильные устройства можно ставить в распредкоробки, электрощиты, светильники. Крепятся эти реле на DIN рейку или имеют другое крепление.
Помогла вам статья?
ДаНет




































