Стоит ли делать самостоятельно: все за и против
Сборка самодельного прожектора является одним из вариантов досуга, возможностью проявить свои конструкторские и технические способности. Это основной аргумент, говорящий в пользу самостоятельного изготовления подобных устройств. Необходимо признать, что большинство людей не обладают должными навыками в электротехнике или не имеют необходимого инструмента и материалов.
В результате оказывается, что все комплектующие придется приобретать и проще сразу купить прожектор. Однако, люди, для которых техническое творчество является лучшим способом проводить время, находят в подобных занятиях большое удовольствие.
Подобные занятия можно назвать обычным развлечением, но в результате появляется нужное и полезное устройство.
Плюсы и минусы конструкции
Явным преимуществом конструкции является простота сборки и доступность используемых деталей. В результате проведенных операций получился самодельный светодиодный прожектор направленного действия на светодиодах SMD 5050 со светоотдачей 18 лм каждый. В сумме световой поток самодельного прожектора составит примерно 1600–2000 лм. Точное значение освещенности нужно измерять люксметром. Оно зависит от тока нагрузки и цветовой температуры используемых светодиодов.
Отсутствие ограничительного резистора – минус рассмотренной электрической схемы, благодаря чему её надёжность в регионах с нестабильным напряжением сети резко снижается. Значительный скачок напряжения станет причиной выгорания светодиодов. Поэтому рекомендуем немного усовершенствовать самодельный прожектор, дополнив его схему питания двумя резисторами сопротивлением 1–2 Ом.

Вот только отводить тепло от многокристального чипа придётся с помощью вентилятора, а значит, придётся доработать блок питания. Для этих целей подойдёт компьютерный кулер, для которого достаточно места внутри корпуса. Но в этом случае прожектор нельзя будет эксплуатировать под отрытым небом.
Ещё одним прогрессивным шагом станет замена омеднённого текстолита на фольгированный алюминий. На самом деле этот трёхслойным материал сделан из текстолита, с одной стороны которого нанесена медь для вытравливания печатных проводников, а с другой – алюминий для отвода тепла. Он идеально подходит для построения современных светодиодных фонарей и прожекторов большой мощности.
Необходимые материалы и детали
Чтобы собрать качественное устройство, надо заранее купить все нужные составляющие. Часть можно найти в гараже у автолюбителей, иные — раздобыть у знакомых.
Список:
- Светодиодная матрица с драйвером. Такие есть на старых фонарных столбах, которые уже вышли из строя — их мощности будет вполне достаточно, но придется заменить перегоревшие лампы. Еще лучше купить новый элемент в специализированном магазине электроники.
- Корпус. Его готовят своими руками из разных подручных материалов — металла, фанеры. Можно взять старый галогеновый фонарь или купить новый.
- Соединительные провода. Потребуются для подсоединения готового устройства к сети питания.
- Фольга. Нужна для создания отражателя. Купить ее можно в продуктовом магазине, главное, чтобы плотность была высокой.
- Надежный клей и герметик либо средство 2 в 1.
- Радиатор охлаждения. Будет нужен для изготовления мощного прожектора — на 100 Ватт и более.

Для работы потребуются такие инструменты:
- болгарка;
- аппарат для сварки;
- дрель со сверлом;
- паяльник с припоем.
Источники света
Светодиоды — главный элемент осветительного прибора, без них не будет выполняться основная функция устройства
Их качеству стоит уделить самое пристальное внимание при покупке. Все светодиоды в рамках одного прибора обязаны быть строго одинаковыми по типу, техническим параметрам (вольт-амперные характеристики)
Тип светодиодов
Рекомендуется сразу купить достаточное количество запасных диодов (до 10), которые заменят поврежденные при монтаже изделия. Неудачное монтирование — не редкость, и покупка с запасом избавит от неудобств.
Существует три основных типа светодиодов:
- В форме пластиковой капсулы со штыревыми выводами. Годятся для создания прожекторов малой мощности, для фонарей, стоят дешево. Сила света от таких диодов невелика. У профессионалов есть специальные приборы для определения мощности светодиодов по размеру самих кристаллов, в противном случае придется довериться продавцу. Работать с такими светодиодами легко, ремонтировать — проще простого.
- Сверхяркие белые светодиоды на металлической подложке. Их применяют для создания высокомощного осветительного оборудования, система отведения тепла эффективная и простая. Стоимость таких изделий невысока.
- Светодиодные LED-матрицы. Это высокомощные светодиоды, работать с которыми рекомендуется только профессионалам. Обычным способом отводить тепло от них не получится, следовательно, прожектор быстро придет в негодность.

Материал корпуса
Чтобы разместить пару или больше светодиодов и матриц на одной плате, лучше сделать корпус из жести, тонколистовой стали. После сгибания коробки края шлифуют, швы соединяют заклепками. Сверху изделие грунтуют, наносят эмаль по металлу. Дальше работать с заготовкой можно только после полного высыхания.

Источник питания
После сбора диодов надо подумать о подаче напряжения. Бытовые источники тока не применяются, нужен специальный LED-драйвер, который подает пульсирующий стабильный ток.
LED-драйвер
Высокого напряжения (220 Вольт) светодиодам для питания не требуется, им достаточно 3,2 – 12 Вольт. Если подать к устройству большее напряжение, его можно попросту сжечь. Именно для исключения таких последствий любой прожектор должен иметь LED-драйвер. Его предназначение — стабилизация постоянного тока.
Практически для всех самодельных светодиодных прожекторов годится драйвер LED-лент или систем интерьерного освещения. Его покупают заранее в готовом виде, согласно техническим параметрам рассчитывают количество диодов и разрабатывают схему их соединения. Она будет зависеть от напряжения на выходе и тока стабилизации.
Блоки питания
Такие приборы применяются на прожекторах, которые построены на LED-матрицах. Для малых устройств небольшой мощности можно применять блоки питания общебытового значения с выходным пульсирующим током 0,5 – 1,5 А, напряжением на несколько вольт больше, чем прямое напряжение светодиодов. Для стабилизации тока используются микросхемы LM317, а для приборов более высокой мощности — LM350, LM338.

Лучи возмездия
Ночь. Тишина. Вдруг раздаётся сигнал воздушной тревоги. В ночное небо устремляются сотни лучей. Внезапно один из них останавливается на силуэте немецкого бомбардировщика. Вокруг самолёта сразу же возникают вспышки – разрывы зенитных снарядов. Бомбардировщик, охваченный пламенем, устремляется вниз… Это не сюжет художественного фильма, а лишь один из множества эпизодов ночной бомбардировки Москвы 22 июля 1941 года, важную роль в отражении которой сыграли прожекторные части Красной армии.
Создание советских прожекторных частей ПВО
О создании систем ПВО в Советском Союзе задумались в 30-е годы. 4 октября 1932 года Совет народных комиссаров СССР утвердил «Положение о противовоздушной обороне территории СССР»
Особое внимание уделялось защите четырёх крупных городов – Москвы, Ленинграда, Баку и Киева. Были созданы корпуса и дивизии ПВО, в состав которых входили части зенитной артиллерии, зенитных пулемётов, воздушного наблюдения, связи и, кроме всего прочего, – зенитные прожекторы. Прожекторные установки входили в состав прожекторных полков, а те, в свою очередь, делились на роты
Каждая прожекторная рота имела в своём составе 9 прожекторов и 3 звукоулавливателя. Передняя линия прожекторов располагалась на такой дистанции от границы огня зенитной артиллерии, чтобы зенитные батареи имели достаточно времени для подготовки к открытию огня по освещённой цели на предельной дальности
Прожекторные установки входили в состав прожекторных полков, а те, в свою очередь, делились на роты. Каждая прожекторная рота имела в своём составе 9 прожекторов и 3 звукоулавливателя. Передняя линия прожекторов располагалась на такой дистанции от границы огня зенитной артиллерии, чтобы зенитные батареи имели достаточно времени для подготовки к открытию огня по освещённой цели на предельной дальности.
Функции зенитных прожекторных частей были определены в специальном наставлении, опубликованном в 1941 году. Согласно этому документу, прожекторные установки должны были размещаться на расстоянии 3–4 км друг от друга, а их основными задачами во время ночных авианалётов противника являлись поиск и поимка лучом вражеских самолётов. После поимки расчёт прожектора должен был непрерывно освещать цель до того момента, пока её не собьёт зенитная артиллерия или истребительная авиация. В задачи прожекторных частей также входили создание ориентиров для ночных истребителей, световая сигнализация и связь. Чтобы обеспечить эффективные действия ночной истребительной авиации, прожекторы создавали световые поля на направлениях вероятного появления противника. Каждое такое поле имело 21–28 км в ширину и 10–15 км – в глубину. В центре поля находилась зона ожидания истребительной авиации. При плотном размещении прожекторов отдельные световые поля смыкались флангами, образуя сплошной световой фронт. Всего к началу Великой Отечественной войны в составе ПВО Красной армии насчитывалось 182 000 военнослужащих, свыше 3600 зенитных орудий, 650 зенитных пулемётов, 1500 зенитных прожекторов, 850 аэростатов заграждения, 45 радиолокационных станций обнаружения и 1500 истребителей.
Зенитные прожекторы
В 1927 году на вооружение советских зенитных прожекторных частей начали поступать отечественные прожекторы. Самой массовой стала модель О-15–2 – открытый прожектор с диаметром отражателя в 150 см и дальностью освещения цели в 5–6 км. В предвоенные годы части ПВО также оснащались прожекторами З-15–4Б с увеличенной дальностью освещения цели – 7–9 км.
Плюсы светодиодного прожектора, особенность конструкции и несколько дополнительных моментов
Итак, почему же следует использовать светодиодные прожекторы.
Скорее всего, вы знаете, что устройства с LED-матрицами весьма экономичны – расход электроэнергии у них в разы меньше, чем у стандартных, а сами матрицы могут работать, по заявлениям производителя, до 50-90 тысяч часов (этого хватит примерно на 8 лет беспрерывной работы).
При этом подобные приборы хорошо защищены – пыль, грязь и другое им не страшны.
Светодиодные прожекторы подготовлены к работе на улице, также они не портятся от каких-либо погодных условий.
А качество свечения прожекторов выше обычных – некоторые модели данных прожекторов могут обеспечить хорошее свечение на расстоянии до 800 метров.
Состоит сам светодиодный прожектор из следующих частей:
- Корпус.
- Драйвер.
- Светодиодная матрица.
- И скобы для фиксации.
Сама светодиодная матрица устройства состоит из, как не трудно догадаться, диодов, которые прикреплены к плате матрицы и защищены от различных повреждений специальными соединениями из полимера.
Обычный светодиод имеет следующие составляющие:
- Анод.
- Катод.
- Линза.
- Кристалл.
- Проводник.
Однако мощный светодиод имеют немного другую конструкцию: теплоотвод, кристалл, лизну, катод, проводник.
Мощные светодиоды используют для изготовления высокомощных профессиональных прожекторов.

Если вы решили использовать их за основу для своего прожектора, то учитывайте, что чем выше мощность диода – тем больше шанс, что он преждевременно сломается (как правило, из-за перегрева).
Для решения этой проблемы вам необходимо будет сделать в прожекторы хорошую система теплоотвода, вентиляцию, разбить излучатель на части и правильно всё установить (есть два способа размещения – последовательный и параллельный).
Дополнительно при изготовлении самодельного прожектора учитывайте одну его особенность – твердотельные полупроводники крайне сильно чувствительны к перепадам температуры, это может привести к потере легирующих добавок, их деградации, что может привести к поломке оборудования.
Таким образом, если температура помещения, в котором работает прожектор будет +60 градусов цельсия, то это вызовет уменьшенную интенсивность освещения или полную поломку устройства.
Ещё один момент: если вы изготавливаете какое-либо LED-устройство, то в его схеме необходим строгий расчёт – если напряжение будет слишком высокое, то светодиоды испортятся в ближайшее время, а при низком напряжении интенсивность свечения также будет мала.
Крайне важно стабилизировать ток в сети, ибо в обратном случае может произойти перегрев оборудования.
Ток должен ограничиваться максимальным значением резисторов на диодах и регулироваться приложенным напряжением.

Материалы для изготовления
Для того, чтобы сделать светодиодный прожектор, вам понадобятся:
Шаг 1. Разбираем старый прожектор
Откручиваем винт защитной решетки и опускаем ее.
Вынимаем стекло, закрывающее лампу прожектора.

Вынимаем галогенную колбу.
Откручиваем винт крепления рефлектора и вынимаем его вместе с прокладкой.

Полностью демонтируем систему электропитания, оставив только два входящих провода.

Шаг 2. Собираем светодиодный прожектор
Придав рефлектору необходимую форму и выведя провода, помещаем его в корпус прожектора на термопасту.

В центр рефлектора, также на термопасту, помещаем светодиодную матрицу, прикрутив ее саморезами.

Подпаиваем к матрице провода питания.

Собираем прожектор в обратной последовательности: ставим прокладку, стекло, поднимаем и прикручиваем защитную решетку.

Шаг 3. Проводим испытание
Теперь осталось только погасить свет в мастерской и включить прожектор. Освещение стало даже ярче чем с галогенной лампой, а потреблять электроэнергии новый прожектор будет в десять раз меньше.

Сборка самодельного прожектора
Самым тяжелым в изготовлении прожектора является раздобыть нужные материалы.
Если же они у вас уже есть, то можно приступить к нетрудной сборке устройства.
Первым шагом я подготовил корпус для прожектора: убрал всё лишнее, почистил, промыл и в итоге получил пустую чистую коробку, заднюю часть которой я отделал фольгой, так как отражатель в моём светильнике пришёл в негодность.
Я использовал корпус от галогенного светильника, если же вы не хотите его использовать или покупать, то первым делом изготовьте корпус из фанеры или металла.
Если вы делаете высокомощный прожектор, то сейчас следует просверлить отверстия для вентиляции устройства.
В обратном случае – если же вы, как я, делаете обычный светодиодный прожектор, то приступайте к следующему шагу.
Далее необходимо сделать из светодиодов единую конструкцию и подключить их, после чего закрепить к плате (основанию).
После подводятся провода к плате со светодиодами и подключаются, вся эта конструкция помещается в корпус и закрепляется при помощи клея.
На данном шаге в случае, если вы изготавливаете высокомощный прожектор, то следует поставить ваш радиатор охлаждения, если нет – пропустите этот шаг.
И в конце необходимо просто вытащить провода из корпуса, заклеить всё при помощи герметика для защиты от попадания пыли, влаги и грязи внутрь корпуса.

Перед тем, как испытывать устройство, установите драйвер стабилизации напряжения, места стыков проводов изолируете при помощи гофры или обыкновенной изолентой.
А также не перепутайте полярности проводов при подключении к сети, иначе диоды сгорят и устройство придёт в негодность.
Во избежание этого следует пометить провода во время сборки.
Самодельный светодиодный прожектор готов.
Рекомендую следующее видео, в котором автор самостоятельно изготавливает светодиодный прожектор в домашних условиях:
Устраняем мигание LED-прожектора
С проблемой мигания рано или поздно сталкивается каждый владелец светодиодного прожектора. Причиной такого поведения может быть неправильная работа электронных компонентов или потеря работоспособности светодиодов. В данном разделе мы рассматриваем, каким образом отремонтировать светодиодный прожектор с мощностью в 10 Вт. Такая мощность встречается чаще всего, а общая конструкция приборов схожа, поэтому решение проблемы универсально.
Светодиод представляет собой матрицу из 9 кристаллов, каждый из которых имеет мощность в 1 Вт. Эти кристаллы соединены в три последовательные схемы и залиты люминофором – веществом, преобразующим получаемую энергию в свет. Светодиод на 10 Вт состоит из трёх линеек кристаллов, которые параллельно подключаются к питанию, идущему от драйвера.
Перегорание одного из кристаллов в светодиоде приведёт к миганию во время работы. Характер мигания может быть как периодическим, с равными паузами, так и хаотическим. По разным причинам сгорание матрицы может вести к полному отключению светодиодного элемента, либо к отказу одной-двух линеек кристаллов.
Почему матрица мигает или не светится при перегорании
Кристаллы, залитые люминофором, соединяются между собой подводами, которые в случае с продукцией высокого качества делаются из золота, а в бюджетных приборах – из меди. Слишком сильное нагревание матрицы и соединительных контактов приводит к тому, что эти нити отслаиваются от кристаллов. Поэтому вся матрица или часть её отключается. После остывания нить возвращается в исходное положение и работа возобновляется. После повторного нагрева до критической отметки контакт снова прерывается и матрица гаснет. Этот цикл в процессе работы продолжается бесконечно, а для наблюдателя выглядит как мигание лампы. Полный выход светодиода из строя происходит, когда одна из нитей перегревается настолько, что отпадает от кристалла.
Зная о таком поведении, можно проверять состояние матрицы диодных прожекторов своими руками. Для этого нужно вооружиться не слишком острым предметом и нажать на те места матрицы, в которых проходят соединительные нити. Конечно, прожектор в это время должен быть включённым. Если при надавливании на один из путей прибор загорается, проблема найдена. В данном случае остаётся правильно заменить испорченный чип.

Это происходит, потому что кристаллы соединяются в матрице параллельно-последовательно, а питание от драйвера подаётся в виде постоянного тока. Поэтому после выгорания одной линейки, две оставшиеся получают силу тока в 1,5 раза больше номинальной. Работа под повышенной нагрузкой приводит к ещё большему нагреванию матрицы и быстрому сгоранию других нитей.
Ремонтируем матрицу
Замена светодиода при перегорании кристаллов на матрице не является чрезмерно сложной процедурой. После приобретения аналогичного по характеристикам компонента и специальной термопасты, необходимой для монтажа, нужно:
- Разобрать корпус прожектора, открутив крепёжные болты на корпусе.
- Снять линзу или стекло.
- Демонтировать рассеиватель.
- Открутить крепёжные винтики матрицы и аккуратно отпаять токопроводящие выводы. Для этого лучше всего подойдёт бесконтактная паяльная станция с термофеном.
- Смазать новый светодиод термопастой.
- Припаять контактные выводы светодиода и закрутить обратно крепёж.
При подключении светодиода крайне важно соблюсти полярность выводов. Опытные монтажники также рекомендуют при замене светодиода в недорогих китайских прожекторах заменить проводки. Производители, как правило, используют материал с минимальным сечением, что не совсем надёжно
При этом лучше использовать термоусадочные трубки. Они сохраняют изоляционные свойства даже под действием тепла, исходящего от диода
Производители, как правило, используют материал с минимальным сечением, что не совсем надёжно. При этом лучше использовать термоусадочные трубки. Они сохраняют изоляционные свойства даже под действием тепла, исходящего от диода.
Самостоятельное изготовление
Купить светодиодный прожектор в магазине не проблема, но гораздо дешевле и приятней будет собрать его собственными руками. На самом деле при правильном подходе изготовить самостоятельно такого типа осветитель не представляет особой сложности, учитывая, что в магазинах можно приобрести все нужное для этого. Вот список того, что понадобится для конструирования прожектора:

Матрица излучателей и драйвер
Существует три вида светодиодов. Для прожектора применяются сверхяркие светодиоды белого цвета на металлической подложке или LED. Излучатели, выполненные в пластиковых цилиндрических корпусах со штыревыми видами, для изготовления мощных прожекторов непригодны.
Как только нужное количество светодиодов или диодных сборок для получения нужной мощности куплено, начинается их монтаж на подложку. Так как при работе излучатели сильно нагреваются, то понадобится крепить их на радиатор. В качестве него можно взять любую алюминиевую или медную пластину и вырезать из неё необходимый размер, а можно применить готовый радиатор из компьютера или другой техники.
У SMD светодиодов крепёжные отверстия обычно не предусмотрены, поэтому к радиатору их приклеивают, используя теплопроводный клей. Как только все элементы приклеены, между ними понадобится обеспечить электрический контакт. Для этого, используя кусочки провода, все излучатели соединяют параллельно или последовательно друг другу с помощью пайки.
Если применяется большое количество светодиодов, то есть смысл использовать последовательно-параллельное включение. Для этого создаются ветви, состоящие из равного количества светодиодов с последовательно установленным ограничительным резистором. Его расчёт несложен: из напряжения питающей сети вычитается напряжение светодиода и делится на предельно допустимый ток.
Последнее значение определяется как сумма токов каждого элемента в ветви. Как только соединение радиоэлементов выполнено, в удобном месте радиатора просверливается отверстие, через которое пропускается пара проводов. Один провод припаивается к общему плюсу светодиодов, а другой к минусу. С обратно же стороны делается запас около четырёх сантиметров, дающий возможность свободно припаять драйвер.
Для прожектора средней мощности можно использовать блоки питания общебытового назначения с выходным пульсирующим током до двух ампер и напряжением на 3−5 вольт выше прямого напряжения диодов. Для избегания всплесков напряжения, могущего привести к перегоранию светодиодов, драйвер должен иметь стабилизацию. Её можно выполнить, используя интегральные микросхемы: LM317, LM350 и LM338.
Сборка элементов воедино
Как только драйвер с матрицей будут готовы, понадобится определиться с корпусом, в котором свободно смогут разместиться все элементы. В качестве него можно использовать любое подходящее по габаритам ненужное устройство. Например, компьютерный блок питания, старый прожектор с лампочкой. А можно сделать и самому, но для этого понадобятся слесарные навыки.

При этом следует сразу предусмотреть возможность крепления корпуса к стенам или потолку. В качестве отражателя подойдёт обыкновенная пищевая фольга, а вместо защитного стекла можно использовать прозрачный пластик, например, из коробочки от CD дисков.
Все элементы аккуратно размещаются в середине. Для их закрепления проще всего использовать не резьбовые крепления, а, например, стяжки или клей. Но в случае ремонта при приклеивании элементов к корпусу разборка прибора существенно осложнится. Плюс со светодиодов припаивается к плюсу драйвера, а минус к общему проводу. На корпус выводится разъем для подключения к сети 220 вольт или просто пара проводов.
Устаревшие галогенные прожекторы в последнее время повсеместно заменяются системами освещения на светодиодах, которые имеют более высокую эффективность, но стоимость таких устройств на порядок выше.
Мастера знают, как собрать светодиодный прожектор своими руками. Для этого придется купить необходимые детали, подготовить инструменты и освоить простые навыки.

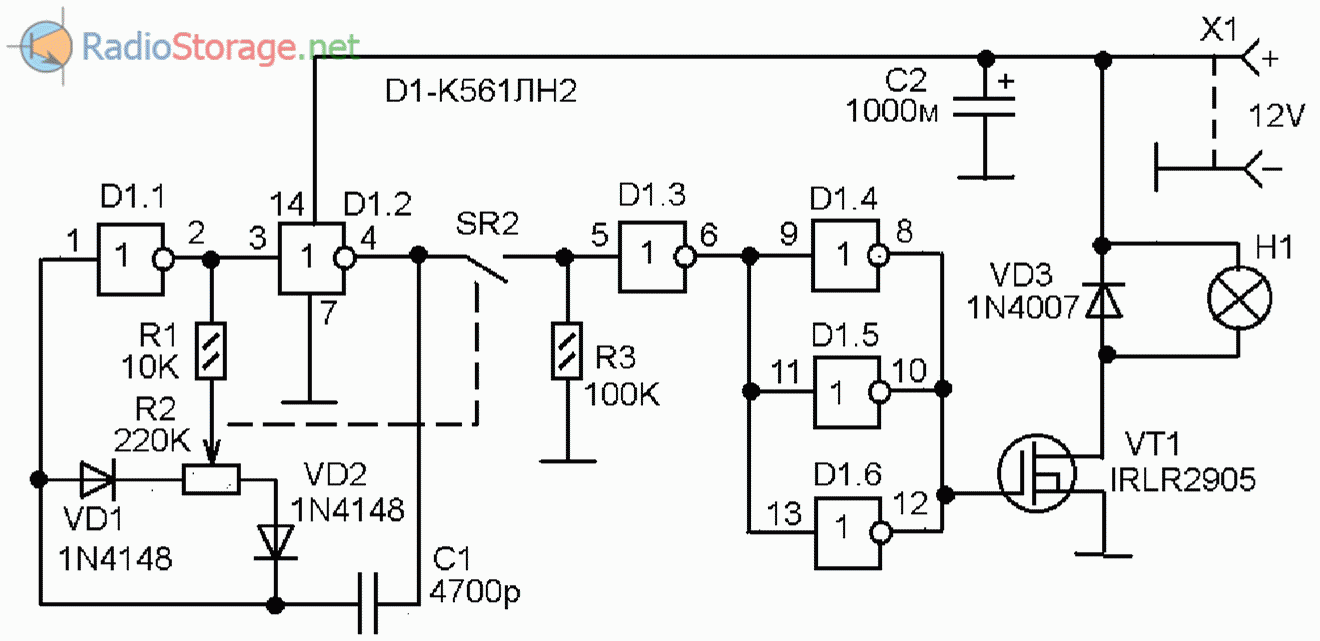
Принципиальная схема
Схема построена на имеющейся у меня элементной базе, то есть, исключительно на микросхеме К561ЛН2. В результате получилась схема, показанная на приведенном здесь рисунке.

Рис. 1. Принципиальная схема регулятора яркости свечения для прожектора на 12В.
На логических элементах D1.1 и D1.2 собран генератор прямоугольных импульсов, следующих с частотой около 1000 Гц
При помощи переменного резистора R2 осуществляется регулировка скважности этих импульсов в диапазоне примерно от 1,05 до 10
При этом частота следования импульсов меняется незначительно
Регулировка скважности происходит изменением R-составляющей частотозадающей цепи для положительной и отрицательной полуволн
Переключением частей R-составляющей («плеч» сопротивлений переменного резистора) занимаются диоды VD1 и VD2. Импульсы с выхода генератора прямоугольных импульсов на D1.1 и D1.2 через выключатель SR2 поступают на вход элемента D1.3. Выключатель SR2 является частью переменного резистора R2.
Он выключается в одном из крайних положениях этого резистора
Крайние выводы резистора подпаяны так, что SR2 выключается когда переменный резистор R2 находится в состоянии наименьшей скважности. То есть, яркость прожектора уменьшаем до минимума, потом еще немного поворачиваем, щелчок, и прожектор совсем выключается. Выключателя питания не предусмотрено, — в выключенном состоянии SR2 схема потребляет очень мало
Когда SR2 выключен на вход элемента D1.3 через резистор R3 подается нулевой логический уровень. При этом на выходе D1.3 — единица, а на соединенных вместе выходах D1.4-D1.6 — ноль
Выключателя питания не предусмотрено, — в выключенном состоянии SR2 схема потребляет очень мало. Когда SR2 выключен на вход элемента D1.3 через резистор R3 подается нулевой логический уровень. При этом на выходе D1.3 — единица, а на соединенных вместе выходах D1.4-D1.6 — ноль.
Этого напряжения недостаточно для открывания полевого ключевого транзистора VТ1. Поэтому лампа прожектора Н1 не горит вообще. При повороте вала переменного резистора R2 из состояния выключения, контакты SR2 замыкаются и через него импульсы с выхода генератора на D1.1 и D1.2 поступают на вход элемента D1.3. На элементах D1.4-D1.6 этой микросхемы собран буферный усилитель для управления выходным полевым ключевым транзистором VT1.
Этот усилитель нужен потому, что, несмотря на то что сопротивление изолированного затвора полевого транзистора стремится к бесконечности, там присутствует значительная емкость, берущая ток на свой заряд и разряд.
Соответственно, динамический входной ток затвора полевого транзистора уже существенный, и один выход КМОП-микросхемы с ним справляется с трудом. А вот три выхода — уже нормально.
Импульсы с выходов соединенных вместе выходов D1.4-D1.6 поступают на затвор VТ1
Через лампу пропускается импульсный ток, и яркость её свечения зависит от скважности импульсов этого тока
Как сделать хак светодиодного прожектора своими руками
Хак своими руками — прожектор светодиодный с датчиком движения / Маленткие хитрости / Sekretmastera
Watch this video on YouTube
Для работы потребуется светодиодный прожектор и галогеновый прожектор с датчиком движения. Модернизация осуществляется с отключенными от сети прожекторами. Пошаговая инструкция и схема работы приведена ниже.
Шаг 1. Вскрываем распределительную коробку галогенового прожектора. Датчик движения не трогаем. Запоминаем (срисовываем или фотографируем) расключение выводов на коробке по цветам проводов или по их расположению. Отключаем два проводника питания галогеновой лампы и проводник заземления корпуса прожектора.
Светодиодный прожектор
Галогеновый прожектор
Вскрываем крышку
Шаг 2. Откручиваем два винта крепления прожектора к коробке и отделяем коробку.
Шаг 3. Срезаем выступы с распределительной коробки. В данном прожекторе они будут мешать. Выступы срезаем болгаркой или напильником. Отверстия лучше сразу заделать термоклеем.
Шаг 4. Вскрываем распределительную коробку светодиодного прожектора (смотри видео)
Обращаем внимание для металлический сальник. Его конструкция позволит присоединить распределительную коробку с датчиком движения к светодиодному прожектору
Шаг 5. Полностью раскручиваем сальник и снимаем его с сетевого провода. Смотри фото и видео.
Срезаем выступы
Вскрываем коробку
Раскручиваем сальник
Шаг 6. Примеряем распределительную коробку и сверлим в распределительной коробке отверстие под сальник. Отверстие сделано гравировальной машинкой
Важно при разметке отверстия предусмотреть размещение внутри крепежной гайки
Шаг 7. Присоединяем при помощи сальника распределительную коробку к светодиодному прожектору.
Отверстие в коробке
Установка сальника
Закрепляем коробку
Шаг 8. Заводим проводники питания и заземления прожектора в распределительную коробку и собираем цепь на распределительной колодке. Проверяем все ли правильно собрано. Берегитесь КЗ! Закрываем крышку распределительной коробки. Проверяем прожектор в работе.
Собираем цепь
Светодиодный прожектор
Теперь у вас есть светодиодный прожектор с датчиком движения. НЕ НАДО менять лампы! НЕ НАДО оберегать прожектор от тряски и ударов! Затрат минимум. Съэкономлено несколько сот рублей. ПЛЮС экономия электроэнергии больше чем в 10 раз!
Кроме того таким способом можно организовать ремонт и модернизацию ваших устаревших прожекторов. Этот способ вторичного использования хотя бы части прожектора, вариант рециклинга устаревшей вещи и сохранения природы от загрязнения.
Принцип работы и схема
На вход преобразователя напряжение поступает через предохранитель (или реле датчика движения). Его выпрямляет диодный мост и сглаживает конденсатор. На выходе из конденсатора ток постоянный. Далее напряжение через резистор подается в стабилитрон и трансформатор.
Из стабилитрона выходит 9 В, необходимые для работы преобразователя, из трансформатора – высокочастотные импульсы на полевой транзистор. В полевом транзисторе сопротивление снижается почти до ноля, при прохождении тока через первичную обмотку трансформатора создается напряжение во второй обмотке. После выпрямления диодом и сглаживания конденсатором ток поступает в матрицу, диоды загораются.
Это стандартная схема, она может отличаться в зависимости от моделей и производителей.





































