Производители
Наиболее известные модели, представленные на российском рынке – «Экосвет» и «Claps». Рассмотрим их основные характеристики.
Выключатель «Экосвет»
Устройство «Экосвет» предназначено для работы с лампочками на 220 Вольт.
Основные параметры прибора:
разброс звукового сигнала – от 30 до 150 децибел;
уровень защищенности корпуса – IP30;
допустимый температурный режим – от 20 градусов ниже нуля до 40 градусов выше нуля;
стоимость – от 350 рублей.
«Экосвет» фиксируют саморезами за крепежные лапы. Прибор не рекомендуется устанавливать в шумных помещениях. Несмотря на то, что «Экосвет» настроен на хлопки, возможны ложные срабатывания.

На рисунке вверху показана схема подключения прибора. «Экосвет» соединен с обычным выключателем, чтобы предоставить возможность обесточивания схемы и прекращения его работы.
Выключатель «Claps»
Данная модель представляет собой одну из последних разработок, где звуковой сигнал обрабатывается продвинутым микропроцессором. Прибор реагирует только на хлопки, поэтому ложную информацию игнорирует. Обязательное условие для срабатывания – определенный характер передачи звуков, когда хлопки должны идти подряд.
В одной комнате может находиться один или несколько выключателей. Каждый из них будет настроен на заданное количество хлопков. Для этого на плате ставят перемычку в нужную позицию. В результате появляется возможность управления несколькими несвязанными друг с другом приборами, к примеру, кондиционером и светильником, телевизором и магнитофоном. «Claps» компактен (примерно как коробок спичек) и может быть вмонтирован в любое место, в том числе в подрозетник.

Как работает акустический выключатель
Алгоритм работы простейшего акустического выключателя выглядит так: когда раздается хлопок – лампа включается, при следующем хлопке – она гаснет и так повторяется все время. При этом в любом состоянии лампочка может находиться бесконечно долго. Мы же соберем более продвинутое устройство.
Первый алгоритм работы нашего акустического выключателя функционирует таким образом: один хлопок – зажигается одна лампа, второй – вторая, третий – третья, четвертый – все лампы гаснут. Далее все повторится снова.
Второй алгоритм – все происходит в обратной последовательности: первый хлопок – включаются три лампы, второй – одна гаснет и остаются светиться две лампы, третий – остается светиться одна лампа, четвертый – все лампочки выключаются. Такой вариант хорошо подходит для «ночника», поскольку с каждым хлопком свет становит тусклее, а затем гаснет.
Технические характеристики устройства, работающего по хлопку
Выключатели света, активирующиеся звуками от хлопков, можно найти в продаже или сделать самостоятельно. Рассмотрим прибор «Экосвет-Х-200-Л», выпускаемый белорусской фирмой «Ноотехника». Он обладает следующими техническими характеристиками:
- мощностью нагрузки — до 300 ватт;
- силой звука — 30–150 децибел;
- напряжением сети — 220 вольт.
В комплект кроме непосредственно выключателя входит коробка и инструкция по монтажу. Цена данного выключателя в сравнении с аналогичными приборами других изготовителей является вполне демократичной. Выключатель выпускается в защитном корпусе класса IP-30. Работать он может при температуре от -20 оС до +40 оС. Такое устройство сочетается фактически с любыми светильниками: галогенными, люминесцентными, энергосберегающими, LED и стандартными лампами накаливания. Размер устройства — не более спичечного коробка, поэтому его легко разместить в основании любого источника света. Крепится выключатель с помощью двустороннего строительного скотча или саморезов.
Составляющие компоненты звукового выключателя
Смонтировать акустический выключатель можно и самостоятельно. Приведём пример с использованием в микрофонном усилителе транзисторов КТ315 отечественного производства. В финишном каскаде применяется транзисторный ключ большой мощности на биполярном транзисторе КТ818. Если предполагается управление лампами с питанием выше 12 вольт, то в цепи необходимо реле. Если предполагаемые нагрузки меньше данного значения, то реле можно вычеркнуть. Медные провода соединяются при помощи клемм Wago 222, имеющих свои плюсы и минусы.
Плюсы клеммников Wago:
- быстрота, аккуратность и лёгкость соединения проводов;
- электробезопасность;
- отсутствие необходимости использовать специальный инструмент электрика;
- надёжность;
- эстетичность и красота.
Минусы клеммников Wago:
- высокая цена;
- не слишком удобное расположение гнёзда.
Установка устройства
Собрать простой акустический выключатель по хлопку можно своими руками, он состоит из следующих деталей:
- Резисторы;
- Конденсатор С12;
- Диодный мост (скажем, VD7-VD10);
- Транзисторы.
Обратите внимание, что конденсаторы должны быть не мене, чем на 40 Вольт. Но не всем нравится самостоятельно складывать электронные приборы, поэтому будет проще купить хлопковый звуковой выключатель в магазине
Там можно подобрать модель под любые потребности и возможности.

Установка хлопкового регулятора производится по классической схеме, в которой он используется вместе обычного одноклавишного или двухклавишного. У каждого отдельного устройства индивидуальная схема подключения, но принципиально они все очень похожи. Если вкратце, то нужно в сети подключить одноклавишную модель так, чтобы он питал хлопковый. Как это сделать:
- Стандартная схема работы выключателя и лампы имеет следующий вид: от щитка через распределительную коробку подводится питание к стандартному выключателю. Нейтраль от щитка ведется к лампе (или нескольким лампам). Лампы параллельно подключаются к отключающему устройству;
- Вам нужно разорвать цепь питания, которая идет на клавишный выключатель и установить её на акустический. Сделать это очень просто. Главным достоинством работы такого прибора является его малая размерность. Штробить стену не потребуется, т. к. преимущественно такой контроллер устанавливается на корпус светильника;
- Стандартно у выключателя две пары проводов: белые и черные. Белые отводятся на питание, черные на нагрузку. К примеру, белые соединяются с фазовым и нейтральным кабелями от щитка, а черные – от ламп;
- Соединять отдельные шнуры можно специальными клеммами или простой обмоткой. Паять места креплений не рекомендуется;
- После этого нужно включить обычный клавишный выключатель и проверить работу системы. Если понадобится полностью убрать его из системы, то переустановите провода питания так, чтобы они подводились к хлопковой модели напрямую.

Очень удобно то, что можно подключить один выключатель для нескольких ламп, он будет контролировать отдельные группы приборов. После установки обязательно установите регулятор громкости на нужный уровень, иначе свет будет загораться по малейшему хлопку или напротив, не включиться даже от сильного стука. Чаще всего регулятор представляет собой небольшой поворотный рычаг, который нужно докрутить до необходимого уровня.
Видео: особенности устройства хлопковых выключателей
Виды звуковых выключателей
Существуют следующие типы акустических выключателей:
- Приборы, реагирующие на хлопок. Заранее программируется, при каком количестве хлопков будет выполняться та или иная команда.
- Приборы, реагирующие на голос или заранее поставленную команду.
- Комбинированные устройства (например, светоакустический выключатель). В них могут устанавливаться звуковые, световые датчики или сенсоры движения. Это наиболее технологичные устройства, у которых риск ложного срабатывания максимально снижен.
- Устройства для слаботочных систем. Используются для подключения видеокамеры или передачи команды охране.
Акустические выключатели стали популярными благодаря удобству применения. Они полезны для пожилых людей, лежачих больных и маленьких детей. Приборы такого класса уже активно используются в системе «Умный дом».
Порядок испытаний хлопковых выключателей
После установки и подключения устройства его необходимо протестировать в реальных условиях эксплуатации. Тест состоит из моделирования бытовых шумов и реакции на них установленной системы. Распространенными шумами в доме можно считать:
шум бытового пылесоса;
работа электродрели;
шум посуды;
звук работы молотком;
телефонные звонки и т д.
Создавая такие шумовые эффекты один за другим, мы проверяем, на какие из них может реагировать устройство. Вы можете попытаться устранить нежелательные реакции устройства, отрегулировав чувствительность микрофона. Эта функция реализована во всех моделях устройств.
Подробно изготовление такого переключателя показано на видео
Чтобы сделать выключатель звука своими руками, конечно, потребуются солидные знания в области электроники и электротехники, но установка штатного устройства вполне доступна для художника с минимальными навыками электромонтажа. Я желаю вам успеха!
Подключение и монтаж
Устройство монтируется на одно- или двухклавишном выключателе так, чтобы оно получало питание от сети 220 вольт. Это можно сделать следующим образом:

Схема подключения акустического выключателя
Типовая схема подключения лампочки выглядит так: питание переключателя осуществляется от панели через распределительную коробку. Нейтральный провод подводится к источнику света и подключается параллельно переключателю;
необходимо разорвать цепь питания на ключевой выключатель и установить в помещении звуковое устройство. Контроллер установлен в корпусе светильника;
Чаще всего у переключателя две пары белого и черного проводов. Питание подается в белом цвете, нагрузки подключаются в черном цвете. Соединение лучше производить клеммами или просто накрутить. В таких схемах пайка не используется.
Плюсы и минусы
Важнейшим преимуществом звукового переключателя перед классическими является простота и удобство использования. Пользователю не нужно думать, куда установить выключатель.
Основные преимущества:
- работают с любыми электроприборами или источниками света;
- возможность включить и выключить бытовой прибор или свет, находясь в любой точке комнаты;
- отсутствие лишних проводов;
- надежность и длительный срок службы;
- бесшумность;
- безопасность.
Недостатки:
- Современные датчики умеют распознавать звук, который нужен для включения и выключения. Пользователю нужно точно знать, на какой именно сигнал отреагирует сенсор.
- Зона чувствительности ограничена. В большой по площади комнате придется хлопать громко или подходить ближе к сенсору. Если увеличить чувствительность, датчик может ложно среагировать на аналогичные звуки.
Принцип работы диммерного акустического выключателя
Для диммерного включения электричества применяется оптико-акустический выключатель. Он действует следующим образом:
- Звуковой сигнал (в нашем случае это хлопок) поступает на чувствительную мембрану микрофона. Там звук конвертируется в электрический импульс. При проходе через операционный усилитель мощность импульса увеличивается и осуществляется зарядка конденсатора. При достижении зарядом большей величины, чем на ёмкости, происходит переключение компаратора. Ноль при этом на выходе заменяется импульсом от логического участка.
- Такая цепочка последовательно активируется в выключателе после получения акустического сигнала от микрофона. Затем запускается транзисторный генератор, направляющий электрические импульсы, и открывается симистор. Через него происходит поступление электропитания на источник света.
- Через некоторое время конденсатор теряет уровень напряжения. При этом симистор принимает управляющие электрические сигналы с постоянно увеличивающимся фазовым замедлением, вследствие чего происходит плавное выключение света. При оптимальном подборе номиналов световой источник выключается с паузой до трёх минут.
Компоненты устройства
Могут быть предложены разные схемы устройства.
Комплектация по варианту 1
Это самая простая схема. Отличается использованием микрофона с многократным усилением звукового сигнала. Для этого потребуется несколько транзисторов КТ 315 и мощный КТ 818. С микрофона сигнал передается на КТ 315, многократно усиливается и передается на КТ 818, который управляет реле замыкания и размыкания контактов нагрузки, будь то лампочка или любой другой потребитель. Чувствительность устройства позволяет включать / выключать его на расстоянии 4-5 метров, что вполне применимо для домашнего использования.
Оптимальный выбор — электретный микрофон, один из кабелей которого подключается к корпусу. Расход электроэнергии небольшой, напряжение 4-16 вольт.

КТ315 транзистор

КТ818 транзистор
Устройство по варианту 2
Схема устройства в этом случае более сложная, но и более надежная, чем предыдущая. Для его реализации вам потребуются:
резистор;
конденсатор;
стабилитрон;
управляемые тиристоры.
Транзисторный триггер необходимо подключить к делителю напряжения и резистору. Триггер получает энергию через диод и резистор. Конденсатор и стабилитрон предназначены для выравнивания напряжения.
Стабильная работа триггера возможна при включении одного из двух управляемых тиристоров. Реагируя на звук микрофона, делитель напряжения переводит их в другое состояние.
Нагрузка на коммутатор не превышает 100 Вт. Если необходимо увеличить эту характеристику, необходимо использовать диоды большей мощности. Транзисторы устанавливаются с помощью радиаторов.

Принципиальная схема простейшего ватного тампона
Принцип работы
Устройство функционирует за счет установленного в нем микроконтроллера. Контроллер санкционирует включение и выключение света по хлопку. Данный прибор при желании можно использовать для контроля за другими электробытовыми устройствами (кондиционерами, вентиляторами и т. п.).
В составе обычного звукового выключателя света имеется электронный микрофон с предусилителем. Этот компонент усиливает поступающий в устройство звук, что позволяет фиксировать даже самые негромкие хлопки. Деятельность усилителя управляется с помощью транзисторов VT1 и VT2. Схема контролируется парой резисторов R2, а для выравнивания сигнала используются диоды VD1 и VD2.

Звук от хлопка проходит через микрофон, там усиливается и трансформируется электрический импульс. Далее происходит выравнивание звука благодаря работе выпрямляющих диодов. Звук находится под контролем резистора (если уровень громкости звука ниже заданного, резистор не допустит срабатывания прибора). Когда выравнивается сигнал на конденсаторе, возрастает напряжение, открывается транзисторный ключ VT3.
Свет отключается и включается после последовательной зарядки и разрядки конденсаторов.
По окончании полного цикла деятельности (по еще одному хлопку) резистор и конденсатор C10 разряжаются за четыре секунды. Это приводит устройство к выключению.
Принцип действия и порядок работы автоматического плавного выключателя освещения
Устройство разработано с целью повышения срока службы осветительных приборов. Подача максимального напряжения в залповом режиме часто является причиной их перегорания. Как и в случае с хлопковым выключателем, сигналом для включения лампочки является звуковой сигнал.
Он подаётся к микрофону, конвертирующему акустический сигнал в электрический импульс. Сигнал усиливается в операционном усилителе и поступает на конденсатор для его зарядки. Когда заряд достигает больших значений, чем на ёмкости, происходит срабатывание компаратора и на выходе вместо нулевого значения появляется сигнал. В результате происходит запуск транзисторного генератора, направляющего импульсы, и происходит открытие симметричного триодного тиристора, подающего напряжение на лампочку.
Через какое-то время величина напряжения на конденсаторе снижается, что приводит к снижению частоты импульсов на симметричном триодном тиристоре в результате роста фазовой задержки. При этом светильник медленно гаснет. Подбором номиналов можно добиться времени гашения источника света до трёх минут.
Заслуживают внимания и специальные приборы, предназначаемые для общественных мест периодического использования. Это такие места, как подъезды, лифтовые площадки, подвалы и другие подобные места.
В светлое время суток оптический датчик отключает прибор от срабатывания. С наступлением темноты, включается работа прибора в дежурном режиме. При возникновении звукового воздействия срабатывает акустический датчик, включая свет в помещении. Встроенное реле времени отключает свет через 40–50 секунд горения. Если в течение этого периода звуковой сигнал повторяется, отсчёт времени начинается сначала от времени его получения.
Такая система управления освещением экономит до 50% электричества, затрачиваемого на освещение общественных проходных помещений.
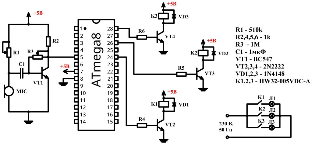
Схема акустического выключателя
Существует огромное множество схем акустических выключателей (АВ): на транзисторах, логических микросхемах, триггерах и т.п., но мы будем собирать наш аппарат на микроконтроллере. Применяя микроконтроллер можно довольно просто реализовать алгоритмы различной сложности с минимальной переделкой схемы либо вовсе без переделок.
Первый и неотъемлемый элемент любого акустического выключателя – это микрофон. Микрофон преобразует сигнал звуковой частоты в переменное напряжение. Нам подойдет самый простой электретный микрофон.
Одним выводом микрофон подключается к минусу, а вторым через подстроечный резистор R1, сопротивлением 510 кОм, – к плюсу. С помощью R1 регулируется чувствительность микрофона. Далее переменный сигнал с выхода микрофона через разделительный конденсатор C1, емкостью 1 мкФ, подается на , выполненный на одном транзисторе BC547. Эмиттер транзистора соединен с минусом, а коллектор посредством резистора R2, сопротивлением 1 кОм, — с плюсом. Настройка усилителя осуществляется с помощью подстроечного резистора R3, сопротивлением 1 МОм.

Далее усиленный сигнал подается на вход . В зависимости от количества поступивших импульсов, что соответствует количеству хлопков, микроконтроллер выдает высокий или низкий потенциал на соответствующие выводы. В данной схеме у нас применяются три вывода микроконтроллера МК, которые работают на выход. Они питают три аналогичные цепи. Рассмотрим работу одной цепи.
Когда на выводе МК высокий потенциал (+5 В) транзистор VT2 серии 2N2222, соединенный с МК резистором R4 (1 кОм), открывается и получает питание катушка реле К1. При срабатывании реле К1 замыкаются его контакты в цепи питания лампы и таким образом она засвечивается.
Катушку реле К1 следует шунтировать обратным диодом VD1 для защиты от перенапряжения, поскольку катушка обладает некоторой индуктивностью, и при разрыве цепи может возникнуть бросок напряжения, хотя и не значительный в данном случае, но лучше перестраховаться. Подойдет практический любой диод с током не менее 100 мА, можно применить 1N4148.
Реле можно применять любое, но следует ориентироваться на такие параметры: напряжение питания 5 В, напряжение замыкающих контактов – переменное, 230 В. Ток контактов определяется нагрузкой цепи, которую будут замыкать-размыкать контакты. Я применял реле следующего типа: HW32-005VDC-A. Если найдете реле с током питания катушки не более 20 мА, то можно обойтись без транзисторного ключа.
Питание схемы акустического выключателя осуществляется от стабилизированного источника питания, напряжением 5 В. Можно взять любой готовый блок питания либо собрать его самому, как рассказано в .
Испытание акустического устройства
Акустический датчик включения и выключения света испытывается на вероятность активации от любых резких звуков и шумов, кроме хлопков. В качестве подопытного прибора рассмотрим выключатель Claps Max отечественного производства. Проверим, будет ли он срабатывать на звуки — от ударов молотка по доске, включённого гайковёрта, лобзика и болгарки, цоканья отвёртки по металлу. Такие звуки могут спровоцировать активацию устройства.
Видео: испытание акустического выключателя Claps Max
В нашем варианте устройство не сработало ни на звук от включённых электроинструментов, ни на стук молотка, ни на цоканье отвёртки. При этом оно продолжало отвечать на хлопки в ладоши. Это можно назвать отличным результатом.
Самостоятельную сборку и монтаж акустического (или хлопкового) выключателя следует производить с соблюдением норм техники безопасности. После испытания прибора на восприимчивость можно внести коррективы в его настройки.
Диммерный акустический выключатель
Диммирование – это регулировка нагрузки, которую потребляет прибор. С помощью диммеров можно плавно включать свет, регулировать яркости светодиодной лампы или лампочки накаливания. Не применяется для люминесцентной лампы. Также диммерные устройства могут применяться для регулировки температурного режима в утюгах, паяльниках, чайниках и других бытовых приборах.
Оптико-акустический выключатель нужен для диммерного включения электричества. Принцип работы микросхемы следующий:
- сигнал в виде звука попадает на микрофон;
- звук переводится в импульс;
- импульс отправляется на микроконтроллер и проходит через усилитель, заряжая конденсатор;
- достигается заряд большой величины, после чего переключается компаратор;
- ноль на выходе меняется на импульс;
- активируется транзитный генератор, который направляет импульсы;
- открывается симистор, через который проходит питание на светильник;
- конденсатор теряет уровень напряжения;
- на симистор подается сигнал с возрастающим фазовым замедлением;
- плавно включается свет.
Если правильно подобрать все номиналы компонентов, светильник выключается с паузой до 3 минут. Для работы диммера нужна лампа с мощностью не ниже 40 Вт. Напряжение на оптико-акустическом переключателе плавно изменяется в диапазоне от 0 до 220 В.
Преимущества:
- благодаря плавному включению увеличивается срок службы лампы;
- возможность создания освещения нужной яркости в определенном месте;
- возможность управления светом с помощью интеллектуальных систем.
К недостаткам можно отнести невозможность размыкать сеть в случае короткого замыкания и отсутствие защитной функции от перегрузок.
Схемы сборки
Все хлопковые или акустические автоматы объединяет наличие в схеме микрофона, который нужен для регистрации звука. Также в конструкции предусмотрен усилитель, триггер или реле времени, для управления силовым переключателем.
В данной схеме, работающей от сети 220в, сигнал с электретного микрофона поступает на транзистор VT1 для усиления, далее на узел согласования сопротивления и эмиттерный повторитель на транзисторе VT2. А затем на компаратор и триггер, собранные на цифровой микросхеме К561ТМ2.
Компаратор необходим для защиты выключателя от акустических помех, он отсекает слишком короткие или продолжительные звуки. Сигнал, который прошел через фильтр, меняет состояние триггера (на включено или выключено), а тот в свою очередь через силовой транзистор, реле и тиристор управляет нагрузкой. В качестве нее может выступать любая лампа, например — накаливания.
Вот похожая по назначению схема сборки самодельного хлопкового выключателя — на интегральном таймере.
Для удобства изучения схемы мы выделили на ней основные узлы: усилитель микрофона на транзисторе КТ3102, компаратор на микросхеме ne555, триггер ТМ561 и транзистор КТ3102, который управляет силовым реле.
Не менее интересным будет самостоятельная сборка акустического реле на микроконтроллере Ардуино и готовых модулях к нему, что существенно упростит понимание принципов работы начинающими и позволит точно настроить некоторые параметры работы.
Чтобы сделать хлопковый автомат своими руками, необходимо подготовить три платы:
Arduino Nano;
звуковой модуль;
модуль силового реле (обратите внимание, чтобы он был на 5 вольт).
Также необходим компьютер для загрузки прошивки, USB-шнур, блок питания на 5 Вольт (подойдет любая зарядка для телефона). На ПК нужно установить программу Arduino IDE, для прошивки микроконтроллера. Скачать ее можно бесплатно с официального сайта разработчика платы.
Скопировав текст скетча (программы) и вставив его в окно Arduino IDE, можно сразу же прошить контролер. Изменяя некоторые параметры и перезаписывая устройство, можно тонко настроить самодельное звуковое реле под себя для стабильной работы. Как видим из схемы, на к контролеру подключено четыре провода: два на питание. Желтый провод, подключенный к контакту 13, предназначен для управления силовым реле. Зеленым отмечен провод управления от модуля микрофона, подключенный к аналоговому входу А0 контроллера.
Микросхема содержит в себе 8 аналоговых входов и 14 цифровых контактов вход/выход. Для нашего проекта мы взяли А0 и D13, так как вместе с ним загорается светодиод на плате Ардуино, и вы сможете наглядно увидеть, когда на релейный модуль подается сигнал.
Скетч Ардуино для изготовления звукового реле: Скетч
Изменяя значение x в строке if(analogRead(Al)>x), мы устанавливаем порог чувствительности, максимальное значение которого — 1024. Внося изменения в строку delay, изменяется промежуток задержки после исполнения скетча. Тем самым устанавливается время готовности к переключению. В дополнение с этим регулируется защитный порог от помех и ложных срабатываний. Кроме того, чувствительность микрофона можно подкорректировать переменным резистором на плате с помощью маленькой отвертки.
Для проверки и настройки схемы, нами была взята плата Ардуино UNO, основанная на базе микроконтроллера ATmega238. При этом подходят и любые другие модели, так как мы не задействуем много пинов платы, а скетч не требует высокой производительности.
На видео ниже наглядно показывается самодельный хлопковый выключатель, который мы собрали по предоставленной схеме:
Схема подключения и установка хлопкового выключателя
Ниже представлена схема монтажа акустического прибора «Экосвет-Х-300-Л» в источник света с двумя компактными люминесцентными лампами, подключённый в текущий момент к одноклавишному тумблеру.
- Провода белого цвета подсоединяем к сети 220 В без жёсткого соблюдения полярности. К проводам чёрного цвета подключаем нагрузку — две компактные люминесцентные лампы.
- Соединяем провода белого цвета с фазой и нолём, которые приходят на источник света с распределительной коробки через подключённый в настоящий момент одноклавишный выключатель.
- Провода чёрного цвета подсоединяем непосредственно к лампам осветительного прибора, подключённым параллельно друг другу.
- Временно отключаем имеющийся одноклавишный выключатель.
- Выставляем нужную нам силу звука посредством настройки регулятора восприятия. Настраиваем его так, чтобы датчик срабатывал от не слишком сильного, но и не чересчур слабого хлопка. Если нужно хлопать очень сильно, то можно отбить ладони. Если же датчик будет реагировать на слишком слабые хлопки, то повысится риск ложных срабатываний.
Применение хлопкового выключателя
Акустический (или хлопковый) выключатель создан для управления электричеством в различных помещениях дистанционно, то есть не прикасаясь непосредственно к тумблеру. Данное приспособление действует по хлопку в ладоши. Помимо источников освещения акустический регулятор может активировать катушки контакторов, преобразователи тока, климатические системы и иное электрическое и электронное оборудование — главное, чтобы хватало мощности.
Акустические выключатели в жилых помещениях
Звуковые выключатели оптимально подходят для сравнительно тихих помещений в доме: спален, библиотек, кабинетов, кладовых, погребов. Установка подобного устройства в спальне позволит вам не вставать с кровати для выключения света после того, как вы почитаете на ночь любимую книгу и удобно устроитесь под одеялом. Чтобы комната погрузилась в уютный, обволакивающий мрак, нужно просто похлопать в ладоши.
Монтировать подобные приборы в шумных местах и помещениях нецелесообразно, поскольку посторонние звуки будут регулярно провоцировать несанкционированную активацию устройства. В связи с этим звуковой выключатель не подходит для офисных и рабочих помещений, для кухонь, столовых и гостиных.
Хлопковый выключатель очень пригодится в быту людям, передвигающимся на инвалидной коляске, также он будет полезен детям. Как правило, в целях безопасности в детских комнатах электроустройства располагают на высоте 1,7 м. Для того чтобы самостоятельно включить или выключить свет, ребёнку приходится вставать на табуретку, а это также небезопасно: малыш может потерять равновесие и упасть. Если вы установите хлопковый выключатель, ребёнок не будет каждый раз к вам обращаться с просьбой включить или погасить свет. Он просто хлопнет в ладоши и от этого свет зажжётся или погаснет.
Освещение межэтажного пространства
При помощи выключателя, реагирующего на хлопок, можно контролировать свет на площадке между этажами. Для этого он должен быть снабжён фотореле. Восприимчивость датчика движения контролируется делителем напряжения с резистором, создающим фотодиод. Если использование датчика движения не принципиально, его можно отключить. Для этого необходимо выставить резистор на самое низкое значение.
При освещении межэтажного пространства можно использовать микросхему К176ЛА7. При её применении автомат активации электричества не дребезжит на верхних и нижних показателях. С помощью электретного микрофона принимается акустическая волна и трансформируется в электрический импульс. Затем за счёт применения трехэлектродных транзисторов импульс принимают логические участки микрочипа, производящие сигнал продолжительностью до 10 секунд. В эти 10 секунд лампа находится в активированном, т. е. включённом состоянии. Чтобы её отключить на светлое время суток, нужно подать сигнал с выхода элемента.
Принцип работы
Хлопковые выключатели света — один из видов устройств дистанционного управления освещением. В этом случае сигналом изменения состояния освещения являются высокие аплодисменты. Безусловно, незаменимым элементом такой схемы управления является микрофон
Делая прибор своими руками, совсем не обязательно спешить в магазин за столь важной запчастью. Можно использовать устройства от старых телефонов, диктофоны, наушники и другие устройства, связанные с использованием элементов, чувствительных к звуковым колебаниям
Алгоритм работы предполагает включение света при хлопке в ладоши и выключение при следующем же сигнале.
Такие устройства рекомендуется устанавливать в относительно тихих помещениях, таких как спальни, туалеты, подвалы и тому подобное. Использование в офисах, магазинах или производственных помещениях нерационально.

Устройство управления освещением хлопка
Принцип работы
Выключатели света по хлопку представляют собой одну из разновидностей устройств для дистанционного управления освещением. В этом случае сигналом для изменения статуса освещения является резкий звук в виде хлопка в ладоши. Разумеется, что непременным элементом такой схемы управления является микрофон
При изготовлении устройства самостоятельно вовсе не обязательно бежать в магазин за такой важной деталью. Можно использовать устройства со старых телефонов, магнитофонов, наушников и прочих приборов, связанных с применением чувствительных к звуковым колебаниям элементов
Алгоритмом работы предусмотрено включение света при хлопке и выключение по следующему такому же сигналу.
Подобные устройства рекомендуется устанавливать в сравнительно тихих комнатах, таких как спальни, кладовки, подвалы и тому подобных. Использование в офисах, магазинах или производственных помещениях нерационально.





































