Другие статьи категории «Инженерные системы»
Ливневая канализация вокруг дома
Нет ни одного частного дома, который бы не подвергался воздействию атмосферных осадков. После хорошего дождя остается немало влаги на поверхности. Особенно тяжело тем, у кого грунт имеет в составе глину.
Как рассчитать освещение в комнате – формулы и цифры
Свет занимает важное место в жизнедеятельности человека. С правильно подобранным освещением помещение приобретает законченный вид
Поэтому довольно важно, чтобы мощность освещения была определена грамотно.
Регулятор сетевого напряжения
В последнее время в нашем быту все чаще применяются электронные устройства для плавной регулировки сетевого напряжения. С помощью таких приборов управляют яркостью свечения ламп, температурой электронагревательных приборов, частотой вращения электродвигателей.
Как собрать садовый светильник на солнечных батареях своими руками
Типовая схема таких светильников очень простая, она состоит всего из семи элементов:
- резистор 47КОм;
- резистор 56Ом;
- диод КД243А (либо импортный 1N4001/7/ 1N4148);
- транзистор КТ361Г (либо импортный 2N3906);
- аккумулятор 3,7В/1500мАч;
- солнечная панель 5,5В/2Вт;
- светодиоды — один мощностью 3 Вт или несколько по 1-1,5Вт.
Ниже приведена базовая схема светильника на солнечной батарее.

Принцип действия предложенной цепи прост. Когда солнечный свет падает на панель, транзистор закрыт, и энергия накапливается на аккумуляторе. Когда на солнечную панель перестает попадать свет, транзистор открывается, и ток идет на светодиоды. Таким образом, в течение светового дня светильник заряжается, а вечером и ночью он светится. Для заряда хватает восьми часов, а время работы зависит от емкости аккумулятора и силы свечения светодиодов.
Собрать схему способен даже начинающий любитель. Есть несколько вариантов монтажа.
- Самостоятельно сделать небольшую плату (2х3см), вытравить на ней дорожки, а затем припаять все элементы схемы.
- Собрать схему без платы навесным монтажом. Но тогда позаботьтесь о качественной изоляции для стыков проводков и элементов, чтобы при помещении всех элементов в корпус фонарика не случилось замыкания цепи.
В обоих случаях схема без труда поместится в колпачке от дезодоранта. Там же можно разместить и аккумулятор. А солнечную панель при помощи термоклея можно прикрепить сверху. Для усиления яркости светильника используйте отражатель. Его делают из фольги или старого компакт-диска.
Солнечная батарея и ветрогенератор
Схемы, в которых соседствуют различные источники энергии, должны строиться на общей характеристике — одинаковое напряжение источников, т.к. иначе потребуются разные контроллеры зарядки и, возможно, инверторы (если разброс по мощности источников большой), а схема блока АКБ позволяет подстраиваться под напряжение источников.

Подключение источника с генератором переменного тока с параметрами сети несколько изменяет схему подключения. На рисунке представлен самый общий вариант без блока подзарядки АКБ (контроллер и трансформатор с выпрямителем, которые отбирают энергию от внешнего источника переменного тока).

Схема подключения усложняется в случае, если автономная система подключена к централизованной сети. В России не отрегулированы ситуации, когда частный потребитель может отдавать излишки энергии в сеть. Кроме этого, переключение не бывает «гладким», т.е. происходит перепад напряжения длительностью 0,3-1 секунды в зависимости от сложности переключателя.
Сложность схемы подключения возрастает с подключением других источников. Вот некоторые вопросы, которые приходится рассматривать при сложной комплектации:
- Согласование характеристик источников, устройств управления и преобразования энергии,
- Надежность системы, в сочетании с проблемами утилизации избыточной энергии.
В целом ряде ситуаций могут оказать помощь наши специалисты. Для этого можно использовать сервисы сайта: онлайн-консультант и форму обратной связи.
Альтернативный источник энергии на базе солнечных батарей – отличный вариант для организации независимого энергоснабжения. Он обеспечит высокую энергетическую эффективность не только в знойные деньки, но и в пасмурную погоду. Было бы неплохо иметь такое устройство у себя дома, не так ли?
Для этого нужно лишь грамотно подобрать технические компоненты и произвести монтаж. Сделать это может каждый, зная схемы и способы подключения солнечных батарей. Мы расскажем, как сооружается производительная система, перерабатывающая «зеленую энергию» в электричество, необходимое для питания бытового оборудования.
Кроме того, вы узнаете, как выбрать место для установки гелиопанелей и как совместить их со стационарной электросетью. Полезные советы и важные рекомендации окажут действенную помощь домашним мастерам. Для упрощения восприятия приведены тематические фотографии, схемы и видеоролики.
Планируя выполнить подключение солнечных панелей собственноручно, необходимо иметь представление, из каких элементов состоит система.
Солнечные панели состоят из комплекта , основное предназначение которых – преобразовывать солнечную энергию в электрическую. Сила тока системы зависит от интенсивности света: чем ярче излучения, тем больший ток генерируется.
Помимо солнечного модуля в устройство такой электростанции входят фотоэлектрические преобразователи — контроллер и инвертор, а также подключенные к ним аккумуляторы
Основными конструктивными элементами системы выступают:
- Солнечная батарея – преобразует солнечный свет в электрическую энергию.
- Аккумулятор – химический источник тока, который накапливает сгенерированную электроэнергию.
- Контроллер заряда – следит за напряжением аккумуляторов.
- Инвертор, преобразующий постоянное электрическое напряжение аккумуляторной батареи в переменное 220В, которое необходимо для функционирования системы освещения и работы бытовой техники.
- Предохранители, устанавливаемые между всеми элементами системы и защищающие систему от короткого замыкания.
- Комплект коннекторов стандарта МС4.
Помимо основного предназначения контроллера – следить за напряжением аккумуляторов, устройство по мере необходимости отключает те или иные элементы. Если показатель на клеммах аккумулятора в дневное время достигает отметки в 14 Вольт, что указывает на их перезарядку, контроллер прерывает зарядку.
В ночной период, когда показатель напряжения аккумуляторов достигает предельно низкой отметки в 11 Вольт, контроллер останавливает работу электростанции.
Фонарь своими руками (мастер-классы)
Деревянный фонарь
ЧТО ПОНАДОБИТСЯ:
- Деревянные заготовки (их могут напилить по вашим размерам в строительных магазинах);
- Деревянная ручка;
- Деревянные столбики;
- Клей ПВА строительный.
- Дрель с широким сверлом.
По краям каждого из четырех квадратных брусков нужно создать отверстия
Обратите внимание, в двух из них отверстия сквозные, а двух оставшихся до половины. Собираем конструкцию, укладываем на стол брусок, просверленный не до конца, к нему приклеиваем сквозной, и устанавливаем в них столбики
Столбики лучше приклеить на клей ПВА. Точно также собираем детали для крышки. По низу крышки можно зафиксировать деревянную рейку, ее нужно запиливать на торцевой пиле или при помощи стусла. На верхушке фиксируем деревянную ручку. Внутри фонаря можно уставить стеклянную баночку, а уже внутри нее поставить электронную свечу. Настоящие свечи в деревянные фонари ставить нельзя!
Из канцелярского картона
ЧТО ПОНАДОБИТСЯ:
- Шаблоны;
- Канцелярский картон;
- Клей «Момент Кристалл»;
- Бумага тишью разных тонов;
- Канцелярский нож;
- Линейка.
Для начала на картон нужно перевести необходимые детали: 6 боковых частей и дно. Все вырезаем при помощи линейки и канцелярского ножа. Далее окошки заклеиваем бумагой тишью. Ну и в завершении склеиваем конструкцию в единое целое. На шаблоне ниже представлены три разных примера боковых стенок, выбор за вами.
Подбор деталей для изготовления
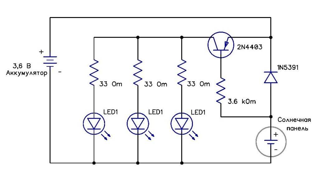
Большинство солнечных фонариков создаются с солнечными панелями, которые по площади не превышают 9 кв см. Чтобы своими руками сделать осветительный прибор без использования электричества потребуется электрические элементы со следующими характеристиками:
- диоды от 1 до 1,5 вольт;
- аккумуляторы, имеющие накопительный объем 3000 мА и вырабатываемым напряжением 3,6 вольт;
- солнечные панели общей площадью 60х60х4 мм, которые отличаются выработкой 4,4 вольт с 90 мА;
- для управления понадобятся 4 резистора МЛТ 20 кОм;
- транзисторы КТ503;
- стеклянный элемент в качестве плафона;
- основание из ПВХ.
Все описанные выше элементы будут располагаться на одной плате, которую можно спаять самостоятельно. Чтобы упростить процесс в радиомагазинах можно найти универсальные платы, которые позволят быстрее приступить к работе над светодиодным фонариком.
Для создания схемы необходимо запастись многожильным проводом из меди, который позволит расчертить электрические дорожки.
Максимально в одну схему можно включить 4 фонарика. При грамотной сборке этот светильник будет работать гораздо дольше покупного.
Для сборки светодиодного фонаря нужно будет не только подобрать подходящие материалы, но и позаботиться об инструментах:
- сверле;
- канцелярском ноже;
- паяльнике с припоем;
- карандаше.
Выбор источника питания
Для ландшафтного освещения используется бытовая электросеть 220 В, автономное питание от аккумуляторных или солнечных батарей. В отличие от традиционной лампы накаливания, ЛЭД-светильник может питаться только постоянным током.
Для их работы потребуется специальный источник тока, который на выходе выдает постоянное напряжение. Все блоки питания отличаются между собой типом сборки и вариантом преобразования напряжения.
Их разделяют на такие группы:
Трансформаторные. В состав, которых входят: трансформатор, фильтр, выпрямитель и стабилизатор. Преимущества: простой монтаж, выдерживают функцию холостого хода. Недостатки – уязвимые к перегрузкам и имеют большой вес.
- Импульсные. Преимущества: легкий вес, компактность и способны работать с повышенными импульсами. Недостатки: плохо переносят режим холостого хода и перегрузки.
- Драйвер. Выпрямляет стабилизированный ток, способны работать на частотах 30-50 Гц. Широкий диапазон регулировки выходных параметров.
Имеется 3 варианта подключения ЛЕД-светильника к бытовой сети в 220 В:
- Последовательно. Когда все лампы подключается одним проводом, на начало подается фаза, а к ее концу – ноль. Преимущество – низкие затраты на монтаж. Недостаток – при выходе из строя одного светильника, вся линия освещения работать не будет.
- Параллельно. К каждому светильнику подключается фаза и ноль либо еще заземление. Преимущество – высокая работоспособность схемы, даже при выходе из строя одного или нескольких светильников. Недостаток – высокий расход проводов для подключения.
- Лучевая схема – это частная разновидность параллельной системы, когда источники устанавливаются по периметру, каждому светильнику подводятся 2 или 3 провода с заземлением.
Таким образом для ЛЕД-освещения на придомовой территории наилучшим эффективным постоянным источником тока считается бытовая сеть 220 В, с параллельной схемой подключения светильников, с установкой драйвера для выпрямления тока.
Для подсветки объектов на участке также могут использоваться энергонезависимые светодиодные светильники на солнечных батареях или аккумуляторах.
Контроллер зарядки АКБ
Контроллер зарядки батареи предназначен для перераспределения генерируемой электроэнергии. Приоритетом является поддержание АБК в заряженном состоянии, а при полной зарядке — направление энергии на инвертор.
Различают два способа организации контроля зарядки:
- PWM (ШИМ) контроллер — устройство, генерирующее собственные измерительные импульсы с частотой (около 1 Гц) для контроля состояния батареи в широком диапазоне характеристик (широко-импульсный). Схема с простой релейной логикой, т.е. выше напряжения на АКБ (кислотные АКБ — 16,2 В) — выключил зарядку, ниже — снова включил.
- MPPT-контроллер с процессором постоянно отслеживает положение точки максимальной мощности (ТММ) солнечной батареи по току и напряжению. Другое плечо контроллера отслеживает состояние АКБ. Процессор сопоставляет данные и определяет значения тока и напряжения, направляемые на АКБ в зависимости от уровня зарядки.
Оба типа контроллеров обеспечивают комфортный режим работы батареи и не имеют решающих преимуществ друг перед другом. Преимуществом МРРТ можно назвать наглядность процесса его работы и возможность накопления информации.
Светильник из жестяных банок

Для изготовления этого предмета подойдут даже маленькие жестянки от напитков, однако большие емкости-фонари будут выглядеть более оригинально и внушительно. В этом случае из инструментов понадобится молоток, а также гвозди различных размеров. В роли рабочего стола выступит скругленный брус, который для фиксации лучше зажать в тисках. Способ получения эксклюзива прост:
- сначала на банке рисуют понравившийся узор, он может быть любой степени сложности;
- затем по линиям делают отверстия разного (или одного) диаметра, орудуя молотком и гвоздями;
- в банку вставляют патрон с лампочкой, изделие вешают или ставят на предназначенное место.
Степень необычности конкретного фонаря зависит лишь от «разгула» фантазии его автора. Готовое изделие можно покрасить, либо разрисовать узорами. Такая техника и выдумка позволяют довольно легко создавать настоящие произведения искусства.
- https://dom-i-remont.info/posts/pridomovaya-territoriya/ulichnyiy-fonar-svoimi-rukami-neslozhnyie-modeli-dlya-ochumelyih-ruk/
- https://Svetilov.ru/osveshhenie/ulica/kak-sdelat-ulichnye-fonari-iz-podruchnyh-materialov
- https://svoimi.rukami.klubokidei.com/1296984039662816216/sadovyj-svetilnik-svoimi-rukami—originalnye-idei-osvescheniya/
- https://kaksdelat.guru/kak-sdelat-fonarik/
- https://sdelatrykami.ru/kak-sdelat-fonarik-svoimi-rukami/
- https://stroitelcentr.ru/samodelnye-fonariki-svoimi-rukami/
- https://svoimirykamicentr.ru/ulichnyj-fonar-svoimi-rukami/
- https://USamodelkina.ru/fonari-i-fonariki/
- https://LampaGid.ru/elektrika/montazh/fonarik
- https://dnevnikmastera.ru/kak-sdelat-fonarik
- https://SdelaySam-SvoimiRukami.ru/4266-samodelnyy-super-yarkiy-mini-led-fonarik-3-vt.html
Идеи из подручных материалов
Можно сделать солнечную батарею своими руками из подручных материалов. Рассмотрим самые популярные варианты.
Солнечная батарея из фольги
Многие удивятся, узнав, что фольгу можно применять для изготовления солнечной батареи своими руками. На самом деле, в этом нет ничего удивительного, ведь фольга увеличивает отражающие способности материалов. Например, для уменьшения перегрева панелей, их кладут на фольгу.
Как сделать солнечную батарею из фольги?
Нам понадобится:
- 2 «крокодильчика»;
- медная фольга;
- мультиметр;
- соль;
- пустая пластиковая бутылка без горлышка;
- электрическая печь;
- дрель.
Очистив медный лист и вымыв руки, отрезаем кусок фольги, кладем его на раскаленную электроплиту, нагреваем полчаса, наблюдая почернение, затем убираем фольгу с плиты, даем остыть и видим, как от листа отслаиваются куски. После нагревания оксидная пленка пропадает, поэтому черный оксид можно аккуратно удалить водой.
Затем вырезается второй кусок фольги такого же размера, как и первый, две части сгибаются, опускаются в бутылку так, чтобы у них не было возможности соприкоснуться.
Далее «крокодильчики» прицепляются к панели, провод от ненагретой фольги — к плюсу, от нагретой — к минусу, соль растворяют в воде и выливают раствор в бутылку. Батарея готова.
Также фольгу можно применять для подогрева. Для этого ее необходимо натянуть на раму, к которой затем нужно подсоединить шланги, подведенные, например, к лейке с водой.
Вот мы и узнали, как самому сделать солнечную батарею для дома из фольги.
Солнечная батарея из транзисторов
У многих дома завалялись старые транзисторы, но не все знают, что они вполне подойдут для изготовления солнечной батареи для дачи своими руками. Фотоэлементом в таком случае является полупроводниковая пластина, находящаяся внутри транзистора. Как же изготовить солнечную батарею из транзисторов своими руками? Сначала необходимо вскрыть транзистор, для чего достаточно срезать крышку, так мы сможем разглядеть пластину: она небольших размеров, чем и объясняется низкий КПД солнечных батарей из транзисторов.
Далее нужно проверить транзистор. Для этого используем мультиметр: подключаем прибор к транзистору с хорошо освещенным p-n переходом и замеряем ток, мультиметр должен зафиксировать ток от нескольких долей миллиампера до 1 или чуть больше; далее переключаем прибор в режим измерения напряжения, мультиметр должен выдать десятые доли вольта.
Прошедшие проверку транзисторы размещаем внутри корпуса, например, листового пластика и спаиваем. Можно изготовить такую солнечную батарею своими руками в домашних условиях и использовать ее для зарядки аккумуляторов и радиоприемников маленькой мощности.
Солнечная батарея из диодов
Также подходят для сборки батарей старые диоды. Сделать солнечную батарею своими руками из диодов совсем несложно. Нужно вскрыть диод, оголив кристалл, являющийся фотоэлементом, затем нагревать диод 20 секунд на газовой плите, и, когда припой расплавится, извлечь кристалл. Остается припаять вытащенные кристаллы к корпусу.
Мощность таких батарей невелика, но для электропитания небольших светодиодов ее достаточно.
Солнечная батарея из пивных банок
Такой вариант изготовления солнечной батареи своими руками из подручных средств большинству покажется очень странным, но сделать солнечную батарею своими руками из пивных банок просто и дешево.
Корпус сделаем из фанеры, на которую поместим поликарбонат или оргстекло, на задней поверхности фанеры зафиксируем пенопласт или стекловату для изоляции. Фотоэлементами нам послужат алюминиевые банки
Важно выбрать именно банки из алюминия, так как алюминий менее подвержен коррозии, чем, например, железо и обладает лучшим теплообменом
Далее в нижней части банок проделываются отверстия, крышка срезается, и ненужные элементы загибаются для обеспечения лучшей циркуляции воздуха. Затем необходимо очистить банки от жира и грязи с помощью специальных средств, не содержащих кислоты. Далее необходимо герметично скрепить банки между собой: силиконовым гелем, выдерживающим высокие температуры, или паяльником. Обязательно нужно очень хорошо просушить склеенные банки в неподвижном положении.
Прикрепив банки к корпусу, окрашиваем их в черный цвет и закрываем конструкцию оргстеклом или поликарбонатом. Такая батарея способна нагревать воду или воздух с последующей подачей в помещение.
Мы рассмотрели варианты того, как сделать солнечную панель своими руками. Надеемся, что теперь у вас не возникнет вопроса, как сделать солнечную батарею.
Примерные траты
Смету на создание садового солнечного фонарика сложно оценить из-за разницы в элементах конструкции. Если использовать подручные материалы расходы будут небольшими. Для приобретения платы и других радиодеталей потребуется не больше 500 рублей.
Самой затратной частью будет солнечная панель. Ее стоимость может начинаться от 10 рублей до 1000 рублей, в зависимости от качества исполнения изделия и бренда. Самые дорогие элементы будут служить долго, и радовать владельца участка ярким светом.
Дешевые платы быстро ломаются, могут не работать сразу после изготовления. Дополнительными расходами могут стать ПВХ трубы. Лучший вариант подобрать им альтернативу, либо использовать имеющиеся запасы.
Таблица расходов может выглядеть следующим образом:
| Детали | Стоимость | Количество | Сумма покупки |
| Солнечные панели | 170 руб. | 1 шт. | 170 руб. |
| Накопительная батарея | 220 руб. | 1 шт. | 220 руб. |
| Светодиоды | 12 руб. | 3 шт. | 36 руб. |
| Резистор | 2 руб. | 6 шт. | 12 руб. |
| Транзистор | 5 руб. | 3 шт. | 15 руб. |
| Диод | 3 руб. | 3 шт. | 9 руб. |
| Общая сумма | 462 руб. |
Бюджетный вариант одного светодиодного фонарика будет иметь стоимость около 500 рублей, согласно таблице. Можно приобрести необходимые для его создания оптом, чтобы собрать сразу несколько изделий этого типа, тогда общая сумма покупки будет еще ниже на единицу светящегося прибора.
Детали для изготовления автономного светильника
Чтобы установить на даче уличные светильники на солнечных батареях, необходимо изначально сформировать список деталей, из которых он состоит. Их выбор зависит от того, насколько мощным хочется получить автономный осветительный прибор. Специалисты рекомендуют приобретать светодиоды d2 мощностью от 1 до 1,5 В. Для создания солнечного светильника достаточно использовать 4 штуки.

При выборе аккумуляторной батареи предпочтение лучше отдавать модели, характеризующейся емкостью 3000 мАч и обладающей рабочим напряжением, равным 3,6 В. В этом случае зарядка батареи будет осуществляться не менее 10 часов. Этого времени вполне достаточно, чтобы установленные светодиоды d2 успешно освещали окружающее пространство в течение 12 часов.

В отдельных случаях рабочее напряжение аккумулятора может оказаться слишком большим для светодиода d2. Для компенсации излишков рекомендуется внедрить добавочный резистор R2. Его номинал должен соответствовать рабочему напряжению светодиода и аккумуляторной батареи. Определить подходящий вариант добавочного резистора R2 можно, воспользовавшись предложенной формулой:
Сумма номинала напряжения светодиода и показателя падения напряжения на добавочном резисторе R2 должна быть равна величине напряжения аккумулятора.
Далее нужно уделить должное внимание выбору солнечной панели. Опытные мастера рекомендуют отдать предпочтение батарее со следующими параметрами:
- размер — 65х65х3мм;
- выходное рабочее напряжение — 90 мА; 4,4 В.

Для сооружения электронного блока управления потребуются дополнительные детали:
- 4 добавочных резистора;
- 1 диод;
- 2 транзистора.

Их необходимо разместить на одной плате, которую можно вытравить самостоятельно. Однако многие умельцы предпочитают исключить выполнение ненужных работ, поэтому рекомендуют приобрести уже готовые макетные варианты. Также следует подготовить многожильный провод из меди для создания дорожек. Как только все перечисленные детали будут подготовлены, можно переходить к следующему этапу работы — пайке в строгом соответствии с выбранной схемой.

Какие материалы подходят
При выборе покупного экземпляра стоит обратить внимание на материал
Важно, чтобы он был влагоустойчивым, поэтому дерево в данном случае не подходит. Оно может быть применено только в летних вариантах и должно быть хорошо обработано
То же самое касается и керамики. Лучший вариант — металл, но подойдет и ударопрочный пластик.
Оно может быть применено только в летних вариантах и должно быть хорошо обработано. То же самое касается и керамики. Лучший вариант — металл, но подойдет и ударопрочный пластик.
Не очень хорошие отзывы собирает силумин, который, по мнению многих, слишком быстро разрушается. Если это светильник для водоема или бассейна, то он, разумеется, должен быть водонепроницаемым.
Садовый светильник из жестяной банки своими руками
И так, как же сделать садовый светильник своими руками из жестяной банки? Для этого вам понадобятся банки, гвозди, молоток, зажимы для крепления, две прямоугольные скрепленные между собой деревянные балки, маленькие свечи.
На первом этапе подготовьте рабочую поверхность: скрепите балки и, используя зажимы для крепления, зафиксируйте их. Это необходимо для того, чтоб уберечь жестяную банку во время нанесения рисунка от деформации. Вторым этапом выберите и нанесите на бумагу узор, который украсит банку. Приложите его к жестянке (либо можно с помощью фломастера точечно нанести узор сразу на банку) и наденьте ее на деревяшку. Затем с помощью молотка и гвоздей перенесите его на светильник. Третьим этапом установите свечки внутри жестяной банки. Она поможет деликатно рассеять свет через дырочки.Экспериментируйте с различными размерами гвоздей, чтоб создать неповторимый узор.
Отметим, что сделать из такого садового светильника фонарь проще простого. Для этого необходимо прицепить к банке простую металлическую проволоку.
Виды светильников на солнечных батареях
Не трудно понять, почему приборы на солнечных батареях сейчас столь популярны. Конечно, здорово, что такое освещение позволяет не платить за электричество, но для многих главным плюсом все же является возможность монтировать светильники, не прокладывая проводку. Все что нужно – вынуть прибор из коробки и установить его, например, около дорожки. На большинстве моделей присутствуют датчики темноты, так что вам даже о включении света не нужно думать – все происходит автоматически.
Данная технология развивается очень быстро. Светильники на солнечных батареях выглядят все более привлекательными, их свечение становится ярче, а время бесперебойной работы при этом увеличивается. Чтобы понять какой прибор подойдет именно вам, необходимо ознакомиться с ассортиментом и основными видами.

- Светильники на коротких подставках отличаются низкой ценой и простотой установки. Вы просто вдавливаете ножку в грунт и монтаж закончен.
- Подвесные фонари крепятся к потолку беседки, на ветки деревьев или на забор. Их можно использовать как предмет декора.
- Для подсветки забора зачастую используют светодиодные прожекторы, мощность которых приравнивается к лампе накаливания в 100 Ватт.
- Уличные фонари, установленные на ножку или столб. Используются на парковках, дворах с большой площадью или садах. Также применяются для освещения автомобильных дорог.
- Для подсветки фасада здания используют настенные солнечные светильники.
О назначении «солнечных» светильников
При покупке осветительных приборов для сада важно учесть, какую функцию они будут выполнять. Всего различают три группы освещения: декоративные, для дорожек и прожекторы
Декоративные светильники
Декоративные лампы придают приятное освещение вашему участку. Они отмечают конкретное место, их цель вовсе не связана с максимальной освещенностью территории. Из-за слабого светового излучения срок службы декоративной подсветки значительно превышает аналоги на солнечных батареях. Достаточно частое явление, когда декоративное освещение работает несколько ночей подряд, зарядившись в один яркий солнечный день.
Зарядка приборов происходит полноценно даже в пасмурную погоду. Обычно эти светильники испускают не белый, а желтый свет, некоторые модели даже способны мерцать и создавать эффект пламени. Благодаря желтому цвету, потребление электричества у таких светильников снижено. Помимо эстетической функции декоративные автономные светильники используются и для освещения потенциально опасных мест. Это зона хранения инструментов, область с декоративными элементами ландшафта и так далее. Светильники-декорации являются самыми доступными, отличаются сравнительно низкой стоимостью.
Светильники для дорожек
Эти светильники освещают дороги и тропы на участке. Таких приборов, как правило, требуется несколько вдоль всей дорожки. Такой подход позволяет максимально обезопасить путь. Существует несколько способов крепления: их можно подвесить, воткнуть в землю или же просто поставить на поверхность. Свет в таких приборах всегда направлен вниз.

Большинство моделей светильников для дорожек оборудовано ручными переключателями. Таким образом экономится заряд, а приборы используются только при необходимости. Самые удобные светильники оборудованы датчиками движения, которые включаются автоматически при приближении объекта к дорожке. Этот тип фонарей дает освещение средней мощности и относится к средней ценовой категории.
Прожекторы
Эта разновидность автономных светильников сама мощная, поэтому подобные приборы стоят дорого
Важно понимать, что большая мощность не подразумевает отдачу света, аналогичного характеристикам прожектора в 100 ватт. Максимальная мощность автономного прожектора напоминает 40-ваттную лампу накаливания, и этого вполне достаточно

Большинство приборов сконструировано таким образом, что их можно монтировать разными способами. Вы можете осветить прожекторами вход в дом, на участок или парковку. Как правило, именно эти лампы на солнечных батареях отличаются повышенной прочностью. Несомненно, все подобные светильники защищены от погодных условий и прямого солнечного света, но в данном случае уровень защиты гораздо выше. Особенности конструкции позволяют получить больше света при низких температурах.
Правила выбора ламп для сада
Качество и стоимость освещения зависеть от типа ламп, которые будут устанавливаться в ландшафтных светильниках. Допустимые модификации ламп, которые можно использовать для этого типа уличных светильников:
Обычные лампы накаливания. Преимущества: низкая закупочная цена, доступность в торговой сети, сплошной спектр излучения, “теплые” цветовые тона. Недостатки: небольшой уровень цветопередачи, высокие затраты на оплату электроэнергии для работы ламп, высокий показатель теплоотдачи.
- Галогенные лампочки. Преимущества: более экономные, больший срок службы, стабильный световой поток, меньшие внешние габариты, высокие характеристики термической и механической стойкости, высокая мощность, меньший расход электроэнергии для работы лампы. Недостатки: нужен трансформатор для работы чувствительность к перепадам напряжения, сильный нагрев, что требует применение термостойких материалов для лампы и корпуса.
- ЛЕД-лампы – самые популярные приборы для ландшафтного освещения. Преимущества: очень экономичные, не содержат вредных веществ, большой уровень цветопередачи, могут использоваться для светильников, выполненных из любых материалов, даже из бумаги, большой срок службы до 100 000 часов, относятся к низковольтному оборудованию, поэтому имеют повышенную степень безопасности.
Недостатки: восприимчивость к перепадам напряжения в сети, высокая цена, излучают неровный свет.
По всем характеристикам наилучшим вариантом для уличного освещения придомовой территории являются светодиодные лампы.
Какие виды бывают?
Ландшафтные дизайнеры подразделяют уличные светильники на солнечных батареях на несколько видов:
Газонные. Одни из любимых фонарей для владельцев приусадебных участков. Компактные, маленькие устройства оригинально украсят газоны, садовые дорожки, веранды, деревья или группы ветвистых кустарников.

Все, что требуется для установки газонного светильника — прочно воткнуть его в землю. Наконечники для удобства установки у них заостренные
При необходимости газонные светильники легко убираются. Установка их на новое место осуществляется еще проще – поплотнее воткните их в землю специальным наконечником и фонарик готов к работе.
Декоративные светильники-крошки самые разнообразные по дизайну среди своих собратьев. Это могут быть различные сказочные фигурки животных, насекомых, людей, цветов. А хотите оригинальный светильник-шар на солнечных батареях или фонарь в стиле ретро или хай-тек?

Большие садовые светильники в стиле хай-тек
Совет! Приобретите газонные фонари с дополнительными антикоррозийными свойствами. Такие фонари станут идеальным, безопасным украшением ваших садовых водоемов, фонтанчиков и бассейнов.
Парковые. Массивные и величавые вечерние осветители сада. Такие светильники для дачи на солнечных батареях более крупного размера и располагаются они на высокой опоре. При этом аккумуляторы обязательно защищают от влаги и пыли. Практически всегда выполняются парковые светильники из стали-нержавейки. Их декорируют различными коваными элементами, пластиковыми или стеклянными плафонами.

Минималистично оформленные парковые фонари обеспечивают достаточно яркое освещение и оснащены батареями солидной емкости
Парковые фонари, устанавливаемые на столб, оснащаются мощными светодиодами. При условии полной зарядки батареи они будут работать 3-4 суток.
Высота столба может варьироваться от нескольких сантиметров до нескольких метров. Работают такие мега-фонари независимо от сезона и температурных условий.
Настенные. Один из популярнейших видов автономного светильника. Его размещают на любой горизонтальной, либо вертикальной поверхности (стена дома, забор, гараж, парапет, веранда). Единственной сложностью в его работе является требование непосредственного попадания солнечных лучей на поверхность фонаря. Поэтому размещается он всегда на хорошо освещаемых местах.

Специальные светильники маленьких размеров с козырьками часто крепят на ступени в саду, чтобы обезопасить ходьбу по ним в темное время суток
Если денек выдался солнечным, то полностью заряженная батарея настенного светильника способна работать до 10 часов. А вот после пасмурных, хмурых дней он работать не станет.
Время, требуемое на зарядку батареи настенного светильника, напрямую зависит от погодных условий. Чем ярче и солнечнее будет день – тем быстрее зарядится аккумулятор.

Для садовых дорожек существуют встраиваемые стеклянные «кирпичи» на солнечных батареях. Они устанавливаются вровень с тротуарной плиткой, а срок гарантии производителя об их безотказной работе — самый внушительный

Популярный сегодня вид садовых фонариков — в стеклянных банках, где солнечная батарея встроена в обычную завинчивающуюся крышку

Садовое украшение — гирлянда со светящимися в темноте птичками, с креплениями-зажимами типа «крокодильчик» и питанием от солнечной батареи
На солнечных батареях
Садовые светильники на солнечных батареях являются одними из самых популярных. Их не нужно подключать к электросети или блоку питания, поскольку они светят за счет аккумулированной ими в течения дня энергии света.
Некоторые думают, что подзарядка происходит только в солнечный день. Однако это не так. Батарейке хватит даже ненастного дня, чтобы потом давать энергию всю ночь.
Если такой светильник долго лежал в помещении, первое время он может не работать. Для исправления этой ситуации его нужно всего лишь разместить на улице.
Но, несмотря на экономичность, у такого экземпляра есть один существенный недостаток — светит он не очень ярко. Поэтому, если нужен яркий свет, придется выбрать другой тип. Однако с декоративной ролью подсветки дорожек данный вид справляется идеально.




































